вконтакте

Контактный телефон: +7 (981) 121-46-93, +7 (800) 200-90-76 , Email: parts-katalog@yandex.ru, где купить

 
 

  Логин:

Пароль:

Регистрация

www.partskatalog.ru Все каталоги Запчасти Mercury Запчасти Suzuki Запчасти Tohatsu Запчасти Honda Контакты


запчастиsuzuki

Узнать наличие и цену запчасти:

Вернуться к началу выбора

Поиск модели по серийному номеру


РЕЖИМЫ ПРОСМОТРА

Все узлы и детали

Тип двигателя: 2x - тактный

Модель двигателя: Suzuki DT15

Модификация Вашего двигателя:   Suzuki DT15CEVS (E1) S
Год выпуска двигателя: 1995
Регион: General Export No.1 ,Код региона: P01
Цвет: California Gray Metallic


Поиск запчастей по коду или названию


   Выберите раздел

найти расходники на лодочные моторы Suzuki

Начните вводить запрос

Catalog preface (Каталог)

Catalog preface (Каталог)

Catalog preface (Каталог)

Catalog preface (Каталог)

Catalog preface (Каталог)

Catalog preface (Каталог)

Catalog preface (Каталог)

Catalog preface (Каталог)

Catalog preface (Каталог)

Catalog preface (Каталог)

Catalog preface (Каталог)

Catalog preface (Каталог)

Cylinder (Цилиндр)

Cylinder (Цилиндр)

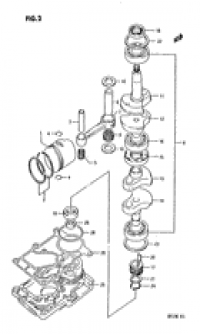
Crankshaft (Коленвал)

Crankshaft (Коленвал)

Inlet case (вход case)

Inlet case (вход case)

Carburetor (Карбюратор)

Carburetor (Карбюратор)

Oil pump (Масляный насос)

Oil pump (Масляный насос)

Water pump (Водяной насос)

Water pump (Водяной насос)

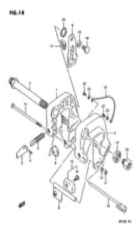
Throttle control (Управление дросселем)

Throttle control (Управление дросселем)

Exhaust tube (Выхлоп Трубка)

Exhaust tube (Выхлоп Трубка)

Starter (Стартер)

Starter (Стартер)

Clutch (Сцепление)

Clutch (Сцепление)

Transmission (Трансмиссия)

Transmission (Трансмиссия)

Starting motor (Двигатель электростартера)

Starting motor (Двигатель электростартера)

Magneto (Магнето)

Magneto (Магнето)

Ignition

Ignition

Electrical (Электрика)

Electrical (Электрика)

Electrical (Электрика)

Electrical (Электрика)

Clamp bracket (Кронштейн транца)

Clamp bracket (Кронштейн транца)

Clamp bracket (Кронштейн транца)

Clamp bracket (Кронштейн транца)
Model: 96

Swivel bracket (Поворотный кронштейн)

Swivel bracket (Поворотный кронштейн)

Swivel bracket (Поворотный кронштейн)

Swivel bracket (Поворотный кронштейн)
Model: 96

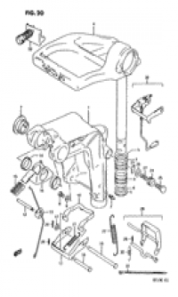
Drive shaft housing (Корпус вала передачи)

Drive shaft housing (Корпус вала передачи)

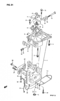
Gear case (Картер коробки передач)

Gear case (Картер коробки передач)

Lower cover (Нижняя часть корпуса)

Lower cover (Нижняя часть корпуса)

Engine cover (Крышка двигателя (капот))

Engine cover (Крышка двигателя (капот))

Engine cover (Крышка двигателя (капот))

Engine cover (Крышка двигателя (капот))
Model: 94~97

Fuel tank (Топливный бак)

Fuel tank (Топливный бак)
Steel

Fuel tank (Топливный бак)

Fuel tank (Топливный бак)
Steel/e28

Fuel tank (Топливный бак)

Fuel tank (Топливный бак)
Plastic

Oil tank (Масляный бак)

Oil tank (Масляный бак)

Handle

Handle

Electrical (Электрика)

Electrical (Электрика)
Optional;

Electrical (Электрика)

Electrical (Электрика)
Optional;

Remote control parts (Запчасти для дистанционного управления)

Remote control parts (Запчасти для дистанционного управления)
Optional;

Remote control (Дистанционное управление)

Remote control (Дистанционное управление)
Optional; model: 89-92

Remote control (Дистанционное управление)

Remote control (Дистанционное управление)
Optional; model: 93-97

Gasket set (Комплект прокладок)

Gasket set (Комплект прокладок)
Optional;

Drag link (Переключающая тяга)

Drag link (Переключающая тяга)
Optional;

Optional (Опции)

Optional (Опции)




 
 

данный сайт носит информационный характер и не является публичной офертой

склад запчастей для водомоторной техники