вконтакте

Контактный телефон: +7 (981) 121-46-93, +7 (800) 200-90-76 , Email: parts-katalog@yandex.ru, где купить

 
 

  Логин:

Пароль:

Регистрация

www.partskatalog.ru Все каталоги Запчасти Mercury Запчасти Suzuki Запчасти Tohatsu Запчасти Honda Контакты



УВАЖАЕМЫЕ КЛИЕНТЫ!
C 19 ДЕКАБРЯ 2025 ПО 02 МАРТА 2026 ГОДА ОТДЕЛ ЗАПЧАСТЕЙ И СЕРВИС РАБОТАТЬ НЕ БУДУТ
ПРОДАЖА ЛОДОЧНЫХ МОТОРОВ В ШТАТНОМ РЕЖИМЕ
ОБ ИЗМЕНЕНИЯХ В ГРАФИКЕ РАБОТЫ ЧИТАЙТЕ НА САЙТА




запчастиsuzuki

Узнать наличие и цену запчасти:

Вернуться к началу выбора

Поиск модели по серийному номеру


РЕЖИМЫ ПРОСМОТРА

Все узлы и детали

Двигатель

Трансмиссия

Электрика

Внешние части

Тип двигателя: 2x - тактный

Модель двигателя: Suzuki DT15

Модификация Вашего двигателя:   Suzuki DT15KL K4
Год выпуска двигателя: 2004


Поиск запчастей по коду или названию


   Выберите раздел

найти расходники на лодочные моторы Suzuki

Начните вводить запрос

Cylinder (Цилиндр)

Cylinder (Цилиндр)
NOTE : COLOR : 0ED (GRAY) : 0EP (BLACK)

Crankshaft (Коленвал)

Crankshaft (Коленвал)

Inlet case (вход case)

Inlet case (вход case)

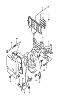
Carburetor (Карбюратор)

Carburetor (Карбюратор)
(DT9.9/15); NOTE : REFER TO FIG.5(B- 6) FOR DT9.9K/15K

Carburetor (Карбюратор)

Carburetor (Карбюратор)
(DT9.9K/15K)

Exhaust tube (Выхлоп Трубка)

Exhaust tube (Выхлоп Трубка)

Fuel pump (Топливный насос)

Fuel pump (Топливный насос)
(DT9.9/15); NOTE : REFER TO FIG.8(B-10) FOR DT9.9K/15K

Fuel pump (Топливный насос)

Fuel pump (Топливный насос)
(DT9.9K/15K)

Water pump (Водяной насос)

Water pump (Водяной насос)

Starter (Стартер)

Starter (Стартер)

Throttle control (Управление дросселем)

Throttle control (Управление дросселем)

Clutch (Сцепление)

Clutch (Сцепление)

Transmission (Трансмиссия)

Transmission (Трансмиссия)

Starting motor (Двигатель электростартера)

Starting motor (Двигатель электростартера)

Magneto (Магнето)

Magneto (Магнето)

Ignition coil (Катушка зажигания)

Ignition coil (Катушка зажигания)

Harness (Жгут проводов)

Harness (Жгут проводов)

Electrical (Электрика)

Electrical (Электрика)

Clamp bracket (Кронштейн транца)

Clamp bracket (Кронштейн транца)

Swivel bracket (Поворотный кронштейн)

Swivel bracket (Поворотный кронштейн)

Drive shaft housing (Корпус вала передачи)

Drive shaft housing (Корпус вала передачи)
NOTE : COLOR : 0ED(GRAY) 0EP(BLACK)

Gear case (Картер коробки передач)

Gear case (Картер коробки передач)
NOTE : COLOR : 0ED (GRAY) 019 (BLACK) 0EP(BLACK)

Lower cover (Нижняя часть корпуса)

Lower cover (Нижняя часть корпуса)

Engine cover (Крышка двигателя (капот))

Engine cover (Крышка двигателя (капот))
NOTE : REFER TO FIG.25 (E- 4) FOR MODEL:02~10 REFER TO FIG.25A(E- 5) FOR DT9.9:010112~

Engine cover (Крышка двигателя (капот))

Engine cover (Крышка двигателя (капот))
(MODEL:02~10); NOTE : REFER TO FIG.25A(E- 5) FOR DT9.9:010112~

Engine cover (Крышка двигателя (капот))

Engine cover (Крышка двигателя (капот))
(*); NOTE : (*) : DT9.9:010112~

Handle

Handle

Fuel tank (Топливный бак)

Fuel tank (Топливный бак)
(STEEL)

Fuel tank (Топливный бак)

Fuel tank (Топливный бак)
(RESIN:12L)

Fuel tank (Топливный бак)

Fuel tank (Топливный бак)
(RESIN:25L)

Opt : starter motor (Опции : Двигатель стартера)

Opt : starter motor (Опции : Двигатель стартера)

Opt : electrical (Опции : Электрика)

Opt : electrical (Опции : Электрика)
(1)

Opt : electrical (Опции : Электрика)

Opt : electrical (Опции : Электрика)
(2)

Opt : remote control parts (Опции : Запчасти для дистанционного управления)

Opt : remote control parts (Опции : Запчасти для дистанционного управления)

Opt : remote control (Опции : Дистанционное управление)

Opt : remote control (Опции : Дистанционное управление)
(1)

Opt : remote control (Опции : Дистанционное управление)

Opt : remote control (Опции : Дистанционное управление)
(2); NOTE : REFER TO FIG.36(F- 9) FOR MODEL:04~

Opt : remote control (Опции : Дистанционное управление)

Opt : remote control (Опции : Дистанционное управление)
(2)(MODEL:04~)

Opt : drag link (Опции : Переключающая тяга)

Opt : drag link (Опции : Переключающая тяга)

Opt : gasket set (Опции : Комплект прокладок)

Opt : gasket set (Опции : Комплект прокладок)




 
 

данный сайт носит информационный характер и не является публичной офертой

склад запчастей для водомоторной техники