вконтакте

Контактный телефон: +7 (981) 121-46-93, +7 (800) 200-90-76 , Email: parts-katalog@yandex.ru, где купить

 
 

  Логин:

Пароль:

Регистрация

www.partskatalog.ru Все каталоги Запчасти Mercury Запчасти Suzuki Запчасти Tohatsu Запчасти Honda Контакты



УВАЖАЕМЫЕ КЛИЕНТЫ!
C 19 ДЕКАБРЯ 2025 ПО 02 МАРТА 2026 ГОДА ОТДЕЛ ЗАПЧАСТЕЙ И СЕРВИС РАБОТАТЬ НЕ БУДУТ
ПРОДАЖА ЛОДОЧНЫХ МОТОРОВ В ШТАТНОМ РЕЖИМЕ
ОБ ИЗМЕНЕНИЯХ В ГРАФИКЕ РАБОТЫ ЧИТАЙТЕ НА САЙТА




запчастиsuzuki

Узнать наличие и цену запчасти:

Вернуться к началу выбора

Поиск модели по серийному номеру


РЕЖИМЫ ПРОСМОТРА

Все узлы и детали

Двигатель

Трансмиссия

Электрика

Внешние части

Тип двигателя: 2x - тактный

Модель двигателя: Suzuki DT16

Модификация Вашего двигателя:   Suzuki DT16 J
Год выпуска двигателя: 1981


Поиск запчастей по коду или названию


   Выберите раздел

найти расходники на лодочные моторы Suzuki

Начните вводить запрос

Cylinder (Цилиндр)

Cylinder (Цилиндр)

Crankshaft (Коленвал)

Crankshaft (Коленвал)

Inlet case (вход case)

Inlet case (вход case)

Carburetor (Карбюратор)

Carburetor (Карбюратор)

Exhaust cover (Кожух выхлопной трубы)

Exhaust cover (Кожух выхлопной трубы)

Fuel pump (Топливный насос)

Fuel pump (Топливный насос)

Water pump (Водяной насос)

Water pump (Водяной насос)
(MODEL G); NOTE : FIG.8 (C-5

Water pump (Водяной насос)

Water pump (Водяной насос)
(MODEL J

Starter (Стартер)

Starter (Стартер)
1; NOTE : FIG.10 (C-9):MODEL PVZ (DT9.9PVZ 0992-208911~

Starter (Стартер)

Starter (Стартер)
2; NOTE : FIG.9 (C-7

Starter (Стартер)

Starter (Стартер)
3

Throttle control (Управление дросселем)

Throttle control (Управление дросселем)

Clutch (Сцепление)

Clutch (Сцепление)

Starting motor (Двигатель электростартера)

Starting motor (Двигатель электростартера)

Magneto (Магнето)

Magneto (Магнето)
1 (MODEL G

Ignition

Ignition

Rectifire

Rectifire

Wiring harness (WiКольцо Жгут проводов)

Wiring harness (WiКольцо Жгут проводов)

Neutral switch (Переключатель нейтрали)

Neutral switch (Переключатель нейтрали)
(MODEL G); NOTE : FIG.21 (D-13):MODEL J FIG.22 (D-14):MODEL VZ

Neutral switch (Переключатель нейтрали)

Neutral switch (Переключатель нейтрали)
(MODEL J); NOTE : FIG.20 (D-12):MODEL G FIG.22 (D-14):MODEL VZ

Clamp bracket (Кронштейн транца)

Clamp bracket (Кронштейн транца)

Swivel bracket (Поворотный кронштейн)

Swivel bracket (Поворотный кронштейн)

Driveshaft housing (Корпус вала передачи)

Driveshaft housing (Корпус вала передачи)

Gear case (Картер коробки передач)

Gear case (Картер коробки передач)
1 (THROUGH PROP HUB EXHAUST); NOTE : FIG.27 (E-9

Gear case (Картер коробки передач)

Gear case (Картер коробки передач)
2

Propeller (Гребной винт)

Propeller (Гребной винт)
1

Propeller (Гребной винт)

Propeller (Гребной винт)
2 (BEHIND WATER EXHAUST); NOTE : [GE3

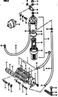
Transmission (Трансмиссия)

Transmission (Трансмиссия)
1 (THROUGH PROP HUB EXHAUST); NOTE : FIG.31 (F-4

Transmission (Трансмиссия)

Transmission (Трансмиссия)
2 (BEHIND WATER EXHAUST); NOTE : FIG.30 (F-2

Lower cover (Нижняя часть корпуса)

Lower cover (Нижняя часть корпуса)

Engine cover (Крышка двигателя (капот))

Engine cover (Крышка двигателя (капот))
1; NOTE : FIG.34 (F-9):E9

Engine cover (Крышка двигателя (капот))

Engine cover (Крышка двигателя (капот))
2 (E09

Handle - grip (Handle - Рукоятка)

Handle - grip (Handle - Рукоятка)

Fuel tank (Топливный бак)

Fuel tank (Топливный бак)
1; NOTE : FIG.37 (G-3):E28

Fuel tank outlet (Топливный бак выход)

Fuel tank outlet (Топливный бак выход)
(MODEL G

Fuel gauge

Fuel gauge
1 (G

Fuel hose (Топливный шланг)

Fuel hose (Топливный шланг)

Opt:electrical (Опции: электрика)

Opt:electrical (Опции: электрика)
(1)

Optional:electrical (Опции: Электрика)

Optional:electrical (Опции: Электрика)
(2)

Opitonal:electrical (Opitonal: Электрика)

Opitonal:electrical (Opitonal: Электрика)
(3)

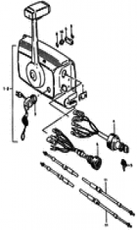
Optional:remote control parts (Опции: Запчасти для дистанционного управления)

Optional:remote control parts (Опции: Запчасти для дистанционного управления)

Opt:remote control (Опции: дистанционное управление)

Opt:remote control (Опции: дистанционное управление)
(1)

Opt:remote control (Опции: дистанционное управление)

Opt:remote control (Опции: дистанционное управление)
(2)

Optional:remote control (Опции: Дистанционное управление)

Optional:remote control (Опции: Дистанционное управление)
(3)

Optional (Опции)

Optional (Опции)




 
 

данный сайт носит информационный характер и не является публичной офертой

склад запчастей для водомоторной техники