Контактный телефон: +7 (981) 121-46-93, +7 (800) 200-90-76 , Email: parts-katalog@yandex.ru, где купить
Логин:
Пароль:
Регистрация
Вернуться к началу выбора
Поиск модели по серийному номеру
РЕЖИМЫ ПРОСМОТРА
Все узлы и детали
Двигатель
Трансмиссия
Электрика
Внешние части
Тип двигателя: 2x - тактный
Модель двигателя: Suzuki DT20
Модификация Вашего двигателя: Suzuki DT20 C Год выпуска двигателя: 1978
Поиск запчастей по коду или названию
Выберите раздел
Начните вводить запрос
Inlet case - reed valve (вход case - Язычковый клапан)
Starter (Стартер)
Starter (Стартер) (DT9.9Y)
Clutch lever (Рычаг сцепления)
Magneto (Магнето) (MODEL C); NOTE : FIG.14 (D-6):MODEL D
Magneto (Магнето) (MODEL D
Magneto (Магнето) (MODEL D E13
Magneto (Магнето) 1; NOTE : FIG.39 (H-6):DT20 (D
Magneto (Магнето) 2 (DT20 (D
Electrical (Электрика) (MODEL C)
Electrical (Электрика) (MODEL D
Electrical (Электрика) 1
Electrical (Электрика) 2
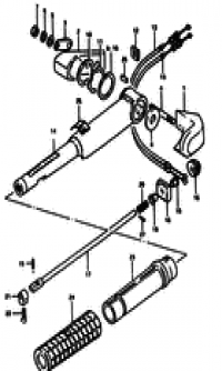
Clamp bracket (Кронштейн транца)
Swivel bracket (Поворотный кронштейн)
Drive shaft housing (Корпус вала передачи)
Gear case - propeller (Картер коробки передач - Гребной винт)
Transmission (Трансмиссия)
Transmission (Трансмиссия) (DT25FE3
Lower cover (Нижняя часть корпуса)
Engine cover (Крышка двигателя (капот))
Engine cover (Крышка двигателя (капот)) (DT28F); NOTE : THE MODEL NAME F OF THIS PAGE MEANS DT28F ONLY. FIG.51 (I-9
Handle - grip (Handle - Рукоятка) (MODEL C
Handle - grip (Handle - Рукоятка) (MODEL F)
Cylinder (Цилиндр)
Exhaust cover (Кожух выхлопной трубы)
Crankshaft (Коленвал)
Reed valve (Язычковый клапан)
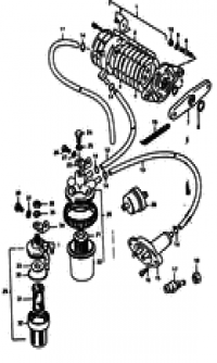
Fuel pump (Топливный насос)
Water pump (Водяной насос)
Recoil starter (Барабанный стартер)
Starting motor (Двигатель электростартера)
Ignition
Steering bracket (Кронштейн рулевого управления)
Driveshaft housing (Корпус вала передачи) NOTE:WHEN YOU USE THE DRIVESHAFT HOUSING (52100-93823-01J) TO L TYPE AND S TYPE
Gear case (Картер коробки передач) (DT25FE3
Handle (MODEL C
Handle (MODEL F); NOTE : FIG.53 (I-13):MODEL C
Fuel tank (Топливный бак) 4; NOTE : FIG.55 (K-2):MODEL C
Fuel tank outlet (Топливный бак выход) NOTE : FIG.59 (K-6):GAUGE ASSY
Fuel hose (Топливный шланг)
Tool assy & gasket set (Набор инструмента & Комплект прокладок) (OPT)
Opt : remote control (Опции : Дистанционное управление) (DT20F
Optional (Опции)
данный сайт носит информационный характер и не является публичной офертой
склад запчастей для водомоторной техники