вконтакте

Контактный телефон: +7 (981) 121-46-93, +7 (800) 200-90-76 , Email: parts-katalog@yandex.ru, где купить

 
 

  Логин:

Пароль:

Регистрация

www.partskatalog.ru Все каталоги Запчасти Mercury Запчасти Suzuki Запчасти Tohatsu Запчасти Honda Контакты



УВАЖАЕМЫЕ КЛИЕНТЫ!
C 19 ДЕКАБРЯ 2025 ПО 02 МАРТА 2026 ГОДА ОТДЕЛ ЗАПЧАСТЕЙ И СЕРВИС РАБОТАТЬ НЕ БУДУТ
ПРОДАЖА ЛОДОЧНЫХ МОТОРОВ В ШТАТНОМ РЕЖИМЕ
ОБ ИЗМЕНЕНИЯХ В ГРАФИКЕ РАБОТЫ ЧИТАЙТЕ НА САЙТА




запчастиsuzuki

Узнать наличие и цену запчасти:

Вернуться к началу выбора

Поиск модели по серийному номеру


РЕЖИМЫ ПРОСМОТРА

Все узлы и детали

Двигатель

Трансмиссия

Электрика

Внешние части

Тип двигателя: 2x - тактный

Модель двигателя: Suzuki DT20

Модификация Вашего двигателя:   Suzuki DT20 V
Год выпуска двигателя: 1997
Регион: General Export No.1 ,Код региона: P01
Цвет: California Gray Metallic


Поиск запчастей по коду или названию


   Выберите раздел

найти расходники на лодочные моторы Suzuki

Начните вводить запрос

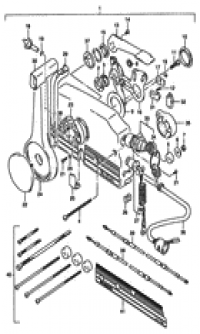
Cylinder (Цилиндр)

Cylinder (Цилиндр)
NOTE : COLOR : 0ED (GRAY)

Crankshaft (Коленвал)

Crankshaft (Коленвал)

Inlet case (вход case)

Inlet case (вход case)
(DT20/25/30); NOTE : REFER TO FIG.4 (B-7) FOR DT25K

Inlet case (вход case)

Inlet case (вход case)
(DT25K); NOTE : COLOR : 0ED (GRAY)

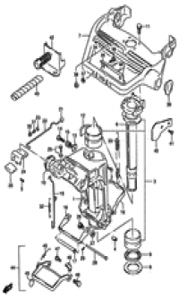
Carburetor (Карбюратор)

Carburetor (Карбюратор)
(DT20); NOTE : REFER TO FIG.6 (B-10) FOR DT25/30 REFER TO FIG.7 ( B-12) FOR DT25K

Carburetor (Карбюратор)

Carburetor (Карбюратор)
(DT25/30)

Carburetor (Карбюратор)

Carburetor (Карбюратор)
(DT25K)

Oil seal housing (Корпус сальника)

Oil seal housing (Корпус сальника)
NOTE : COLOR : 0ED (GRAY)

Exhaust tube (Выхлоп Трубка)

Exhaust tube (Выхлоп Трубка)

Fuel pump (Топливный насос)

Fuel pump (Топливный насос)
(DT20/25/30); NOTE : REFER TO FIG.11 (C-5) FOR DT25K

Fuel pump (Топливный насос)

Fuel pump (Топливный насос)
(DT25K)

Water pump (Водяной насос)

Water pump (Водяной насос)
NOTE : COLOR : 0ED (GRAY)

Recoil starter (Барабанный стартер)

Recoil starter (Барабанный стартер)
(~MODEL:95); NOTE : COLOR : 0ED (GRAY) REFER TO FIG.14 (C- 9) FOR MODEL:96~00

Recoil starter (Барабанный стартер)

Recoil starter (Барабанный стартер)
(MODEL:96~00)(*); NOTE : COLOR : 0ED (GRAY) (*) : DT20:651001~ DT25:651236~ DT25K:651001~ DT30:651685~

Throttle control (Управление дросселем)

Throttle control (Управление дросселем)
(DT20/25/30 MODEL:96~00)(*); NOTE : COLOR : 0ED (GRAY) (*) : DT20:651001~ DT25:651236~ DT30:651685~

Throttle control (Управление дросселем)

Throttle control (Управление дросселем)
(DT20/25/30 ~MODEL:95); NOTE : REFER TO FIG.15A(D-4) FOR DT20/25/30 MODEL:96~00 REFER TO FIG.16 (D-5) FOR DT20/25/30:E13

Throttle control (Управление дросселем)

Throttle control (Управление дросселем)
(DT20/25/30:E13

Throttle control (Управление дросселем)

Throttle control (Управление дросселем)
(DT25/30:E40 MODEL:96~00)(*); NOTE : (*) : DT25:651236~ DT30:651685~

Throttle control (Управление дросселем)

Throttle control (Управление дросселем)
(DT25K ~MODEL:95); NOTE : COLOR : 0ED (GRAY)

Throttle control (Управление дросселем)

Throttle control (Управление дросселем)
(DT25K MODEL:96~00)(*); NOTE : (*) : DT25K:651001~

Clutch (Сцепление)

Clutch (Сцепление)
(~MODEL:97); NOTE : COLOR : 0ED (GRAY) REFER TO FIG.18A(D-11) FOR MODEL:98~00

Clutch (Сцепление)

Clutch (Сцепление)
(MODEL:98~00)

Transmission (Трансмиссия)

Transmission (Трансмиссия)
NOTE : COLOR : 0ED (GRAY)

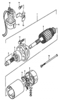
Starting motor (Двигатель электростартера)

Starting motor (Двигатель электростартера)
(MODEL:86~93); NOTE : REFER TO FIG.21(E-3) FOR MODEL:94~00

Starting motor (Двигатель электростартера)

Starting motor (Двигатель электростартера)
(MODEL:94~00)

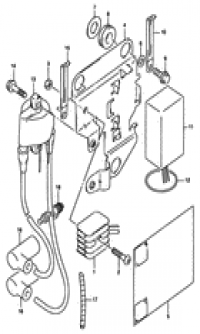
Magneto (Магнето)

Magneto (Магнето)
(DT20/25(K)/30 ~MODEL:94); NOTE : REFER TO FIG.23 (E-5) FOR DT20/25/30 MODEL:95 REFER TO FIG.24 (E-6) FOR DT20/25(K)/30 MODEL:96~00

Magneto (Магнето)

Magneto (Магнето)
(DT20/25(K)/30 MODEL:96~00)

Ignition

Ignition
(~MODEL:94); NOTE : REFER TO FIG.26 (E- 8) FOR MODEL:95~00

Ignition

Ignition
(MODEL:95~00)

Electrical (Электрика)

Electrical (Электрика)

Electrical (Электрика)

Electrical (Электрика)
(ELECTRIC STARTER)

Clamp bracket (Кронштейн транца)

Clamp bracket (Кронштейн транца)
(~MODEL:94); NOTE : REFER TO FIG.30 (F-4) FOR MODEL:95~00 COLOR : 02M (SILVER) 0ED (GRAY) 01T (WHITE)

Clamp bracket (Кронштейн транца)

Clamp bracket (Кронштейн транца)
(MODEL:95~00)

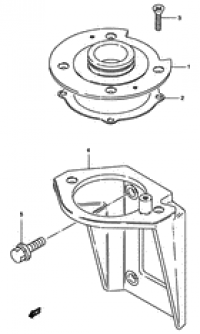
Swivel bracket (Поворотный кронштейн)

Swivel bracket (Поворотный кронштейн)

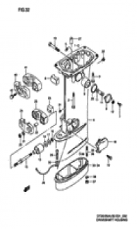
Driveshaft housing (Корпус вала передачи)

Driveshaft housing (Корпус вала передачи)
NOTE : COLOR : 0ED (GRAY)

Gear case (Картер коробки передач)

Gear case (Картер коробки передач)
NOTE : COLOR : 0ED (GRAY) 019 (BLACK)

Under cover (Нижняя часть корпуса)

Under cover (Нижняя часть корпуса)
(~MODEL:97); NOTE : COLOR : 0ED (GRAY) 02M (SILVER) 01T (WHITE) REFER TO FIG.34A(G-4) FOR MODEL:98~00

Under cover (Нижняя часть корпуса)

Under cover (Нижняя часть корпуса)
(MODEL:98~00)

Engine cover (Крышка двигателя (капот))

Engine cover (Крышка двигателя (капот))
(DT20

Engine cover (Крышка двигателя (капот))

Engine cover (Крышка двигателя (капот))
(DT20

Engine cover (Крышка двигателя (капот))

Engine cover (Крышка двигателя (капот))
(DT20

Engine cover (Крышка двигателя (капот))

Engine cover (Крышка двигателя (капот))
(DT25/25K

Engine cover (Крышка двигателя (капот))

Engine cover (Крышка двигателя (капот))
(DT30

Engine cover (Крышка двигателя (капот))

Engine cover (Крышка двигателя (капот))
(DT20/25(K)/30 MODEL:94~97); NOTE : COLOR : 0ED (GRAY) 1RR (GOLD)

Handle

Handle
(MODEL:86~92); NOTE : REFER TO FIG.45 (H- 4) FOR MODEL:93~00

Handle

Handle
(MODEL:93~00); NOTE : COLOR : 0ED (GRAY)

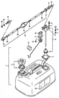
Fuel tank (Топливный бак)

Fuel tank (Топливный бак)
(MODEL:86

Fuel tank (Топливный бак)

Fuel tank (Топливный бак)
(MODEL:88~92/15L)

Fuel tank (Топливный бак)

Fuel tank (Топливный бак)
(MODEL:86

Fuel tank (Топливный бак)

Fuel tank (Топливный бак)
(MODEL:87/23L/E06)

Fuel tank (Топливный бак)

Fuel tank (Топливный бак)
(MODEL:88~92/24L); NOTE : KRSN (KEROSENE)

Fuel tank (Топливный бак)

Fuel tank (Топливный бак)
(MODEL:93~00/24L)

Fuel tank (Топливный бак)

Fuel tank (Топливный бак)
(MODEL:93~00/PLASTIC

Fuel tank (Топливный бак)

Fuel tank (Топливный бак)
(MODEL:93~00/PLASTIC

Fuel tank (Топливный бак)

Fuel tank (Топливный бак)
(MODEL:86/E28)

Fuel tank (Топливный бак)

Fuel tank (Топливный бак)
(MODEL:87~92/E28)

Opt : electrical (Опции : Электрика)

Opt : electrical (Опции : Электрика)
(MANUAL STARTER)

Opt : electrical (Опции : Электрика)

Opt : electrical (Опции : Электрика)
(ELECTRIC STARTER)

Opt : electrical (Опции : Электрика)

Opt : electrical (Опции : Электрика)
(MANUAL STARTER)

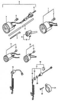
Optional : meter (Опции : Прибор)

Optional : meter (Опции : Прибор)
(1)

Optional : meter (Опции : Прибор)

Optional : meter (Опции : Прибор)
(2)

Optional : panel (Опции : panel)

Optional : panel (Опции : panel)
(MODEL:93~00)

Opt : remocon parts (Опции : remocon parts)

Opt : remocon parts (Опции : remocon parts)
NOTE : REFER TO FIG.63 (K-4) FOR DT25K:E13/E36 COLOR : 0ED (GRAY)

Opt : remocon parts (Опции : remocon parts)

Opt : remocon parts (Опции : remocon parts)
(DT25K:E13/E36); NOTE : COLOR : 0ED (GRAY)

Opt : remocon box (Опции : remocon box)

Opt : remocon box (Опции : remocon box)
NOTE : * 67200-93951

Opt : remocon box (Опции : remocon box)

Opt : remocon box (Опции : remocon box)
(MODEL:93~00); NOTE : * 67200-93991-0ED INCLUDES REF.NO.2~30

Optional : tie-rod (Опции : tie-Тяга)

Optional : tie-rod (Опции : tie-Тяга)

Opt : gasket set (Опции : Комплект прокладок)

Opt : gasket set (Опции : Комплект прокладок)

Optional (Опции)

Optional (Опции)




 
 

данный сайт носит информационный характер и не является публичной офертой

склад запчастей для водомоторной техники