вконтакте

Контактный телефон: +7 (981) 121-46-93, +7 (800) 200-90-76 , Email: parts-katalog@yandex.ru, где купить

 
 

  Логин:

Пароль:

Регистрация

www.partskatalog.ru Все каталоги Запчасти Mercury Запчасти Suzuki Запчасти Tohatsu Запчасти Honda Контакты


запчастиsuzuki

Узнать наличие и цену запчасти:

Вернуться к началу выбора

Поиск модели по серийному номеру


РЕЖИМЫ ПРОСМОТРА

Все узлы и детали

Двигатель

Трансмиссия

Электрика

Внешние части

Тип двигателя: 2x - тактный

Модель двигателя: Suzuki DT25

Модификация Вашего двигателя:   Suzuki DT25 G
Год выпуска двигателя: 1980


Поиск запчастей по коду или названию


   Выберите раздел

найти расходники на лодочные моторы Suzuki

Начните вводить запрос

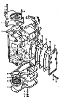
Cylinder (Цилиндр)

Cylinder (Цилиндр)

Exhaust cover (Кожух выхлопной трубы)

Exhaust cover (Кожух выхлопной трубы)

Crankshaft (Коленвал)

Crankshaft (Коленвал)

Reed valve (Язычковый клапан)

Reed valve (Язычковый клапан)

Carburetor (Карбюратор)

Carburetor (Карбюратор)
NOTE:AIR SCREW TURNS BACK 1 1/2 -> 1 3/4 WHEN DT25G/J (E9

Fuel pump (Топливный насос)

Fuel pump (Топливный насос)

Water pump (Водяной насос)

Water pump (Водяной насос)

Starter (Стартер)

Starter (Стартер)
1

Starter (Стартер)

Starter (Стартер)
2; NOTE : (DT25G/J (E9

Starting motor (Двигатель электростартера)

Starting motor (Двигатель электростартера)
NOTE : *THE MODEL NAME "ALL" OF THIS PAGE MEANS DT25G

Magneto (Магнето)

Magneto (Магнето)

Electrical (Электрика)

Electrical (Электрика)
(1)

Electrical (Электрика)

Electrical (Электрика)
(2)

Electrical (Электрика)

Electrical (Электрика)
(MODEL G)

Clutch (Сцепление)

Clutch (Сцепление)

Clamp bracket (Кронштейн транца)

Clamp bracket (Кронштейн транца)

Swivel bracket (Поворотный кронштейн)

Swivel bracket (Поворотный кронштейн)

Steering bracket (Кронштейн рулевого управления)

Steering bracket (Кронштейн рулевого управления)

Driveshaft housing (Корпус вала передачи)

Driveshaft housing (Корпус вала передачи)

Gear case (Картер коробки передач)

Gear case (Картер коробки передач)
(DT25 (G

Gear case (Картер коробки передач)

Gear case (Картер коробки передач)
(DT25P/DT28)

Transmission (Трансмиссия)

Transmission (Трансмиссия)
(DT25 (G

Transmission (Трансмиссия)

Transmission (Трансмиссия)
(DT25P/DT28)

Lower cover (Нижняя часть корпуса)

Lower cover (Нижняя часть корпуса)

Engine cover (Крышка двигателя (капот))

Engine cover (Крышка двигателя (капот))
(MODEL G); NOTE : (DT25G/DT28G (E9

Handle

Handle

Fuel gauge / hose (Fuel gauge / Шланг)

Fuel gauge / hose (Fuel gauge / Шланг)

Fuel tank (Топливный бак)

Fuel tank (Топливный бак)
NOTE : FIG.31 (F-5

Fuel tank (Топливный бак)

Fuel tank (Топливный бак)
(E28); NOTE : (DT25P(GE28

Optional:electrical (Опции: Электрика)

Optional:electrical (Опции: Электрика)
(1)

Opt:regulator (Опции: Регулятор)

Opt:regulator (Опции: Регулятор)

Opt:rectifier set (Опции: Выпрямитель, установочный комплект)

Opt:rectifier set (Опции: Выпрямитель, установочный комплект)

Opt:meter / bar extension (Опции: приборы / bar Удлинитель)

Opt:meter / bar extension (Опции: приборы / bar Удлинитель)

Opt:ignition plate (Опции: ignition Пластина)

Opt:ignition plate (Опции: ignition Пластина)

Opt:remote control (Опции: дистанционное управление)

Opt:remote control (Опции: дистанционное управление)
(1); NOTE : (MODEL G) (DT25J(E9

Opt:remote control (Опции: дистанционное управление)

Opt:remote control (Опции: дистанционное управление)
(2); NOTE : (DT25JE1

Opt:remote control (Опции: дистанционное управление)

Opt:remote control (Опции: дистанционное управление)
3

Optional (Опции)

Optional (Опции)




 
 

данный сайт носит информационный характер и не является публичной офертой

склад запчастей для водомоторной техники