вконтакте

Контактный телефон: +7 (981) 121-46-93, +7 (800) 200-90-76 , Email: parts-katalog@yandex.ru, где купить

 
 

  Логин:

Пароль:

Регистрация

www.partskatalog.ru Все каталоги Запчасти Mercury Запчасти Suzuki Запчасти Tohatsu Запчасти Honda Контакты



УВАЖАЕМЫЕ КЛИЕНТЫ!
C 19 ДЕКАБРЯ 2025 ПО 02 МАРТА 2026 ГОДА ОТДЕЛ ЗАПЧАСТЕЙ И СЕРВИС РАБОТАТЬ НЕ БУДУТ
ПРОДАЖА ЛОДОЧНЫХ МОТОРОВ В ШТАТНОМ РЕЖИМЕ
ОБ ИЗМЕНЕНИЯХ В ГРАФИКЕ РАБОТЫ ЧИТАЙТЕ НА САЙТА




запчастиsuzuki

Узнать наличие и цену запчасти:

Вернуться к началу выбора

Поиск модели по серийному номеру


РЕЖИМЫ ПРОСМОТРА

Все узлы и детали

Тип двигателя: 2x - тактный

Модель двигателя: Suzuki DT25

Модификация Вашего двигателя:   Suzuki DT25G(G/J/VZ) G
Год выпуска двигателя: 1986
Регион: General Export No.1 ,Код региона: P01


Поиск запчастей по коду или названию


   Выберите раздел

найти расходники на лодочные моторы Suzuki

Начните вводить запрос

Catalog preface (Каталог)

Catalog preface (Каталог)

Color chart (Таблица цветов)

Color chart (Таблица цветов)

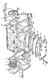
Cylinder (Цилиндр)

Cylinder (Цилиндр)

Exhaust cover (Кожух выхлопной трубы)

Exhaust cover (Кожух выхлопной трубы)

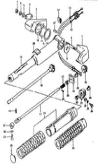
Crankshaft (Коленвал)

Crankshaft (Коленвал)

Reed valve (Язычковый клапан)

Reed valve (Язычковый клапан)

Carburetor (Карбюратор)

Carburetor (Карбюратор)

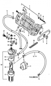
Fuel pump (Топливный насос)

Fuel pump (Топливный насос)

Water pump (Водяной насос)

Water pump (Водяной насос)

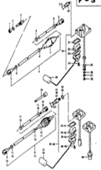
Starter 1 (Стартер 1)

Starter 1 (Стартер 1)

Starter 2 (Стартер 2)

Starter 2 (Стартер 2)

Starting motor (Двигатель электростартера)

Starting motor (Двигатель электростартера)

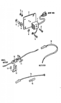
Magneto (Магнето)

Magneto (Магнето)

Electrical (Электрика)

Electrical (Электрика)

Electrical (Электрика)

Electrical (Электрика)

Electrical (Электрика)

Electrical (Электрика)
Model g

Electrical (Электрика)

Electrical (Электрика)
Model j/vz

Clutch (Сцепление)

Clutch (Сцепление)

Clamp bracket (Кронштейн транца)

Clamp bracket (Кронштейн транца)

Swivel bracket (Поворотный кронштейн)

Swivel bracket (Поворотный кронштейн)

Steering bracket (Кронштейн рулевого управления)

Steering bracket (Кронштейн рулевого управления)

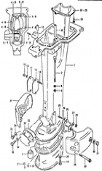
Driveshaft housing (Корпус вала передачи)

Driveshaft housing (Корпус вала передачи)

Gear case (Картер коробки передач)

Gear case (Картер коробки передач)
Dt25 (g

Gear case (Картер коробки передач)

Gear case (Картер коробки передач)
Dt25p/dt28

Transmission (Трансмиссия)

Transmission (Трансмиссия)
Dt25 (g

Transmission (Трансмиссия)

Transmission (Трансмиссия)
Dt25p/dt28

Lower cover (Нижняя часть корпуса)

Lower cover (Нижняя часть корпуса)

Engine cover (Крышка двигателя (капот))

Engine cover (Крышка двигателя (капот))
Model g

Engine cover (Крышка двигателя (капот))

Engine cover (Крышка двигателя (капот))
Model j/vz

Handle

Handle

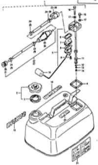
Fuel gauge / hose (Fuel gauge / Шланг)

Fuel gauge / hose (Fuel gauge / Шланг)

Fuel tank (Топливный бак)

Fuel tank (Топливный бак)

Fuel tank (Топливный бак)

Fuel tank (Топливный бак)
E28

Electrical (Электрика)

Electrical (Электрика)
Optional;

Regulator (Регулятор)

Regulator (Регулятор)
Optional;

Rectifier set (Выпрямитель, установочный комплект)

Rectifier set (Выпрямитель, установочный комплект)
Optional;

Meter / bar extension (Прибор / bar Удлинитель)

Meter / bar extension (Прибор / bar Удлинитель)
Optional;

Ignition plate (Ignition Пластина)

Ignition plate (Ignition Пластина)
Optional;

Remote control (Дистанционное управление)

Remote control (Дистанционное управление)
Optional;

Remote control (Дистанционное управление)

Remote control (Дистанционное управление)
Optional;

Remote control 3 (Дистанционное управление 3)

Remote control 3 (Дистанционное управление 3)
Optional;

Optional (Опции)

Optional (Опции)




 
 

данный сайт носит информационный характер и не является публичной офертой

склад запчастей для водомоторной техники