вконтакте

Контактный телефон: +7 (981) 121-46-93, +7 (800) 200-90-76 , Email: parts-katalog@yandex.ru, где купить

 
 

  Логин:

Пароль:

Регистрация

www.partskatalog.ru Все каталоги Запчасти Mercury Запчасти Suzuki Запчасти Tohatsu Запчасти Honda Контакты



УВАЖАЕМЫЕ КЛИЕНТЫ!
C 19 ДЕКАБРЯ 2025 ПО 02 МАРТА 2026 ГОДА ОТДЕЛ ЗАПЧАСТЕЙ И СЕРВИС РАБОТАТЬ НЕ БУДУТ
ПРОДАЖА ЛОДОЧНЫХ МОТОРОВ В ШТАТНОМ РЕЖИМЕ
ОБ ИЗМЕНЕНИЯХ В ГРАФИКЕ РАБОТЫ ЧИТАЙТЕ НА САЙТА




запчастиsuzuki

Узнать наличие и цену запчасти:

Вернуться к началу выбора

Поиск модели по серийному номеру


РЕЖИМЫ ПРОСМОТРА

Все узлы и детали

Тип двигателя: 2x - тактный

Модель двигателя: Suzuki DT25

Модификация Вашего двигателя:   Suzuki DT25R R
Год выпуска двигателя: 1994


Поиск запчастей по коду или названию


   Выберите раздел

найти расходники на лодочные моторы Suzuki

Начните вводить запрос

Catalog preface (Каталог)

Catalog preface (Каталог)

Catalog preface (Каталог)

Catalog preface (Каталог)

Catalog preface (Каталог)

Catalog preface (Каталог)

Catalog preface (Каталог)

Catalog preface (Каталог)

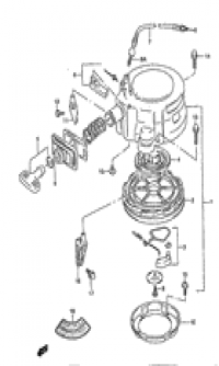
Cylinder (Цилиндр)

Cylinder (Цилиндр)

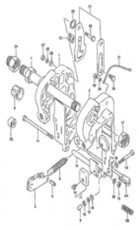
Crankshaft (Коленвал)

Crankshaft (Коленвал)

Inlet case (вход case)

Inlet case (вход case)
Dt20/25/30

Inlet case (вход case)

Inlet case (вход case)
Dt25k

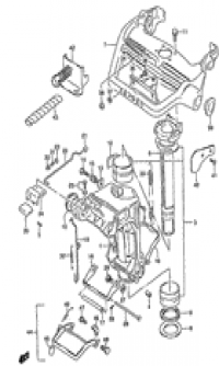
Carburetor (Карбюратор)

Carburetor (Карбюратор)
Dt20

Carburetor (Карбюратор)

Carburetor (Карбюратор)
Dt25/30

Carburetor (Карбюратор)

Carburetor (Карбюратор)
Dt25k

Oil seal housing (Корпус сальника)

Oil seal housing (Корпус сальника)

Exhaust tube (Выхлоп Трубка)

Exhaust tube (Выхлоп Трубка)

Fuel pump (Топливный насос)

Fuel pump (Топливный насос)
Dt20/25/30

Fuel pump (Топливный насос)

Fuel pump (Топливный насос)
Dt25k

Water pump (Водяной насос)

Water pump (Водяной насос)

Recoil starter (Барабанный стартер)

Recoil starter (Барабанный стартер)
-model: 95

Recoil starter (Барабанный стартер)

Recoil starter (Барабанный стартер)
Model: 96-00)(*

Throttle control (Управление дросселем)

Throttle control (Управление дросселем)
Dt20/25/30 -model: 95

Throttle control (Управление дросселем)

Throttle control (Управление дросселем)
Dt20/25/30 model: 96-00)(*

Throttle control (Управление дросселем)

Throttle control (Управление дросселем)
Dt20/25/30: e13

Throttle control (Управление дросселем)

Throttle control (Управление дросселем)
Dt25/30: e40 model: 96-00)(*

Throttle control (Управление дросселем)

Throttle control (Управление дросселем)
Dt25k -model: 95

Throttle control (Управление дросселем)

Throttle control (Управление дросселем)
Dt25k model: 96-00)(*

Clutch (Сцепление)

Clutch (Сцепление)
-model: 97

Clutch (Сцепление)

Clutch (Сцепление)
Model: 98-00

Transmission (Трансмиссия)

Transmission (Трансмиссия)

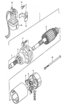
Starting motor (Двигатель электростартера)

Starting motor (Двигатель электростартера)
Model: 86-93

Starting motor (Двигатель электростартера)

Starting motor (Двигатель электростартера)
Model: 94-00

Magneto (Магнето)

Magneto (Магнето)
Dt20/25(k)/30 -model: 94

Magneto (Магнето)

Magneto (Магнето)
Dt20/25(k)/30 model: 95

Magneto (Магнето)

Magneto (Магнето)
Dt20/25(k)/30 model: 96-00

Ignition

Ignition
-model: 94

Ignition

Ignition
Model: 95-00

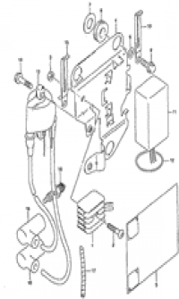
Electrical (Электрика)

Electrical (Электрика)

Electrical (Электрика)

Electrical (Электрика)
Electric starter

Clamp bracket (Кронштейн транца)

Clamp bracket (Кронштейн транца)
-model: 94

Clamp bracket (Кронштейн транца)

Clamp bracket (Кронштейн транца)
Model: 95-00

Swivel bracket (Поворотный кронштейн)

Swivel bracket (Поворотный кронштейн)

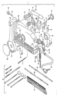
Driveshaft housing (Корпус вала передачи)

Driveshaft housing (Корпус вала передачи)

Gear case (Картер коробки передач)

Gear case (Картер коробки передач)

Under cover (Нижняя часть корпуса)

Under cover (Нижняя часть корпуса)
-model: 97

Under cover (Нижняя часть корпуса)

Under cover (Нижняя часть корпуса)
Model: 98-00

Engine cover (Крышка двигателя (капот))

Engine cover (Крышка двигателя (капот))
Dt20

Engine cover (Крышка двигателя (капот))

Engine cover (Крышка двигателя (капот))
Dt20

Engine cover (Крышка двигателя (капот))

Engine cover (Крышка двигателя (капот))
Dt20

Engine cover (Крышка двигателя (капот))

Engine cover (Крышка двигателя (капот))
Dt25/25k

Engine cover (Крышка двигателя (капот))

Engine cover (Крышка двигателя (капот))
Dt25/25k

Engine cover (Крышка двигателя (капот))

Engine cover (Крышка двигателя (капот))
Dt30

Engine cover (Крышка двигателя (капот))

Engine cover (Крышка двигателя (капот))
Dt30

Engine cover (Крышка двигателя (капот))

Engine cover (Крышка двигателя (капот))
Dt20/25(k)/30 model: 94-97

Engine cover (Крышка двигателя (капот))

Engine cover (Крышка двигателя (капот))
Dt20/25(k)/30 model: 98-00

Handle

Handle
Model: 86-92

Handle

Handle
Model: 93-00

Fuel tank (Топливный бак)

Fuel tank (Топливный бак)
Model: 86

Fuel tank (Топливный бак)

Fuel tank (Топливный бак)
Model: 88-92/15l

Fuel tank (Топливный бак)

Fuel tank (Топливный бак)
Model: 86

Fuel tank (Топливный бак)

Fuel tank (Топливный бак)
Model: 87/23l/e6

Fuel tank (Топливный бак)

Fuel tank (Топливный бак)
Model: 88-92/24l

Fuel tank (Топливный бак)

Fuel tank (Топливный бак)
Model: 93-00/24l

Fuel tank (Топливный бак)

Fuel tank (Топливный бак)
Model: 93-00/plastic

Fuel tank (Топливный бак)

Fuel tank (Топливный бак)
Model: 93-00/plastic

Fuel tank (Топливный бак)

Fuel tank (Топливный бак)
Model: 86/e28

Fuel tank (Топливный бак)

Fuel tank (Топливный бак)
Model: 87-92/e28

Electrical (Электрика)

Electrical (Электрика)
Optional; manual starter

Electrical (Электрика)

Electrical (Электрика)
Optional; electric starter

Electrical (Электрика)

Electrical (Электрика)
Optional; manual starter

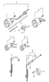
Meter (Прибор)

Meter (Прибор)
Optional;

Meter (Прибор)

Meter (Прибор)
Optional;

Panel

Panel
Optional; model: 93-00

Remocon parts

Remocon parts
Optional;

Remocon parts

Remocon parts
Optional; dt25k: e13/e36

Remocon box

Remocon box
Optional;

Remocon box

Remocon box
Optional; model: 93-00

Tie-rod (Tie-Тяга)

Tie-rod (Tie-Тяга)
Optional;

Gasket set (Комплект прокладок)

Gasket set (Комплект прокладок)
Optional;

Optional (Опции)

Optional (Опции)




 
 

данный сайт носит информационный характер и не является публичной офертой

склад запчастей для водомоторной техники