вконтакте

Контактный телефон: +7 (981) 121-46-93, +7 (800) 200-90-76 , Email: parts-katalog@yandex.ru, где купить

 
 

  Логин:

Пароль:

Регистрация

www.partskatalog.ru Все каталоги Запчасти Mercury Запчасти Suzuki Запчасти Tohatsu Запчасти Honda Контакты



УВАЖАЕМЫЕ КЛИЕНТЫ!
C 19 ДЕКАБРЯ 2025 ПО 02 МАРТА 2026 ГОДА ОТДЕЛ ЗАПЧАСТЕЙ И СЕРВИС РАБОТАТЬ НЕ БУДУТ
ПРОДАЖА ЛОДОЧНЫХ МОТОРОВ В ШТАТНОМ РЕЖИМЕ
ОБ ИЗМЕНЕНИЯХ В ГРАФИКЕ РАБОТЫ ЧИТАЙТЕ НА САЙТА




запчастиsuzuki

Узнать наличие и цену запчасти:

Вернуться к началу выбора

Поиск модели по серийному номеру


РЕЖИМЫ ПРОСМОТРА

Все узлы и детали

Двигатель

Трансмиссия

Электрика

Внешние части

Тип двигателя: 2x - тактный

Модель двигателя: Suzuki DT25

Модификация Вашего двигателя:   Suzuki DT25K V
Год выпуска двигателя: 1997
Цвет: California Gray Metallic


Поиск запчастей по коду или названию


   Выберите раздел

найти расходники на лодочные моторы Suzuki

Начните вводить запрос

Cylinder (Цилиндр)

Cylinder (Цилиндр)
NOTE : COLOR : 0ED (GRAY)

Crankshaft (Коленвал)

Crankshaft (Коленвал)

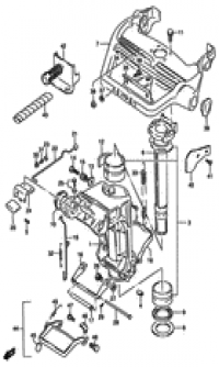
Inlet case (вход case)

Inlet case (вход case)
(DT20/25/30); NOTE : REFER TO FIG.4 (B-7) FOR DT25K

Inlet case (вход case)

Inlet case (вход case)
(DT25K); NOTE : COLOR : 0ED (GRAY)

Carburetor (Карбюратор)

Carburetor (Карбюратор)
(DT20); NOTE : REFER TO FIG.6 (B-10) FOR DT25/30 REFER TO FIG.7 ( B-12) FOR DT25K

Carburetor (Карбюратор)

Carburetor (Карбюратор)
(DT25/30)

Carburetor (Карбюратор)

Carburetor (Карбюратор)
(DT25K)

Oil seal housing (Корпус сальника)

Oil seal housing (Корпус сальника)
NOTE : COLOR : 0ED (GRAY)

Exhaust tube (Выхлоп Трубка)

Exhaust tube (Выхлоп Трубка)

Fuel pump (Топливный насос)

Fuel pump (Топливный насос)
(DT20/25/30); NOTE : REFER TO FIG.11 (C-5) FOR DT25K

Fuel pump (Топливный насос)

Fuel pump (Топливный насос)
(DT25K)

Water pump (Водяной насос)

Water pump (Водяной насос)
NOTE : COLOR : 0ED (GRAY)

Recoil starter (Барабанный стартер)

Recoil starter (Барабанный стартер)
(~MODEL:95); NOTE : COLOR : 0ED (GRAY) REFER TO FIG.14 (C- 9) FOR MODEL:96~00

Recoil starter (Барабанный стартер)

Recoil starter (Барабанный стартер)
(MODEL:96~00)(*); NOTE : COLOR : 0ED (GRAY) (*) : DT20:651001~ DT25:651236~ DT25K:651001~ DT30:651685~

Throttle control (Управление дросселем)

Throttle control (Управление дросселем)
(DT20/25/30 ~MODEL:95); NOTE : REFER TO FIG.15A(D-4) FOR DT20/25/30 MODEL:96~00 REFER TO FIG.16 (D-5) FOR DT20/25/30:E13

Throttle control (Управление дросселем)

Throttle control (Управление дросселем)
(DT20/25/30 MODEL:96~00)(*); NOTE : COLOR : 0ED (GRAY) (*) : DT20:651001~ DT25:651236~ DT30:651685~

Throttle control (Управление дросселем)

Throttle control (Управление дросселем)
(DT25/30:E40 MODEL:96~00)(*); NOTE : (*) : DT25:651236~ DT30:651685~

Throttle control (Управление дросселем)

Throttle control (Управление дросселем)
(DT20/25/30:E13

Throttle control (Управление дросселем)

Throttle control (Управление дросселем)
(DT25K MODEL:96~00)(*); NOTE : (*) : DT25K:651001~

Throttle control (Управление дросселем)

Throttle control (Управление дросселем)
(DT25K ~MODEL:95); NOTE : COLOR : 0ED (GRAY)

Clutch (Сцепление)

Clutch (Сцепление)
(MODEL:98~00)

Clutch (Сцепление)

Clutch (Сцепление)
(~MODEL:97); NOTE : COLOR : 0ED (GRAY) REFER TO FIG.18A(D-11) FOR MODEL:98~00

Transmission (Трансмиссия)

Transmission (Трансмиссия)
NOTE : COLOR : 0ED (GRAY)

Starting motor (Двигатель электростартера)

Starting motor (Двигатель электростартера)
(MODEL:86~93); NOTE : REFER TO FIG.21(E-3) FOR MODEL:94~00

Starting motor (Двигатель электростартера)

Starting motor (Двигатель электростартера)
(MODEL:94~00)

Magneto (Магнето)

Magneto (Магнето)
(DT20/25(K)/30 ~MODEL:94); NOTE : REFER TO FIG.23 (E-5) FOR DT20/25/30 MODEL:95 REFER TO FIG.24 (E-6) FOR DT20/25(K)/30 MODEL:96~00

Ignition

Ignition
(~MODEL:94); NOTE : REFER TO FIG.26 (E- 8) FOR MODEL:95~00

Ignition

Ignition
(MODEL:95~00)

Electrical (Электрика)

Electrical (Электрика)

Electrical (Электрика)

Electrical (Электрика)
(ELECTRIC STARTER)

Clamp bracket (Кронштейн транца)

Clamp bracket (Кронштейн транца)
(~MODEL:94); NOTE : REFER TO FIG.30 (F-4) FOR MODEL:95~00 COLOR : 02M (SILVER) 0ED (GRAY) 01T (WHITE)

Clamp bracket (Кронштейн транца)

Clamp bracket (Кронштейн транца)
(MODEL:95~00)

Swivel bracket (Поворотный кронштейн)

Swivel bracket (Поворотный кронштейн)

Driveshaft housing (Корпус вала передачи)

Driveshaft housing (Корпус вала передачи)
NOTE : COLOR : 0ED (GRAY)

Gear case (Картер коробки передач)

Gear case (Картер коробки передач)
NOTE : COLOR : 0ED (GRAY) 019 (BLACK)

Under cover (Нижняя часть корпуса)

Under cover (Нижняя часть корпуса)
(~MODEL:97); NOTE : COLOR : 0ED (GRAY) 02M (SILVER) 01T (WHITE) REFER TO FIG.34A(G-4) FOR MODEL:98~00

Under cover (Нижняя часть корпуса)

Under cover (Нижняя часть корпуса)
(MODEL:98~00)

Engine cover (Крышка двигателя (капот))

Engine cover (Крышка двигателя (капот))
(DT20

Engine cover (Крышка двигателя (капот))

Engine cover (Крышка двигателя (капот))
(DT25/25K

Engine cover (Крышка двигателя (капот))

Engine cover (Крышка двигателя (капот))
(DT25/25K

Engine cover (Крышка двигателя (капот))

Engine cover (Крышка двигателя (капот))
(DT30

Handle

Handle
(MODEL:86~92); NOTE : REFER TO FIG.45 (H- 4) FOR MODEL:93~00

Handle

Handle
(MODEL:93~00); NOTE : COLOR : 0ED (GRAY)

Fuel tank (Топливный бак)

Fuel tank (Топливный бак)
(MODEL:86

Fuel tank (Топливный бак)

Fuel tank (Топливный бак)
(MODEL:88~92/15L)

Fuel tank (Топливный бак)

Fuel tank (Топливный бак)
(MODEL:86

Fuel tank (Топливный бак)

Fuel tank (Топливный бак)
(MODEL:87/23L/E06)

Fuel tank (Топливный бак)

Fuel tank (Топливный бак)
(MODEL:88~92/24L); NOTE : KRSN (KEROSENE)

Fuel tank (Топливный бак)

Fuel tank (Топливный бак)
(MODEL:93~00/24L)

Fuel tank (Топливный бак)

Fuel tank (Топливный бак)
(MODEL:93~00/PLASTIC

Fuel tank (Топливный бак)

Fuel tank (Топливный бак)
(MODEL:93~00/PLASTIC

Fuel tank (Топливный бак)

Fuel tank (Топливный бак)
(MODEL:86/E28)

Fuel tank (Топливный бак)

Fuel tank (Топливный бак)
(MODEL:87~92/E28)

Opt : electrical (Опции : Электрика)

Opt : electrical (Опции : Электрика)
(MANUAL STARTER)

Opt : electrical (Опции : Электрика)

Opt : electrical (Опции : Электрика)
(ELECTRIC STARTER)

Opt : electrical (Опции : Электрика)

Opt : electrical (Опции : Электрика)
(MANUAL STARTER)

Optional : meter (Опции : Прибор)

Optional : meter (Опции : Прибор)
(1)

Optional : meter (Опции : Прибор)

Optional : meter (Опции : Прибор)
(2)

Optional : panel (Опции : panel)

Optional : panel (Опции : panel)
(MODEL:93~00)

Opt : remocon parts (Опции : remocon parts)

Opt : remocon parts (Опции : remocon parts)
NOTE : REFER TO FIG.63 (K-4) FOR DT25K:E13/E36 COLOR : 0ED (GRAY)

Opt : remocon parts (Опции : remocon parts)

Opt : remocon parts (Опции : remocon parts)
(DT25K:E13/E36); NOTE : COLOR : 0ED (GRAY)

Opt : remocon box (Опции : remocon box)

Opt : remocon box (Опции : remocon box)
NOTE : * 67200-93951

Opt : remocon box (Опции : remocon box)

Opt : remocon box (Опции : remocon box)
(MODEL:93~00); NOTE : * 67200-93991-0ED INCLUDES REF.NO.2~30

Optional : tie-rod (Опции : tie-Тяга)

Optional : tie-rod (Опции : tie-Тяга)

Opt : gasket set (Опции : Комплект прокладок)

Opt : gasket set (Опции : Комплект прокладок)

Optional (Опции)

Optional (Опции)




 
 

данный сайт носит информационный характер и не является публичной офертой

склад запчастей для водомоторной техники