вконтакте

Контактный телефон: +7 (981) 121-46-93, +7 (800) 200-90-76 , Email: parts-katalog@yandex.ru, где купить

 
 

  Логин:

Пароль:

Регистрация

www.partskatalog.ru Все каталоги Запчасти Mercury Запчасти Suzuki Запчасти Tohatsu Запчасти Honda Контакты



УВАЖАЕМЫЕ КЛИЕНТЫ!
C 19 ДЕКАБРЯ 2025 ПО 02 МАРТА 2026 ГОДА ОТДЕЛ ЗАПЧАСТЕЙ И СЕРВИС РАБОТАТЬ НЕ БУДУТ
ПРОДАЖА ЛОДОЧНЫХ МОТОРОВ В ШТАТНОМ РЕЖИМЕ
ОБ ИЗМЕНЕНИЯХ В ГРАФИКЕ РАБОТЫ ЧИТАЙТЕ НА САЙТА




запчастиsuzuki

Узнать наличие и цену запчасти:

Вернуться к началу выбора

Поиск модели по серийному номеру


РЕЖИМЫ ПРОСМОТРА

Все узлы и детали

Двигатель

Трансмиссия

Электрика

Внешние части

Тип двигателя: 2x - тактный

Модель двигателя: Suzuki DT30

Модификация Вашего двигателя:   Suzuki DT30/30R
Двигатели с серийным номером после 03005-310001
Код модели двигателя: DT30(R)S/L
Год выпуска двигателя: 2013
Регион: General Export No.1 ,Код региона: P01
Цвет: Shadow Black Metallic


Поиск запчастей по коду или названию


   Выберите раздел

найти расходники на лодочные моторы Suzuki

Начните вводить запрос

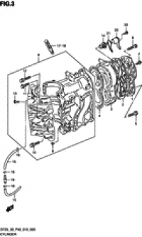
Cylinder (Цилиндр)

Cylinder (Цилиндр)
(DT25K P36)

Cylinder (Цилиндр)

Cylinder (Цилиндр)
(DT30 P40)

Cylinder (Цилиндр)

Cylinder (Цилиндр)
(DT30R P40)

Crankshaft (Коленвал)

Crankshaft (Коленвал)
(DT25K P36)

Crankshaft (Коленвал)

Crankshaft (Коленвал)
(DT30 P40)

Crankshaft (Коленвал)

Crankshaft (Коленвал)
(DT30R P40)

Inlet case (вход case)

Inlet case (вход case)
(DT25K P36)

Inlet case (вход case)

Inlet case (вход case)
(DT30 P40)

Inlet case (вход case)

Inlet case (вход case)
(DT30R P40)

Carburetor (Карбюратор)

Carburetor (Карбюратор)
(DT25K P36)

Carburetor (Карбюратор)

Carburetor (Карбюратор)
(DT30 P40)

Carburetor (Карбюратор)

Carburetor (Карбюратор)
(DT30R P40)

Oil seal housing (Корпус сальника)

Oil seal housing (Корпус сальника)
(DT25K P36)

Oil seal housing (Корпус сальника)

Oil seal housing (Корпус сальника)
(DT30 P40)

Oil seal housing (Корпус сальника)

Oil seal housing (Корпус сальника)
(DT30R P40)

Exhaust tube (Выхлоп Трубка)

Exhaust tube (Выхлоп Трубка)
(DT25K P36)

Exhaust tube (Выхлоп Трубка)

Exhaust tube (Выхлоп Трубка)
(DT30 P40)

Exhaust tube (Выхлоп Трубка)

Exhaust tube (Выхлоп Трубка)
(DT30R P40)

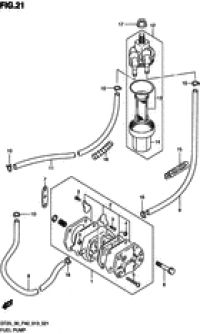
Fuel pump (Топливный насос)

Fuel pump (Топливный насос)
(DT25K P36)

Fuel pump (Топливный насос)

Fuel pump (Топливный насос)
(DT30 P40)

Fuel pump (Топливный насос)

Fuel pump (Топливный насос)
(DT30R P40)

Water pump (Водяной насос)

Water pump (Водяной насос)
(DT25K P36)

Water pump (Водяной насос)

Water pump (Водяной насос)
(DT30 P40)

Water pump (Водяной насос)

Water pump (Водяной насос)
(DT30R P40)

Recoil starter (Барабанный стартер)

Recoil starter (Барабанный стартер)
(DT25K P36)

Recoil starter (Барабанный стартер)

Recoil starter (Барабанный стартер)
(DT30 P40)

Recoil starter (Барабанный стартер)

Recoil starter (Барабанный стартер)
(DT30R P40)

Throttle control (Управление дросселем)

Throttle control (Управление дросселем)
(DT25K P36)

Throttle control (Управление дросселем)

Throttle control (Управление дросселем)
(DT30 P40)

Throttle control (Управление дросселем)

Throttle control (Управление дросселем)
(DT30R P40)

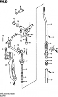
Clutch (Сцепление)

Clutch (Сцепление)
(DT25K P36)

Clutch (Сцепление)

Clutch (Сцепление)
(DT30 P40)

Clutch (Сцепление)

Clutch (Сцепление)
(DT30R P40)

Transmission (Трансмиссия)

Transmission (Трансмиссия)
(DT25K P36)

Transmission (Трансмиссия)

Transmission (Трансмиссия)
(DT30 P40)

Transmission (Трансмиссия)

Transmission (Трансмиссия)
(DT30R P40)

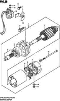
Starting motor (Двигатель электростартера)

Starting motor (Двигатель электростартера)
(DT30 P40)

Starting motor (Двигатель электростартера)

Starting motor (Двигатель электростартера)
(DT30R P40)

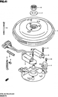
Magneto (Магнето)

Magneto (Магнето)
(DT25K P36)

Magneto (Магнето)

Magneto (Магнето)
(DT30 P40)

Magneto (Магнето)

Magneto (Магнето)
(DT30R P40)

Ignition

Ignition
(DT25K P36)

Ignition

Ignition
(DT30 P40)

Ignition

Ignition
(DT30R P40)

Harness (Жгут проводов)

Harness (Жгут проводов)
(DT25K P36)

Harness (Жгут проводов)

Harness (Жгут проводов)
(DT30 P40)

Harness (Жгут проводов)

Harness (Жгут проводов)
(DT30R P40)

Switch (Переключатель)

Switch (Переключатель)
(DT25K P36)

Switch (Переключатель)

Switch (Переключатель)
(DT30 P40)

Switch (Переключатель)

Switch (Переключатель)
(DT30R P40)

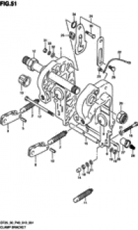
Clamp bracket (Кронштейн транца)

Clamp bracket (Кронштейн транца)

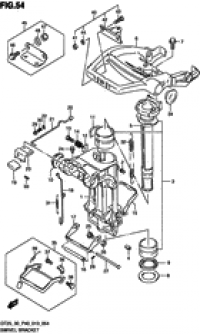
Swivel bracket (Поворотный кронштейн)

Swivel bracket (Поворотный кронштейн)
(DT25K P36)

Swivel bracket (Поворотный кронштейн)

Swivel bracket (Поворотный кронштейн)
(DT30 P40)

Swivel bracket (Поворотный кронштейн)

Swivel bracket (Поворотный кронштейн)
(DT30R P40)

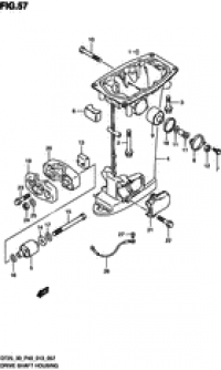
Drive shaft housing (Корпус вала передачи)

Drive shaft housing (Корпус вала передачи)
(DT25K P36)

Drive shaft housing (Корпус вала передачи)

Drive shaft housing (Корпус вала передачи)
(DT30 P40)

Drive shaft housing (Корпус вала передачи)

Drive shaft housing (Корпус вала передачи)
(DT30R P40)

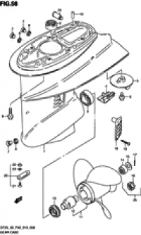
Gear case (Картер коробки передач)

Gear case (Картер коробки передач)

Under cover (Нижняя часть корпуса)

Under cover (Нижняя часть корпуса)
(DT25K P36)

Under cover (Нижняя часть корпуса)

Under cover (Нижняя часть корпуса)
(DT30 P40)

Under cover (Нижняя часть корпуса)

Under cover (Нижняя часть корпуса)
(DT30R P40)

Engine cover (Крышка двигателя (капот))

Engine cover (Крышка двигателя (капот))
(DT25K P36)

Engine cover (Крышка двигателя (капот))

Engine cover (Крышка двигателя (капот))
(DT30 P40)

Engine cover (Крышка двигателя (капот))

Engine cover (Крышка двигателя (капот))
(DT30R P40)

Tiller handle (Румпель)

Tiller handle (Румпель)
(DT25K P36)

Tiller handle (Румпель)

Tiller handle (Румпель)
(DT30 P40)

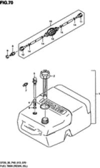
Fuel tank (Топливный бак)

Fuel tank (Топливный бак)
(RESIN

Fuel tank (Топливный бак)

Fuel tank (Топливный бак)
(RESIN

Fuel tank (Топливный бак)

Fuel tank (Топливный бак)
(RESIN

Fuel tank (Топливный бак)

Fuel tank (Топливный бак)
(RESIN

Remocon parts

Remocon parts
(DT30R P40)

Remote control (Дистанционное управление)

Remote control (Дистанционное управление)
(DT30R P40)

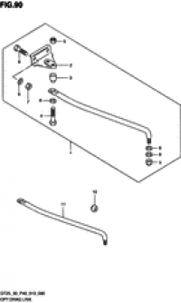
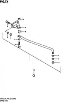
Drag link (Переключающая тяга)

Drag link (Переключающая тяга)
(DT30R P40)

Opt:electrical (Опции: электрика)

Opt:electrical (Опции: электрика)
(MANUAL STARTER) (DT25K P36)

Opt:electrical (Опции: электрика)

Opt:electrical (Опции: электрика)
(MANUAL STARTER) (DT30 P40)

Opt:electrical (Опции: электрика)

Opt:electrical (Опции: электрика)
(ELECTRIC STARTER) (DT25K P36)

Opt:electrical (Опции: электрика)

Opt:electrical (Опции: электрика)
(ELECTRIC STARTER) (DT30 P40)

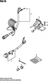
Opt:electrical (Опции: электрика)

Opt:electrical (Опции: электрика)
(ELECTRIC STARTER) (DT30R P40)

Opt:regulator (Опции: Регулятор)

Opt:regulator (Опции: Регулятор)
(DT25K P36)

Opt:regulator (Опции: Регулятор)

Opt:regulator (Опции: Регулятор)
(DT30 P40)

Opt:regulator (Опции: Регулятор)

Opt:regulator (Опции: Регулятор)
(DT30R P40)

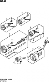
Opt:meter (Опции: приборы)

Opt:meter (Опции: приборы)
(DT30 P40)

Opt:meter (Опции: приборы)

Opt:meter (Опции: приборы)
(DT30R P40)

Opt:switch panel (Опции: переключатели panel)

Opt:switch panel (Опции: переключатели panel)
(DT30 P40)

Opt:switch panel (Опции: переключатели panel)

Opt:switch panel (Опции: переключатели panel)
(DT30R P40)

Opt:remocon parts (Опции: remocon parts)

Opt:remocon parts (Опции: remocon parts)

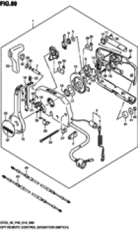
Opt:remote control (Опции: дистанционное управление)

Opt:remote control (Опции: дистанционное управление)
(W/IGNITION SWITCH) (DT25K P36)

Opt:remote control (Опции: дистанционное управление)

Opt:remote control (Опции: дистанционное управление)
(W/IGNITION SWITCH) (DT30 P40)

Opt:remote control (Опции: дистанционное управление)

Opt:remote control (Опции: дистанционное управление)
(N/IGNITION SWITCH)

Opt:drag link (Опции: рулевая тяга)

Opt:drag link (Опции: рулевая тяга)




 
 

данный сайт носит информационный характер и не является публичной офертой

склад запчастей для водомоторной техники