вконтакте

Контактный телефон: +7 (981) 121-46-93, +7 (800) 200-90-76 , Email: parts-katalog@yandex.ru, где купить

 
 

  Логин:

Пароль:

Регистрация

www.partskatalog.ru Все каталоги Запчасти Mercury Запчасти Suzuki Запчасти Tohatsu Запчасти Honda Контакты



УВАЖАЕМЫЕ КЛИЕНТЫ!
C 19 ДЕКАБРЯ 2025 ПО 02 МАРТА 2026 ГОДА ОТДЕЛ ЗАПЧАСТЕЙ И СЕРВИС РАБОТАТЬ НЕ БУДУТ
ПРОДАЖА ЛОДОЧНЫХ МОТОРОВ В ШТАТНОМ РЕЖИМЕ
ОБ ИЗМЕНЕНИЯХ В ГРАФИКЕ РАБОТЫ ЧИТАЙТЕ НА САЙТА




запчастиsuzuki

Узнать наличие и цену запчасти:

Вернуться к началу выбора

Поиск модели по серийному номеру


РЕЖИМЫ ПРОСМОТРА

Все узлы и детали

Тип двигателя: 2x - тактный

Модель двигателя: Suzuki DT30

Модификация Вашего двигателя:   Suzuki DT30CN(K-Y) N
Код модели двигателя: DT30C(R)S/L
Год выпуска двигателя: 1992
Регион: General Export No.1 ,Код региона: P01
Цвет: California Gray Metallic


Поиск запчастей по коду или названию


   Выберите раздел

найти расходники на лодочные моторы Suzuki

Начните вводить запрос

Catalog preface (Каталог)

Catalog preface (Каталог)

Catalog preface (Каталог)

Catalog preface (Каталог)

Catalog preface (Каталог)

Catalog preface (Каталог)

Cylinder (Цилиндр)

Cylinder (Цилиндр)

Crankshaft (Коленвал)

Crankshaft (Коленвал)

Exhaust tube (Выхлоп Трубка)

Exhaust tube (Выхлоп Трубка)

Inlet case (вход case)

Inlet case (вход case)

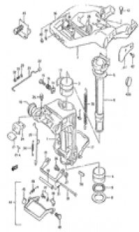
Carburetor (Карбюратор)

Carburetor (Карбюратор)
Dt30c/25ac e34

Carburetor (Карбюратор)

Carburetor (Карбюратор)
Dt25c

Fuel pump (Топливный насос)

Fuel pump (Топливный насос)

Fuel pump (Топливный насос)

Fuel pump (Топливный насос)
Model: 95-00

Oil pump (Масляный насос)

Oil pump (Масляный насос)

Oil pump (Масляный насос)

Oil pump (Масляный насос)
Model: 95-00

Water pump (Водяной насос)

Water pump (Водяной насос)

Recoil starter (Барабанный стартер)

Recoil starter (Барабанный стартер)

Throttle control (Управление дросселем)

Throttle control (Управление дросселем)

Clutch (Сцепление)

Clutch (Сцепление)

Transmission (Трансмиссия)

Transmission (Трансмиссия)

Starting motor (Двигатель электростартера)

Starting motor (Двигатель электростартера)

Magneto (Магнето)

Magneto (Магнето)

Ignition

Ignition

Electrical (Электрика)

Electrical (Электрика)

Harness (Жгут проводов)

Harness (Жгут проводов)

Clamp bracket (Кронштейн транца)

Clamp bracket (Кронштейн транца)
-model: 93

Clamp bracket (Кронштейн транца)

Clamp bracket (Кронштейн транца)
Model: 94-00)(*

Swivel bracket (Поворотный кронштейн)

Swivel bracket (Поворотный кронштейн)

Driveshaft housing (Корпус вала передачи)

Driveshaft housing (Корпус вала передачи)

Gear case (Картер коробки передач)

Gear case (Картер коробки передач)

Under cover (Нижняя часть корпуса)

Under cover (Нижняя часть корпуса)

Engine cover (Крышка двигателя (капот))

Engine cover (Крышка двигателя (капот))
Model: 89-93/dt25c

Engine cover (Крышка двигателя (капот))

Engine cover (Крышка двигателя (капот))
Model: 88-93/dt30c

Engine cover (Крышка двигателя (капот))

Engine cover (Крышка двигателя (капот))
Model: 94-97 dt25c/30c

Engine cover (Крышка двигателя (капот))

Engine cover (Крышка двигателя (капот))
Model: 98-00 dt25c/30c

Handle

Handle

Handle

Handle
Model: 93-00

Fuel tank (Топливный бак)

Fuel tank (Топливный бак)

Fuel tank (Топливный бак)

Fuel tank (Топливный бак)
E28

Fuel tank (Топливный бак)

Fuel tank (Топливный бак)
Plastic

Oil tank (Масляный бак)

Oil tank (Масляный бак)

Electrical (Электрика)

Electrical (Электрика)
Optional; for manual starter)(1

Electrical (Электрика)

Electrical (Электрика)
Optional; for manual starter)(2

Electrical (Электрика)

Electrical (Электрика)
Optional;

Electrical (Электрика)

Electrical (Электрика)
Optional;

Meter (Прибор)

Meter (Прибор)
Optional;

Panel switch (Panel Переключатель)

Panel switch (Panel Переключатель)
Optional;

Remote control (Дистанционное управление)

Remote control (Дистанционное управление)
Optional;

Remote control (Дистанционное управление)

Remote control (Дистанционное управление)
Optional; model: 93-00

Tiller handle (Румпель)

Tiller handle (Румпель)
Optional; model: 93-00

Tie-rod (Tie-Тяга)

Tie-rod (Tie-Тяга)
Optional;

Gasket set (Комплект прокладок)

Gasket set (Комплект прокладок)

Optional (Опции)

Optional (Опции)




 
 

данный сайт носит информационный характер и не является публичной офертой

склад запчастей для водомоторной техники