вконтакте

Контактный телефон: +7 (981) 121-46-93, +7 (800) 200-90-76 , Email: parts-katalog@yandex.ru, где купить

 
 

  Логин:

Пароль:

Регистрация

www.partskatalog.ru Все каталоги Запчасти Mercury Запчасти Suzuki Запчасти Tohatsu Запчасти Honda Контакты



УВАЖАЕМЫЕ КЛИЕНТЫ!
C 19 ДЕКАБРЯ 2025 ПО 02 МАРТА 2026 ГОДА ОТДЕЛ ЗАПЧАСТЕЙ И СЕРВИС РАБОТАТЬ НЕ БУДУТ
ПРОДАЖА ЛОДОЧНЫХ МОТОРОВ В ШТАТНОМ РЕЖИМЕ
ОБ ИЗМЕНЕНИЯХ В ГРАФИКЕ РАБОТЫ ЧИТАЙТЕ НА САЙТА




запчастиsuzuki

Узнать наличие и цену запчасти:

Вернуться к началу выбора

Поиск модели по серийному номеру


РЕЖИМЫ ПРОСМОТРА

Все узлы и детали

Тип двигателя: 2x - тактный

Модель двигателя: Suzuki DT30

Модификация Вашего двигателя:   Suzuki DT30LK3 (E1) K3
Код модели двигателя: DT30(R)S/L/LL/XL
Год выпуска двигателя: 2003
Регион: General Export No.1 ,Код региона: P01
Цвет: Shadow Black Metallic


Поиск запчастей по коду или названию


   Выберите раздел

найти расходники на лодочные моторы Suzuki

Начните вводить запрос

Catalog preface (Каталог)

Catalog preface (Каталог)

Catalog preface (Каталог)

Catalog preface (Каталог)

Catalog preface (Каталог)

Catalog preface (Каталог)

Catalog preface (Каталог)

Catalog preface (Каталог)

Catalog preface (Каталог)

Catalog preface (Каталог)

Color chart (Таблица цветов)

Color chart (Таблица цветов)

Cylinder (Цилиндр)

Cylinder (Цилиндр)

Crankshaft (Коленвал)

Crankshaft (Коленвал)

Inlet case (вход case)

Inlet case (вход case)
Dt25/30

Inlet case (вход case)

Inlet case (вход case)
Dt25k

Carburetor (Карбюратор)

Carburetor (Карбюратор)
Dt25/30

Carburetor (Карбюратор)

Carburetor (Карбюратор)
Dt25k

Oil seal housing (Корпус сальника)

Oil seal housing (Корпус сальника)

Exhaust tube (Выхлоп Трубка)

Exhaust tube (Выхлоп Трубка)

Fuel pump (Топливный насос)

Fuel pump (Топливный насос)
Dt25/30

Fuel pump (Топливный насос)

Fuel pump (Топливный насос)
Dt25k

Water pump (Водяной насос)

Water pump (Водяной насос)

Recoil starter (Барабанный стартер)

Recoil starter (Барабанный стартер)

Throttle control (Управление дросселем)

Throttle control (Управление дросселем)
Dt25/30

Throttle control (Управление дросселем)

Throttle control (Управление дросселем)
Dt25/30: e40

Throttle control (Управление дросселем)

Throttle control (Управление дросселем)
Dt25k

Clutch (Сцепление)

Clutch (Сцепление)

Transmission (Трансмиссия)

Transmission (Трансмиссия)

Starting motor (Двигатель электростартера)

Starting motor (Двигатель электростартера)

Magneto (Магнето)

Magneto (Магнето)

Ignition

Ignition

Harness (Жгут проводов)

Harness (Жгут проводов)

Switch (Переключатель)

Switch (Переключатель)

Clamp bracket (Кронштейн транца)

Clamp bracket (Кронштейн транца)

Swivel bracket (Поворотный кронштейн)

Swivel bracket (Поворотный кронштейн)

Drive shaft housing (Корпус вала передачи)

Drive shaft housing (Корпус вала передачи)

Gear case (Картер коробки передач)

Gear case (Картер коробки передач)

Under cover (Нижняя часть корпуса)

Under cover (Нижняя часть корпуса)

Engine cover (Крышка двигателя (капот))

Engine cover (Крышка двигателя (капот))
Model: 01

Engine cover (Крышка двигателя (капот))

Engine cover (Крышка двигателя (капот))
Model: 02~10

Engine cover (Крышка двигателя (капот))

Engine cover (Крышка двигателя (капот))
Dt25k: 010001~

Handle

Handle

Fuel tank (Топливный бак)

Fuel tank (Топливный бак)
Steel

Fuel tank (Топливный бак)

Fuel tank (Топливный бак)
Resin

Fuel tank (Топливный бак)

Fuel tank (Топливный бак)
Resin

Remocon parts

Remocon parts
Dt30r

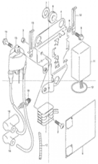
Electrical (Электрика)

Electrical (Электрика)
Optional; manual starter

Electrical (Электрика)

Electrical (Электрика)
Optional; electric starter

Regulator (Регулятор)

Regulator (Регулятор)
Optional;

Meter (Прибор)

Meter (Прибор)
Optional;

Switch panel (Панель переключателей)

Switch panel (Панель переключателей)
Optional;

Remocon parts

Remocon parts
Optional;

Remocon parts

Remocon parts
Optional; dt25k e13

Remote control (Дистанционное управление)

Remote control (Дистанционное управление)
Optional;

Remote control (Дистанционное управление)

Remote control (Дистанционное управление)
Optional; model: 04~

Drag link (Переключающая тяга)

Drag link (Переключающая тяга)
Optional;

Gasket set (Комплект прокладок)

Gasket set (Комплект прокладок)
Optional;




 
 

данный сайт носит информационный характер и не является публичной офертой

склад запчастей для водомоторной техники