вконтакте

Контактный телефон: +7 (981) 121-46-93, +7 (800) 200-90-76 , Email: parts-katalog@yandex.ru, где купить

 
 

  Логин:

Пароль:

Регистрация

www.partskatalog.ru Все каталоги Запчасти Mercury Запчасти Suzuki Запчасти Tohatsu Запчасти Honda Контакты


запчастиsuzuki

Узнать наличие и цену запчасти:

Вернуться к началу выбора

Поиск модели по серийному номеру


РЕЖИМЫ ПРОСМОТРА

Все узлы и детали

Двигатель

Трансмиссия

Электрика

Внешние части

Тип двигателя: 2x - тактный

Модель двигателя: Suzuki DT30

Модификация Вашего двигателя:   Suzuki DT30L K8
Код модели двигателя: DT30(R)S/L/LL/XL
Год выпуска двигателя: 2008
Регион: General Export No.1 ,Код региона: P01
Цвет: Shadow Black Metallic


Поиск запчастей по коду или названию


   Выберите раздел

найти расходники на лодочные моторы Suzuki

Начните вводить запрос

Cylinder (Цилиндр)

Cylinder (Цилиндр)
NOTE : COLOR : 0ED (GRAY) 0EP (BLACK)

Crankshaft (Коленвал)

Crankshaft (Коленвал)

Inlet case (вход case)

Inlet case (вход case)
(DT25/30); NOTE : REFER TO FIG.4(B- 5) FOR DT25K

Inlet case (вход case)

Inlet case (вход case)
(DT25K); NOTE : COLOR : 0ED (GRAY)

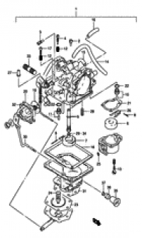
Carburetor (Карбюратор)

Carburetor (Карбюратор)
(DT25/30); NOTE : REFER TO FIG.6(B- 7) FOR DT25K

Carburetor (Карбюратор)

Carburetor (Карбюратор)
(DT25K)

Oil seal housing (Корпус сальника)

Oil seal housing (Корпус сальника)

Exhaust tube (Выхлоп Трубка)

Exhaust tube (Выхлоп Трубка)

Fuel pump (Топливный насос)

Fuel pump (Топливный насос)
(DT25/30); NOTE : REFER TO FIG.10(B-12) FOR DT25K

Fuel pump (Топливный насос)

Fuel pump (Топливный насос)
(DT25K)

Water pump (Водяной насос)

Water pump (Водяной насос)
NOTE : COLOR : 0ED (GRAY) 0EP(BLACK)

Recoil starter (Барабанный стартер)

Recoil starter (Барабанный стартер)
NOTE : COLOR : 0ED (GRAY) 0EP (BLACK)

Throttle control (Управление дросселем)

Throttle control (Управление дросселем)
(DT25/30); NOTE : REFER TO FIG.14(C- 6) FOR DT25/30:E40 REFER TO FIG.15(C- 7) FOR DT25K

Throttle control (Управление дросселем)

Throttle control (Управление дросселем)
(DT25/30:E40); NOTE : REFER TO FIG.15(C- 7) FOR DT25K

Throttle control (Управление дросселем)

Throttle control (Управление дросселем)
(DT25K)

Clutch (Сцепление)

Clutch (Сцепление)

Transmission (Трансмиссия)

Transmission (Трансмиссия)
NOTE : COLOR : 0ED (GRAY) 0EP (BLACK)

Starting motor (Двигатель электростартера)

Starting motor (Двигатель электростартера)

Magneto (Магнето)

Magneto (Магнето)

Ignition

Ignition

Harness (Жгут проводов)

Harness (Жгут проводов)

Switch (Переключатель)

Switch (Переключатель)

Clamp bracket (Кронштейн транца)

Clamp bracket (Кронштейн транца)

Swivel bracket (Поворотный кронштейн)

Swivel bracket (Поворотный кронштейн)

Drive shaft housing (Корпус вала передачи)

Drive shaft housing (Корпус вала передачи)
NOTE : COLOR : 0ED (GRAY) 0EP (BLACK)

Gear case (Картер коробки передач)

Gear case (Картер коробки передач)

Under cover (Нижняя часть корпуса)

Under cover (Нижняя часть корпуса)

Engine cover (Крышка двигателя (капот))

Engine cover (Крышка двигателя (капот))
(MODEL:01); NOTE : REFER TO FIG.29 (F- 5) FOR MODEL:02~10 REFER TO FIG.29A(F- 6) FOR DT25K:010001~

Engine cover (Крышка двигателя (капот))

Engine cover (Крышка двигателя (капот))
(DT25K:010001~

Engine cover (Крышка двигателя (капот))

Engine cover (Крышка двигателя (капот))
(MODEL:02~10); NOTE : REFER TO FIG.29A(F- 6) FOR DT25K:010001~

Handle

Handle

Fuel tank (Топливный бак)

Fuel tank (Топливный бак)
(STEEL)

Fuel tank (Топливный бак)

Fuel tank (Топливный бак)
(RESIN

Fuel tank (Топливный бак)

Fuel tank (Топливный бак)
(RESIN

Remocon parts

Remocon parts
(DT30R)

Opt:electrical (Опции: электрика)

Opt:electrical (Опции: электрика)
(MANUAL STARTER)

Opt:electrical (Опции: электрика)

Opt:electrical (Опции: электрика)
(ELECTRIC STARTER)

Opt:regulator (Опции: Регулятор)

Opt:regulator (Опции: Регулятор)

Opt:meter (Опции: приборы)

Opt:meter (Опции: приборы)

Opt:switch panel (Опции: переключатели panel)

Opt:switch panel (Опции: переключатели panel)

Opt:remocon parts (Опции: remocon parts)

Opt:remocon parts (Опции: remocon parts)
NOTE : COLOR : 0ED (GRAY)

Opt : remocon parts (Опции : remocon parts)

Opt : remocon parts (Опции : remocon parts)
(DT25K E13); NOTE : COLOR : 0ED (GRAY)

Opt : remote control (Опции : Дистанционное управление)

Opt : remote control (Опции : Дистанционное управление)
NOTE : * 67200-93991-0ED INCLUDES REF.NO.2~30 REFER TO FIG.43(H- 4) FOR MODEL:04~

Opt:remote control (Опции: дистанционное управление)

Opt:remote control (Опции: дистанционное управление)
(MODEL:04~)

Opt:drag link (Опции: рулевая тяга)

Opt:drag link (Опции: рулевая тяга)

Opt:gasket set (Опции: комплект прокладок)

Opt:gasket set (Опции: комплект прокладок)




 
 

данный сайт носит информационный характер и не является публичной офертой

склад запчастей для водомоторной техники