вконтакте

Контактный телефон: +7 (981) 121-46-93, +7 (800) 200-90-76 , Email: parts-katalog@yandex.ru, где купить

 
 

  Логин:

Пароль:

Регистрация

www.partskatalog.ru Все каталоги Запчасти Mercury Запчасти Suzuki Запчасти Tohatsu Запчасти Honda Контакты



УВАЖАЕМЫЕ КЛИЕНТЫ!
C 19 ДЕКАБРЯ 2025 ПО 02 МАРТА 2026 ГОДА ОТДЕЛ ЗАПЧАСТЕЙ И СЕРВИС РАБОТАТЬ НЕ БУДУТ
ПРОДАЖА ЛОДОЧНЫХ МОТОРОВ В ШТАТНОМ РЕЖИМЕ
ОБ ИЗМЕНЕНИЯХ В ГРАФИКЕ РАБОТЫ ЧИТАЙТЕ НА САЙТА




запчастиsuzuki

Узнать наличие и цену запчасти:

Вернуться к началу выбора

Поиск модели по серийному номеру


РЕЖИМЫ ПРОСМОТРА

Все узлы и детали

Двигатель

Трансмиссия

Электрика

Внешние части

Тип двигателя: 2x - тактный

Модель двигателя: Suzuki DT35

Модификация Вашего двигателя:   Suzuki DT35 VZ
Год выпуска двигателя: 1982


Поиск запчастей по коду или названию


   Выберите раздел

найти расходники на лодочные моторы Suzuki

Начните вводить запрос

Cylinder (Цилиндр)

Cylinder (Цилиндр)

Crankshaft (Коленвал)

Crankshaft (Коленвал)

Inlet case - exhaust cover (вход case - Кожух выхлопной трубы)

Inlet case - exhaust cover (вход case - Кожух выхлопной трубы)

Carburetor (Карбюратор)

Carburetor (Карбюратор)

Upper oil seal housing (верхний  Корпус сальника)

Upper oil seal housing (верхний Корпус сальника)

Fuel pump (Топливный насос)

Fuel pump (Топливный насос)

Water pump (Водяной насос)

Water pump (Водяной насос)

Starter (Стартер)

Starter (Стартер)
(MODEL G

Starter (Стартер)

Starter (Стартер)
(MODEL VZ); NOTE : FIG.8 (C-2

Throttle control (Управление дросселем)

Throttle control (Управление дросселем)

Clutch (Сцепление)

Clutch (Сцепление)

Starting motor (Двигатель электростартера)

Starting motor (Двигатель электростартера)

Magneto (Магнето)

Magneto (Магнето)
(MODEL G

Magneto (Магнето)

Magneto (Магнето)
(MODEL VZ); NOTE : FIG.13 (D-3):MODEL G

Magneto (Магнето)

Magneto (Магнето)
(G (E09

Magneto (Магнето)

Magneto (Магнето)
VZ (E13

Ignition

Ignition

Electrical (Электрика)

Electrical (Электрика)
(1)

Electrical (Электрика)

Electrical (Электрика)
(2)

Clamp bracket (Кронштейн транца)

Clamp bracket (Кронштейн транца)

Swivel bracket (Поворотный кронштейн)

Swivel bracket (Поворотный кронштейн)

Exhaust tube (Выхлоп Трубка)

Exhaust tube (Выхлоп Трубка)

Driveshaft housing (Корпус вала передачи)

Driveshaft housing (Корпус вала передачи)
NOTE : * 54211-94301-01J...TO (54211-94302-01J)+(09161-26001) +(43750-94302-01J)

Gear case (Картер коробки передач)

Gear case (Картер коробки передач)

Transmission (Трансмиссия)

Transmission (Трансмиссия)

Lower cover (Нижняя часть корпуса)

Lower cover (Нижняя часть корпуса)

Engine cover (Крышка двигателя (капот))

Engine cover (Крышка двигателя (капот))
(DT40); NOTE : FIG.28 (F-5):DT35

Engine cover (Крышка двигателя (капот))

Engine cover (Крышка двигателя (капот))
(DT35); NOTE : FIG.27 (F-4):DT40

Handle

Handle

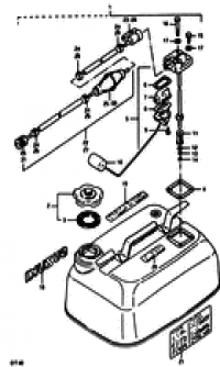
Fuel tank (Топливный бак)

Fuel tank (Топливный бак)
NOTE : FIG.32 (F-11):E28

Fuel tank (Топливный бак)

Fuel tank (Топливный бак)
(E28)

Fuel gauge

Fuel gauge
NOTE : FIG.32 (F-11):E28

Remote control (Дистанционное управление)

Remote control (Дистанционное управление)
(1)

Remote control (Дистанционное управление)

Remote control (Дистанционное управление)
(2)

Remote control (Дистанционное управление)

Remote control (Дистанционное управление)
(3)

Optional:electrical (Опции: Электрика)

Optional:electrical (Опции: Электрика)
(1); NOTE : * CHANGE FLYWHEEL ROTOR WHEN CONVERTING MANUAL INTO ELECTRIC.

Optional:electrical (Опции: Электрика)

Optional:electrical (Опции: Электрика)
(2)

Optional:electrical (Опции: Электрика)

Optional:electrical (Опции: Электрика)
(3)

Optional:electrical (Опции: Электрика)

Optional:electrical (Опции: Электрика)
(4); NOTE : FOR 67200-95323-01T 67200-95502-01T 67200-95522-01T

Optional:attachment steering (Опции: Соединитель Рулевая система)

Optional:attachment steering (Опции: Соединитель Рулевая система)

Optional:tie rod (Опции: tie Тяга)

Optional:tie rod (Опции: tie Тяга)

Optional (Опции)

Optional (Опции)




 
 

данный сайт носит информационный характер и не является публичной офертой

склад запчастей для водомоторной техники