вконтакте

Контактный телефон: +7 (981) 121-46-93, +7 (800) 200-90-76 , Email: parts-katalog@yandex.ru, где купить

 
 

  Логин:

Пароль:

Регистрация

www.partskatalog.ru Все каталоги Запчасти Mercury Запчасти Suzuki Запчасти Tohatsu Запчасти Honda Контакты



УВАЖАЕМЫЕ КЛИЕНТЫ!
C 19 ДЕКАБРЯ 2025 ПО 02 МАРТА 2026 ГОДА ОТДЕЛ ЗАПЧАСТЕЙ И СЕРВИС РАБОТАТЬ НЕ БУДУТ
ПРОДАЖА ЛОДОЧНЫХ МОТОРОВ В ШТАТНОМ РЕЖИМЕ
ОБ ИЗМЕНЕНИЯХ В ГРАФИКЕ РАБОТЫ ЧИТАЙТЕ НА САЙТА




запчастиsuzuki

Узнать наличие и цену запчасти:

Вернуться к началу выбора

Поиск модели по серийному номеру


РЕЖИМЫ ПРОСМОТРА

Все узлы и детали

Двигатель

Трансмиссия

Электрика

Внешние части

Тип двигателя: 2x - тактный

Модель двигателя: Suzuki DT40

Модификация Вашего двигателя:   Suzuki DT40WK
Двигатели с серийным номером после 04005K-210001
Код модели двигателя: DT40W(R)S/L/LL/L2/XL;DT40KW(R)S/L/LL/L2/XL
Год выпуска двигателя: 2012
Цвет: Shadow Black Metallic


Поиск запчастей по коду или названию


   Выберите раздел

найти расходники на лодочные моторы Suzuki

Начните вводить запрос

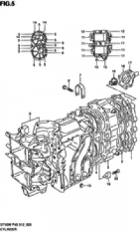
Cylinder (Цилиндр)

Cylinder (Цилиндр)
(DT40W P40)

Cylinder (Цилиндр)

Cylinder (Цилиндр)
(DT40W P90)

Cylinder (Цилиндр)

Cylinder (Цилиндр)
(DT40WR P40)

Cylinder (Цилиндр)

Cylinder (Цилиндр)
(DT40WR P90)

Cylinder (Цилиндр)

Cylinder (Цилиндр)
(DT40WK P40)

Crankshaft (Коленвал)

Crankshaft (Коленвал)
(DT40W P40)

Crankshaft (Коленвал)

Crankshaft (Коленвал)
(DT40W P90)

Crankshaft (Коленвал)

Crankshaft (Коленвал)
(DT40WR P40)

Crankshaft (Коленвал)

Crankshaft (Коленвал)
(DT40WR P90)

Crankshaft (Коленвал)

Crankshaft (Коленвал)
(DT40WK P40)

Inlet case (вход case)

Inlet case (вход case)
(DT40W P40)

Inlet case (вход case)

Inlet case (вход case)
(DT40W P90)

Inlet case (вход case)

Inlet case (вход case)
(DT40WR P40)

Inlet case (вход case)

Inlet case (вход case)
(DT40WR P90)

Inlet case (вход case)

Inlet case (вход case)
(DT40WK P40)

Carburetor (Карбюратор)

Carburetor (Карбюратор)
(DT40W P40)

Carburetor (Карбюратор)

Carburetor (Карбюратор)
(DT40W P90)

Carburetor (Карбюратор)

Carburetor (Карбюратор)
(DT40WR P40)

Carburetor (Карбюратор)

Carburetor (Карбюратор)
(DT40WR P90)

Carburetor (Карбюратор)

Carburetor (Карбюратор)
(DT40WK P40)

Oil seal housing (Корпус сальника)

Oil seal housing (Корпус сальника)
(DT40W P40)

Oil seal housing (Корпус сальника)

Oil seal housing (Корпус сальника)
(DT40W P90)

Oil seal housing (Корпус сальника)

Oil seal housing (Корпус сальника)
(DT40WR P40)

Oil seal housing (Корпус сальника)

Oil seal housing (Корпус сальника)
(DT40WR P90)

Oil seal housing (Корпус сальника)

Oil seal housing (Корпус сальника)
(DT40WK P40)

Exhaust tube (Выхлоп Трубка)

Exhaust tube (Выхлоп Трубка)
(DT40W P40)

Exhaust tube (Выхлоп Трубка)

Exhaust tube (Выхлоп Трубка)
(DT40W P90)

Exhaust tube (Выхлоп Трубка)

Exhaust tube (Выхлоп Трубка)
(DT40WR P40)

Exhaust tube (Выхлоп Трубка)

Exhaust tube (Выхлоп Трубка)
(DT40WR P90)

Exhaust tube (Выхлоп Трубка)

Exhaust tube (Выхлоп Трубка)
(DT40WK P40)

Fuel pump (Топливный насос)

Fuel pump (Топливный насос)
(DT40W P40)

Fuel pump (Топливный насос)

Fuel pump (Топливный насос)
(DT40W P90)

Fuel pump (Топливный насос)

Fuel pump (Топливный насос)
(DT40WR P40)

Fuel pump (Топливный насос)

Fuel pump (Топливный насос)
(DT40WR P90)

Fuel pump (Топливный насос)

Fuel pump (Топливный насос)
(DT40WK P40)

Water pump (Водяной насос)

Water pump (Водяной насос)
(DT40W P40)

Water pump (Водяной насос)

Water pump (Водяной насос)
(DT40W P90)

Water pump (Водяной насос)

Water pump (Водяной насос)
(DT40WR P40)

Water pump (Водяной насос)

Water pump (Водяной насос)
(DT40WR P90)

Water pump (Водяной насос)

Water pump (Водяной насос)
(DT40WK P40)

Recoil starter (Барабанный стартер)

Recoil starter (Барабанный стартер)

Throttle control (Управление дросселем)

Throttle control (Управление дросселем)
(DT40W P40)

Throttle control (Управление дросселем)

Throttle control (Управление дросселем)
(DT40W P90)

Throttle control (Управление дросселем)

Throttle control (Управление дросселем)
(DT40WR P40)

Throttle control (Управление дросселем)

Throttle control (Управление дросселем)
(DT40WR P90)

Throttle control (Управление дросселем)

Throttle control (Управление дросселем)
(DT40WK P40)

Clutch (Сцепление)

Clutch (Сцепление)
(DT40W P40)

Clutch (Сцепление)

Clutch (Сцепление)
(DT40W P90)

Clutch (Сцепление)

Clutch (Сцепление)
(DT40WR P40)

Clutch (Сцепление)

Clutch (Сцепление)
(DT40WR P90)

Clutch (Сцепление)

Clutch (Сцепление)
(DT40WK P40)

Transmission (Трансмиссия)

Transmission (Трансмиссия)
(DT40W P40)

Transmission (Трансмиссия)

Transmission (Трансмиссия)
(DT40W P90)

Transmission (Трансмиссия)

Transmission (Трансмиссия)
(DT40WR P40)

Transmission (Трансмиссия)

Transmission (Трансмиссия)
(DT40WR P90)

Transmission (Трансмиссия)

Transmission (Трансмиссия)
(DT40WK P40)

Starting motor (Двигатель электростартера)

Starting motor (Двигатель электростартера)
(DT40W P40)

Starting motor (Двигатель электростартера)

Starting motor (Двигатель электростартера)
(DT40WR P40)

Starting motor (Двигатель электростартера)

Starting motor (Двигатель электростартера)
(DT40WR P90)

Magneto (Магнето)

Magneto (Магнето)
(DT40W P40)

Magneto (Магнето)

Magneto (Магнето)
(DT40W P90)

Magneto (Магнето)

Magneto (Магнето)
(DT40WR P40)

Magneto (Магнето)

Magneto (Магнето)
(DT40WR P90)

Magneto (Магнето)

Magneto (Магнето)
(DT40WK P40)

Ignition

Ignition
(DT40W P40)

Ignition

Ignition
(DT40W P90)

Ignition

Ignition
(DT40WR P40)

Ignition

Ignition
(DT40WR P90)

Ignition

Ignition
(DT40WK P40)

Electrical (Электрика)

Electrical (Электрика)
(DT40W P40)

Electrical (Электрика)

Electrical (Электрика)
(DT40W P90)

Electrical (Электрика)

Electrical (Электрика)
(DT40WR P40)

Electrical (Электрика)

Electrical (Электрика)
(DT40WR P90)

Electrical (Электрика)

Electrical (Электрика)
(DT40WK P40)

Ignition switch (Ignition Переключатель)

Ignition switch (Ignition Переключатель)
(DT40W P40)

Ignition switch (Ignition Переключатель)

Ignition switch (Ignition Переключатель)
(DT40W P90)

Ignition switch (Ignition Переключатель)

Ignition switch (Ignition Переключатель)
(DT40WR P40)

Ignition switch (Ignition Переключатель)

Ignition switch (Ignition Переключатель)
(DT40WR P90)

Ignition switch (Ignition Переключатель)

Ignition switch (Ignition Переключатель)
(DT40WK P40)

Clamp bracket (Кронштейн транца)

Clamp bracket (Кронштейн транца)
(DT40W P40)

Clamp bracket (Кронштейн транца)

Clamp bracket (Кронштейн транца)
(DT40W P90)

Clamp bracket (Кронштейн транца)

Clamp bracket (Кронштейн транца)
(DT40WR P40)

Clamp bracket (Кронштейн транца)

Clamp bracket (Кронштейн транца)
(DT40WR P90)

Clamp bracket (Кронштейн транца)

Clamp bracket (Кронштейн транца)
(DT40WK P40)

Swivel bracket (Поворотный кронштейн)

Swivel bracket (Поворотный кронштейн)
(DT40W P40)

Swivel bracket (Поворотный кронштейн)

Swivel bracket (Поворотный кронштейн)
(DT40W P90)

Swivel bracket (Поворотный кронштейн)

Swivel bracket (Поворотный кронштейн)
(DT40WR P40)

Swivel bracket (Поворотный кронштейн)

Swivel bracket (Поворотный кронштейн)
(DT40WR P90)

Swivel bracket (Поворотный кронштейн)

Swivel bracket (Поворотный кронштейн)
(DT40WK P40)

Drive shaft housing (Корпус вала передачи)

Drive shaft housing (Корпус вала передачи)
(DT40W P40)

Drive shaft housing (Корпус вала передачи)

Drive shaft housing (Корпус вала передачи)
(DT40W P90)

Drive shaft housing (Корпус вала передачи)

Drive shaft housing (Корпус вала передачи)
(DT40WR P40)

Drive shaft housing (Корпус вала передачи)

Drive shaft housing (Корпус вала передачи)
(DT40WR P90)

Drive shaft housing (Корпус вала передачи)

Drive shaft housing (Корпус вала передачи)
(DT40WK P40)

Gear case (Картер коробки передач)

Gear case (Картер коробки передач)

Lower cover (Нижняя часть корпуса)

Lower cover (Нижняя часть корпуса)
(DT40W P40)

Lower cover (Нижняя часть корпуса)

Lower cover (Нижняя часть корпуса)
(DT40W P90)

Lower cover (Нижняя часть корпуса)

Lower cover (Нижняя часть корпуса)
(DT40WR P40)

Lower cover (Нижняя часть корпуса)

Lower cover (Нижняя часть корпуса)
(DT40WR P90)

Lower cover (Нижняя часть корпуса)

Lower cover (Нижняя часть корпуса)
(DT40WK P40)

Engine cover (Крышка двигателя (капот))

Engine cover (Крышка двигателя (капот))
(DT40W P40)

Engine cover (Крышка двигателя (капот))

Engine cover (Крышка двигателя (капот))
(DT40W P90)

Engine cover (Крышка двигателя (капот))

Engine cover (Крышка двигателя (капот))
(DT40WR P40)

Engine cover (Крышка двигателя (капот))

Engine cover (Крышка двигателя (капот))
(DT40WR P90)

Engine cover (Крышка двигателя (капот))

Engine cover (Крышка двигателя (капот))
(DT40WK P40)

Tiller handle (Румпель)

Tiller handle (Румпель)
(DT40W P40)

Tiller handle (Румпель)

Tiller handle (Румпель)
(DT40W P90)

Tiller handle (Румпель)

Tiller handle (Румпель)
(DT40WK P40)

Fuel tank (Топливный бак)

Fuel tank (Топливный бак)
(PLASTIC/25L) (DT40W P40)

Fuel tank (Топливный бак)

Fuel tank (Топливный бак)
(PLASTIC/25L) (DT40W P90)

Fuel tank (Топливный бак)

Fuel tank (Топливный бак)
(PLASTIC/25L) (DT40WR P40)

Fuel tank (Топливный бак)

Fuel tank (Топливный бак)
(PLASTIC/25L) (DT40WR P90)

Fuel tank (Топливный бак)

Fuel tank (Топливный бак)
(PLASTIC/25L) (DT40WK P40)

Fuel tank (Топливный бак)

Fuel tank (Топливный бак)
(PLASTIC/12L) (DT40WK P40)

Remocon cable holder (Держатель кабеля дистанционного управления)

Remocon cable holder (Держатель кабеля дистанционного управления)
(DT40WR P40)

Remocon cable holder (Держатель кабеля дистанционного управления)

Remocon cable holder (Держатель кабеля дистанционного управления)
(DT40WR P90)

Remote control (Дистанционное управление)

Remote control (Дистанционное управление)
(DT40WR P40)

Remote control (Дистанционное управление)

Remote control (Дистанционное управление)
(DT40WR P90)

Drag ling

Drag ling
(DT40WR P40)

Drag ling

Drag ling
(DT40WR P90)

Opt : starting motor (Опции : Двигатель электростартера)

Opt : starting motor (Опции : Двигатель электростартера)
(DT40W P40)

Opt : starting motor (Опции : Двигатель электростартера)

Opt : starting motor (Опции : Двигатель электростартера)
(DT40W P90)

Opt : starting motor (Опции : Двигатель электростартера)

Opt : starting motor (Опции : Двигатель электростартера)
(DT40WK P40)

Opt : meter (Опции : Прибор)

Opt : meter (Опции : Прибор)
(DT40W P40)

Opt : meter (Опции : Прибор)

Opt : meter (Опции : Прибор)
(DT40WR P40)

Opt : meter (Опции : Прибор)

Opt : meter (Опции : Прибор)
(DT40WR P90)

Opt : electrical (Опции : Электрика)

Opt : electrical (Опции : Электрика)
(MANUAL STARTER) (DT40W P40)

Opt : electrical (Опции : Электрика)

Opt : electrical (Опции : Электрика)
(MANUAL STARTER) (DT40W P90)

Opt : electrical (Опции : Электрика)

Opt : electrical (Опции : Электрика)
(MANUAL STARTER) (DT40WK P40)

Opt : electrical (Опции : Электрика)

Opt : electrical (Опции : Электрика)
(ELECTRIC STARTER) (DT40W P40)

Opt : electrical (Опции : Электрика)

Opt : electrical (Опции : Электрика)
(ELECTRIC STARTER) (DT40WR P40)

Opt : electrical (Опции : Электрика)

Opt : electrical (Опции : Электрика)
(ELECTRIC STARTER) (DT40WR P90)

Opt : tiller handle (Опции : Румпель)

Opt : tiller handle (Опции : Румпель)
(DT40WR P40)

Opt : tiller handle (Опции : Румпель)

Opt : tiller handle (Опции : Румпель)
(DT40WR P90)

Opt : remocon parts (Опции : remocon parts)

Opt : remocon parts (Опции : remocon parts)
(DT40W P40)

Opt : remocon parts (Опции : remocon parts)

Opt : remocon parts (Опции : remocon parts)
(DT40W P90)

Opt : remocon parts (Опции : remocon parts)

Opt : remocon parts (Опции : remocon parts)
(DT40WR P40)

Opt : remocon parts (Опции : remocon parts)

Opt : remocon parts (Опции : remocon parts)
(DT40WR P90)

Opt : remocon parts (Опции : remocon parts)

Opt : remocon parts (Опции : remocon parts)
(DT40WK P40)




 
 

данный сайт носит информационный характер и не является публичной офертой

склад запчастей для водомоторной техники