вконтакте

Контактный телефон: +7 (981) 121-46-93, +7 (800) 200-90-76 , Email: parts-katalog@yandex.ru, где купить

 
 

  Логин:

Пароль:

Регистрация

www.partskatalog.ru Все каталоги Запчасти Mercury Запчасти Suzuki Запчасти Tohatsu Запчасти Honda Контакты



УВАЖАЕМЫЕ КЛИЕНТЫ!
C 19 ДЕКАБРЯ 2025 ПО 02 МАРТА 2026 ГОДА ОТДЕЛ ЗАПЧАСТЕЙ И СЕРВИС РАБОТАТЬ НЕ БУДУТ
ПРОДАЖА ЛОДОЧНЫХ МОТОРОВ В ШТАТНОМ РЕЖИМЕ
ОБ ИЗМЕНЕНИЯХ В ГРАФИКЕ РАБОТЫ ЧИТАЙТЕ НА САЙТА




запчастиsuzuki

Узнать наличие и цену запчасти:

Вернуться к началу выбора

Поиск модели по серийному номеру


РЕЖИМЫ ПРОСМОТРА

Все узлы и детали

Тип двигателя: 2x - тактный

Модель двигателя: Suzuki DT40

Модификация Вашего двигателя:   Suzuki DT40VZ(G/J/VZ) Z
Код модели двигателя: DT40(R)S/L/LL/L2/UL;
Год выпуска двигателя: 1982


Поиск запчастей по коду или названию


   Выберите раздел

найти расходники на лодочные моторы Suzuki

Начните вводить запрос

Catalog preface (Каталог)

Catalog preface (Каталог)

Color chart (Таблица цветов)

Color chart (Таблица цветов)

Cylinder (Цилиндр)

Cylinder (Цилиндр)

Crankshaft (Коленвал)

Crankshaft (Коленвал)

Inlet case - exhaust cover (вход case - Кожух выхлопной трубы)

Inlet case - exhaust cover (вход case - Кожух выхлопной трубы)

Carburetor (Карбюратор)

Carburetor (Карбюратор)

Upper oil seal housing (верхний  Корпус сальника)

Upper oil seal housing (верхний Корпус сальника)

Fuel pump (Топливный насос)

Fuel pump (Топливный насос)

Water pump (Водяной насос)

Water pump (Водяной насос)

Starter (Стартер)

Starter (Стартер)
Model g

Starter (Стартер)

Starter (Стартер)
Model vz

Throttle control (Управление дросселем)

Throttle control (Управление дросселем)

Clutch (Сцепление)

Clutch (Сцепление)

Starting motor (Двигатель электростартера)

Starting motor (Двигатель электростартера)

Magneto (Магнето)

Magneto (Магнето)
Model g

Magneto (Магнето)

Magneto (Магнето)
Model vz

Magneto (Магнето)

Magneto (Магнето)
G (e9

Magneto vz (Магнето vz)

Magneto vz (Магнето vz)
E13

Ignition

Ignition

Electrical (Электрика)

Electrical (Электрика)

Electrical (Электрика)

Electrical (Электрика)

Clamp bracket (Кронштейн транца)

Clamp bracket (Кронштейн транца)

Swivel bracket (Поворотный кронштейн)

Swivel bracket (Поворотный кронштейн)

Exhaust tube (Выхлоп Трубка)

Exhaust tube (Выхлоп Трубка)

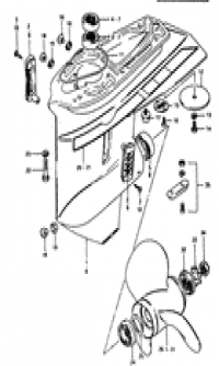
Driveshaft housing (Корпус вала передачи)

Driveshaft housing (Корпус вала передачи)

Gear case (Картер коробки передач)

Gear case (Картер коробки передач)

Transmission (Трансмиссия)

Transmission (Трансмиссия)

Lower cover (Нижняя часть корпуса)

Lower cover (Нижняя часть корпуса)

Engine cover (Крышка двигателя (капот))

Engine cover (Крышка двигателя (капот))
Dt40

Engine cover (Крышка двигателя (капот))

Engine cover (Крышка двигателя (капот))
Dt35

Handle

Handle

Fuel tank (Топливный бак)

Fuel tank (Топливный бак)

Fuel gauge

Fuel gauge

Fuel tank (Топливный бак)

Fuel tank (Топливный бак)
E28

Remote control (Дистанционное управление)

Remote control (Дистанционное управление)

Remote control (Дистанционное управление)

Remote control (Дистанционное управление)

Remote control (Дистанционное управление)

Remote control (Дистанционное управление)

Remote control (Дистанционное управление)

Remote control (Дистанционное управление)

Remote control parts (Запчасти для дистанционного управления)

Remote control parts (Запчасти для дистанционного управления)

Electrical (Электрика)

Electrical (Электрика)
Optional;

Electrical (Электрика)

Electrical (Электрика)
Optional;

Electrical (Электрика)

Electrical (Электрика)
Optional;

Electrical (Электрика)

Electrical (Электрика)
Optional;

Attachment steering (Соединитель Рулевая система)

Attachment steering (Соединитель Рулевая система)
Optional;

Tie rod (Tie Тяга)

Tie rod (Tie Тяга)
Optional;

Optional (Опции)

Optional (Опции)




 
 

данный сайт носит информационный характер и не является публичной офертой

склад запчастей для водомоторной техники