вконтакте

Контактный телефон: +7 (981) 121-46-93, +7 (800) 200-90-76 , Email: parts-katalog@yandex.ru, где купить

 
 

  Логин:

Пароль:

Регистрация

www.partskatalog.ru Все каталоги Запчасти Mercury Запчасти Suzuki Запчасти Tohatsu Запчасти Honda Контакты



УВАЖАЕМЫЕ КЛИЕНТЫ!
C 31 ОКТЯБРЯ 2025 ПО 10 НОЯБРЯ 2025 ГОДА РАБОТАТЬ НЕ БУДЕМ




запчастиsuzuki

Узнать наличие и цену запчасти:

Вернуться к началу выбора

Поиск модели по серийному номеру


РЕЖИМЫ ПРОСМОТРА

Все узлы и детали

Двигатель

Трансмиссия

Электрика

Внешние части

Тип двигателя: 2x - тактный

Модель двигателя: Suzuki DT40

Модификация Вашего двигателя:   Suzuki DT40C VG
Код модели двигателя: DT40CS/L/L2
Год выпуска двигателя: 1986
Регион: General Export No.1 ,Код региона: P01


Поиск запчастей по коду или названию


   Выберите раздел

найти расходники на лодочные моторы Suzuki

Начните вводить запрос

Cylinder (Цилиндр)

Cylinder (Цилиндр)

Crankshaft (Коленвал)

Crankshaft (Коленвал)

Inlet case (вход case)

Inlet case (вход case)

Carburetor (Карбюратор)

Carburetor (Карбюратор)
(DT40C

Carburetor (Карбюратор)

Carburetor (Карбюратор)
(DT40W

Carburetor (Карбюратор)

Carburetor (Карбюратор)
(DT40WK)

Oil seal housing (Корпус сальника)

Oil seal housing (Корпус сальника)
NOTE : COLOR:0ED (GRAY)

Exhaust tube (Выхлоп Трубка)

Exhaust tube (Выхлоп Трубка)

Fuel pump (Топливный насос)

Fuel pump (Топливный насос)
(DT40C

Fuel pump (Топливный насос)

Fuel pump (Топливный насос)
(DT40C

Fuel pump (Топливный насос)

Fuel pump (Топливный насос)
(DT40WK)

Oil pump (Масляный насос)

Oil pump (Масляный насос)
(DT40C

Oil pump (Масляный насос)

Oil pump (Масляный насос)
(DT40C

Water pump (Водяной насос)

Water pump (Водяной насос)
NOTE : COLOR:0ED (GRAY)

Recoil starter (Барабанный стартер)

Recoil starter (Барабанный стартер)
(~MODEL:91); NOTE : REFER TO FIG.14(C-11) FOR MODEL:92~99 COLOR:0ED (GRAY)

Throttle control (Управление дросселем)

Throttle control (Управление дросселем)
(DT40C

Throttle control (Управление дросселем)

Throttle control (Управление дросселем)
(DT40W

Throttle control (Управление дросселем)

Throttle control (Управление дросселем)
(DT40WK)

Clutch (Сцепление)

Clutch (Сцепление)

Transmission (Трансмиссия)

Transmission (Трансмиссия)
NOTE : COLOR:0ED (GRAY)

Starting motor (Двигатель электростартера)

Starting motor (Двигатель электростартера)

Magneto (Магнето)

Magneto (Магнето)

Ignition

Ignition
(~MODEL:95); NOTE : REFER TO FIG.22A(D-10) FOR MODEL:96~99

Electrical (Электрика)

Electrical (Электрика)

Ignition switch (Ignition Переключатель)

Ignition switch (Ignition Переключатель)

Ptt relay (Реле двигателя гидроподъёма)

Ptt relay (Реле двигателя гидроподъёма)
(DT40TC)

Clamp bracket (Кронштейн транца)

Clamp bracket (Кронштейн транца)
(DT40C

Clamp bracket (Кронштейн транца)

Clamp bracket (Кронштейн транца)
(DT40W

Swivel bracket (Поворотный кронштейн)

Swivel bracket (Поворотный кронштейн)
(DT40C

Swivel bracket (Поворотный кронштейн)

Swivel bracket (Поворотный кронштейн)
(DT40W

Tilt cylinder & support (Цилиндр наклона & sвышеport)

Tilt cylinder & support (Цилиндр наклона & sвышеport)
(DT40TC ~MODEL:93); NOTE : COLOR:02M (SILVER) 0ED (GRAY)

Power unit

Power unit
(DT40TC/MODEL 86~89); NOTE : REFER TO FIG.34 (F-5) FOR DT40TC/MODEL:90~93 REFER TO FIG.34A(F-6) FOR DT40TC/PTT

Power unit

Power unit
(DT40TC/MODEL:90~93); NOTE : COLOR:0ED (GRAY)

Drive shaft housing (Корпус вала передачи)

Drive shaft housing (Корпус вала передачи)
NOTE : COLOR:02M (SILVER) 0ED (GRAY)

Gear case (Картер коробки передач)

Gear case (Картер коробки передач)

Lower cover (Нижняя часть корпуса)

Lower cover (Нижняя часть корпуса)
NOTE : REFER TO FIG.37A(F-14) FOR MODEL:97~99

Engine cover (Крышка двигателя (капот))

Engine cover (Крышка двигателя (капот))
(DT40C/MODEL:86); NOTE : REFER TO FIG.39 (G- 3) FOR DT40C/MODEL:87

Engine cover (Крышка двигателя (капот))

Engine cover (Крышка двигателя (капот))
(DT40C/MODEL:89~93); NOTE : COLOR:0ED (GRAY) 019 (BLACK) 12R (SILVER) 764 (GOLD) 70G (764/019)

Engine cover (Крышка двигателя (капот))

Engine cover (Крышка двигателя (капот))
(DT40C

Engine cover (Крышка двигателя (капот))

Engine cover (Крышка двигателя (капот))
(DT40C

Engine cover (Крышка двигателя (капот))

Engine cover (Крышка двигателя (капот))
(DT40W

Engine cover (Крышка двигателя (капот))

Engine cover (Крышка двигателя (капот))
(DT40W

Engine cover (Крышка двигателя (капот))

Engine cover (Крышка двигателя (капот))
(DT40W

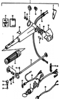
Tiller handle (Румпель)

Tiller handle (Румпель)
NOTE : REFER TO FIG.44(H-4) FOR MODEL:93~99

Fuel tank (Топливный бак)

Fuel tank (Топливный бак)
(DT40C

Fuel tank (Топливный бак)

Fuel tank (Топливный бак)
(DT40WK/GASOLINE)

Fuel tank (Топливный бак)

Fuel tank (Топливный бак)
(DT40WK/PLASTIC/12L)

Fuel tank (Топливный бак)

Fuel tank (Топливный бак)
(DT40WK/KEROSENE)

Fuel tank (Топливный бак)

Fuel tank (Топливный бак)
(PLASTIC/25L)

Fuel tank (Топливный бак)

Fuel tank (Топливный бак)
(DT40C/MODEL:87/E06)

Fuel tank (Топливный бак)

Fuel tank (Топливный бак)
(MODEL:86/E28)

Fuel tank (Топливный бак)

Fuel tank (Топливный бак)
(MODEL:87~92/E28)

Oil tank (Масляный бак)

Oil tank (Масляный бак)
(DT40C

Remote control (Дистанционное управление)

Remote control (Дистанционное управление)
NOTE : COLOR:0ED (GRAY) *67200-93961 REF.NO.2~30 REFER TO FIG.56 (I-7) FOR MODEL:93~99

Optional:electrical (Опции: Электрика)

Optional:electrical (Опции: Электрика)

Optional:electrical (Опции: Электрика)

Optional:electrical (Опции: Электрика)
(2)

Optional:electrical (Опции: Электрика)

Optional:electrical (Опции: Электрика)
(ELECTRIC STARTER)

Optional:electrical (Опции: Электрика)

Optional:electrical (Опции: Электрика)
(MANUAL STARTER)

Optional:electrical (Опции: Электрика)

Optional:electrical (Опции: Электрика)

Optional:meter (Опции: Прибор)

Optional:meter (Опции: Прибор)

Optional:remote control (Опции: Дистанционное управление)

Optional:remote control (Опции: Дистанционное управление)

Optional:tiller handle (Опции: Румпель)

Optional:tiller handle (Опции: Румпель)
(MODEL:86~92); NOTE : REFER TO FIG.64A(K-4) FOR MODEL:93~99

Optional:remo-con parts (Опции: remo-con parts)

Optional:remo-con parts (Опции: remo-con parts)

Optional:gasket set (Опции: Комплект прокладок)

Optional:gasket set (Опции: Комплект прокладок)

Optional (Опции)

Optional (Опции)




 
 

данный сайт носит информационный характер и не является публичной офертой

склад запчастей для водомоторной техники