вконтакте

Контактный телефон: +7 (981) 121-46-93, +7 (800) 200-90-76 , Email: parts-katalog@yandex.ru, где купить

 
 

  Логин:

Пароль:

Регистрация

www.partskatalog.ru Все каталоги Запчасти Mercury Запчасти Suzuki Запчасти Tohatsu Запчасти Honda Контакты



УВАЖАЕМЫЕ КЛИЕНТЫ!
C 19 ДЕКАБРЯ 2025 ПО 02 МАРТА 2026 ГОДА ОТДЕЛ ЗАПЧАСТЕЙ И СЕРВИС РАБОТАТЬ НЕ БУДУТ
ПРОДАЖА ЛОДОЧНЫХ МОТОРОВ В ШТАТНОМ РЕЖИМЕ
ОБ ИЗМЕНЕНИЯХ В ГРАФИКЕ РАБОТЫ ЧИТАЙТЕ НА САЙТА




запчастиsuzuki

Узнать наличие и цену запчасти:

Вернуться к началу выбора

Поиск модели по серийному номеру


РЕЖИМЫ ПРОСМОТРА

Все узлы и детали

Двигатель

Трансмиссия

Электрика

Внешние части

Тип двигателя: 2x - тактный

Модель двигателя: Suzuki DT40

Модификация Вашего двигателя:   Suzuki DT40K VH
Код модели двигателя: DT40К(R)S/L/LL/L2/UL;
Год выпуска двигателя: 1987


Поиск запчастей по коду или названию


   Выберите раздел

найти расходники на лодочные моторы Suzuki

Начните вводить запрос

Cylinder (Цилиндр)

Cylinder (Цилиндр)

Crankshaft (Коленвал)

Crankshaft (Коленвал)

Inlet case - exhaust cover (вход case - Кожух выхлопной трубы)

Inlet case - exhaust cover (вход case - Кожух выхлопной трубы)

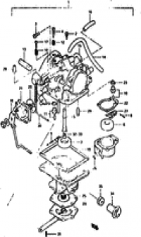
Carburetor (Карбюратор)

Carburetor (Карбюратор)

Fuel pump (Топливный насос)

Fuel pump (Топливный насос)
(MANUAL STARTER)

Fuel pump (Топливный насос)

Fuel pump (Топливный насос)
(ELECTRIC STARTER)

Water pump (Водяной насос)

Water pump (Водяной насос)

Recoil starter (Барабанный стартер)

Recoil starter (Барабанный стартер)
NOTE : N.S.I (NEUTRAL INTER LOCK) COLOR:01J(BLUE) 02M(SILVER) 01T(WHITE) 0ED(GRAY)

Throttle control (Управление дросселем)

Throttle control (Управление дросселем)

Clutch (Сцепление)

Clutch (Сцепление)

Starting motor (Двигатель электростартера)

Starting motor (Двигатель электростартера)
(~201815)

Starting motor (Двигатель электростартера)

Starting motor (Двигатель электростартера)
(301816~)

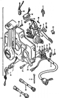
Magneto (Магнето)

Magneto (Магнето)

Ignition

Ignition

Electrical (Электрика)

Electrical (Электрика)
(1)

Electrical (Электрика)

Electrical (Электрика)
(2)

Clamp bracket (Кронштейн транца)

Clamp bracket (Кронштейн транца)
(1)

Clamp bracket (Кронштейн транца)

Clamp bracket (Кронштейн транца)
(2)

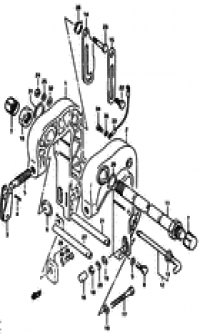
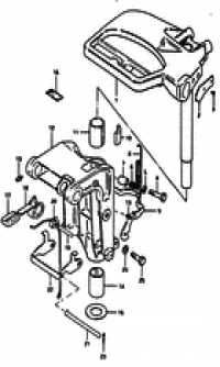
Swivel bracket (Поворотный кронштейн)

Swivel bracket (Поворотный кронштейн)

Exhaust tube (Выхлоп Трубка)

Exhaust tube (Выхлоп Трубка)

Driveshaft housing (Корпус вала передачи)

Driveshaft housing (Корпус вала передачи)
NOTE : COLOR:01J(BLUE) 02M(SILVER) 01T(WHITE) 0ED(GRAY)

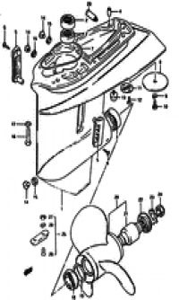
Gear case (Картер коробки передач)

Gear case (Картер коробки передач)

Transmission (Трансмиссия)

Transmission (Трансмиссия)
NOTE : COLOR:01J(BLUE) 02M(SILVER) 01T(WHITE) 0FD(GRAY)

Lower cover (Нижняя часть корпуса)

Lower cover (Нижняя часть корпуса)

Engine cover (Крышка двигателя (капот))

Engine cover (Крышка двигателя (капот))
(MODEL:87

Handle

Handle

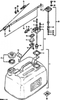
Fuel tank (Топливный бак)

Fuel tank (Топливный бак)
(GASOLINE/MODEL:82~87); NOTE : FIG.32 (F- 3):FUEL TANK (KEROSENE/MODEL:82~87) FIG.33 (F- 4):FUEL TANK (GASOLINE/MODEL:88

Fuel tank (Топливный бак)

Fuel tank (Топливный бак)
(KEROSENE/MODEL:82~87)

Remote control (Дистанционное управление)

Remote control (Дистанционное управление)

Optional:electrical (Опции: Электрика)

Optional:electrical (Опции: Электрика)
(FOR MANUAL STARTER)

Optional:electrical (Опции: Электрика)

Optional:electrical (Опции: Электрика)

Optional:remote control parts (Опции: Запчасти для дистанционного управления)

Optional:remote control parts (Опции: Запчасти для дистанционного управления)

Optional:remote control (Опции: Дистанционное управление)

Optional:remote control (Опции: Дистанционное управление)

Optional:remote control (Опции: Дистанционное управление)

Optional:remote control (Опции: Дистанционное управление)

Optional:tie rod & drag link (Опции: tie Тяга & Переключающая тяга)

Optional:tie rod & drag link (Опции: tie Тяга & Переключающая тяга)

Optional:gasket set (Опции: Комплект прокладок)

Optional:gasket set (Опции: Комплект прокладок)

Optional (Опции)

Optional (Опции)




 
 

данный сайт носит информационный характер и не является публичной офертой

склад запчастей для водомоторной техники