вконтакте

Контактный телефон: +7 (981) 121-46-93, +7 (800) 200-90-76 , Email: parts-katalog@yandex.ru, где купить

 
 

  Логин:

Пароль:

Регистрация

www.partskatalog.ru Все каталоги Запчасти Mercury Запчасти Suzuki Запчасти Tohatsu Запчасти Honda Контакты



УВАЖАЕМЫЕ КЛИЕНТЫ!
C 19 ДЕКАБРЯ 2025 ПО 02 МАРТА 2026 ГОДА ОТДЕЛ ЗАПЧАСТЕЙ И СЕРВИС РАБОТАТЬ НЕ БУДУТ
ПРОДАЖА ЛОДОЧНЫХ МОТОРОВ В ШТАТНОМ РЕЖИМЕ
ОБ ИЗМЕНЕНИЯХ В ГРАФИКЕ РАБОТЫ ЧИТАЙТЕ НА САЙТА




запчастиsuzuki

Узнать наличие и цену запчасти:

Вернуться к началу выбора

Поиск модели по серийному номеру


РЕЖИМЫ ПРОСМОТРА

Все узлы и детали

Тип двигателя: 2x - тактный

Модель двигателя: Suzuki DT40

Модификация Вашего двигателя:   Suzuki DT40WV V
Год выпуска двигателя: 1997


Поиск запчастей по коду или названию


   Выберите раздел

найти расходники на лодочные моторы Suzuki

Начните вводить запрос

Catalog preface (Каталог)

Catalog preface (Каталог)

Catalog preface (Каталог)

Catalog preface (Каталог)

Cylinder (Цилиндр)

Cylinder (Цилиндр)

Crankshaft (Коленвал)

Crankshaft (Коленвал)

Inlet case (вход case)

Inlet case (вход case)

Carburetor (Карбюратор)

Carburetor (Карбюратор)
Dt40c

Carburetor (Карбюратор)

Carburetor (Карбюратор)
Dt40w

Carburetor (Карбюратор)

Carburetor (Карбюратор)
Dt40wk

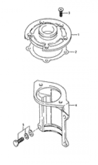
Oil seal housing (Корпус сальника)

Oil seal housing (Корпус сальника)

Exhaust tube (Выхлоп Трубка)

Exhaust tube (Выхлоп Трубка)

Fuel pump (Топливный насос)

Fuel pump (Топливный насос)
Dt40c

Fuel pump (Топливный насос)

Fuel pump (Топливный насос)
Dt40c

Fuel pump (Топливный насос)

Fuel pump (Топливный насос)
Dt40wk

Oil pump (Масляный насос)

Oil pump (Масляный насос)
Dt40c

Oil pump (Масляный насос)

Oil pump (Масляный насос)
Dt40c

Water pump (Водяной насос)

Water pump (Водяной насос)

Recoil starter (Барабанный стартер)

Recoil starter (Барабанный стартер)
~model: 91

Recoil starter (Барабанный стартер)

Recoil starter (Барабанный стартер)
Model: 92~99

Throttle control (Управление дросселем)

Throttle control (Управление дросселем)
Dt40c

Throttle control (Управление дросселем)

Throttle control (Управление дросселем)
Dt40w

Throttle control (Управление дросселем)

Throttle control (Управление дросселем)
Dt40wk

Clutch (Сцепление)

Clutch (Сцепление)

Transmission (Трансмиссия)

Transmission (Трансмиссия)

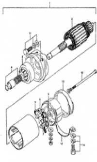
Starting motor (Двигатель электростартера)

Starting motor (Двигатель электростартера)

Magneto (Магнето)

Magneto (Магнето)

Ignition

Ignition
~model: 95

Ignition

Ignition
Model: 96~99

Electrical (Электрика)

Electrical (Электрика)

Ignition switch (Ignition Переключатель)

Ignition switch (Ignition Переключатель)

Ignition switch (Ignition Переключатель)

Ignition switch (Ignition Переключатель)
Model: 93~99

Ptt relay (Реле двигателя гидроподъёма)

Ptt relay (Реле двигателя гидроподъёма)
Dt40tc

Clamp bracket (Кронштейн транца)

Clamp bracket (Кронштейн транца)
Dt40c

Clamp bracket (Кронштейн транца)

Clamp bracket (Кронштейн транца)
Dt40w

Clamp bracket (Кронштейн транца)

Clamp bracket (Кронштейн транца)
Dt40tc model: 94~99

Swivel bracket (Поворотный кронштейн)

Swivel bracket (Поворотный кронштейн)
Dt40c

Swivel bracket (Поворотный кронштейн)

Swivel bracket (Поворотный кронштейн)
Dt40w

Swivel bracket (Поворотный кронштейн)

Swivel bracket (Поворотный кронштейн)
Dt40c

Swivel bracket (Поворотный кронштейн)

Swivel bracket (Поворотный кронштейн)
Dt40tc model: 94~95

Swivel bracket (Поворотный кронштейн)

Swivel bracket (Поворотный кронштейн)
Dt40tc model: 96~99

Tilt cylinder & support (Цилиндр наклона & sвышеport)

Tilt cylinder & support (Цилиндр наклона & sвышеport)
Dt40tc ~model: 93

Power unit

Power unit
Dt40tc/model 86~89

Power unit

Power unit
Dt40tc/model: 90~93

Power trim & tilt (Механизированный дифферент наклона)

Power trim & tilt (Механизированный дифферент наклона)
Model: 94~99

Power trim & tilt motor (Механизированный дифферент наклона)

Power trim & tilt motor (Механизированный дифферент наклона)
Model: 94~99

Drive shaft housing (Корпус вала передачи)

Drive shaft housing (Корпус вала передачи)

Gear case (Картер коробки передач)

Gear case (Картер коробки передач)

Lower cover (Нижняя часть корпуса)

Lower cover (Нижняя часть корпуса)

Lower cover (Нижняя часть корпуса)

Lower cover (Нижняя часть корпуса)
Model: 97~99

Engine cover (Крышка двигателя (капот))

Engine cover (Крышка двигателя (капот))
Dt40c/model: 86

Engine cover (Крышка двигателя (капот))

Engine cover (Крышка двигателя (капот))
Dt40c/model: 87

Engine cover (Крышка двигателя (капот))

Engine cover (Крышка двигателя (капот))
Dt40c/model: 89~93

Engine cover (Крышка двигателя (капот))

Engine cover (Крышка двигателя (капот))
Dt40c

Engine cover (Крышка двигателя (капот))

Engine cover (Крышка двигателя (капот))
Dt40c

Engine cover (Крышка двигателя (капот))

Engine cover (Крышка двигателя (капот))
Dt40w/model: 88

Engine cover (Крышка двигателя (капот))

Engine cover (Крышка двигателя (капот))
Dt40w

Engine cover (Крышка двигателя (капот))

Engine cover (Крышка двигателя (капот))
Dt40w

Engine cover (Крышка двигателя (капот))

Engine cover (Крышка двигателя (капот))
Dt40w

Tiller handle (Румпель)

Tiller handle (Румпель)

Tiller handle (Румпель)

Tiller handle (Румпель)
Model: 93~99

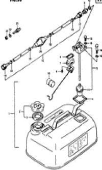
Fuel tank (Топливный бак)

Fuel tank (Топливный бак)
Dt40c/model: 86

Fuel tank (Топливный бак)

Fuel tank (Топливный бак)
Dt40c

Fuel tank (Топливный бак)

Fuel tank (Топливный бак)
Dt40wk/gasoline

Fuel tank (Топливный бак)

Fuel tank (Топливный бак)
Dt40wk/plastic/12l

Fuel tank (Топливный бак)

Fuel tank (Топливный бак)
Dt40wk/kerosene

Fuel tank (Топливный бак)

Fuel tank (Топливный бак)
Plastic/25l

Fuel tank (Топливный бак)

Fuel tank (Топливный бак)
Dt40c/model: 87/e6

Fuel tank (Топливный бак)

Fuel tank (Топливный бак)
Model: 86/e28

Fuel tank (Топливный бак)

Fuel tank (Топливный бак)
Model: 87~92/e28

Oil tank (Масляный бак)

Oil tank (Масляный бак)
Dt40c

Remote control (Дистанционное управление)

Remote control (Дистанционное управление)

Remote control (Дистанционное управление)

Remote control (Дистанционное управление)
Model: 93~99

Electrical (Электрика)

Electrical (Электрика)
Optional;

Electrical (Электрика)

Electrical (Электрика)
Optional;

Meter (Прибор)

Meter (Прибор)
Optional;

Electrical (Электрика)

Electrical (Электрика)
Optional; electric starter

Electrical (Электрика)

Electrical (Электрика)
Optional; manual starter

Electrical (Электрика)

Electrical (Электрика)
Optional;

Remote control (Дистанционное управление)

Remote control (Дистанционное управление)
Optional;

Tiller handle (Румпель)

Tiller handle (Румпель)
Optional; model: 86~92

Tiller handle (Румпель)

Tiller handle (Румпель)
Optional; model: 93~99

Remo-con parts

Remo-con parts
Optional;

Gasket set (Комплект прокладок)

Gasket set (Комплект прокладок)
Optional;

Optional (Опции)

Optional (Опции)




 
 

данный сайт носит информационный характер и не является публичной офертой

склад запчастей для водомоторной техники