вконтакте

Контактный телефон: +7 (981) 121-46-93, +7 (800) 200-90-76 , Email: parts-katalog@yandex.ru, где купить

 
 

  Логин:

Пароль:

Регистрация

www.partskatalog.ru Все каталоги Запчасти Mercury Запчасти Suzuki Запчасти Tohatsu Запчасти Honda Контакты



УВАЖАЕМЫЕ КЛИЕНТЫ!
C 19 ДЕКАБРЯ 2025 ПО 02 МАРТА 2026 ГОДА ОТДЕЛ ЗАПЧАСТЕЙ И СЕРВИС РАБОТАТЬ НЕ БУДУТ
ПРОДАЖА ЛОДОЧНЫХ МОТОРОВ В ШТАТНОМ РЕЖИМЕ
ОБ ИЗМЕНЕНИЯХ В ГРАФИКЕ РАБОТЫ ЧИТАЙТЕ НА САЙТА




запчастиsuzuki

Узнать наличие и цену запчасти:

Вернуться к началу выбора

Поиск модели по серийному номеру


РЕЖИМЫ ПРОСМОТРА

Все узлы и детали

Тип двигателя: 2x - тактный

Модель двигателя: Suzuki DT40

Модификация Вашего двигателя:   Suzuki DT40W(E13) prd
Год выпуска двигателя: 2010


Поиск запчастей по коду или названию


   Выберите раздел

найти расходники на лодочные моторы Suzuki

Начните вводить запрос

Catalog preface (Каталог)

Catalog preface (Каталог)

Catalog preface (Каталог)

Catalog preface (Каталог)

Color chart (Таблица цветов)

Color chart (Таблица цветов)

Cylinder (Цилиндр)

Cylinder (Цилиндр)

Crankshaft (Коленвал)

Crankshaft (Коленвал)

Inlet case (вход case)

Inlet case (вход case)

Carburetor (Карбюратор)

Carburetor (Карбюратор)
Dt40w

Carburetor (Карбюратор)

Carburetor (Карбюратор)
Dt40wk

Oil seal housing (Корпус сальника)

Oil seal housing (Корпус сальника)

Exhaust tube (Выхлоп Трубка)

Exhaust tube (Выхлоп Трубка)

Fuel pump (Топливный насос)

Fuel pump (Топливный насос)
Dt40w

Fuel pump (Топливный насос)

Fuel pump (Топливный насос)
Dt40wk

Water pump (Водяной насос)

Water pump (Водяной насос)

Recoil starter (Барабанный стартер)

Recoil starter (Барабанный стартер)

Throttle control (Управление дросселем)

Throttle control (Управление дросселем)
Dt40w

Throttle control (Управление дросселем)

Throttle control (Управление дросселем)
Dt40wk

Clutch (Сцепление)

Clutch (Сцепление)

Transmission (Трансмиссия)

Transmission (Трансмиссия)

Starting motor (Двигатель электростартера)

Starting motor (Двигатель электростартера)

Magneto (Магнето)

Magneto (Магнето)

Ignition

Ignition

Electrical (Электрика)

Electrical (Электрика)

Ignition switch (Ignition Переключатель)

Ignition switch (Ignition Переключатель)

Clamp bracket (Кронштейн транца)

Clamp bracket (Кронштейн транца)

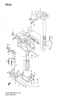
Swivel bracket (Поворотный кронштейн)

Swivel bracket (Поворотный кронштейн)

Drive shaft housing (Корпус вала передачи)

Drive shaft housing (Корпус вала передачи)

Gear case (Картер коробки передач)

Gear case (Картер коробки передач)

Lower cover (Нижняя часть корпуса)

Lower cover (Нижняя часть корпуса)

Engine cover (Крышка двигателя (капот))

Engine cover (Крышка двигателя (капот))

Engine cover (Крышка двигателя (капот))

Engine cover (Крышка двигателя (капот))
Model: 02~10

Engine cover (Крышка двигателя (капот))

Engine cover (Крышка двигателя (капот))

Tiller handle (Румпель)

Tiller handle (Румпель)

Fuel tank (Топливный бак)

Fuel tank (Топливный бак)
Dt40wk/plastic/12l

Fuel tank (Топливный бак)

Fuel tank (Топливный бак)
Plastic/25l

Remocon cable holder (Держатель кабеля дистанционного управления)

Remocon cable holder (Держатель кабеля дистанционного управления)
Dt40wr

Remote control (Дистанционное управление)

Remote control (Дистанционное управление)
Dt40wr

Remote control (Дистанционное управление)

Remote control (Дистанционное управление)
Dt40wr

Starting motor (Двигатель электростартера)

Starting motor (Двигатель электростартера)
Optional;

Meter (Прибор)

Meter (Прибор)
Optional;

Electrical (Электрика)

Electrical (Электрика)
Optional; manual starter

Electrical (Электрика)

Electrical (Электрика)
Optional; electric starter

Remote control (Дистанционное управление)

Remote control (Дистанционное управление)
Optional;

Tiller handle (Румпель)

Tiller handle (Румпель)
Optional;

Remocon parts

Remocon parts
Optional;

Gasket set (Комплект прокладок)

Gasket set (Комплект прокладок)
Optional;




 
 

данный сайт носит информационный характер и не является публичной офертой

склад запчастей для водомоторной техники