вконтакте

Контактный телефон: +7 (981) 121-46-93, +7 (800) 200-90-76 , Email: parts-katalog@yandex.ru, где купить

 
 

  Логин:

Пароль:

Регистрация

www.partskatalog.ru Все каталоги Запчасти Mercury Запчасти Suzuki Запчасти Tohatsu Запчасти Honda Контакты



УВАЖАЕМЫЕ КЛИЕНТЫ!
C 19 ДЕКАБРЯ 2025 ПО 02 МАРТА 2026 ГОДА ОТДЕЛ ЗАПЧАСТЕЙ И СЕРВИС РАБОТАТЬ НЕ БУДУТ
ПРОДАЖА ЛОДОЧНЫХ МОТОРОВ В ШТАТНОМ РЕЖИМЕ
ОБ ИЗМЕНЕНИЯХ В ГРАФИКЕ РАБОТЫ ЧИТАЙТЕ НА САЙТА




запчастиsuzuki

Узнать наличие и цену запчасти:

Вернуться к началу выбора

Поиск модели по серийному номеру


РЕЖИМЫ ПРОСМОТРА

Все узлы и детали

Тип двигателя: 2x - тактный

Модель двигателя: Suzuki DT50

Модификация Вашего двигателя:   Suzuki DT50TVZ(M/T) Z
Год выпуска двигателя: 1982


Поиск запчастей по коду или названию


   Выберите раздел

найти расходники на лодочные моторы Suzuki

Начните вводить запрос

Catalog preface (Каталог)

Catalog preface (Каталог)

Catalog preface (Каталог)

Catalog preface (Каталог)

Color chart (Таблица цветов)

Color chart (Таблица цветов)

Cylinder (Цилиндр)

Cylinder (Цилиндр)

Inlet case / exhaust cover (вход case / Кожух выхлопной трубы)

Inlet case / exhaust cover (вход case / Кожух выхлопной трубы)

Carburetor (Карбюратор)

Carburetor (Карбюратор)

Carburetor (Карбюратор)

Carburetor (Карбюратор)
Dt50m

Upper oil seal housing (верхний  Корпус сальника)

Upper oil seal housing (верхний Корпус сальника)

Fuel pump (Топливный насос)

Fuel pump (Топливный насос)

Water pump (Водяной насос)

Water pump (Водяной насос)

Starter (Стартер)

Starter (Стартер)
Dt50mg e3

Starter (Стартер)

Starter (Стартер)
Dt50m

Clutch (Сцепление)

Clutch (Сцепление)

Clutch lever (Рычаг сцепления)

Clutch lever (Рычаг сцепления)
Dt50m

Throttle / clutch control (Дроссель / Сцепление Управление)

Throttle / clutch control (Дроссель / Сцепление Управление)

Throttle / clutch control (Дроссель / Сцепление Управление)

Throttle / clutch control (Дроссель / Сцепление Управление)
Dt50m

Starting motor (Двигатель электростартера)

Starting motor (Двигатель электростартера)

Magneto (Магнето)

Magneto (Магнето)
Dt50

Magneto (Магнето)

Magneto (Магнето)
Dt65

Magneto (Магнето)

Magneto (Магнето)
Dt50mg

Magneto (Магнето)

Magneto (Магнето)
Dt50mj /mvz

C.d.i.unit

C.d.i.unit

Ignition coil (Катушка зажигания)

Ignition coil (Катушка зажигания)

Electrical (Электрика)

Electrical (Электрика)

Electrical (Электрика)

Electrical (Электрика)
Tvz

Clamp bracket (Кронштейн транца)

Clamp bracket (Кронштейн транца)

Clamp bracket (Кронштейн транца)

Clamp bracket (Кронштейн транца)

Swivel bracket (Поворотный кронштейн)

Swivel bracket (Поворотный кронштейн)

Cylinder support (Цилиндр sвышеport)

Cylinder support (Цилиндр sвышеport)
Tvz

Power unit

Power unit
Tvz

Trim cylinder (Цилиндр трима)

Trim cylinder (Цилиндр трима)
Tvz

Engine holder (Основание двигателя)

Engine holder (Основание двигателя)

Driveshaft housing (Корпус вала передачи)

Driveshaft housing (Корпус вала передачи)

Gear case (Картер коробки передач)

Gear case (Картер коробки передач)
Model g

Gear case (Картер коробки передач)

Gear case (Картер коробки передач)
Model j/vz

Transmission (Трансмиссия)

Transmission (Трансмиссия)
Model g

Transmission (Трансмиссия)

Transmission (Трансмиссия)
Model j/vz

Lower cover (Нижняя часть корпуса)

Lower cover (Нижняя часть корпуса)
Model g

Lower cover (Нижняя часть корпуса)

Lower cover (Нижняя часть корпуса)
Model j/vz

Engine cover (Крышка двигателя (капот))

Engine cover (Крышка двигателя (капот))

Engine cover (Крышка двигателя (капот))

Engine cover (Крышка двигателя (капот))
Dt50m

Handle

Handle
Dt50mg

Handle

Handle
Dt50mj / mvz

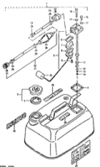
Fuel gauge / hose (Fuel gauge / Шланг)

Fuel gauge / hose (Fuel gauge / Шланг)

Fuel tank (Топливный бак)

Fuel tank (Топливный бак)

Fuel tank (Топливный бак)

Fuel tank (Топливный бак)
E28

Remote control (Дистанционное управление)

Remote control (Дистанционное управление)

Remote control (Дистанционное управление)

Remote control (Дистанционное управление)

Remote control (Дистанционное управление)

Remote control (Дистанционное управление)

Electrical (Электрика)

Electrical (Электрика)
Optional;

Electrical (Электрика)

Electrical (Электрика)
Optional;

Electrical (Электрика)

Electrical (Электрика)
Optional;

Electrical (Электрика)

Electrical (Электрика)
Optional;

Electrical (Электрика)

Electrical (Электрика)
Optional; dt50m

Cylinder support (Цилиндр sвышеport)

Cylinder support (Цилиндр sвышеport)
Optional;

Power unit

Power unit
Optional;

Trim cylinder (Цилиндр трима)

Trim cylinder (Цилиндр трима)
Optional;

Remote control (Дистанционное управление)

Remote control (Дистанционное управление)
Optional;

Remote control (Дистанционное управление)

Remote control (Дистанционное управление)
Optional;

Tie rod (Tie Тяга)

Tie rod (Tie Тяга)
Optional;

Optional (Опции)

Optional (Опции)




 
 

данный сайт носит информационный характер и не является публичной офертой

склад запчастей для водомоторной техники