вконтакте

Контактный телефон: +7 (981) 121-46-93, +7 (800) 200-90-76 , Email: parts-katalog@yandex.ru, где купить

 
 

  Логин:

Пароль:

Регистрация

www.partskatalog.ru Все каталоги Запчасти Mercury Запчасти Suzuki Запчасти Tohatsu Запчасти Honda Контакты



УВАЖАЕМЫЕ КЛИЕНТЫ!
C 19 ДЕКАБРЯ 2025 ПО 02 МАРТА 2026 ГОДА ОТДЕЛ ЗАПЧАСТЕЙ И СЕРВИС РАБОТАТЬ НЕ БУДУТ
ПРОДАЖА ЛОДОЧНЫХ МОТОРОВ В ШТАТНОМ РЕЖИМЕ
ОБ ИЗМЕНЕНИЯХ В ГРАФИКЕ РАБОТЫ ЧИТАЙТЕ НА САЙТА




запчастиsuzuki

Узнать наличие и цену запчасти:

Вернуться к началу выбора

Поиск модели по серийному номеру


РЕЖИМЫ ПРОСМОТРА

Все узлы и детали

Двигатель

Трансмиссия

Электрика

Внешние части

Тип двигателя: 2x - тактный

Модель двигателя: Suzuki DT50

Модификация Вашего двигателя:   Suzuki DT50 VZ/DT50T VZ
Год выпуска двигателя: 1982


Поиск запчастей по коду или названию


   Выберите раздел

найти расходники на лодочные моторы Suzuki

Начните вводить запрос

Cylinder (Цилиндр)

Cylinder (Цилиндр)

Crankshaft (Коленвал)

Crankshaft (Коленвал)

Inlet case / exhaust cover (вход case / Кожух выхлопной трубы)

Inlet case / exhaust cover (вход case / Кожух выхлопной трубы)

Carburetor (Карбюратор)

Carburetor (Карбюратор)
NOTE : FIG5 (B-11) : DT50M

Carburetor (Карбюратор)

Carburetor (Карбюратор)
(DT50M); NOTE : FIG4 (B-9

Upper oil seal housing (верхний  Корпус сальника)

Upper oil seal housing (верхний Корпус сальника)

Fuel pump (Топливный насос)

Fuel pump (Топливный насос)

Water pump (Водяной насос)

Water pump (Водяной насос)

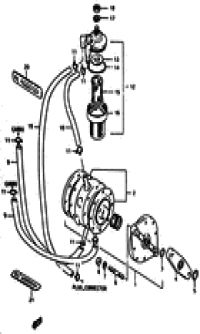
Starter (Стартер)

Starter (Стартер)
(DT50MG E03

Starter (Стартер)

Starter (Стартер)
(DT50M); NOTE : (DT50MG (E1

Clutch (Сцепление)

Clutch (Сцепление)
NOTE : FIG12 (C-8) : DT50MG (E1

Clutch lever (Рычаг сцепления)

Clutch lever (Рычаг сцепления)
(DT50M); NOTE : (DT50MG (E1

Throttle / clutch control (Дроссель / Сцепление Управление)

Throttle / clutch control (Дроссель / Сцепление Управление)
NOTE : FIG14 (C-11) : DT50MG (E1

Throttle / clutch control (Дроссель / Сцепление Управление)

Throttle / clutch control (Дроссель / Сцепление Управление)
(DT50M); NOTE : (DT50MG (E1

Starting motor (Двигатель электростартера)

Starting motor (Двигатель электростартера)

Magneto (Магнето)

Magneto (Магнето)
(DT50); NOTE : FIG17 (D-4

Magneto (Магнето)

Magneto (Магнето)
(DT65); NOTE : FIG16 (D-3) : DT50 FIG18 (D-6) : DT50MG (E1

Magneto (Магнето)

Magneto (Магнето)
(DT50MG); NOTE : (DT50MG (E1

Magneto (Магнето)

Magneto (Магнето)
(DT50MJ /MVZ); NOTE : (DT50MJ (E3

C.d.i.unit

C.d.i.unit

Ignition coil (Катушка зажигания)

Ignition coil (Катушка зажигания)

Electrical (Электрика)

Electrical (Электрика)
(1)

Electrical (Электрика)

Electrical (Электрика)
(2)

Electrical (Электрика)

Electrical (Электрика)
(TVZ)

Clamp bracket (Кронштейн транца)

Clamp bracket (Кронштейн транца)
(1)

Clamp bracket (Кронштейн транца)

Clamp bracket (Кронштейн транца)
(2); NOTE : ( DT50G (E9

Swivel bracket (Поворотный кронштейн)

Swivel bracket (Поворотный кронштейн)

Cylinder support (Цилиндр sвышеport)

Cylinder support (Цилиндр sвышеport)
(TVZ)

Power unit

Power unit
(TVZ)

Trim cylinder (Цилиндр трима)

Trim cylinder (Цилиндр трима)
(TVZ)

Engine holder (Основание двигателя)

Engine holder (Основание двигателя)

Driveshaft housing (Корпус вала передачи)

Driveshaft housing (Корпус вала передачи)

Gear case (Картер коробки передач)

Gear case (Картер коробки передач)
(MODEL G); NOTE : FIG34 (E-14) : MODEL J/VZ

Gear case (Картер коробки передач)

Gear case (Картер коробки передач)
(MODEL J/VZ); NOTE : FIG33 (E-12

Transmission (Трансмиссия)

Transmission (Трансмиссия)
(MODEL G); NOTE : FIG36 (F-5

Transmission (Трансмиссия)

Transmission (Трансмиссия)
(MODEL J/VZ); NOTE : FIG35 (F-2

Lower cover (Нижняя часть корпуса)

Lower cover (Нижняя часть корпуса)
(MODEL G); NOTE : FIG38 (F-9

Lower cover (Нижняя часть корпуса)

Lower cover (Нижняя часть корпуса)
(MODEL J/VZ); NOTE : FIG37 (F-7

Engine cover (Крышка двигателя (капот))

Engine cover (Крышка двигателя (капот))
NOTE : FIG40 (F-12) : DT50MG (E1

Engine cover (Крышка двигателя (капот))

Engine cover (Крышка двигателя (капот))
(DT50M); NOTE : (DT50MG (E1

Handle

Handle
(DT50MG); NOTE : (DT50MG (E1

Handle

Handle
(DT50MJ / MVZ); NOTE : (DT50MJ (E3

Fuel gauge / hose (Fuel gauge / Шланг)

Fuel gauge / hose (Fuel gauge / Шланг)

Fuel tank (Топливный бак)

Fuel tank (Топливный бак)
NOTE : FIG45 (G-5) : E28

Fuel tank (Топливный бак)

Fuel tank (Топливный бак)
(E28); NOTE : FIG44 (G-4) : E1

Remote control (Дистанционное управление)

Remote control (Дистанционное управление)
(1)

Remote control (Дистанционное управление)

Remote control (Дистанционное управление)
(2)

Remote control (Дистанционное управление)

Remote control (Дистанционное управление)
(3); NOTE : (DT50/DT65G E3

Opt : electrical (Опции : Электрика)

Opt : electrical (Опции : Электрика)
(1)

Opt : electrical (Опции : Электрика)

Opt : electrical (Опции : Электрика)
(2)

Opt : electrical (Опции : Электрика)

Opt : electrical (Опции : Электрика)
(3)

Opt : electrical (Опции : Электрика)

Opt : electrical (Опции : Электрика)
(4)

Opt : electrical (Опции : Электрика)

Opt : electrical (Опции : Электрика)
(DT50M); NOTE : (DT50MG (E1

Opt : cylinder support (Опции : Цилиндр sвышеport)

Opt : cylinder support (Опции : Цилиндр sвышеport)

Opt : power unit (Опции : power unit)

Opt : power unit (Опции : power unit)

Opt : trim cylinder (Опции : Цилиндр трима)

Opt : trim cylinder (Опции : Цилиндр трима)

Opt : remote control (Опции : Дистанционное управление)

Opt : remote control (Опции : Дистанционное управление)
(1)

Opt : remote control (Опции : Дистанционное управление)

Opt : remote control (Опции : Дистанционное управление)
(2)

Opt : tie rod (Опции : tie Тяга)

Opt : tie rod (Опции : tie Тяга)

Optional (Опции)

Optional (Опции)




 
 

данный сайт носит информационный характер и не является публичной офертой

склад запчастей для водомоторной техники