вконтакте

Контактный телефон: +7 (981) 121-46-93, +7 (800) 200-90-76 , Email: parts-katalog@yandex.ru, где купить

 
 

  Логин:

Пароль:

Регистрация

www.partskatalog.ru Все каталоги Запчасти Mercury Запчасти Suzuki Запчасти Tohatsu Запчасти Honda Контакты



УВАЖАЕМЫЕ КЛИЕНТЫ!
C 19 ДЕКАБРЯ 2025 ПО 02 МАРТА 2026 ГОДА ОТДЕЛ ЗАПЧАСТЕЙ И СЕРВИС РАБОТАТЬ НЕ БУДУТ
ПРОДАЖА ЛОДОЧНЫХ МОТОРОВ В ШТАТНОМ РЕЖИМЕ
ОБ ИЗМЕНЕНИЯХ В ГРАФИКЕ РАБОТЫ ЧИТАЙТЕ НА САЙТА




запчастиsuzuki

Узнать наличие и цену запчасти:

Вернуться к началу выбора

Поиск модели по серийному номеру


РЕЖИМЫ ПРОСМОТРА

Все узлы и детали

Тип двигателя: 2x - тактный

Модель двигателя: Suzuki DT50

Модификация Вашего двигателя:   Suzuki DT50TVE(E) E
Год выпуска двигателя: 1984


Поиск запчастей по коду или названию


   Выберите раздел

найти расходники на лодочные моторы Suzuki

Начните вводить запрос

Catalog preface (Каталог)

Catalog preface (Каталог)

Catalog preface (Каталог)

Catalog preface (Каталог)

Color chart (Таблица цветов)

Color chart (Таблица цветов)

Cylinder (Цилиндр)

Cylinder (Цилиндр)

Crankshaft (Коленвал)

Crankshaft (Коленвал)

Inlet case/exhaust cover (вход case / Кожух выхлопной трубы)

Inlet case/exhaust cover (вход case / Кожух выхлопной трубы)

Carburetor (Карбюратор)

Carburetor (Карбюратор)

Upper oil seal housing (верхний  Корпус сальника)

Upper oil seal housing (верхний Корпус сальника)

Fuel pump (Топливный насос)

Fuel pump (Топливный насос)

Oil pump (Масляный насос)

Oil pump (Масляный насос)

Water pump (Водяной насос)

Water pump (Водяной насос)

Clutch (Сцепление)

Clutch (Сцепление)

Throttle link (Соединитель дросселя)

Throttle link (Соединитель дросселя)

Starting motor (Двигатель электростартера)

Starting motor (Двигатель электростартера)

Magneto (Магнето)

Magneto (Магнето)

Ignition coil (Катушка зажигания)

Ignition coil (Катушка зажигания)

Electrical (Электрика)

Electrical (Электрика)

Electrical (Электрика)

Electrical (Электрика)

Electrical (Электрика)

Electrical (Электрика)

Clamp bracket (Кронштейн транца)

Clamp bracket (Кронштейн транца)

Swivel bracket (Поворотный кронштейн)

Swivel bracket (Поворотный кронштейн)

Cyinder support (Cyinder sвышеport)

Cyinder support (Cyinder sвышеport)

Power unit

Power unit

Trim cylinder (Цилиндр трима)

Trim cylinder (Цилиндр трима)

Engine holder (Основание двигателя)

Engine holder (Основание двигателя)

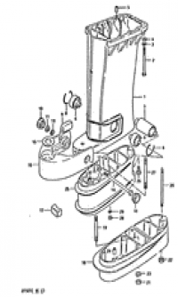
Driveshaft housing (Корпус вала передачи)

Driveshaft housing (Корпус вала передачи)

Gear case (Картер коробки передач)

Gear case (Картер коробки передач)

Transmission (Трансмиссия)

Transmission (Трансмиссия)

Lower cover (Нижняя часть корпуса)

Lower cover (Нижняя часть корпуса)

Engine cover (Крышка двигателя (капот))

Engine cover (Крышка двигателя (капот))

Engine cover (Крышка двигателя (капот))

Engine cover (Крышка двигателя (капот))
E7

Fuel tank (Топливный бак)

Fuel tank (Топливный бак)

Fuel tank (Топливный бак)

Fuel tank (Топливный бак)
For canada

Oil tank (Масляный бак)

Oil tank (Масляный бак)

Remote control box (Дистанционное управление в сборе)

Remote control box (Дистанционное управление в сборе)

Electrical (Электрика)

Electrical (Электрика)
Optional;

Electrical (Электрика)

Electrical (Электрика)
Optional;

Electrical (Электрика)

Electrical (Электрика)
Optional;

Remote control (Дистанционное управление)

Remote control (Дистанционное управление)
Optional;

Tie rod (Tie Тяга)

Tie rod (Tie Тяга)
Optional;

Optional (Опции)

Optional (Опции)




 
 

данный сайт носит информационный характер и не является публичной офертой

склад запчастей для водомоторной техники