вконтакте

Контактный телефон: +7 (981) 121-46-93, +7 (800) 200-90-76 , Email: parts-katalog@yandex.ru, где купить

 
 

  Логин:

Пароль:

Регистрация

www.partskatalog.ru Все каталоги Запчасти Mercury Запчасти Suzuki Запчасти Tohatsu Запчасти Honda Контакты


запчастиsuzuki

Узнать наличие и цену запчасти:

Вернуться к началу выбора

Поиск модели по серийному номеру


РЕЖИМЫ ПРОСМОТРА

Все узлы и детали

Двигатель

Трансмиссия

Электрика

Внешние части

Тип двигателя: 2x - тактный

Модель двигателя: Suzuki DT50

Модификация Вашего двигателя:   Suzuki DT50KTR VG/DT50KR VG/DT50KH VG
Код модели двигателя: DT50KS/L/LL/UL
Год выпуска двигателя: 1986
Регион: General Export No.1 ,Код региона: P01
Цвет: Francois Whte №2Arctic Silver


Поиск запчастей по коду или названию


   Выберите раздел

найти расходники на лодочные моторы Suzuki

Начните вводить запрос

Cylinder (Цилиндр)

Cylinder (Цилиндр)

Crankshaft (Коленвал)

Crankshaft (Коленвал)

Inlet case/exhaust cover (вход case / Кожух выхлопной трубы)

Inlet case/exhaust cover (вход case / Кожух выхлопной трубы)

Carburetor (Карбюратор)

Carburetor (Карбюратор)

Upper oil seal housing (верхний  Корпус сальника)

Upper oil seal housing (верхний Корпус сальника)

Fuel pump (Топливный насос)

Fuel pump (Топливный насос)

Water pump (Водяной насос)

Water pump (Водяной насос)

Clutch (Сцепление)

Clutch (Сцепление)
NOTE : REFER TO FIG.9 (B-12) FOR DT50KH VF/VG/VH F13

Clutch lever (Рычаг сцепления)

Clutch lever (Рычаг сцепления)
(DT50KH VF/VG/VH E13)

Throttle link (Соединитель дросселя)

Throttle link (Соединитель дросселя)

Starting motor (Двигатель электростартера)

Starting motor (Двигатель электростартера)

Magneto (Магнето)

Magneto (Магнето)

Ignition coil (Катушка зажигания)

Ignition coil (Катушка зажигания)

Electrical (Электрика)

Electrical (Электрика)
(1)

Electrical (Электрика)

Electrical (Электрика)
(2)

Electrical (Электрика)

Electrical (Электрика)
(3)

Ignition switch (Ignition Переключатель)

Ignition switch (Ignition Переключатель)
(DT50KH VF/VG/VH E13)

Clamp bracket (Кронштейн транца)

Clamp bracket (Кронштейн транца)

Swivel bracket (Поворотный кронштейн)

Swivel bracket (Поворотный кронштейн)

Cylinder support (Цилиндр sвышеport)

Cylinder support (Цилиндр sвышеport)

Power unit

Power unit

Trim cylinder (Цилиндр трима)

Trim cylinder (Цилиндр трима)

Engine holder (Основание двигателя)

Engine holder (Основание двигателя)

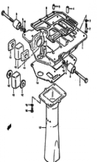
Driveshaft housing (Корпус вала передачи)

Driveshaft housing (Корпус вала передачи)

Gear case (Картер коробки передач)

Gear case (Картер коробки передач)

Transmission (Трансмиссия)

Transmission (Трансмиссия)

Lower cover (Нижняя часть корпуса)

Lower cover (Нижняя часть корпуса)

Engine cover (Крышка двигателя (капот))

Engine cover (Крышка двигателя (капот))
(MODEL VF/VG); NOTE : REFER TO FIG.29 (F-5) FOR MODEL VH

Handle

Handle
(DT50KH VF/VG/VH E13)

Fuel tank (Топливный бак)

Fuel tank (Топливный бак)
(KEROSENE)

Fuel tank (Топливный бак)

Fuel tank (Топливный бак)
(GASOLINE)

Remote control (Дистанционное управление)

Remote control (Дистанционное управление)
(MODEL VG/VH)

Opt:electrical (Опции: электрика)

Opt:electrical (Опции: электрика)
(1)

Opt:electrical (Опции: электрика)

Opt:electrical (Опции: электрика)
(2)

Opt:electrical (Опции: электрика)

Opt:electrical (Опции: электрика)
(3)

Opt:trim switch (Опции: Переключатель трима)

Opt:trim switch (Опции: Переключатель трима)
(DT50KR:E01/E13/E17)

Opt:remote control (Опции: дистанционное управление)

Opt:remote control (Опции: дистанционное управление)

Opt:tie rod (Опции: tie Тяга)

Opt:tie rod (Опции: tie Тяга)

Optional (Опции)

Optional (Опции)




 
 

данный сайт носит информационный характер и не является публичной офертой

склад запчастей для водомоторной техники