вконтакте

Контактный телефон: +7 (981) 121-46-93, +7 (800) 200-90-76 , Email: parts-katalog@yandex.ru, где купить

 
 

  Логин:

Пароль:

Регистрация

www.partskatalog.ru Все каталоги Запчасти Mercury Запчасти Suzuki Запчасти Tohatsu Запчасти Honda Контакты



УВАЖАЕМЫЕ КЛИЕНТЫ!
C 19 ДЕКАБРЯ 2025 ПО 02 МАРТА 2026 ГОДА ОТДЕЛ ЗАПЧАСТЕЙ И СЕРВИС РАБОТАТЬ НЕ БУДУТ
ПРОДАЖА ЛОДОЧНЫХ МОТОРОВ В ШТАТНОМ РЕЖИМЕ
ОБ ИЗМЕНЕНИЯХ В ГРАФИКЕ РАБОТЫ ЧИТАЙТЕ НА САЙТА




запчастиsuzuki

Узнать наличие и цену запчасти:

Вернуться к началу выбора

Поиск модели по серийному номеру


РЕЖИМЫ ПРОСМОТРА

Все узлы и детали

Тип двигателя: 2x - тактный

Модель двигателя: Suzuki DT55

Модификация Вашего двигателя:   Suzuki DT55TCVF(F/G/Y) F
Код модели двигателя: DT55S/L/LL/UL
Год выпуска двигателя: 1985
Регион: General Export No.1 ,Код региона: P01


Поиск запчастей по коду или названию


   Выберите раздел

найти расходники на лодочные моторы Suzuki

Начните вводить запрос

Catalog preface (Каталог)

Catalog preface (Каталог)

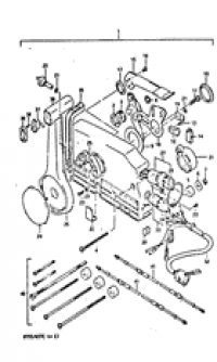
Cylinder (Цилиндр)

Cylinder (Цилиндр)

Crankshaft (Коленвал)

Crankshaft (Коленвал)

Inlet case/exhaust cover (вход case / Кожух выхлопной трубы)

Inlet case/exhaust cover (вход case / Кожух выхлопной трубы)

Carburetor (Карбюратор)

Carburetor (Карбюратор)
Dt55

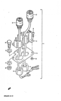
Fuel pump (Топливный насос)

Fuel pump (Топливный насос)

Oil pump (Масляный насос)

Oil pump (Масляный насос)
Model vf

Oil pump (Масляный насос)

Oil pump (Масляный насос)
Model vg/vh

Water pump (Водяной насос)

Water pump (Водяной насос)

Clutch (Сцепление)

Clutch (Сцепление)

Throttle link (Соединитель дросселя)

Throttle link (Соединитель дросселя)

Starting motor (Двигатель электростартера)

Starting motor (Двигатель электростартера)

Magneto (Магнето)

Magneto (Магнето)

Ignition

Ignition

Electrical (Электрика)

Electrical (Электрика)

Electrical (Электрика)

Electrical (Электрика)

Electrical (Электрика)

Electrical (Электрика)

Electrical (Электрика)

Electrical (Электрика)

Trim switch (Переключатель трима)

Trim switch (Переключатель трима)
Dt55h

Electrical (Электрика)

Electrical (Электрика)
Dt55h

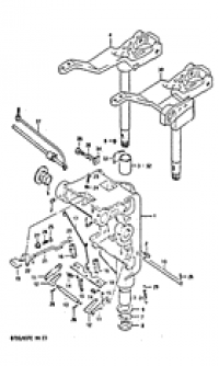
Clamp bracket (Кронштейн транца)

Clamp bracket (Кронштейн транца)

Swivel bracket (Поворотный кронштейн)

Swivel bracket (Поворотный кронштейн)

Cylinder support (Цилиндр sвышеport)

Cylinder support (Цилиндр sвышеport)

Power unit

Power unit

Trim cylinder (Цилиндр трима)

Trim cylinder (Цилиндр трима)

Engine holder (Основание двигателя)

Engine holder (Основание двигателя)

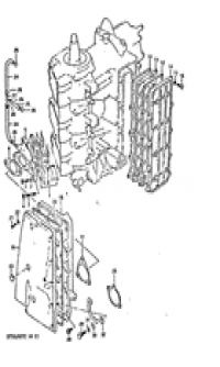
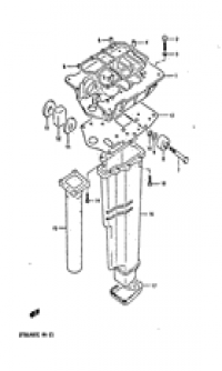
Driveshaft housing (Корпус вала передачи)

Driveshaft housing (Корпус вала передачи)

Gear case (Картер коробки передач)

Gear case (Картер коробки передач)

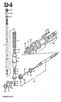
Transmission (Трансмиссия)

Transmission (Трансмиссия)

Lower cover (Нижняя часть корпуса)

Lower cover (Нижняя часть корпуса)

Engine cover 1 (Крышка двигателя (капот) 1)

Engine cover 1 (Крышка двигателя (капот) 1)

Engine cover 2 (Крышка двигателя (капот) 2)

Engine cover 2 (Крышка двигателя (капот) 2)
Model vh

Handle

Handle
Dt55h

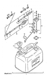
Fuel tank (Топливный бак)

Fuel tank (Топливный бак)

Oil tank (Масляный бак)

Oil tank (Масляный бак)

Remote control (Дистанционное управление)

Remote control (Дистанционное управление)

Electrical (Электрика)

Electrical (Электрика)
Optional;

Electrical (Электрика)

Electrical (Электрика)
Optional;

Electrical (Электрика)

Electrical (Электрика)
Optional;

Trim switch (Переключатель трима)

Trim switch (Переключатель трима)
Optional; dt55c/65c

Tie rod (Tie Тяга)

Tie rod (Tie Тяга)
Optional;

Optional (Опции)

Optional (Опции)




 
 

данный сайт носит информационный характер и не является публичной офертой

склад запчастей для водомоторной техники