вконтакте

Контактный телефон: +7 (981) 121-46-93, +7 (800) 200-90-76 , Email: parts-katalog@yandex.ru, где купить

 
 

  Логин:

Пароль:

Регистрация

www.partskatalog.ru Все каталоги Запчасти Mercury Запчасти Suzuki Запчасти Tohatsu Запчасти Honda Контакты


запчастиsuzuki

Узнать наличие и цену запчасти:

Вернуться к началу выбора

Поиск модели по серийному номеру


РЕЖИМЫ ПРОСМОТРА

Все узлы и детали

Двигатель

Трансмиссия

Электрика

Внешние части

Тип двигателя: 2x - тактный

Модель двигателя: Suzuki DT55

Модификация Вашего двигателя:   Suzuki DT55M VH
Код модели двигателя: DT55MS/L/UL
Год выпуска двигателя: 1987
Цвет: Francois Whte №2Arctic Silver


Поиск запчастей по коду или названию


   Выберите раздел

найти расходники на лодочные моторы Suzuki

Начните вводить запрос

Cylinder (Цилиндр)

Cylinder (Цилиндр)

Crankshaft (Коленвал)

Crankshaft (Коленвал)

Inlet case/exhaust cover (вход case / Кожух выхлопной трубы)

Inlet case/exhaust cover (вход case / Кожух выхлопной трубы)

Carburetor (Карбюратор)

Carburetor (Карбюратор)

Fuel pump (Топливный насос)

Fuel pump (Топливный насос)

Water pump (Водяной насос)

Water pump (Водяной насос)

Recoil starter (Барабанный стартер)

Recoil starter (Барабанный стартер)

Clutch (Сцепление)

Clutch (Сцепление)

Clutch lever (Рычаг сцепления)

Clutch lever (Рычаг сцепления)

Throttle link (Соединитель дросселя)

Throttle link (Соединитель дросселя)

Magneto (Магнето)

Magneto (Магнето)

Ignition coil (Катушка зажигания)

Ignition coil (Катушка зажигания)

Electrical (Электрика)

Electrical (Электрика)
(1)

Electrical (Электрика)

Electrical (Электрика)
(2)

Clamp bracket (Кронштейн транца)

Clamp bracket (Кронштейн транца)

Swivel bracket (Поворотный кронштейн)

Swivel bracket (Поворотный кронштейн)

Engine holder (Основание двигателя)

Engine holder (Основание двигателя)

Driveshaft housing (Корпус вала передачи)

Driveshaft housing (Корпус вала передачи)

Gear case (Картер коробки передач)

Gear case (Картер коробки передач)

Transmission (Трансмиссия)

Transmission (Трансмиссия)

Lower cover (Нижняя часть корпуса)

Lower cover (Нижняя часть корпуса)

Engine cover (Крышка двигателя (капот))

Engine cover (Крышка двигателя (капот))
(MODEL VH)

Handle

Handle

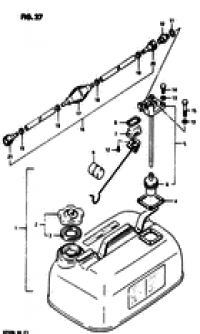
Fuel tank (Топливный бак)

Fuel tank (Топливный бак)
NOTE : REFER TO FIG26 (D-10) FOR CANADA MODEL VG REFER TO FIG27 (D-11) FOR CANADA MODEL VH

Fuel tank (Топливный бак)

Fuel tank (Топливный бак)
(E28 MODEL VG); NOTE : FOR CANADA MARKET ONLY.

Fuel tank (Топливный бак)

Fuel tank (Топливный бак)
(E28 MODEL VH); NOTE : FOR CANADA MARKET ONLY

Opt : electrical (Опции : Электрика)

Opt : electrical (Опции : Электрика)
(1)

Opt : electrical (Опции : Электрика)

Opt : electrical (Опции : Электрика)
(2)

Opt : cylinder support (Опции : Цилиндр sвышеport)

Opt : cylinder support (Опции : Цилиндр sвышеport)

Opt : power unit (Опции : power unit)

Opt : power unit (Опции : power unit)

Opt : trim cylinder (Опции : Цилиндр трима)

Opt : trim cylinder (Опции : Цилиндр трима)

Opt : remote control (Опции : Дистанционное управление)

Opt : remote control (Опции : Дистанционное управление)

Opt : remocon parts kit (Опции : remocon parts kit)

Opt : remocon parts kit (Опции : remocon parts kit)

Opt : tie rod (Опции : tie Тяга)

Opt : tie rod (Опции : tie Тяга)

Optional (Опции)

Optional (Опции)




 
 

данный сайт носит информационный характер и не является публичной офертой

склад запчастей для водомоторной техники