вконтакте

Контактный телефон: +7 (981) 121-46-93, +7 (800) 200-90-76 , Email: parts-katalog@yandex.ru, где купить

 
 

  Логин:

Пароль:

Регистрация

www.partskatalog.ru Все каталоги Запчасти Mercury Запчасти Suzuki Запчасти Tohatsu Запчасти Honda Контакты



УВАЖАЕМЫЕ КЛИЕНТЫ!
C 19 ДЕКАБРЯ 2025 ПО 02 МАРТА 2026 ГОДА ОТДЕЛ ЗАПЧАСТЕЙ И СЕРВИС РАБОТАТЬ НЕ БУДУТ
ПРОДАЖА ЛОДОЧНЫХ МОТОРОВ В ШТАТНОМ РЕЖИМЕ
ОБ ИЗМЕНЕНИЯХ В ГРАФИКЕ РАБОТЫ ЧИТАЙТЕ НА САЙТА




запчастиsuzuki

Узнать наличие и цену запчасти:

Вернуться к началу выбора

Поиск модели по серийному номеру


РЕЖИМЫ ПРОСМОТРА

Все узлы и детали

Двигатель

Трансмиссия

Электрика

Внешние части

Тип двигателя: 2x - тактный

Модель двигателя: Suzuki DT55

Модификация Вашего двигателя:   Suzuki DT55HTCL J
Год выпуска двигателя: 1988


Поиск запчастей по коду или названию


   Выберите раздел

найти расходники на лодочные моторы Suzuki

Начните вводить запрос

Cylinder (Цилиндр)

Cylinder (Цилиндр)
NOTE : COLOR : 02M (SILVER) 0ED (GRAY)

Crankshaft (Коленвал)

Crankshaft (Коленвал)

Inlet case (вход case)

Inlet case (вход case)
NOTE : COLOR : 0ED(GRAY)

Carburetor (Карбюратор)

Carburetor (Карбюратор)
(DT55); NOTE : REFER TO FIG.5 (B-9) FOR DT65

Carburetor (Карбюратор)

Carburetor (Карбюратор)
(DT65)

Fuel pump (Топливный насос)

Fuel pump (Топливный насос)
(MODEL:95~99)

Fuel pump (Топливный насос)

Fuel pump (Топливный насос)
NOTE : REFER TO FIG.6A(B-12) FOR MODEL:95~99

Oil pump (Масляный насос)

Oil pump (Масляный насос)
NOTE : REFER TO FIG.7A(B-14) FOR MODEL:95~99

Oil pump (Масляный насос)

Oil pump (Масляный насос)
(MODEL:95~99)

Water pump (Водяной насос)

Water pump (Водяной насос)
NOTE : COLOR : 0ED (GRAY)

Throttle link (Соединитель дросселя)

Throttle link (Соединитель дросселя)

Clutch (Сцепление)

Clutch (Сцепление)

Clutch lever (Рычаг сцепления)

Clutch lever (Рычаг сцепления)
(DT55HTC)

Transmission (Трансмиссия)

Transmission (Трансмиссия)

Starting motor (Двигатель электростартера)

Starting motor (Двигатель электростартера)
NOTE : COLOR : 0ED(GRAY)

Magneto (Магнето)

Magneto (Магнето)
NOTE : COLOR : 0ED (GRAY)

Ignition

Ignition

Electrical (Электрика)

Electrical (Электрика)
(1)

Electrical (Электрика)

Electrical (Электрика)
(2); NOTE : DT55TC/65TC : STD DT55C/65C : OPT

Electrical (Электрика)

Electrical (Электрика)
(3)

Electrical (Электрика)

Electrical (Электрика)
(DT55HTC/65HTC); NOTE : COLOR : 064 (WHITE)

Harness (Жгут проводов)

Harness (Жгут проводов)

Clamp bracket (Кронштейн транца)

Clamp bracket (Кронштейн транца)
(MODEL:95~99)

Clamp bracket (Кронштейн транца)

Clamp bracket (Кронштейн транца)
NOTE : COLOR : 0ED(GRAY) REFER TO FIG.21A(E-4) FOR MODEL:95~99 REFER TO FIG.22 (E-5) FOR DT55CQ/65CQ

Clamp bracket (Кронштейн транца)

Clamp bracket (Кронштейн транца)
(DT55CQ/65CQ); NOTE : COLOR : 0ED (GRAY)

Swivel bracket (Поворотный кронштейн)

Swivel bracket (Поворотный кронштейн)
(MODEL:95); NOTE : COLOR : 0ED (GRAY) 01T (WHITE)

Swivel bracket (Поворотный кронштейн)

Swivel bracket (Поворотный кронштейн)
(MODEL:96~99); NOTE : COLOR : 0ED (GRAY)

Swivel bracket (Поворотный кронштейн)

Swivel bracket (Поворотный кронштейн)
NOTE : COLOR : 0ED(GRAY) REFER TO FIG.23A(E- 8) FOR MODEL:95 REFER TO FIG.23B(E- 9) FOR MODEL:96~99 REFER TO FIG.24 (E-10) FOR DT55CQ/65CQ

Swivel bracket (Поворотный кронштейн)

Swivel bracket (Поворотный кронштейн)
(DT55CQ/65CQ); NOTE : COLOR : 0ED(GRAY)

Cylinder support (Цилиндр sвышеport)

Cylinder support (Цилиндр sвышеport)
NOTE : COLOR : 0ED(GRAY)

Power unit

Power unit
(MODEL:88~90); NOTE : COLOR : 02M(SILVER) 0ED(GRAY) REFER TO FIG.27 (F-4) FOR MODEL:91~94 REFER TO FIG.27A(F-5) FOR MODEL:95~99

Power unit

Power unit
(MODEL:95~99)

Power unit

Power unit
(MODEL:91~94)

Trim cylinder (Цилиндр трима)

Trim cylinder (Цилиндр трима)
NOTE : COLOR : 0ED (GRAY) REFER TO FIG.28A(F-7) FOR MODEL:95~99

Trim cylinder (Цилиндр трима)

Trim cylinder (Цилиндр трима)
(MODEL:95~99)

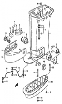
Engine holder (Основание двигателя)

Engine holder (Основание двигателя)

Driveshaft housing (Корпус вала передачи)

Driveshaft housing (Корпус вала передачи)
NOTE : COLOR : 0ED(GRAY)

Gear case (Картер коробки передач)

Gear case (Картер коробки передач)
NOTE : COLOR : 02M(SILVER) 0ED(GRAY)

Lower cover (Нижняя часть корпуса)

Lower cover (Нижняя часть корпуса)
NOTE : COLOR : 0ED (GRAY)

Engine cover (Крышка двигателя (капот))

Engine cover (Крышка двигателя (капот))
(MODEL:88); NOTE : COLOR : 02M(SILVER) 0ED(GRAY) REFER TO FIG.34 (G- 6) FOR MODEL:89~94 REFER TO FIG.34A(G- 8) FOR MODEL:95~97 REFER TO FIG.34B(G-10) FOR MODEL:98

Engine cover (Крышка двигателя (капот))

Engine cover (Крышка двигателя (капот))
(MODEL:89~94); NOTE : COLOR : 0ED (GRAY)

Engine cover (Крышка двигателя (капот))

Engine cover (Крышка двигателя (капот))
(MODEL:95~97); NOTE : COLOR : 0ED(GRAY)

Engine cover (Крышка двигателя (капот))

Engine cover (Крышка двигателя (капот))
(MODEL:98

Handle

Handle
(DT55HTC); NOTE : COLOR : 0ED(GRAY)

Fuel tank (Топливный бак)

Fuel tank (Топливный бак)
NOTE : REFER TO FIG.37(H-4) FOR FUEL TANK (PLASTIC) REFER TO FIG.38(H-5) FOR FUEL TANK (E28)

Fuel tank (Топливный бак)

Fuel tank (Топливный бак)
(PLASTIC)

Fuel tank (Топливный бак)

Fuel tank (Топливный бак)
(E28)

Oil tank (Масляный бак)

Oil tank (Масляный бак)
(MODEL:95~99)

Oil tank (Масляный бак)

Oil tank (Масляный бак)
NOTE : REFER TO FIG.39A(H-7) FOR MODEL:95~99

Remote control (Дистанционное управление)

Remote control (Дистанционное управление)
NOTE : COLOR : 02M(SILVER) 0ED(GRAY) REFER TO FIG.41(H-11) FOR REMOTE CONTROL (MODEL:93~99)

Remote control (Дистанционное управление)

Remote control (Дистанционное управление)
(MODEL:93~99); NOTE : COLOR : 0ED(GRAY)

Opt:meter (Опции: приборы)

Opt:meter (Опции: приборы)

Opt : electrical (Опции : Электрика)

Opt : electrical (Опции : Электрика)
(1)

Opt : electrical (Опции : Электрика)

Opt : electrical (Опции : Электрика)
(2)

Opt : harness (Опции : Жгут проводов)

Opt : harness (Опции : Жгут проводов)

Opt : panel switch (Опции : panel Переключатель)

Opt : panel switch (Опции : panel Переключатель)

Opt : trim switch (Опции : Переключатель трима)

Opt : trim switch (Опции : Переключатель трима)
(DT55C/65C)

Optional : handle (Опции : handle)

Optional : handle (Опции : handle)
(MODEL:96~99); NOTE : COLOR : 0ED (GRAY)

Opt : tie rod (Опции : tie Тяга)

Opt : tie rod (Опции : tie Тяга)

Opt : gasket set (Опции : Комплект прокладок)

Opt : gasket set (Опции : Комплект прокладок)

Optional (Опции)

Optional (Опции)




 
 

данный сайт носит информационный характер и не является публичной офертой

склад запчастей для водомоторной техники