вконтакте

Контактный телефон: +7 (981) 121-46-93, +7 (800) 200-90-76 , Email: parts-katalog@yandex.ru, где купить

 
 

  Логин:

Пароль:

Регистрация

www.partskatalog.ru Все каталоги Запчасти Mercury Запчасти Suzuki Запчасти Tohatsu Запчасти Honda Контакты



УВАЖАЕМЫЕ КЛИЕНТЫ!
C 19 ДЕКАБРЯ 2025 ПО 02 МАРТА 2026 ГОДА ОТДЕЛ ЗАПЧАСТЕЙ И СЕРВИС РАБОТАТЬ НЕ БУДУТ
ПРОДАЖА ЛОДОЧНЫХ МОТОРОВ В ШТАТНОМ РЕЖИМЕ
ОБ ИЗМЕНЕНИЯХ В ГРАФИКЕ РАБОТЫ ЧИТАЙТЕ НА САЙТА




запчастиsuzuki

Узнать наличие и цену запчасти:

Вернуться к началу выбора

Поиск модели по серийному номеру


РЕЖИМЫ ПРОСМОТРА

Все узлы и детали

Двигатель

Трансмиссия

Электрика

Внешние части

Тип двигателя: 4x - тактный

Модель двигателя: Suzuki DF150

Модификация Вашего двигателя:   Suzuki DF-150 ZL / ZX (E01)
Двигатели с серийным номером после 15002Z-710001
Код модели двигателя: DF150Z L/X FROM 15002Z-710001~ (E01)
Год выпуска двигателя: 2017
Регион: Регион E01 (Россия, Европа)


Поиск запчастей по коду или названию


   Выберите раздел

найти расходники на лодочные моторы Suzuki

Начните вводить запрос

111C  -  Cylinder Head  (Df150Z  E01) (111C - Головка блока цилиндра (Df150Z E01))

111C - Cylinder Head (Df150Z E01) (111C - Головка блока цилиндра (Df150Z E01))

113A  -  Cylinder Block (113A - Блок цилиндра)

113A - Cylinder Block (113A - Блок цилиндра)

116A  -  Crankshaft (116A - Коленвал)

116A - Crankshaft (116A - Коленвал)

118A  -  Balancer (118A - Balancer)

118A - Balancer (118A - Balancer)

119A  -  Timing Chain (119A - Распределяющая цепь)

119A - Timing Chain (119A - Распределяющая цепь)

121C  -  Camshaft (Df150Z  E01) (121C - Распределительный вал (Df150Z E01))

121C - Camshaft (Df150Z E01) (121C - Распределительный вал (Df150Z E01))

123A  -  Intake Manifold/throttle  Body (123A - Впускной коллектор / Дроссель газа)

123A - Intake Manifold/throttle Body (123A - Впускной коллектор / Дроссель газа)

140A  -  Exhaust Cover (140A - Кожух выхлопной трубы)

140A - Exhaust Cover (140A - Кожух выхлопной трубы)

143C  -  Fuel  Vapor Separator  (Df150Z  E01) (143C - Отделитель паров топлива (Df150Z E01))

143C - Fuel Vapor Separator (Df150Z E01) (143C - Отделитель паров топлива (Df150Z E01))

144C  -  Fuel  Injector    (Df150Z  E01) (144C - Топливный инжектор  (Df150Z E01))

144C - Fuel Injector (Df150Z E01) (144C - Топливный инжектор (Df150Z E01))

146C  -  Fuel  Pump (Df150Z  E01) (146C - Топливный насос (Df150Z E01))

146C - Fuel Pump (Df150Z E01) (146C - Топливный насос (Df150Z E01))

160C  -  Water Pump (Df150Z  E01) (160C - Водяной насос (Df150Z E01))

160C - Water Pump (Df150Z E01) (160C - Водяной насос (Df150Z E01))

162A  -  Thermostat (162A - Термостат)

162A - Thermostat (162A - Термостат)

164A  -  Throttle Rod (164A - Тяга дросселя)

164A - Throttle Rod (164A - Тяга дросселя)

175A  -  Oil  Pump (175A - Масляный насос)

175A - Oil Pump (175A - Масляный насос)

178A  -  Oil  Filter (178A - Масляный фильтр)

178A - Oil Filter (178A - Масляный фильтр)

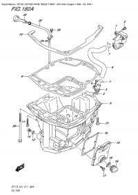
180A  -  Oil  Pan (180A - Масляный поддон)

180A - Oil Pan (180A - Масляный поддон)

204A  -  Clutch Shaft (204A - Сцепление Вал)

204A - Clutch Shaft (204A - Сцепление Вал)

206A  -  Clutch Rod (206A - Тяга сцепления)

206A - Clutch Rod (206A - Тяга сцепления)

220C  -  Transmission (Df150Z  E01) (220C - Трансмиссия (Df150Z E01))

220C - Transmission (Df150Z E01) (220C - Трансмиссия (Df150Z E01))

301A  -  Starting Motor (301A - Двигатель электростартера)

301A - Starting Motor (301A - Двигатель электростартера)

303C  -  Magneto (Df150Z  E01) (303C - Магнето (Df150Z E01))

303C - Magneto (Df150Z E01) (303C - Магнето (Df150Z E01))

310A  -  Rectifier/ignition  Coil (310A - Выпрямитель / Катушка зажигания)

310A - Rectifier/ignition Coil (310A - Выпрямитель / Катушка зажигания)

315A  -  Sensor (315A - Датчик)

315A - Sensor (315A - Датчик)

315A  -  Sensor (315A - Датчик)

315A - Sensor (315A - Датчик)

315A  -  Sensor (315A - Датчик)

315A - Sensor (315A - Датчик)

322C  -  Harness (Df150Z E01) (322C - Жгут проводов (Df150Z E01))

322C - Harness (Df150Z E01) (322C - Жгут проводов (Df150Z E01))

326A  -  Ptt  Switch/engine  Control  Unit (326A - Переключатель гидроподъёма / Блок управления двигателем)

326A - Ptt Switch/engine Control Unit (326A - Переключатель гидроподъёма / Блок управления двигателем)

335A  -  Clamp Bracket (335A - Кронштейн транца)

335A - Clamp Bracket (335A - Кронштейн транца)

336A  -  Swivel Bracket (336A - Поворотный кронштейн)

336A - Swivel Bracket (336A - Поворотный кронштейн)

337A  -  Trim  Cylinder (337A - Цилиндр трима)

337A - Trim Cylinder (337A - Цилиндр трима)

340A  -  Ptt  Motor (340A - Двигатель гидроподъёма)

340A - Ptt Motor (340A - Двигатель гидроподъёма)

340A  -  Ptt  Motor (340A - Двигатель гидроподъёма)

340A - Ptt Motor (340A - Двигатель гидроподъёма)

340A  -  Ptt  Motor (340A - Двигатель гидроподъёма)

340A - Ptt Motor (340A - Двигатель гидроподъёма)

401A  -  Engine Holder (401A - Основание двигателя)

401A - Engine Holder (401A - Основание двигателя)

405A  -  Drive Shaft Housing (405A - Корпус вала передачи)

405A - Drive Shaft Housing (405A - Корпус вала передачи)

405A  -  Drive Shaft Housing (405A - Корпус вала передачи)

405A - Drive Shaft Housing (405A - Корпус вала передачи)

407C  -  Gear Case (Df150Z  E01) (407C - Картер коробки передач (Df150Z E01))

407C - Gear Case (Df150Z E01) (407C - Картер коробки передач (Df150Z E01))

410A  -  Side  Cover (410A - Боковая крышка)

410A - Side Cover (410A - Боковая крышка)

420E  -  Engine Cover  (For  Yay)  (Df150Z  E01) (420E - Крышка двигателя (капот) (для моделей черного цвета (матовый)) (Df150Z E01))

420E - Engine Cover (For Yay) (Df150Z E01) (420E - Крышка двигателя (капот) (для моделей черного цвета (матовый)) (Df150Z E01))

420F  -  Engine Cover  (For  Y5S)  (Df150Z  E01) (420F - Крышка двигателя (капот) (для моделей белого цвета) (Df150Z E01))

420F - Engine Cover (For Y5S) (Df150Z E01) (420F - Крышка двигателя (капот) (для моделей белого цвета) (Df150Z E01))

430A - Fuel Hose (430A - Топливный шланг)

430A - Fuel Hose (430A - Топливный шланг)

442A  -  Drag Link (442A - Переключающая тяга)

442A - Drag Link (442A - Переключающая тяга)

501A  -  Opt:meter (501A - Опции: приборы)

501A - Opt:meter (501A - Опции: приборы)

501A  -  Opt:meter (501A - Опции: приборы)

501A - Opt:meter (501A - Опции: приборы)

508A  -  Opt:remote  Control (508A - Опции: дистанционное управление)

508A - Opt:remote Control (508A - Опции: дистанционное управление)

517A  -  Opt:concealed  Remocon  (1) (517A - Опции: дистанционное управление, скрытая установка (1))

517A - Opt:concealed Remocon (1) (517A - Опции: дистанционное управление, скрытая установка (1))

518A  -  Opt:concealed  Remocon  (2) (518A - Опции: дистанционное управление, скрытая установка (2))

518A - Opt:concealed Remocon (2) (518A - Опции: дистанционное управление, скрытая установка (2))

521A  -  Opt:harness (521A - Опции: жгут проводов)

521A - Opt:harness (521A - Опции: жгут проводов)

530A  -  Opt:switch (530A - Опции: переключатели)

530A - Opt:switch (530A - Опции: переключатели)

541A  -  Opt:remote  Control  Assy  Dual  (1) (541A - Опции: дистанционное управление в сборе Dual (1))

541A - Opt:remote Control Assy Dual (1) (541A - Опции: дистанционное управление в сборе Dual (1))

542A  -  Opt:remote  Control  Assy  Dual  (2) (542A - Опции: дистанционное управление в сборе Dual (2))

542A - Opt:remote Control Assy Dual (2) (542A - Опции: дистанционное управление в сборе Dual (2))

544A  -  Opt:remote  Control  Assy  Single  (1) (544A - Дистанционное управление в сборе, одинарное (1))

544A - Opt:remote Control Assy Single (1) (544A - Дистанционное управление в сборе, одинарное (1))

545A  -  Opt:remote  Control  Assy  Single  (2) (545A - Дистанционное управление в сборе, одинарное (2))

545A - Opt:remote Control Assy Single (2) (545A - Дистанционное управление в сборе, одинарное (2))

573A  -  Opt:tie Rod (573A - Опции: tie Тяга)

573A - Opt:tie Rod (573A - Опции: tie Тяга)

575A  -  Opt:drag Link (575A - Опции: рулевая тяга)

575A - Opt:drag Link (575A - Опции: рулевая тяга)

585A  -  Opt:gasket  Set (585A - Опции: комплект прокладок)

585A - Opt:gasket Set (585A - Опции: комплект прокладок)

601A  -  Opt:multi  Function  Gauge  (1) (601A - Опции: multi Function Gauge (1))

601A - Opt:multi Function Gauge (1) (601A - Опции: multi Function Gauge (1))

602A  -  Opt:multi  Function  Gauge  (2) (602A - Опции: multi Function Gauge (2))

602A - Opt:multi Function Gauge (2) (602A - Опции: multi Function Gauge (2))




 
 

данный сайт носит информационный характер и не является публичной офертой

склад запчастей для водомоторной техники