вконтакте

Контактный телефон: +7 (981) 121-46-93, +7 (800) 200-90-76 , Email: parts-katalog@yandex.ru, где купить

 
 

  Логин:

Пароль:

Регистрация

www.partskatalog.ru Все каталоги Запчасти Mercury Запчасти Suzuki Запчасти Tohatsu Запчасти Honda Контакты



УВАЖАЕМЫЕ КЛИЕНТЫ!
C 19 ДЕКАБРЯ 2025 ПО 02 МАРТА 2026 ГОДА ОТДЕЛ ЗАПЧАСТЕЙ И СЕРВИС РАБОТАТЬ НЕ БУДУТ
ПРОДАЖА ЛОДОЧНЫХ МОТОРОВ В ШТАТНОМ РЕЖИМЕ
ОБ ИЗМЕНЕНИЯХ В ГРАФИКЕ РАБОТЫ ЧИТАЙТЕ НА САЙТА




запчастиsuzuki

Узнать наличие и цену запчасти:

Вернуться к началу выбора

Поиск модели по серийному номеру


РЕЖИМЫ ПРОСМОТРА

Все узлы и детали

Двигатель

Трансмиссия

Электрика

Внешние части

Тип двигателя: 4x - тактный

Модель двигателя: Suzuki DF15

Модификация Вашего двигателя:   Suzuki DF-15 AS / AL (P01 017)
Двигатели с серийным номером после 01504F-710001
Код модели двигателя: DF15A S/L FROM 01504F-710001~ (P01 017)
Год выпуска двигателя: 2017
Регион: Россия, Европа


Поиск запчастей по коду или названию


   Выберите раздел

найти расходники на лодочные моторы Suzuki

Начните вводить запрос

111A  -  Cylinder  Head (111A - Головка блока цилиндра)

111A - Cylinder Head (111A - Головка блока цилиндра)

113A  -  Cylinder  Block (113A - Блок цилиндра)

113A - Cylinder Block (113A - Блок цилиндра)

116A  -  Crankshaft (116A - Коленвал)

116A - Crankshaft (116A - Коленвал)

120A  -  Timing  Belt (120A - Ремень распредвала)

120A - Timing Belt (120A - Ремень распредвала)

121D - Camshaft  (Df15A  P01) (121D - Распределительный вал (Df15A P01))

121D - Camshaft (Df15A P01) (121D - Распределительный вал (Df15A P01))

126D  -  Inlet  Manifold  (Df15A  P01) (126D - Впускной коллектор (Df15A P01))

126D - Inlet Manifold (Df15A P01) (126D - Впускной коллектор (Df15A P01))

144A  -  Fuel  Injector (144A - Топливный инжектор)

144A - Fuel Injector (144A - Топливный инжектор)

146D  -  Fuel  Pump  (Df15A  P01) (146D - Топливный насос (Df15A P01))

146D - Fuel Pump (Df15A P01) (146D - Топливный насос (Df15A P01))

160D  -  Water  Pump  (Df15A  P01) (160D - Водяной насос (Df15A P01))

160D - Water Pump (Df15A P01) (160D - Водяной насос (Df15A P01))

162A  -  Thermostat (162A - Термостат)

162A - Thermostat (162A - Термостат)

163D  -  Throttle  Body  (Df15A  P01) (163D - Дроссель газа (Df15A P01))

163D - Throttle Body (Df15A P01) (163D - Дроссель газа (Df15A P01))

167D -  Recoil  Starter  (Df15A  P01) (167D - Барабанный стартер (Df15A P01))

167D - Recoil Starter (Df15A P01) (167D - Барабанный стартер (Df15A P01))

167D  -  Recoil  Starter  (Df15A  P01) (167D - Барабанный стартер (Df15A P01))

167D - Recoil Starter (Df15A P01) (167D - Барабанный стартер (Df15A P01))

175A  -  Oil  Pump (175A - Масляный насос)

175A - Oil Pump (175A - Масляный насос)

206D - Clutch  Rod  (Df15A  P01) (206D - Тяга сцепления (Df15A P01))

206D - Clutch Rod (Df15A P01) (206D - Тяга сцепления (Df15A P01))

210A - Shift  Rod (210A - Переключающая тяга)

210A - Shift Rod (210A - Переключающая тяга)

220D  -  Transmission  (Df15A  P01) (220D - Трансмиссия (Df15A P01))

220D - Transmission (Df15A P01) (220D - Трансмиссия (Df15A P01))

303B  -  Magneto  (Manual  Starter)  (Df15A  P01) (303B - Магнето (ручной Стартер) (Df15A P01))

303B - Magneto (Manual Starter) (Df15A P01) (303B - Магнето (ручной Стартер) (Df15A P01))

310D - Rectifier/ignition  Coil  (Df15A  P01) (310D - Выпрямитель / Катушка зажигания (Df15A P01))

310D - Rectifier/ignition Coil (Df15A P01) (310D - Выпрямитель / Катушка зажигания (Df15A P01))

322D - Harness  (Df15A  P01) (322D - Жгут проводов (Df15A P01))

322D - Harness (Df15A P01) (322D - Жгут проводов (Df15A P01))

334D - Sensor/switch  (Df15A  P01) (334D - Датчики и переключатели (Df15A P01))

334D - Sensor/switch (Df15A P01) (334D - Датчики и переключатели (Df15A P01))

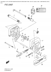
335D  -  Clamp  Bracket  (Df15A  P01) (335D - Кронштейн транца (Df15A P01))

335D - Clamp Bracket (Df15A P01) (335D - Кронштейн транца (Df15A P01))

336D - Swivel Bracket  (Df15A  P01) (336D - Поворотный кронштейн (Df15A P01))

336D - Swivel Bracket (Df15A P01) (336D - Поворотный кронштейн (Df15A P01))

401A  -  Engine  Holder (401A - Основание двигателя)

401A - Engine Holder (401A - Основание двигателя)

405A - Drive  Shaft  Housing (405A - Корпус вала передачи)

405A - Drive Shaft Housing (405A - Корпус вала передачи)

405A - Drive Shaft  Housing (405A - Корпус вала передачи)

405A - Drive Shaft Housing (405A - Корпус вала передачи)

407A  -  Gear  Case  (3  Blade) (407A - Картер коробки передач (3 Blade))

407A - Gear Case (3 Blade) (407A - Картер коробки передач (3 Blade))

407B  -  Gear  Case  (4  Blade) (407B - Картер коробки передач (4 Blade))

407B - Gear Case (4 Blade) (407B - Картер коробки передач (4 Blade))

410D  -  Side  Cover  (Df15A  P01) (410D - Боковая крышка (Df15A P01))

410D - Side Cover (Df15A P01) (410D - Боковая крышка (Df15A P01))

420D  -  Engine  Cover  (Df15A  P01) (420D - Крышка двигателя (капот) (Df15A P01))

420D - Engine Cover (Df15A P01) (420D - Крышка двигателя (капот) (Df15A P01))

432A  -  Fuel  Tank (432A - Топливный бак)

432A - Fuel Tank (432A - Топливный бак)

444B  -  Tiller  Handle  (Df15A  P01) (444B - Румпель (Df15A P01))

444B - Tiller Handle (Df15A P01) (444B - Румпель (Df15A P01))

508B  -  Opt:remote  Control  (Df15A  P01) (508B - Опции: дистанционное управление (Df15A P01))

508B - Opt:remote Control (Df15A P01) (508B - Опции: дистанционное управление (Df15A P01))

513B  -  Opt:remote  Control  Parts  (Df15A  P01) (513B - Опции: Запчасти для дистанционного управления (Df15A P01))

513B - Opt:remote Control Parts (Df15A P01) (513B - Опции: Запчасти для дистанционного управления (Df15A P01))

515D  -  Opt:remocon  Cable  (Df15A  P01) (515D - Опции: трос дистанционного управления (Df15A P01))

515D - Opt:remocon Cable (Df15A P01) (515D - Опции: трос дистанционного управления (Df15A P01))

544D  -  Opt:remote  Control  Assy  Single  (1)  (Df15A  P01) (544D - Дистанционное управление в сборе, одинарное (1) (Df15A P01))

544D - Opt:remote Control Assy Single (1) (Df15A P01) (544D - Дистанционное управление в сборе, одинарное (1) (Df15A P01))

545D  -  Opt:remote  Control  Assy  Single  (2)  (Df15A  P01) (545D - Дистанционное управление в сборе, одинарное (2) (Df15A P01))

545D - Opt:remote Control Assy Single (2) (Df15A P01) (545D - Дистанционное управление в сборе, одинарное (2) (Df15A P01))

553B  -  Opt:electrical  (Manual  Starter)  (Df15A  P01) (553B - Опции: электрика (ручной Стартер) (Df15A P01))

553B - Opt:electrical (Manual Starter) (Df15A P01) (553B - Опции: электрика (ручной Стартер) (Df15A P01))

561B  -  Opt:starting  Motor  (Manual  Starter)  (Df15A  P01) (561B - Опции: электростартер (ручной Стартер) (Df15A P01))

561B - Opt:starting Motor (Manual Starter) (Df15A P01) (561B - Опции: электростартер (ручной Стартер) (Df15A P01))

575B  -  Opt:drag  Link  (Df15A  P01) (575B - Опции: рулевая тяга (Df15A P01))

575B - Opt:drag Link (Df15A P01) (575B - Опции: рулевая тяга (Df15A P01))

583A  -  Opt:fuel  Tank (583A - Опции: топливный бак)

583A - Opt:fuel Tank (583A - Опции: топливный бак)




 
 

данный сайт носит информационный характер и не является публичной офертой

склад запчастей для водомоторной техники