вконтакте

Контактный телефон: +7 (981) 121-46-93, +7 (800) 200-90-76 , Email: parts-katalog@yandex.ru, где купить

 
 

  Логин:

Пароль:

Регистрация

www.partskatalog.ru Все каталоги Запчасти Mercury Запчасти Suzuki Запчасти Tohatsu Запчасти Honda Контакты



УВАЖАЕМЫЕ КЛИЕНТЫ!
C 19 ДЕКАБРЯ 2025 ПО 02 МАРТА 2026 ГОДА ОТДЕЛ ЗАПЧАСТЕЙ И СЕРВИС РАБОТАТЬ НЕ БУДУТ
ПРОДАЖА ЛОДОЧНЫХ МОТОРОВ В ШТАТНОМ РЕЖИМЕ
ОБ ИЗМЕНЕНИЯХ В ГРАФИКЕ РАБОТЫ ЧИТАЙТЕ НА САЙТА




запчастиsuzuki

Узнать наличие и цену запчасти:

Вернуться к началу выбора

Поиск модели по серийному номеру


РЕЖИМЫ ПРОСМОТРА

Все узлы и детали

Двигатель

Трансмиссия

Электрика

Внешние части

Тип двигателя: 4x - тактный

Модель двигателя: Suzuki DF15

Модификация Вашего двигателя:   Suzuki DF-15 ARS / ARL (P01 017)
Двигатели с серийным номером после 01504F-710001
Код модели двигателя: DF15A RS / RL FROM 01504F-710001~ (P01 017)
Год выпуска двигателя: 2017
Регион: Россия, Европа


Поиск запчастей по коду или названию


   Выберите раздел

найти расходники на лодочные моторы Suzuki

Начните вводить запрос

111A  -  Cylinder  Head (111A - Головка блока цилиндра)

111A - Cylinder Head (111A - Головка блока цилиндра)

113A  -  Cylinder  Block (113A - Блок цилиндра)

113A - Cylinder Block (113A - Блок цилиндра)

116A  -  Crankshaft (116A - Коленвал)

116A - Crankshaft (116A - Коленвал)

120A  -  Timing  Belt (120A - Ремень распредвала)

120A - Timing Belt (120A - Ремень распредвала)

121E  -  Camshaft  (Df15Ar  P01) (121E - Распределительный вал (Df15Ar P01))

121E - Camshaft (Df15Ar P01) (121E - Распределительный вал (Df15Ar P01))

126E  -  Inlet  Manifold  (Df15Ar  P01) (126E - Впускной коллектор (Df15Ar P01))

126E - Inlet Manifold (Df15Ar P01) (126E - Впускной коллектор (Df15Ar P01))

144A  -  Fuel  Injector (144A - Топливный инжектор)

144A - Fuel Injector (144A - Топливный инжектор)

146E  -  Fuel  Pump  (Df15Ar  P01) (146E - Топливный насос (Df15Ar P01))

146E - Fuel Pump (Df15Ar P01) (146E - Топливный насос (Df15Ar P01))

160E  -  Water  Pump  (Df15Ar  P01) (160E - Водяной насос (Df15Ar P01))

160E - Water Pump (Df15Ar P01) (160E - Водяной насос (Df15Ar P01))

162A  -  Thermostat (162A - Термостат)

162A - Thermostat (162A - Термостат)

163E  -  Throttle  Body  (Df15Ar  P01) (163E - Дроссель газа (Df15Ar P01))

163E - Throttle Body (Df15Ar P01) (163E - Дроссель газа (Df15Ar P01))

166C  -  Throttle  Control  (Df15Ar  P01) (166C - Управление дросселем (Df15Ar P01))

166C - Throttle Control (Df15Ar P01) (166C - Управление дросселем (Df15Ar P01))

167E -  Recoil  Starter  (Df15Ar  P01) (167E - Барабанный стартер (Df15Ar P01))

167E - Recoil Starter (Df15Ar P01) (167E - Барабанный стартер (Df15Ar P01))

167E  -  Recoil  Starter  (Df15Ar  P01) (167E - Барабанный стартер (Df15Ar P01))

167E - Recoil Starter (Df15Ar P01) (167E - Барабанный стартер (Df15Ar P01))

175A  -  Oil  Pump (175A - Масляный насос)

175A - Oil Pump (175A - Масляный насос)

206E - Clutch  Rod  (Df15Ar  P01) (206E - Тяга сцепления (Df15Ar P01))

206E - Clutch Rod (Df15Ar P01) (206E - Тяга сцепления (Df15Ar P01))

210A - Shift  Rod (210A - Переключающая тяга)

210A - Shift Rod (210A - Переключающая тяга)

220E  -  Transmission  (Df15Ar  P01) (220E - Трансмиссия (Df15Ar P01))

220E - Transmission (Df15Ar P01) (220E - Трансмиссия (Df15Ar P01))

301A  -  Starting  Motor  (Electric  Starter) (301A - Двигатель электростартера (Электростартер))

301A - Starting Motor (Electric Starter) (301A - Двигатель электростартера (Электростартер))

303E  -  Magneto  (Electric  Starter) (303E - Магнето (Электростартер))

303E - Magneto (Electric Starter) (303E - Магнето (Электростартер))

310E  -  Rectifier/ignition  Coil  (Df15Ar  P01) (310E - Выпрямитель / Катушка зажигания (Df15Ar P01))

310E - Rectifier/ignition Coil (Df15Ar P01) (310E - Выпрямитель / Катушка зажигания (Df15Ar P01))

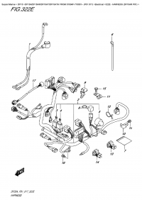
322E  -  Harness  (Df15Ar  P01) (322E - Жгут проводов (Df15Ar P01))

322E - Harness (Df15Ar P01) (322E - Жгут проводов (Df15Ar P01))

334E  -  Sensor/switch  (Df15Ar  P01) (334E - Датчики и переключатели (Df15Ar P01))

334E - Sensor/switch (Df15Ar P01) (334E - Датчики и переключатели (Df15Ar P01))

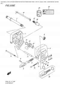
335E  -  Clamp  Bracket  (Df15Ar  P01) (335E - Кронштейн транца (Df15Ar P01))

335E - Clamp Bracket (Df15Ar P01) (335E - Кронштейн транца (Df15Ar P01))

336E - Swivel Bracket  (Df15Ar  P01) (336E - Поворотный кронштейн (Df15Ar P01))

336E - Swivel Bracket (Df15Ar P01) (336E - Поворотный кронштейн (Df15Ar P01))

401A  -  Engine  Holder (401A - Основание двигателя)

401A - Engine Holder (401A - Основание двигателя)

405A - Drive  Shaft  Housing (405A - Корпус вала передачи)

405A - Drive Shaft Housing (405A - Корпус вала передачи)

405A - Drive Shaft  Housing (405A - Корпус вала передачи)

405A - Drive Shaft Housing (405A - Корпус вала передачи)

407A  -  Gear  Case  (3  Blade) (407A - Картер коробки передач (3 Blade))

407A - Gear Case (3 Blade) (407A - Картер коробки передач (3 Blade))

410E  -  Side  Cover  (Df15Ar  P01) (410E - Боковая крышка (Df15Ar P01))

410E - Side Cover (Df15Ar P01) (410E - Боковая крышка (Df15Ar P01))

420E  -  Engine  Cover  (Df15Ar  P01) (420E - Крышка двигателя (капот) (Df15Ar P01))

420E - Engine Cover (Df15Ar P01) (420E - Крышка двигателя (капот) (Df15Ar P01))

432A  -  Fuel  Tank (432A - Топливный бак)

432A - Fuel Tank (432A - Топливный бак)

442E  -  Drag  Link  (Df20Ar  P01) (442E - Переключающая тяга (Df20Ar P01))

442E - Drag Link (Df20Ar P01) (442E - Переключающая тяга (Df20Ar P01))

450C  -  Remote  Control  (Df15Ar  P01) (450C - Дистанционное управление (Df15Ar P01))

450C - Remote Control (Df15Ar P01) (450C - Дистанционное управление (Df15Ar P01))

450C  -  Remote  Control  (Df15Ar  P01) (450C - Дистанционное управление (Df15Ar P01))

450C - Remote Control (Df15Ar P01) (450C - Дистанционное управление (Df15Ar P01))

501C -  Opt:meter  (Df15Ar  P01) (501C - Опции: приборы (Df15Ar P01))

501C - Opt:meter (Df15Ar P01) (501C - Опции: приборы (Df15Ar P01))

515E  -  Opt:remocon  Cable  (Df15Ar  P01) (515E - Опции: трос дистанционного управления (Df15Ar P01))

515E - Opt:remocon Cable (Df15Ar P01) (515E - Опции: трос дистанционного управления (Df15Ar P01))

530C  -  Opt:switch  (Df15Ar  P01) (530C - Опции: переключатели (Df15Ar P01))

530C - Opt:switch (Df15Ar P01) (530C - Опции: переключатели (Df15Ar P01))

544E  -  Opt:remote  Control  Assy  Single  (1)  (Df15Ar  P01) (544E - Дистанционное управление в сборе, одинарное (1) (Df15Ar P01))

544E - Opt:remote Control Assy Single (1) (Df15Ar P01) (544E - Дистанционное управление в сборе, одинарное (1) (Df15Ar P01))

545E  -  Opt:remote  Control  Assy  Single  (2)  (Df15Ar  P01) (545E - Дистанционное управление в сборе, одинарное (2) (Df15Ar P01))

545E - Opt:remote Control Assy Single (2) (Df15Ar P01) (545E - Дистанционное управление в сборе, одинарное (2) (Df15Ar P01))

583A  -  Opt:fuel  Tank (583A - Опции: топливный бак)

583A - Opt:fuel Tank (583A - Опции: топливный бак)

600C  -  Opt:multi  Function  Gauge  (Df15Ar  P01) (600C - Опции: multi Function Gauge (Df15Ar P01))

600C - Opt:multi Function Gauge (Df15Ar P01) (600C - Опции: multi Function Gauge (Df15Ar P01))

407B  -  Gear  Case  (4  Blade) (407B - Картер коробки передач (4 Blade))

407B - Gear Case (4 Blade) (407B - Картер коробки передач (4 Blade))




 
 

данный сайт носит информационный характер и не является публичной офертой

склад запчастей для водомоторной техники