вконтакте

Контактный телефон: +7 (981) 121-46-93, +7 (800) 200-90-76 , Email: parts-katalog@yandex.ru, где купить

 
 

  Логин:

Пароль:

Регистрация

www.partskatalog.ru Все каталоги Запчасти Mercury Запчасти Suzuki Запчасти Tohatsu Запчасти Honda Контакты



УВАЖАЕМЫЕ КЛИЕНТЫ!
C 19 ДЕКАБРЯ 2025 ПО 02 МАРТА 2026 ГОДА ОТДЕЛ ЗАПЧАСТЕЙ И СЕРВИС РАБОТАТЬ НЕ БУДУТ
ПРОДАЖА ЛОДОЧНЫХ МОТОРОВ В ШТАТНОМ РЕЖИМЕ
ОБ ИЗМЕНЕНИЯХ В ГРАФИКЕ РАБОТЫ ЧИТАЙТЕ НА САЙТА




запчастиsuzuki

Узнать наличие и цену запчасти:

Вернуться к началу выбора

Поиск модели по серийному номеру


РЕЖИМЫ ПРОСМОТРА

Все узлы и детали

Двигатель

Трансмиссия

Электрика

Внешние части

Тип двигателя: 4x - тактный

Модель двигателя: Suzuki DF30

Модификация Вашего двигателя:   Suzuki DF-30 AS (P01)
Двигатели с серийным номером после 03003F-710001
Код модели двигателя: DF30A S FROM 03003F-710001~ (P01)
Год выпуска двигателя: 2017
Регион: Регион P40 (Россия)


Поиск запчастей по коду или названию


   Выберите раздел

найти расходники на лодочные моторы Suzuki

Начните вводить запрос

111A  -  Cylinder  Head (111A - Головка блока цилиндра)

111A - Cylinder Head (111A - Головка блока цилиндра)

113A  -  Cylinder  Block (113A - Блок цилиндра)

113A - Cylinder Block (113A - Блок цилиндра)

116A  -  Crankshaft (116A - Коленвал)

116A - Crankshaft (116A - Коленвал)

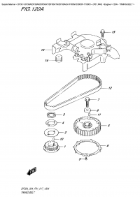
120A  -  Timing  Belt (120A - Ремень распредвала)

120A - Timing Belt (120A - Ремень распредвала)

121A  -  Camshaft (121A - Распределительный вал)

121A - Camshaft (121A - Распределительный вал)

122E  -  Intake  Manifold  (Df30A  P40) (122E - Впускной коллектор (Df30A P40))

122E - Intake Manifold (Df30A P40) (122E - Впускной коллектор (Df30A P40))

139A  -  Exhaust  Manifold (139A - Выхлопной патрубок)

139A - Exhaust Manifold (139A - Выхлопной патрубок)

144A  -  Fuel  Injector (144A - Топливный инжектор)

144A - Fuel Injector (144A - Топливный инжектор)

146E  -  Fuel  Pump  (Df30A  P40) (146E - Топливный насос (Df30A P40))

146E - Fuel Pump (Df30A P40) (146E - Топливный насос (Df30A P40))

160E  -  Water  Pump  (Df30A  P40) (160E - Водяной насос (Df30A P40))

160E - Water Pump (Df30A P40) (160E - Водяной насос (Df30A P40))

162A  -  Thermostat (162A - Термостат)

162A - Thermostat (162A - Термостат)

163A - Throttle Body (163A - Дроссель газа)

163A - Throttle Body (163A - Дроссель газа)

166E  -  Throttle  Control  (Df30A  P40) (166E - Управление дросселем (Df30A P40))

166E - Throttle Control (Df30A P40) (166E - Управление дросселем (Df30A P40))

167A  -  Recoil  Starter (167A - Барабанный стартер)

167A - Recoil Starter (167A - Барабанный стартер)

167A  -  Recoil  Starter (167A - Барабанный стартер)

167A - Recoil Starter (167A - Барабанный стартер)

175A  -  Oil  Pump (175A - Масляный насос)

175A - Oil Pump (175A - Масляный насос)

206E  -  Clutch  Rod  (Df30A  P40) (206E - Тяга сцепления (Df30A P40))

206E - Clutch Rod (Df30A P40) (206E - Тяга сцепления (Df30A P40))

210A  -  Shift  Rod (210A - Переключающая тяга)

210A - Shift Rod (210A - Переключающая тяга)

220A  -  Transmission (220A - Трансмиссия)

220A - Transmission (220A - Трансмиссия)

303B  -  Magneto  (Manual  Starter)  (Df30A P40) (303B - Магнето (ручной Стартер) (Df30A P40))

303B - Magneto (Manual Starter) (Df30A P40) (303B - Магнето (ручной Стартер) (Df30A P40))

310E  -  Rectifier/ignition  Coil  (Df30A  P40) (310E - Выпрямитель / Катушка зажигания (Df30A P40))

310E - Rectifier/ignition Coil (Df30A P40) (310E - Выпрямитель / Катушка зажигания (Df30A P40))

322E  -  Harness  (Df30A  P40) (322E - Жгут проводов (Df30A P40))

322E - Harness (Df30A P40) (322E - Жгут проводов (Df30A P40))

334E  -  Sensor/switch  (Df30A  P40) (334E - Датчики и переключатели (Df30A P40))

334E - Sensor/switch (Df30A P40) (334E - Датчики и переключатели (Df30A P40))

334E  -  Sensor/switch  (Df30A  P40) (334E - Датчики и переключатели (Df30A P40))

334E - Sensor/switch (Df30A P40) (334E - Датчики и переключатели (Df30A P40))

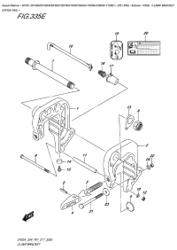
335E  -  Clamp  Bracket  (Df30A  P40) (335E - Кронштейн транца (Df30A P40))

335E - Clamp Bracket (Df30A P40) (335E - Кронштейн транца (Df30A P40))

336E  -  Swivel  Bracket  (Df30A  P40) (336E - Поворотный кронштейн (Df30A P40))

336E - Swivel Bracket (Df30A P40) (336E - Поворотный кронштейн (Df30A P40))

401A  -  Engine  Holder (401A - Основание двигателя)

401A - Engine Holder (401A - Основание двигателя)

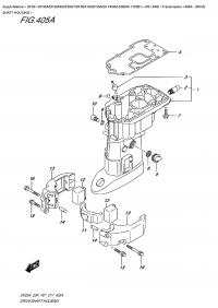
405A  -  Drive  Shaft  Housing (405A - Корпус вала передачи)

405A - Drive Shaft Housing (405A - Корпус вала передачи)

405A  -  Drive  Shaft  Housing (405A - Корпус вала передачи)

405A - Drive Shaft Housing (405A - Корпус вала передачи)

405A  -  Drive  Shaft  Housing (405A - Корпус вала передачи)

405A - Drive Shaft Housing (405A - Корпус вала передачи)

407A  -  Gear  Case (407A - Картер коробки передач)

407A - Gear Case (407A - Картер коробки передач)

410E  -  Side  Cover  (Df30A  P40) (410E - Боковая крышка (Df30A P40))

410E - Side Cover (Df30A P40) (410E - Боковая крышка (Df30A P40))

420E  -  Engine  Cover  (Df30A  P40) (420E - Крышка двигателя (капот) (Df30A P40))

420E - Engine Cover (Df30A P40) (420E - Крышка двигателя (капот) (Df30A P40))

432A  -  Fuel  Tank (432A - Топливный бак)

432A - Fuel Tank (432A - Топливный бак)

444C  -  Tiller  Handle  (Df30A  P40) (444C - Румпель (Df30A P40))

444C - Tiller Handle (Df30A P40) (444C - Румпель (Df30A P40))

508C  -  Opt:remote  Control  (Df30A  P40) (508C - Опции: дистанционное управление (Df30A P40))

508C - Opt:remote Control (Df30A P40) (508C - Опции: дистанционное управление (Df30A P40))

513C  -  Opt:remote  Control  Parts  (Df30A  P40) (513C - Опции: Запчасти для дистанционного управления (Df30A P40))

513C - Opt:remote Control Parts (Df30A P40) (513C - Опции: Запчасти для дистанционного управления (Df30A P40))

515A  -  Opt:remocon  Cable (515A - Опции: трос дистанционного управления)

515A - Opt:remocon Cable (515A - Опции: трос дистанционного управления)

519A  -  Opt:remote  Control  Spacer (519A - Опции: дистанционное управление Проставка)

519A - Opt:remote Control Spacer (519A - Опции: дистанционное управление Проставка)

553B  -  Opt:electrical  (Manual  Starter)  (Df30A  P40) (553B - Опции: электрика (ручной Стартер) (Df30A P40))

553B - Opt:electrical (Manual Starter) (Df30A P40) (553B - Опции: электрика (ручной Стартер) (Df30A P40))

561B  -  Opt:starting  Motor  (Manual  Starter)  (Df30A  P40) (561B - Опции: электростартер (ручной Стартер) (Df30A P40))

561B - Opt:starting Motor (Manual Starter) (Df30A P40) (561B - Опции: электростартер (ручной Стартер) (Df30A P40))

575C  -  Opt:drag  Link  (Df30A  P40) (575C - Опции: рулевая тяга (Df30A P40))

575C - Opt:drag Link (Df30A P40) (575C - Опции: рулевая тяга (Df30A P40))




 
 

данный сайт носит информационный характер и не является публичной офертой

склад запчастей для водомоторной техники