вконтакте

Контактный телефон: +7 (981) 121-46-93, +7 (800) 200-90-76 , Email: parts-katalog@yandex.ru, где купить

 
 

  Логин:

Пароль:

Регистрация

www.partskatalog.ru Все каталоги Запчасти Mercury Запчасти Suzuki Запчасти Tohatsu Запчасти Honda Контакты



УВАЖАЕМЫЕ КЛИЕНТЫ!
C 19 ДЕКАБРЯ 2025 ПО 02 МАРТА 2026 ГОДА ОТДЕЛ ЗАПЧАСТЕЙ И СЕРВИС РАБОТАТЬ НЕ БУДУТ
ПРОДАЖА ЛОДОЧНЫХ МОТОРОВ В ШТАТНОМ РЕЖИМЕ
ОБ ИЗМЕНЕНИЯХ В ГРАФИКЕ РАБОТЫ ЧИТАЙТЕ НА САЙТА




запчастиsuzuki

Узнать наличие и цену запчасти:

Вернуться к началу выбора

Поиск модели по серийному номеру


РЕЖИМЫ ПРОСМОТРА

Все узлы и детали

Двигатель

Трансмиссия

Электрика

Внешние части

Тип двигателя: 4x - тактный

Модель двигателя: Suzuki DF30

Модификация Вашего двигателя:   Suzuki DF-30 ARS / ARL (P01)
Двигатели с серийным номером после 03003F-710001
Код модели двигателя: DF30A RS / RL FROM 03003F-710001~ (P01)
Год выпуска двигателя: 2017
Регион: Регион P40 (Россия)


Поиск запчастей по коду или названию


   Выберите раздел

найти расходники на лодочные моторы Suzuki

Начните вводить запрос

111A  -  Cylinder  Head (111A - Головка блока цилиндра)

111A - Cylinder Head (111A - Головка блока цилиндра)

113A  -  Cylinder  Block (113A - Блок цилиндра)

113A - Cylinder Block (113A - Блок цилиндра)

116A  -  Crankshaft (116A - Коленвал)

116A - Crankshaft (116A - Коленвал)

121A  -  Camshaft (121A - Распределительный вал)

121A - Camshaft (121A - Распределительный вал)

122F  -  Intake  Manifold  (Df30Ar  P01) (122F - Впускной коллектор (Df30Ar P01))

122F - Intake Manifold (Df30Ar P01) (122F - Впускной коллектор (Df30Ar P01))

139A  -  Exhaust  Manifold (139A - Выхлопной патрубок)

139A - Exhaust Manifold (139A - Выхлопной патрубок)

144A  -  Fuel  Injector (144A - Топливный инжектор)

144A - Fuel Injector (144A - Топливный инжектор)

146F  -  Fuel  Pump  (Df30Ar  P01) (146F - Топливный насос (Df30Ar P01))

146F - Fuel Pump (Df30Ar P01) (146F - Топливный насос (Df30Ar P01))

160F  -  Water  Pump  (Df30Ar  P01) (160F - Водяной насос (Df30Ar P01))

160F - Water Pump (Df30Ar P01) (160F - Водяной насос (Df30Ar P01))

162A  -  Thermostat (162A - Термостат)

162A - Thermostat (162A - Термостат)

163A - Throttle Body (163A - Дроссель газа)

163A - Throttle Body (163A - Дроссель газа)

166F  -  Throttle  Control  (Df30Ar  P01) (166F - Управление дросселем (Df30Ar P01))

166F - Throttle Control (Df30Ar P01) (166F - Управление дросселем (Df30Ar P01))

167A  -  Recoil  Starter (167A - Барабанный стартер)

167A - Recoil Starter (167A - Барабанный стартер)

167A  -  Recoil  Starter (167A - Барабанный стартер)

167A - Recoil Starter (167A - Барабанный стартер)

175A  -  Oil  Pump (175A - Масляный насос)

175A - Oil Pump (175A - Масляный насос)

206F  -  Clutch  Rod  (Df30Ar  P01) (206F - Тяга сцепления (Df30Ar P01))

206F - Clutch Rod (Df30Ar P01) (206F - Тяга сцепления (Df30Ar P01))

210A  -  Shift  Rod (210A - Переключающая тяга)

210A - Shift Rod (210A - Переключающая тяга)

220A  -  Transmission (220A - Трансмиссия)

220A - Transmission (220A - Трансмиссия)

301F  -  Starting  Motor  (Df30Ar  P01) (301F - Двигатель электростартера (Df30Ar P01))

301F - Starting Motor (Df30Ar P01) (301F - Двигатель электростартера (Df30Ar P01))

303D  -  Magneto  (Electric  Starter) (303D - Магнето (Электростартер))

303D - Magneto (Electric Starter) (303D - Магнето (Электростартер))

310F  -  Rectifier/ignition  Coil  (Df30Ar  P01) (310F - Выпрямитель / Катушка зажигания (Df30Ar P01))

310F - Rectifier/ignition Coil (Df30Ar P01) (310F - Выпрямитель / Катушка зажигания (Df30Ar P01))

322F  -  Harness  (Df30Ar  P01) (322F - Жгут проводов (Df30Ar P01))

322F - Harness (Df30Ar P01) (322F - Жгут проводов (Df30Ar P01))

334F  -  Sensor/switch  (Df30Ar  P01) (334F - Датчики и переключатели (Df30Ar P01))

334F - Sensor/switch (Df30Ar P01) (334F - Датчики и переключатели (Df30Ar P01))

334F  -  Sensor/switch  (Df30Ar  P01) (334F - Датчики и переключатели (Df30Ar P01))

334F - Sensor/switch (Df30Ar P01) (334F - Датчики и переключатели (Df30Ar P01))

335F  -  Clamp  Bracket  (Df30Ar  P01) (335F - Кронштейн транца (Df30Ar P01))

335F - Clamp Bracket (Df30Ar P01) (335F - Кронштейн транца (Df30Ar P01))

336F  -  Swivel  Bracket  (Df30Ar  P01) (336F - Поворотный кронштейн (Df30Ar P01))

336F - Swivel Bracket (Df30Ar P01) (336F - Поворотный кронштейн (Df30Ar P01))

401A  -  Engine  Holder (401A - Основание двигателя)

401A - Engine Holder (401A - Основание двигателя)

405A  -  Drive  Shaft  Housing (405A - Корпус вала передачи)

405A - Drive Shaft Housing (405A - Корпус вала передачи)

405A  -  Drive  Shaft  Housing (405A - Корпус вала передачи)

405A - Drive Shaft Housing (405A - Корпус вала передачи)

405A  -  Drive  Shaft  Housing (405A - Корпус вала передачи)

405A - Drive Shaft Housing (405A - Корпус вала передачи)

407A  -  Gear  Case (407A - Картер коробки передач)

407A - Gear Case (407A - Картер коробки передач)

410F  -  Side  Cover  (Df30Ar  P01) (410F - Боковая крышка (Df30Ar P01))

410F - Side Cover (Df30Ar P01) (410F - Боковая крышка (Df30Ar P01))

420F  -  Engine  Cover  (Df30Ar  P01) (420F - Крышка двигателя (капот) (Df30Ar P01))

420F - Engine Cover (Df30Ar P01) (420F - Крышка двигателя (капот) (Df30Ar P01))

432A  -  Fuel  Tank (432A - Топливный бак)

432A - Fuel Tank (432A - Топливный бак)

442C  -  Drag  Link  (Df30Ar  P01) (442C - Переключающая тяга (Df30Ar P01))

442C - Drag Link (Df30Ar P01) (442C - Переключающая тяга (Df30Ar P01))

450A  -  Remote  Control  (Df25Ar  P01) (450A - Дистанционное управление (Df25Ar P01))

450A - Remote Control (Df25Ar P01) (450A - Дистанционное управление (Df25Ar P01))

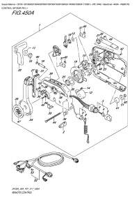
450C  -  Remote  Control  (Df30Ar  P01) (450C - Дистанционное управление (Df30Ar P01))

450C - Remote Control (Df30Ar P01) (450C - Дистанционное управление (Df30Ar P01))

501C  -  Opt:meter  (Df30Ar  P01) (501C - Опции: приборы (Df30Ar P01))

501C - Opt:meter (Df30Ar P01) (501C - Опции: приборы (Df30Ar P01))

515A  -  Opt:remocon  Cable (515A - Опции: трос дистанционного управления)

515A - Opt:remocon Cable (515A - Опции: трос дистанционного управления)

517C  -  Opt:concealed  Remocon  (1)  (Df30Ar  P01) (517C - Опции: дистанционное управление, скрытая установка (1) (Df30Ar P01))

517C - Opt:concealed Remocon (1) (Df30Ar P01) (517C - Опции: дистанционное управление, скрытая установка (1) (Df30Ar P01))

518C  -  Opt:concealed  Remocon  (2)  (Df30Ar  P01) (518C - Опции: дистанционное управление, скрытая установка (2) (Df30Ar P01))

518C - Opt:concealed Remocon (2) (Df30Ar P01) (518C - Опции: дистанционное управление, скрытая установка (2) (Df30Ar P01))

519A  -  Opt:remote  Control  Spacer (519A - Опции: дистанционное управление Проставка)

519A - Opt:remote Control Spacer (519A - Опции: дистанционное управление Проставка)

521C - Opt:harness (Df30Ar P01) (521C - Опции: жгут проводов (Df30Ar P01))

521C - Opt:harness (Df30Ar P01) (521C - Опции: жгут проводов (Df30Ar P01))

530C  -  Opt:switch  (Df30Ar  P01) (530C - Опции: переключатели (Df30Ar P01))

530C - Opt:switch (Df30Ar P01) (530C - Опции: переключатели (Df30Ar P01))

544C  -  Opt:remote  Control  Assy  Single  (1)  (Df30Ar  P01) (544C - Дистанционное управление в сборе, одинарное (1) (Df30Ar P01))

544C - Opt:remote Control Assy Single (1) (Df30Ar P01) (544C - Дистанционное управление в сборе, одинарное (1) (Df30Ar P01))

545C  -  Opt:remote  Control  Assy  Single  (2)  (Df30Ar  P01) (545C - Дистанционное управление в сборе, одинарное (2) (Df30Ar P01))

545C - Opt:remote Control Assy Single (2) (Df30Ar P01) (545C - Дистанционное управление в сборе, одинарное (2) (Df30Ar P01))

600C  -  Opt:multi  Function  Gauge  (Df30Ar  P01) (600C - Опции: multi Function Gauge (Df30Ar P01))

600C - Opt:multi Function Gauge (Df30Ar P01) (600C - Опции: multi Function Gauge (Df30Ar P01))




 
 

данный сайт носит информационный характер и не является публичной офертой

склад запчастей для водомоторной техники