вконтакте

Контактный телефон: +7 (981) 121-46-93, +7 (800) 200-90-76 , Email: parts-katalog@yandex.ru, где купить

 
 

  Логин:

Пароль:

Регистрация

www.partskatalog.ru Все каталоги Запчасти Mercury Запчасти Suzuki Запчасти Tohatsu Запчасти Honda Контакты



УВАЖАЕМЫЕ КЛИЕНТЫ!
C 19 ДЕКАБРЯ 2025 ПО 02 МАРТА 2026 ГОДА ОТДЕЛ ЗАПЧАСТЕЙ И СЕРВИС РАБОТАТЬ НЕ БУДУТ
ПРОДАЖА ЛОДОЧНЫХ МОТОРОВ В ШТАТНОМ РЕЖИМЕ
ОБ ИЗМЕНЕНИЯХ В ГРАФИКЕ РАБОТЫ ЧИТАЙТЕ НА САЙТА




запчастиsuzuki

Узнать наличие и цену запчасти:

Вернуться к началу выбора

Поиск модели по серийному номеру


РЕЖИМЫ ПРОСМОТРА

Все узлы и детали

Двигатель

Трансмиссия

Электрика

Внешние части

Тип двигателя: 4x - тактный

Модель двигателя: Suzuki DF200

Модификация Вашего двигателя:   Suzuki DF-200 TX (E01)
Двигатели с серийным номером после 20002F-710001
Код модели двигателя: DF200T X FROM 20002F-710001~ (E01)
Год выпуска двигателя: 2017
Регион: Регион E01 (Россия, Европа)


Поиск запчастей по коду или названию


   Выберите раздел

найти расходники на лодочные моторы Suzuki

Начните вводить запрос

111A  -  Cylinder Head  (Df200T  E01) (111A - Головка блока цилиндра (Df200T E01))

111A - Cylinder Head (Df200T E01) (111A - Головка блока цилиндра (Df200T E01))

113A  -  Cylinder Block (113A - Блок цилиндра)

113A - Cylinder Block (113A - Блок цилиндра)

116A  -  Crankshaft (116A - Коленвал)

116A - Crankshaft (116A - Коленвал)

119A  -  Timing Chain (119A - Распределяющая цепь)

119A - Timing Chain (119A - Распределяющая цепь)

121A  -  Camshaft (Df200T  E01) (121A - Распределительный вал (Df200T E01))

121A - Camshaft (Df200T E01) (121A - Распределительный вал (Df200T E01))

122A  -  Intake Manifold (122A - Впускной коллектор)

122A - Intake Manifold (122A - Впускной коллектор)

134A  -  Silencer (134A - Глушитель)

134A - Silencer (134A - Глушитель)

136A  -  Ring  Gear Cover (136A - Крышка механизма маховика)

136A - Ring Gear Cover (136A - Крышка механизма маховика)

140A  -  Exhaust Cover (140A - Кожух выхлопной трубы)

140A - Exhaust Cover (140A - Кожух выхлопной трубы)

144A  -  Fuel  Injector  (Df200T  E01) (144A - Топливный инжектор (Df200T E01))

144A - Fuel Injector (Df200T E01) (144A - Топливный инжектор (Df200T E01))

147A  -  Fuel  Pump/fuel  Vapor  Separator  (Df200T  E01) (147A - Топливный насос / Отделитель паров топлива (Df200T E01))

147A - Fuel Pump/fuel Vapor Separator (Df200T E01) (147A - Топливный насос / Отделитель паров топлива (Df200T E01))

160A  -  Water Pump (Df200T  E01) (160A - Водяной насос (Df200T E01))

160A - Water Pump (Df200T E01) (160A - Водяной насос (Df200T E01))

162A  -  Thermostat (162A - Термостат)

162A - Thermostat (162A - Термостат)

163A  -  Throttle Body  (Df200T  E01) (163A - Дроссель газа (Df200T E01))

163A - Throttle Body (Df200T E01) (163A - Дроссель газа (Df200T E01))

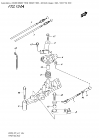
164A  -  Throttle Rod (164A - Тяга дросселя)

164A - Throttle Rod (164A - Тяга дросселя)

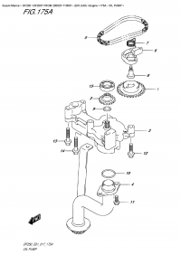
175A  -  Oil  Pump (175A - Масляный насос)

175A - Oil Pump (175A - Масляный насос)

180A  -  Oil  Pan (180A - Масляный поддон)

180A - Oil Pan (180A - Масляный поддон)

204A  -  Clutch Shaft (Df200T  E01) (204A - Сцепление Вал (Df200T E01))

204A - Clutch Shaft (Df200T E01) (204A - Сцепление Вал (Df200T E01))

206A  -  Clutch Rod (Df200T  E01) (206A - Тяга сцепления (Df200T E01))

206A - Clutch Rod (Df200T E01) (206A - Тяга сцепления (Df200T E01))

220A  -  Transmission   (Df200T  E01) (220A - Трансмиссия (Df200T E01))

220A - Transmission (Df200T E01) (220A - Трансмиссия (Df200T E01))

301A  -  Starting Motor (301A - Двигатель электростартера)

301A - Starting Motor (301A - Двигатель электростартера)

303A  -  Magneto (Df200T  E01) (303A - Магнето (Df200T E01))

303A - Magneto (Df200T E01) (303A - Магнето (Df200T E01))

310A  -  Rectifier/ignition  Coil (310A - Выпрямитель / Катушка зажигания)

310A - Rectifier/ignition Coil (310A - Выпрямитель / Катушка зажигания)

315A  -  Sensor (Df200T E01) (315A - Датчик (Df200T E01))

315A - Sensor (Df200T E01) (315A - Датчик (Df200T E01))

315A  -  Sensor (Df200T E01) (315A - Датчик (Df200T E01))

315A - Sensor (Df200T E01) (315A - Датчик (Df200T E01))

315A  -  Sensor (Df200T E01) (315A - Датчик (Df200T E01))

315A - Sensor (Df200T E01) (315A - Датчик (Df200T E01))

322A  -  Harness (Df200T  E01) (322A - Жгут проводов (Df200T E01))

322A - Harness (Df200T E01) (322A - Жгут проводов (Df200T E01))

326A  -  Ptt  Switch/engine    Control  Unit  (Df200T  E01) (326A - Переключатель гидроподъёма / Блок управления двигателем (Df200T E01))

326A - Ptt Switch/engine Control Unit (Df200T E01) (326A - Переключатель гидроподъёма / Блок управления двигателем (Df200T E01))

335C  -  Clamp Bracket  Transom(X,xx)  (Df200T  E01) (335C - Кронштейн транца Transom (X, xx) (Df200T E01))

335C - Clamp Bracket Transom(X,xx) (Df200T E01) (335C - Кронштейн транца Transom (X, xx) (Df200T E01))

336C  -  Swivel Bracket  Transom(X,xx)  (Df200T  E01) (336C - Поворотный кронштейн Transom (X, xx) (Df200T E01))

336C - Swivel Bracket Transom(X,xx) (Df200T E01) (336C - Поворотный кронштейн Transom (X, xx) (Df200T E01))

337C  -  Trim  Cylinder  Transom(X,xx)  (Df200T  E01) (337C - Цилиндр трима Transom (X, xx) (Df200T E01))

337C - Trim Cylinder Transom(X,xx) (Df200T E01) (337C - Цилиндр трима Transom (X, xx) (Df200T E01))

337N  -  Trim  Cylinder  Transom(L)  (Df200T  E01) (337N - Цилиндр трима Transom (L) (Df200T E01))

337N - Trim Cylinder Transom(L) (Df200T E01) (337N - Цилиндр трима Transom (L) (Df200T E01))

340C  -  Ptt  Motor  Transom(X,xx)  (Df200T  E01) (340C - Двигатель гидроподъёма Transom (X, xx) (Df200T E01))

340C - Ptt Motor Transom(X,xx) (Df200T E01) (340C - Двигатель гидроподъёма Transom (X, xx) (Df200T E01))

340N  -  Ptt  Motor  Transom(L)  (Df200T  E01) (340N - Двигатель гидроподъёма Transom (L) (Df200T E01))

340N - Ptt Motor Transom(L) (Df200T E01) (340N - Двигатель гидроподъёма Transom (L) (Df200T E01))

401A  -  Engine Holder (Df200T  E01) (401A - Основание двигателя (Df200T E01))

401A - Engine Holder (Df200T E01) (401A - Основание двигателя (Df200T E01))

405C  -  Drive Shaft Housing  Transom(X,xx)  (Df200T  E01) (405C - Корпус вала передачи Transom (X, xx) (Df200T E01))

405C - Drive Shaft Housing Transom(X,xx) (Df200T E01) (405C - Корпус вала передачи Transom (X, xx) (Df200T E01))

405C  -  Drive Shaft Housing  Transom(X,xx)  (Df200T  E01) (405C - Корпус вала передачи Transom (X, xx) (Df200T E01))

405C - Drive Shaft Housing Transom(X,xx) (Df200T E01) (405C - Корпус вала передачи Transom (X, xx) (Df200T E01))

405N  -  Drive Shaft  Housing  Transom(L)  (Df200T  E01) (405N - Корпус вала передачи Transom (L) (Df200T E01))

405N - Drive Shaft Housing Transom(L) (Df200T E01) (405N - Корпус вала передачи Transom (L) (Df200T E01))

407A  -  Gear Case (Df200T  E01) (407A - Картер коробки передач (Df200T E01))

407A - Gear Case (Df200T E01) (407A - Картер коробки передач (Df200T E01))

410C  -  Side  Cover  Transom(X,xx)  (Df200T  E01) (410C - Боковая крышка Transom (X, xx) (Df200T E01))

410C - Side Cover Transom(X,xx) (Df200T E01) (410C - Боковая крышка Transom (X, xx) (Df200T E01))

410N  -  Side  Cover  Transom(L)  (Df200T  E01) (410N - Боковая крышка Transom (L) (Df200T E01))

410N - Side Cover Transom(L) (Df200T E01) (410N - Боковая крышка Transom (L) (Df200T E01))

420A  -  Engine Cover  (For  Yay)  (Df200T  E01),(Df200Z  E01) (420A - Крышка двигателя (капот) (для моделей черного цвета (матовый)) (Df200T E01), (Df200Z E01))

420A - Engine Cover (For Yay) (Df200T E01),(Df200Z E01) (420A - Крышка двигателя (капот) (для моделей черного цвета (матовый)) (Df200T E01), (Df200Z E01))

420B  -  Engine Cover  (For  Y5S)  (Df200T  E01),(Df200Z  E01) (420B - Крышка двигателя (капот) (для моделей белого цвета) (Df200T E01), (Df200Z E01))

420B - Engine Cover (For Y5S) (Df200T E01),(Df200Z E01) (420B - Крышка двигателя (капот) (для моделей белого цвета) (Df200T E01), (Df200Z E01))

430A - Fuel Hose (430A - Топливный шланг)

430A - Fuel Hose (430A - Топливный шланг)

442A  -  Drag Link (442A - Переключающая тяга)

442A - Drag Link (442A - Переключающая тяга)

460A  -  Meter (460A - Прибор)

460A - Meter (460A - Прибор)

501A  -  Opt:meter (501A - Опции: приборы)

501A - Opt:meter (501A - Опции: приборы)

508A  -  Opt:remote  Control (508A - Опции: дистанционное управление)

508A - Opt:remote Control (508A - Опции: дистанционное управление)

517A  -  Opt:concealed  Remocon  (1) (517A - Опции: дистанционное управление, скрытая установка (1))

517A - Opt:concealed Remocon (1) (517A - Опции: дистанционное управление, скрытая установка (1))

518A  -  Opt:concealed  Remocon  (2) (518A - Опции: дистанционное управление, скрытая установка (2))

518A - Opt:concealed Remocon (2) (518A - Опции: дистанционное управление, скрытая установка (2))

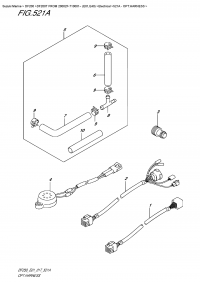
521A  -  Opt:harness (521A - Опции: жгут проводов)

521A - Opt:harness (521A - Опции: жгут проводов)

530A  -  Opt:switch (530A - Опции: переключатели)

530A - Opt:switch (530A - Опции: переключатели)

541A  -  Opt:remote  Control  Assy  Dual  (1) (541A - Опции: дистанционное управление в сборе Dual (1))

541A - Opt:remote Control Assy Dual (1) (541A - Опции: дистанционное управление в сборе Dual (1))

542A  -  Opt:remote  Control  Assy  Dual  (2) (542A - Опции: дистанционное управление в сборе Dual (2))

542A - Opt:remote Control Assy Dual (2) (542A - Опции: дистанционное управление в сборе Dual (2))

544A  -  Opt:remote  Control  Assy  Single  (1) (544A - Дистанционное управление в сборе, одинарное (1))

544A - Opt:remote Control Assy Single (1) (544A - Дистанционное управление в сборе, одинарное (1))

545A  -  Opt:remote  Control  Assy  Single  (2) (545A - Дистанционное управление в сборе, одинарное (2))

545A - Opt:remote Control Assy Single (2) (545A - Дистанционное управление в сборе, одинарное (2))

573A  -  Opt:tie Rod (573A - Опции: tie Тяга)

573A - Opt:tie Rod (573A - Опции: tie Тяга)

585A  -  Opt:gasket  Set (585A - Опции: комплект прокладок)

585A - Opt:gasket Set (585A - Опции: комплект прокладок)

601A  -  Opt:multi  Function  Gauge  (1) (601A - Опции: multi Function Gauge (1))

601A - Opt:multi Function Gauge (1) (601A - Опции: multi Function Gauge (1))

602A  -  Opt:multi  Function  Gauge  (2) (602A - Опции: multi Function Gauge (2))

602A - Opt:multi Function Gauge (2) (602A - Опции: multi Function Gauge (2))




 
 

данный сайт носит информационный характер и не является публичной офертой

склад запчастей для водомоторной техники