вконтакте

Контактный телефон: +7 (981) 121-46-93, +7 (800) 200-90-76 , Email: parts-katalog@yandex.ru, где купить

 
 

  Логин:

Пароль:

Регистрация

www.partskatalog.ru Все каталоги Запчасти Mercury Запчасти Suzuki Запчасти Tohatsu Запчасти Honda Контакты



УВАЖАЕМЫЕ КЛИЕНТЫ!
C 31 ОКТЯБРЯ 2025 ПО 10 НОЯБРЯ 2025 ГОДА РАБОТАТЬ НЕ БУДЕМ




запчастиsuzuki

Узнать наличие и цену запчасти:

Вернуться к началу выбора

Поиск модели по серийному номеру


РЕЖИМЫ ПРОСМОТРА

Все узлы и детали

Двигатель

Трансмиссия

Электрика

Внешние части

Тип двигателя: 4x - тактный

Модель двигателя: Suzuki DF140

Модификация Вашего двигателя:   Suzuki DF-140 ATL / ATX (E11 017)
Двигатели с серийным номером после 14003F-710001
Код модели двигателя: DF140A TL/TX FROM 14003F-710001~ (E11)
Год выпуска двигателя: 2017
Регион: Россия, Европа


Поиск запчастей по коду или названию


   Выберите раздел

найти расходники на лодочные моторы Suzuki

Начните вводить запрос

111A  -  Cylinder Head (111A - Головка блока цилиндра)

111A - Cylinder Head (111A - Головка блока цилиндра)

113A  -  Cylinder Block (113A - Блок цилиндра)

113A - Cylinder Block (113A - Блок цилиндра)

116A  -  Crankshaft (116A - Коленвал)

116A - Crankshaft (116A - Коленвал)

119A  -  Timing Chain (119A - Распределяющая цепь)

119A - Timing Chain (119A - Распределяющая цепь)

121A  -  Camshaft (121A - Распределительный вал)

121A - Camshaft (121A - Распределительный вал)

122A  -  Intake Manifold (122A - Впускной коллектор)

122A - Intake Manifold (122A - Впускной коллектор)

134F  -  Silencer (Df140At  E11) (134F - Глушитель (Df140At E11))

134F - Silencer (Df140At E11) (134F - Глушитель (Df140At E11))

136A  -  Ring Gear  Cover (136A - Крышка механизма маховика)

136A - Ring Gear Cover (136A - Крышка механизма маховика)

143F  -  Fuel Vapor  Separator  (Df140At  E11) (143F - Отделитель паров топлива (Df140At E11))

143F - Fuel Vapor Separator (Df140At E11) (143F - Отделитель паров топлива (Df140At E11))

144F  -  Fuel Injector  (Df140At  E11) (144F - Топливный инжектор (Df140At E11))

144F - Fuel Injector (Df140At E11) (144F - Топливный инжектор (Df140At E11))

146A  -  Fuel Pump (146A - Топливный насос)

146A - Fuel Pump (146A - Топливный насос)

160F  -  Water Pump (Df140At  E11) (160F - Водяной насос (Df140At E11))

160F - Water Pump (Df140At E11) (160F - Водяной насос (Df140At E11))

162F  -  Thermostat (Df140At E11) (162F - Термостат (Df140At E11))

162F - Thermostat (Df140At E11) (162F - Термостат (Df140At E11))

163A  -  Throttle Body (163A - Дроссель газа)

163A - Throttle Body (163A - Дроссель газа)

175A  -  Oil  Pump (175A - Масляный насос)

175A - Oil Pump (175A - Масляный насос)

180F  -  Oil  Pan (Df140At  E11) (180F - Масляный поддон (Df140At E11))

180F - Oil Pan (Df140At E11) (180F - Масляный поддон (Df140At E11))

180F  -  Oil  Pan (Df140At  E11) (180F - Масляный поддон (Df140At E11))

180F - Oil Pan (Df140At E11) (180F - Масляный поддон (Df140At E11))

204A  - Clutch Shaft (204A - Сцепление Вал)

204A - Clutch Shaft (204A - Сцепление Вал)

210F  - Shift Rod (Df140At  E11) (210F - Переключающая тяга (Df140At E11))

210F - Shift Rod (Df140At E11) (210F - Переключающая тяга (Df140At E11))

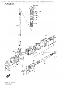
220F  - Transmission  (Df140At  E11) (220F - Трансмиссия (Df140At E11))

220F - Transmission (Df140At E11) (220F - Трансмиссия (Df140At E11))

301A  -  Starting  Motor (301A - Двигатель электростартера)

301A - Starting Motor (301A - Двигатель электростартера)

303A  -  Magneto (303A - Магнето)

303A - Magneto (303A - Магнето)

307A  -  Ignition Coil (307A - Катушка зажигания)

307A - Ignition Coil (307A - Катушка зажигания)

311A  -  Rectifier (311A - Выпрямитель)

311A - Rectifier (311A - Выпрямитель)

311A  -  Rectifier (311A - Выпрямитель)

311A - Rectifier (311A - Выпрямитель)

315F  -  Sensor (Df140At  E11) (315F - Датчик (Df140At E11))

315F - Sensor (Df140At E11) (315F - Датчик (Df140At E11))

315F  -  Sensor (Df140At  E11) (315F - Датчик (Df140At E11))

315F - Sensor (Df140At E11) (315F - Датчик (Df140At E11))

322F  -  Harness  (Df140At  E11) (322F - Жгут проводов (Df140At E11))

322F - Harness (Df140At E11) (322F - Жгут проводов (Df140At E11))

326F  -  Ptt Switch/engine  Control  Unit  (Df140At  E11) (326F - Переключатель гидроподъёма / Блок управления двигателем (Df140At E11))

326F - Ptt Switch/engine Control Unit (Df140At E11) (326F - Переключатель гидроподъёма / Блок управления двигателем (Df140At E11))

331C  -  Key Less Start  (Df140At  E11) (331C - Ключ Less Start (Df140At E11))

331C - Key Less Start (Df140At E11) (331C - Ключ Less Start (Df140At E11))

335F  -  Clamp Bracket  (Df140At  E11) (335F - Кронштейн транца (Df140At E11))

335F - Clamp Bracket (Df140At E11) (335F - Кронштейн транца (Df140At E11))

336F  -  Swivel Bracket  (Df140At  E11) (336F - Поворотный кронштейн (Df140At E11))

336F - Swivel Bracket (Df140At E11) (336F - Поворотный кронштейн (Df140At E11))

337F  -  Trim Cylinder  (Df140At  E11) (337F - Цилиндр трима (Df140At E11))

337F - Trim Cylinder (Df140At E11) (337F - Цилиндр трима (Df140At E11))

337F  -  Trim Cylinder  (Df140At  E11) (337F - Цилиндр трима (Df140At E11))

337F - Trim Cylinder (Df140At E11) (337F - Цилиндр трима (Df140At E11))

340F  -  Ptt Motor  (Df140At  E11) (340F - Двигатель гидроподъёма (Df140At E11))

340F - Ptt Motor (Df140At E11) (340F - Двигатель гидроподъёма (Df140At E11))

340F  -  Ptt  Motor  (Df140At  E11) (340F - Двигатель гидроподъёма (Df140At E11))

340F - Ptt Motor (Df140At E11) (340F - Двигатель гидроподъёма (Df140At E11))

401F  -  Engine Holder  (Df140At  E11) (401F - Основание двигателя (Df140At E11))

401F - Engine Holder (Df140At E11) (401F - Основание двигателя (Df140At E11))

405F  -  Drive Shaft Housing  (Df140At  E11) (405F - Корпус вала передачи (Df140At E11))

405F - Drive Shaft Housing (Df140At E11) (405F - Корпус вала передачи (Df140At E11))

407F  - Gear Case (Df140At E11) (407F - Картер коробки передач (Df140At E11))

407F - Gear Case (Df140At E11) (407F - Картер коробки передач (Df140At E11))

410F  -  Side Cover  (Df140At  E11) (410F - Боковая крышка (Df140At E11))

410F - Side Cover (Df140At E11) (410F - Боковая крышка (Df140At E11))

420F  -  Engine Cover  (Df140At  E11) (420F - Крышка двигателя (капот) (Df140At E11))

420F - Engine Cover (Df140At E11) (420F - Крышка двигателя (капот) (Df140At E11))

432C  -  Fuel Tank  (Df140At  E40) (432C - Топливный бак (Df140At E40))

432C - Fuel Tank (Df140At E40) (432C - Топливный бак (Df140At E40))

460F  -  Meter (Df140At  E11) (460F - Прибор (Df140At E11))

460F - Meter (Df140At E11) (460F - Прибор (Df140At E11))

475D - Squeeze Pump (Df140At E11) (475D - Ручная сжимная помпа (Df140At E11))

475D - Squeeze Pump (Df140At E11) (475D - Ручная сжимная помпа (Df140At E11))

501F  -  Opt:meter (Df140At E11) (501F - Опции: приборы (Df140At E11))

501F - Opt:meter (Df140At E11) (501F - Опции: приборы (Df140At E11))

507A  -  Opt:water Pressure  Gauge  Sub  Kit (507A - Опции: Комплект прибора изменения давления воды)

507A - Opt:water Pressure Gauge Sub Kit (507A - Опции: Комплект прибора изменения давления воды)

507A  -  Opt:water   Pressure  Gauge  Sub  Kit (507A - Опции: Комплект прибора изменения давления воды)

507A - Opt:water Pressure Gauge Sub Kit (507A - Опции: Комплект прибора изменения давления воды)

509D  -  Opt:remote  Control  (1)  (Df140At  E11) (509D - Опции: дистанционное управление (1) (Df140At E11))

509D - Opt:remote Control (1) (Df140At E11) (509D - Опции: дистанционное управление (1) (Df140At E11))

510F  -  Opt:remote  Control  (2)  (Df140At  E11) (510F - Опции: дистанционное управление (2) (Df140At E11))

510F - Opt:remote Control (2) (Df140At E11) (510F - Опции: дистанционное управление (2) (Df140At E11))

517A  -  Opt:concealed  Remocon  (1) (517A - Опции: дистанционное управление, скрытая установка (1))

517A - Opt:concealed Remocon (1) (517A - Опции: дистанционное управление, скрытая установка (1))

518A  -  Opt:concealed  Remocon  (2) (518A - Опции: дистанционное управление, скрытая установка (2))

518A - Opt:concealed Remocon (2) (518A - Опции: дистанционное управление, скрытая установка (2))

519A  -  Opt:remote  Control  Spacer (519A - Опции: дистанционное управление Проставка)

519A - Opt:remote Control Spacer (519A - Опции: дистанционное управление Проставка)

521A  -  Opt:harness (521A - Опции: жгут проводов)

521A - Opt:harness (521A - Опции: жгут проводов)

530A  -  Opt:switch (530A - Опции: переключатели)

530A - Opt:switch (530A - Опции: переключатели)

535D  -  Opt:key Less  Start  (Df140At  E11) (535D - Опции: Ключ Less Start (Df140At E11))

535D - Opt:key Less Start (Df140At E11) (535D - Опции: Ключ Less Start (Df140At E11))

541A  -  Opt:remote  Control  Assy  Dual  (1) (541A - Опции: дистанционное управление в сборе Dual (1))

541A - Opt:remote Control Assy Dual (1) (541A - Опции: дистанционное управление в сборе Dual (1))

542A  -  Opt:remote  Control  Assy  Dual  (2) (542A - Опции: дистанционное управление в сборе Dual (2))

542A - Opt:remote Control Assy Dual (2) (542A - Опции: дистанционное управление в сборе Dual (2))

544A  -  Opt:remote  Control  Assy  Single  (1) (544A - Дистанционное управление в сборе, одинарное (1))

544A - Opt:remote Control Assy Single (1) (544A - Дистанционное управление в сборе, одинарное (1))

545A  -  Opt:remote  Control  Assy  Single  (2) (545A - Дистанционное управление в сборе, одинарное (2))

545A - Opt:remote Control Assy Single (2) (545A - Дистанционное управление в сборе, одинарное (2))

585A  -  Opt:gasket  Set (585A - Опции: комплект прокладок)

585A - Opt:gasket Set (585A - Опции: комплект прокладок)

601A  -  Opt:multi  Function  Gauge  (1) (601A - Опции: multi Function Gauge (1))

601A - Opt:multi Function Gauge (1) (601A - Опции: multi Function Gauge (1))

602A  -  Opt:multi  Function  Gauge  (2) (602A - Опции: multi Function Gauge (2))

602A - Opt:multi Function Gauge (2) (602A - Опции: multi Function Gauge (2))




 
 

данный сайт носит информационный характер и не является публичной офертой

склад запчастей для водомоторной техники