вконтакте

Контактный телефон: +7 (981) 121-46-93, +7 (800) 200-90-76 , Email: parts-katalog@yandex.ru, где купить

 
 

  Логин:

Пароль:

Регистрация

www.partskatalog.ru Все каталоги Запчасти Mercury Запчасти Suzuki Запчасти Tohatsu Запчасти Honda Контакты



УВАЖАЕМЫЕ КЛИЕНТЫ!
C 19 ДЕКАБРЯ 2025 ПО 02 МАРТА 2026 ГОДА ОТДЕЛ ЗАПЧАСТЕЙ И СЕРВИС РАБОТАТЬ НЕ БУДУТ
ПРОДАЖА ЛОДОЧНЫХ МОТОРОВ В ШТАТНОМ РЕЖИМЕ
ОБ ИЗМЕНЕНИЯХ В ГРАФИКЕ РАБОТЫ ЧИТАЙТЕ НА САЙТА




запчастиsuzuki

Узнать наличие и цену запчасти:

Вернуться к началу выбора

Поиск модели по серийному номеру


РЕЖИМЫ ПРОСМОТРА

Все узлы и детали

Двигатель

Трансмиссия

Электрика

Внешние части

Тип двигателя: 4x - тактный

Модель двигателя: Suzuki DF250

Модификация Вашего двигателя:   Suzuki DF-250 ZX / ZXX (E01)
Двигатели с серийным номером после 25003Z-710001
Код модели двигателя: DF250Z X / XX FROM 25003Z-710001~ (E01,E40)
Год выпуска двигателя: 2017
Регион: Регион E01 (Россия, Европа)


Поиск запчастей по коду или названию


   Выберите раздел

найти расходники на лодочные моторы Suzuki

Начните вводить запрос

111L  -  Cylinder Head  (Df250Z  E01) (111L - Головка блока цилиндра (Df250Z E01))

111L - Cylinder Head (Df250Z E01) (111L - Головка блока цилиндра (Df250Z E01))

113A  -  Cylinder Block (113A - Блок цилиндра)

113A - Cylinder Block (113A - Блок цилиндра)

116A  -  Crankshaft (116A - Коленвал)

116A - Crankshaft (116A - Коленвал)

119A  -  Timing Chain (119A - Распределяющая цепь)

119A - Timing Chain (119A - Распределяющая цепь)

121L  -  Camshaft (Df250Z  E01) (121L - Распределительный вал (Df250Z E01))

121L - Camshaft (Df250Z E01) (121L - Распределительный вал (Df250Z E01))

122A  -  Intake Manifold (122A - Впускной коллектор)

122A - Intake Manifold (122A - Впускной коллектор)

134A  -  Silencer (134A - Глушитель)

134A - Silencer (134A - Глушитель)

136A  -  Ring  Gear Cover (136A - Крышка механизма маховика)

136A - Ring Gear Cover (136A - Крышка механизма маховика)

140A  -  Exhaust Cover (140A - Кожух выхлопной трубы)

140A - Exhaust Cover (140A - Кожух выхлопной трубы)

144L  -  Fuel  Injector  (Df250Z  E01) (144L - Топливный инжектор (Df250Z E01))

144L - Fuel Injector (Df250Z E01) (144L - Топливный инжектор (Df250Z E01))

147L  -  Fuel  Pump/fuel  Vapor  Separator  (Df250Z  E01) (147L - Топливный насос / Отделитель паров топлива (Df250Z E01))

147L - Fuel Pump/fuel Vapor Separator (Df250Z E01) (147L - Топливный насос / Отделитель паров топлива (Df250Z E01))

160L  -  Water Pump (Df250Z  E01) (160L - Водяной насос (Df250Z E01))

160L - Water Pump (Df250Z E01) (160L - Водяной насос (Df250Z E01))

162A  -  Thermostat (162A - Термостат)

162A - Thermostat (162A - Термостат)

163L  -  Throttle Body  (Df250Z  E01) (163L - Дроссель газа (Df250Z E01))

163L - Throttle Body (Df250Z E01) (163L - Дроссель газа (Df250Z E01))

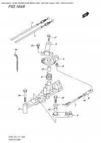
164A  -  Throttle Rod (164A - Тяга дросселя)

164A - Throttle Rod (164A - Тяга дросселя)

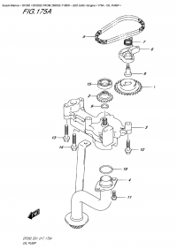
175A  -  Oil  Pump (175A - Масляный насос)

175A - Oil Pump (175A - Масляный насос)

180A  -  Oil  Pan (180A - Масляный поддон)

180A - Oil Pan (180A - Масляный поддон)

204L  -  Clutch  Shaft  (Df250Z  E01) (204L - Сцепление Вал (Df250Z E01))

204L - Clutch Shaft (Df250Z E01) (204L - Сцепление Вал (Df250Z E01))

206L  -  Clutch Rod (Df250Z  E01) (206L - Тяга сцепления (Df250Z E01))

206L - Clutch Rod (Df250Z E01) (206L - Тяга сцепления (Df250Z E01))

220L  -  Transmission (Df250Z  E01) (220L - Трансмиссия (Df250Z E01))

220L - Transmission (Df250Z E01) (220L - Трансмиссия (Df250Z E01))

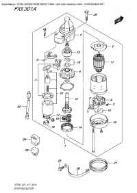
301A  -  Starting Motor (301A - Двигатель электростартера)

301A - Starting Motor (301A - Двигатель электростартера)

303L  -  Magneto (Df250Z  E01) (303L - Магнето (Df250Z E01))

303L - Magneto (Df250Z E01) (303L - Магнето (Df250Z E01))

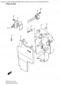
310A  -  Rectifier/ignition  Coil (310A - Выпрямитель / Катушка зажигания)

310A - Rectifier/ignition Coil (310A - Выпрямитель / Катушка зажигания)

315L  -  Sensor (Df250Z E01) (315L - Датчик (Df250Z E01))

315L - Sensor (Df250Z E01) (315L - Датчик (Df250Z E01))

315L  -  Sensor (Df250Z E01) (315L - Датчик (Df250Z E01))

315L - Sensor (Df250Z E01) (315L - Датчик (Df250Z E01))

322L  -  Harness (Df250Z  E01) (322L - Жгут проводов (Df250Z E01))

322L - Harness (Df250Z E01) (322L - Жгут проводов (Df250Z E01))

326L  -  Ptt  Switch/engine  Control  Unit  (Df250Z  E01) (326L - Переключатель гидроподъёма / Блок управления двигателем (Df250Z E01))

326L - Ptt Switch/engine Control Unit (Df250Z E01) (326L - Переключатель гидроподъёма / Блок управления двигателем (Df250Z E01))

335L  -  Clamp Bracket  Transom(X,xx)  (Df250Z  E01) (335L - Кронштейн транца Transom (X, xx) (Df250Z E01))

335L - Clamp Bracket Transom(X,xx) (Df250Z E01) (335L - Кронштейн транца Transom (X, xx) (Df250Z E01))

336L  -  Swivel Bracket  Transom(X,xx)  (Df250Z  E01) (336L - Поворотный кронштейн Transom (X, xx) (Df250Z E01))

336L - Swivel Bracket Transom(X,xx) (Df250Z E01) (336L - Поворотный кронштейн Transom (X, xx) (Df250Z E01))

337L  -  Trim  Cylinder  Transom(X,xx)  (Df250Z  E01) (337L - Цилиндр трима Transom (X, xx) (Df250Z E01))

337L - Trim Cylinder Transom(X,xx) (Df250Z E01) (337L - Цилиндр трима Transom (X, xx) (Df250Z E01))

340L  -  Ptt  Motor  Transom(X,xx)  (Df250Z  E01) (340L - Двигатель гидроподъёма Transom (X, xx) (Df250Z E01))

340L - Ptt Motor Transom(X,xx) (Df250Z E01) (340L - Двигатель гидроподъёма Transom (X, xx) (Df250Z E01))

401L  -  Engine Holder  (Df250Z  E01) (401L - Основание двигателя (Df250Z E01))

401L - Engine Holder (Df250Z E01) (401L - Основание двигателя (Df250Z E01))

405L  -  Drive Shaft Housing  Transom(X,xx)  (Df250Z  E01) (405L - Корпус вала передачи Transom (X, xx) (Df250Z E01))

405L - Drive Shaft Housing Transom(X,xx) (Df250Z E01) (405L - Корпус вала передачи Transom (X, xx) (Df250Z E01))

405L  -  Drive Shaft Housing  Transom(X,xx)  (Df250Z  E01) (405L - Корпус вала передачи Transom (X, xx) (Df250Z E01))

405L - Drive Shaft Housing Transom(X,xx) (Df250Z E01) (405L - Корпус вала передачи Transom (X, xx) (Df250Z E01))

407L  -  Gear Case (Df250Z  E01) (407L - Картер коробки передач (Df250Z E01))

407L - Gear Case (Df250Z E01) (407L - Картер коробки передач (Df250Z E01))

410L  -  Side  Cover  Transom(X,xx)  (Df250Z  E01) (410L - Боковая крышка Transom (X, xx) (Df250Z E01))

410L - Side Cover Transom(X,xx) (Df250Z E01) (410L - Боковая крышка Transom (X, xx) (Df250Z E01))

420J  -  Engine Cover  (For  Yay)  (Df250T  E01),(Df250Z  E01) (420J - Крышка двигателя (капот) (для моделей черного цвета (матовый)) (Df250T E01), (Df250Z E01))

420J - Engine Cover (For Yay) (Df250T E01),(Df250Z E01) (420J - Крышка двигателя (капот) (для моделей черного цвета (матовый)) (Df250T E01), (Df250Z E01))

420K  -  Engine Cover  (For  Y5S)  (Df250T  E01),(Df250Z  E01) (420K - Крышка двигателя (капот) (для моделей белого цвета) (Df250T E01), (Df250Z E01))

420K - Engine Cover (For Y5S) (Df250T E01),(Df250Z E01) (420K - Крышка двигателя (капот) (для моделей белого цвета) (Df250T E01), (Df250Z E01))

430A - Fuel Hose (430A - Топливный шланг)

430A - Fuel Hose (430A - Топливный шланг)

442A  -  Drag Link (442A - Переключающая тяга)

442A - Drag Link (442A - Переключающая тяга)

460A  -  Meter (460A - Прибор)

460A - Meter (460A - Прибор)

501A  -  Opt:meter (501A - Опции: приборы)

501A - Opt:meter (501A - Опции: приборы)

508A  -  Opt:remote  Control (508A - Опции: дистанционное управление)

508A - Opt:remote Control (508A - Опции: дистанционное управление)

517A  -  Opt:concealed  Remocon  (1) (517A - Опции: дистанционное управление, скрытая установка (1))

517A - Opt:concealed Remocon (1) (517A - Опции: дистанционное управление, скрытая установка (1))

518A  -  Opt:concealed  Remocon  (2) (518A - Опции: дистанционное управление, скрытая установка (2))

518A - Opt:concealed Remocon (2) (518A - Опции: дистанционное управление, скрытая установка (2))

521A  -  Opt:harness (521A - Опции: жгут проводов)

521A - Opt:harness (521A - Опции: жгут проводов)

530A  -  Opt:switch (530A - Опции: переключатели)

530A - Opt:switch (530A - Опции: переключатели)

541A  -  Opt:remote  Control  Assy  Dual  (1) (541A - Опции: дистанционное управление в сборе Dual (1))

541A - Opt:remote Control Assy Dual (1) (541A - Опции: дистанционное управление в сборе Dual (1))

542A  -  Opt:remote  Control  Assy  Dual  (2) (542A - Опции: дистанционное управление в сборе Dual (2))

542A - Opt:remote Control Assy Dual (2) (542A - Опции: дистанционное управление в сборе Dual (2))

544A  -  Opt:remote  Control  Assy  Single  (1) (544A - Дистанционное управление в сборе, одинарное (1))

544A - Opt:remote Control Assy Single (1) (544A - Дистанционное управление в сборе, одинарное (1))

545A  -  Opt:remote  Control  Assy  Single  (2) (545A - Дистанционное управление в сборе, одинарное (2))

545A - Opt:remote Control Assy Single (2) (545A - Дистанционное управление в сборе, одинарное (2))

573A  -  Opt:tie Rod (573A - Опции: tie Тяга)

573A - Opt:tie Rod (573A - Опции: tie Тяга)

585A  -  Opt:gasket  Set (585A - Опции: комплект прокладок)

585A - Opt:gasket Set (585A - Опции: комплект прокладок)

601A  -  Opt:multi  Function  Gauge  (1) (601A - Опции: multi Function Gauge (1))

601A - Opt:multi Function Gauge (1) (601A - Опции: multi Function Gauge (1))

602A  -  Opt:multi  Function  Gauge  (2) (602A - Опции: multi Function Gauge (2))

602A - Opt:multi Function Gauge (2) (602A - Опции: multi Function Gauge (2))




 
 

данный сайт носит информационный характер и не является публичной офертой

склад запчастей для водомоторной техники