вконтакте

Контактный телефон: +7 (981) 121-46-93, +7 (800) 200-90-76 , Email: parts-katalog@yandex.ru, где купить

 
 

  Логин:

Пароль:

Регистрация

www.partskatalog.ru Все каталоги Запчасти Mercury Запчасти Suzuki Запчасти Tohatsu Запчасти Honda Контакты



УВАЖАЕМЫЕ КЛИЕНТЫ!
C 31 ОКТЯБРЯ 2025 ПО 10 НОЯБРЯ 2025 ГОДА РАБОТАТЬ НЕ БУДЕМ




запчастиsuzuki

Узнать наличие и цену запчасти:

Вернуться к началу выбора

Поиск модели по серийному номеру


РЕЖИМЫ ПРОСМОТРА

Все узлы и детали

Двигатель

Трансмиссия

Электрика

Внешние части

Тип двигателя: 2x - тактный

Модель двигателя: Suzuki DT30

Модификация Вашего двигателя:   Suzuki DT30 ES / EL (P40)
Двигатели с серийным номером после 03005-710001
Код модели двигателя: DT30E S/L FROM 03005-710001~ (P40)
Год выпуска двигателя: 2017
Регион: Регион P40 (Россия)


Поиск запчастей по коду или названию


   Выберите раздел

найти расходники на лодочные моторы Suzuki

Начните вводить запрос

112B  -  Cylinder (Dt30  P40) (112B - Цилиндр (Dt30 P40))

112B - Cylinder (Dt30 P40) (112B - Цилиндр (Dt30 P40))

116B  -  Crankshaft (Dt30  P40) (116B - Коленвал (Dt30 P40))

116B - Crankshaft (Dt30 P40) (116B - Коленвал (Dt30 P40))

125B  -  Inlet  Case (Dt30  P40) (125B - вход Case (Dt30 P40))

125B - Inlet Case (Dt30 P40) (125B - вход Case (Dt30 P40))

128B  -  Carburetor (Dt30  P40) (128B - Карбюратор (Dt30 P40))

128B - Carburetor (Dt30 P40) (128B - Карбюратор (Dt30 P40))

130B  -  Oil  Seal Housing  (Dt30 P40) (130B - Корпус сальника (Dt30 P40))

130B - Oil Seal Housing (Dt30 P40) (130B - Корпус сальника (Dt30 P40))

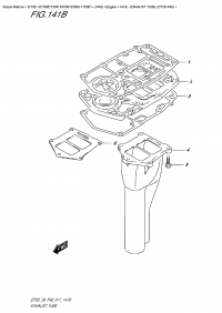
141B  -  Exhaust Tube (Dt30  P40) (141B - Выхлоп Трубка (Dt30 P40))

141B - Exhaust Tube (Dt30 P40) (141B - Выхлоп Трубка (Dt30 P40))

146B  -  Fuel  Pump (Dt30  P40) (146B - Топливный насос (Dt30 P40))

146B - Fuel Pump (Dt30 P40) (146B - Топливный насос (Dt30 P40))

160C  -  Water  Pump (Dt30 P40)  (Up  To  Vin.712192) (160C - Водяной насос (Dt30 P40) (выше To Vin.712192))

160C - Water Pump (Dt30 P40) (Up To Vin.712192) (160C - Водяной насос (Dt30 P40) (выше To Vin.712192))

160D  -  Water  Pump (Dt30 P40)  (From  Vin.712193) (160D - Водяной насос (Dt30 P40) (From Vin.712193))

160D - Water Pump (Dt30 P40) (From Vin.712193) (160D - Водяной насос (Dt30 P40) (From Vin.712193))

166B  -  Throttle Control  (Dt30  P40) (166B - Управление дросселем (Dt30 P40))

166B - Throttle Control (Dt30 P40) (166B - Управление дросселем (Dt30 P40))

167B  -  Recoil  Starter (Dt30 P40) (167B - Барабанный стартер (Dt30 P40))

167B - Recoil Starter (Dt30 P40) (167B - Барабанный стартер (Dt30 P40))

167C  -  Recoil Starter (Dt30R  P40) (167C - Барабанный стартер (Dt30R P40))

167C - Recoil Starter (Dt30R P40) (167C - Барабанный стартер (Dt30R P40))

201C  -  Clutch (Dt30 P40)  (Up  To  Vin.712192) (201C - Сцепление (Dt30 P40) (выше To Vin.712192))

201C - Clutch (Dt30 P40) (Up To Vin.712192) (201C - Сцепление (Dt30 P40) (выше To Vin.712192))

201D  -  Clutch (Dt30 P40)  (From  Vin.712193) (201D - Сцепление (Dt30 P40) (From Vin.712193))

201D - Clutch (Dt30 P40) (From Vin.712193) (201D - Сцепление (Dt30 P40) (From Vin.712193))

220C  -  Transmission (Dt30  P40)  (Up  To  Vin.712192) (220C - Трансмиссия (Dt30 P40) (выше To Vin.712192))

220C - Transmission (Dt30 P40) (Up To Vin.712192) (220C - Трансмиссия (Dt30 P40) (выше To Vin.712192))

220D  -  Transmission (Dt30  P40)  (From  Vin.712193) (220D - Трансмиссия (Dt30 P40) (From Vin.712193))

220D - Transmission (Dt30 P40) (From Vin.712193) (220D - Трансмиссия (Dt30 P40) (From Vin.712193))

301A  -  Starting Motor  (Electric  Starter)  (Dt30  P40) (301A - Двигатель электростартера (Электростартер) (Dt30 P40))

301A - Starting Motor (Electric Starter) (Dt30 P40) (301A - Двигатель электростартера (Электростартер) (Dt30 P40))

303B  -  Magneto (Dt30 P40) (303B - Магнето (Dt30 P40))

303B - Magneto (Dt30 P40) (303B - Магнето (Dt30 P40))

308B  -  Ignition (Dt30 P40) (308B - Ignition (Dt30 P40))

308B - Ignition (Dt30 P40) (308B - Ignition (Dt30 P40))

322B  -  Harness (Dt30 P40) (322B - Жгут проводов (Dt30 P40))

322B - Harness (Dt30 P40) (322B - Жгут проводов (Dt30 P40))

324B  -  Switch (Dt30 P40) (324B - Переключатель (Dt30 P40))

324B - Switch (Dt30 P40) (324B - Переключатель (Dt30 P40))

335A  -  Clamp  Bracket (335A - Кронштейн транца)

335A - Clamp Bracket (335A - Кронштейн транца)

336B  -  Swivel Bracket  (Dt30  P40) (336B - Поворотный кронштейн (Dt30 P40))

336B - Swivel Bracket (Dt30 P40) (336B - Поворотный кронштейн (Dt30 P40))

405C  -  Drive  Shaft Housing  (Dt30  P40)  (Up  To  Vin.712192) (405C - Корпус вала передачи (Dt30 P40) (выше To Vin.712192))

405C - Drive Shaft Housing (Dt30 P40) (Up To Vin.712192) (405C - Корпус вала передачи (Dt30 P40) (выше To Vin.712192))

405D  -  Drive  Shaft Housing  (Dt30  P40)  (From  Vin.712193) (405D - Корпус вала передачи (Dt30 P40) (From Vin.712193))

405D - Drive Shaft Housing (Dt30 P40) (From Vin.712193) (405D - Корпус вала передачи (Dt30 P40) (From Vin.712193))

407A  -  Gear Case  (Dt25  Up  To  Vin.710331)  (Dt30  Up  To  Vin.712192) (407A - Картер коробки передач (Dt25 выше To Vin.710331) (Dt30 выше To Vin.712192))

407A - Gear Case (Dt25 Up To Vin.710331) (Dt30 Up To Vin.712192) (407A - Картер коробки передач (Dt25 выше To Vin.710331) (Dt30 выше To Vin.712192))

407B  -  Gear Case  (Dt25 From  Vin.710332)  (Dt30  From  Vin.712193) (407B - Картер коробки передач (Dt25 From Vin.710332) (Dt30 From Vin.712193))

407B - Gear Case (Dt25 From Vin.710332) (Dt30 From Vin.712193) (407B - Картер коробки передач (Dt25 From Vin.710332) (Dt30 From Vin.712193))

413B  -  Under  Cover (Dt30 P40) (413B - Нижняя часть корпуса (Dt30 P40))

413B - Under Cover (Dt30 P40) (413B - Нижняя часть корпуса (Dt30 P40))

420B  -  Engine Cover (Dt30 P40) (420B - Крышка двигателя (капот) (Dt30 P40))

420B - Engine Cover (Dt30 P40) (420B - Крышка двигателя (капот) (Dt30 P40))

432C  -  Fuel  Tank (Resin,  25L)  (Dt30  P40) (432C - Топливный бак (Resin, 25L) (Dt30 P40))

432C - Fuel Tank (Resin, 25L) (Dt30 P40) (432C - Топливный бак (Resin, 25L) (Dt30 P40))

444B  -  Tiller  Handle  (Dt30  P40) (444B - Румпель (Dt30 P40))

444B - Tiller Handle (Dt30 P40) (444B - Румпель (Dt30 P40))

501A  -  Opt:meter (Electric Starter)  (Dt30  P40) (501A - Опции: контрольные приборы на модели с электростартером (Dt30 P40))

501A - Opt:meter (Electric Starter) (Dt30 P40) (501A - Опции: контрольные приборы на модели с электростартером (Dt30 P40))

508A  -  Opt:remote Control  (W/ignition  Switch) (508A - Опции: дистанционное управление (W / ignition Переключатель))

508A - Opt:remote Control (W/ignition Switch) (508A - Опции: дистанционное управление (W / ignition Переключатель))

508B  -  Opt:remote Control  (N/ignition  Switch) (508B - Опции: дистанционное управление (N / ignition Переключатель))

508B - Opt:remote Control (N/ignition Switch) (508B - Опции: дистанционное управление (N / ignition Переключатель))

514A  -  Opt:remocon  Parts  Set (514A - Опции: установочный комплект ДУ)

514A - Opt:remocon Parts Set (514A - Опции: установочный комплект ДУ)

533A  -  Opt:switch  Panel  (Electric  Starter)  (Dt30  P40) (533A - Опции: переключатели на модели с электростартером (Dt30 P40))

533A - Opt:switch Panel (Electric Starter) (Dt30 P40) (533A - Опции: переключатели на модели с электростартером (Dt30 P40))

554A  -  Opt:electrical  (Electric  Starter)  (Dt30  P40) (554A - Опции: электрика на модели с электростартером (Dt30 P40))

554A - Opt:electrical (Electric Starter) (Dt30 P40) (554A - Опции: электрика на модели с электростартером (Dt30 P40))

575A  -  Opt:drag Link (575A - Опции: рулевая тяга)

575A - Opt:drag Link (575A - Опции: рулевая тяга)

580B  -  Opt:regulator (Dt30 P40) (580B - Опции: Регулятор (Dt30 P40))

580B - Opt:regulator (Dt30 P40) (580B - Опции: Регулятор (Dt30 P40))




 
 

данный сайт носит информационный характер и не является публичной офертой

склад запчастей для водомоторной техники