вконтакте

Контактный телефон: +7 (981) 121-46-93, +7 (800) 200-90-76 , Email: parts-katalog@yandex.ru, где купить

 
 

  Логин:

Пароль:

Регистрация

www.partskatalog.ru Все каталоги Запчасти Mercury Запчасти Suzuki Запчасти Tohatsu Запчасти Honda Контакты



УВАЖАЕМЫЕ КЛИЕНТЫ!
C 19 ДЕКАБРЯ 2025 ПО 02 МАРТА 2026 ГОДА ОТДЕЛ ЗАПЧАСТЕЙ И СЕРВИС РАБОТАТЬ НЕ БУДУТ
ПРОДАЖА ЛОДОЧНЫХ МОТОРОВ В ШТАТНОМ РЕЖИМЕ
ОБ ИЗМЕНЕНИЯХ В ГРАФИКЕ РАБОТЫ ЧИТАЙТЕ НА САЙТА




запчастиsuzuki

Узнать наличие и цену запчасти:

Вернуться к началу выбора

Поиск модели по серийному номеру


РЕЖИМЫ ПРОСМОТРА

Все узлы и детали

Двигатель

Трансмиссия

Электрика

Внешние части

Тип двигателя: 2x - тактный

Модель двигателя: Suzuki DT30

Модификация Вашего двигателя:   Suzuki DT30 RS / RL (P40)
Двигатели с серийным номером после 03005-710001
Код модели двигателя: DT30R S/L FROM 03005-710001~ (P40)
Год выпуска двигателя: 2017
Регион: Регион P40 (Россия)


Поиск запчастей по коду или названию


   Выберите раздел

найти расходники на лодочные моторы Suzuki

Начните вводить запрос

112C  -  Cylinder (Dt30R  P40) (112C - Цилиндр (Dt30R P40))

112C - Cylinder (Dt30R P40) (112C - Цилиндр (Dt30R P40))

116C  -  Crankshaft (Dt30R  P40) (116C - Коленвал (Dt30R P40))

116C - Crankshaft (Dt30R P40) (116C - Коленвал (Dt30R P40))

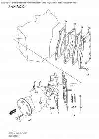
125C  -  Inlet  Case (Dt30R  P40) (125C - вход Case (Dt30R P40))

125C - Inlet Case (Dt30R P40) (125C - вход Case (Dt30R P40))

128C  -  Carburetor (Dt30R  P40) (128C - Карбюратор (Dt30R P40))

128C - Carburetor (Dt30R P40) (128C - Карбюратор (Dt30R P40))

130C  -  Oil  Seal Housing  (Dt30R  P40) (130C - Корпус сальника (Dt30R P40))

130C - Oil Seal Housing (Dt30R P40) (130C - Корпус сальника (Dt30R P40))

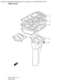
141C  -  Exhaust Tube (Dt30R  P40) (141C - Выхлоп Трубка (Dt30R P40))

141C - Exhaust Tube (Dt30R P40) (141C - Выхлоп Трубка (Dt30R P40))

146C  -  Fuel  Pump (Dt30R  P40) (146C - Топливный насос (Dt30R P40))

146C - Fuel Pump (Dt30R P40) (146C - Топливный насос (Dt30R P40))

160E  -  Water  Pump (Dt30R P40)  (Up  To  Vin.712192) (160E - Водяной насос (Dt30R P40) (выше To Vin.712192))

160E - Water Pump (Dt30R P40) (Up To Vin.712192) (160E - Водяной насос (Dt30R P40) (выше To Vin.712192))

160F  -  Water  Pump (Dt30R P40)  (From  Vin.712193) (160F - Водяной насос (Dt30R P40) (From Vin.712193))

160F - Water Pump (Dt30R P40) (From Vin.712193) (160F - Водяной насос (Dt30R P40) (From Vin.712193))

166C  -  Throttle Control  (Dt30R  P40) (166C - Управление дросселем (Dt30R P40))

166C - Throttle Control (Dt30R P40) (166C - Управление дросселем (Dt30R P40))

167C  -  Recoil  Starter (Dt30R     P40) (167C - Барабанный стартер (Dt30R  P40))

167C - Recoil Starter (Dt30R P40) (167C - Барабанный стартер (Dt30R P40))

167C  -  Recoil Starter (Dt30R  P40) (167C - Барабанный стартер (Dt30R P40))

167C - Recoil Starter (Dt30R P40) (167C - Барабанный стартер (Dt30R P40))

201E  -  Clutch (Dt30R  P40)  (Up  To  Vin.712192) (201E - Сцепление (Dt30R P40) (выше To Vin.712192))

201E - Clutch (Dt30R P40) (Up To Vin.712192) (201E - Сцепление (Dt30R P40) (выше To Vin.712192))

201F  -  Clutch (Dt30R  P40)  (From  Vin.712193) (201F - Сцепление (Dt30R P40) (From Vin.712193))

201F - Clutch (Dt30R P40) (From Vin.712193) (201F - Сцепление (Dt30R P40) (From Vin.712193))

220E  -  Transmission (Dt30R  P40)  (Up  To  Vin.712192) (220E - Трансмиссия (Dt30R P40) (выше To Vin.712192))

220E - Transmission (Dt30R P40) (Up To Vin.712192) (220E - Трансмиссия (Dt30R P40) (выше To Vin.712192))

220F  -  Transmission (Dt30R  P40)  (From  Vin.712193) (220F - Трансмиссия (Dt30R P40) (From Vin.712193))

220F - Transmission (Dt30R P40) (From Vin.712193) (220F - Трансмиссия (Dt30R P40) (From Vin.712193))

301B  -  Starting Motor  (Dt30R  P40) (301B - Двигатель электростартера (Dt30R P40))

301B - Starting Motor (Dt30R P40) (301B - Двигатель электростартера (Dt30R P40))

303C  -  Magneto (Dt30R  P40) (303C - Магнето (Dt30R P40))

303C - Magneto (Dt30R P40) (303C - Магнето (Dt30R P40))

308C  -  Ignition (Dt30R  P40) (308C - Ignition (Dt30R P40))

308C - Ignition (Dt30R P40) (308C - Ignition (Dt30R P40))

322C  -  Harness (Dt30R  P40) (322C - Жгут проводов (Dt30R P40))

322C - Harness (Dt30R P40) (322C - Жгут проводов (Dt30R P40))

324C  -  Switch (Dt30R  P40) (324C - Переключатель (Dt30R P40))

324C - Switch (Dt30R P40) (324C - Переключатель (Dt30R P40))

335A  -  Clamp  Bracket (335A - Кронштейн транца)

335A - Clamp Bracket (335A - Кронштейн транца)

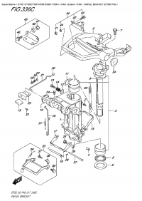
336C  -  Swivel Bracket  (Dt30R  P40) (336C - Поворотный кронштейн (Dt30R P40))

336C - Swivel Bracket (Dt30R P40) (336C - Поворотный кронштейн (Dt30R P40))

405E  -  Drive  Shaft Housing  (Dt30R  P40)  (Up  To  Vin.712192) (405E - Корпус вала передачи (Dt30R P40) (выше To Vin.712192))

405E - Drive Shaft Housing (Dt30R P40) (Up To Vin.712192) (405E - Корпус вала передачи (Dt30R P40) (выше To Vin.712192))

405F  -  Drive  Shaft Housing  (Dt30R  P40)  (From  Vin.712193) (405F - Корпус вала передачи (Dt30R P40) (From Vin.712193))

405F - Drive Shaft Housing (Dt30R P40) (From Vin.712193) (405F - Корпус вала передачи (Dt30R P40) (From Vin.712193))

407A  -  Gear Case  (Dt25  Up  To  Vin.710331)  (Dt30  Up  To  Vin.712192) (407A - Картер коробки передач (Dt25 выше To Vin.710331) (Dt30 выше To Vin.712192))

407A - Gear Case (Dt25 Up To Vin.710331) (Dt30 Up To Vin.712192) (407A - Картер коробки передач (Dt25 выше To Vin.710331) (Dt30 выше To Vin.712192))

407B  -  Gear Case  (Dt25 From  Vin.710332)  (Dt30  From  Vin.712193) (407B - Картер коробки передач (Dt25 From Vin.710332) (Dt30 From Vin.712193))

407B - Gear Case (Dt25 From Vin.710332) (Dt30 From Vin.712193) (407B - Картер коробки передач (Dt25 From Vin.710332) (Dt30 From Vin.712193))

413C  -  Under Cover (Dt30R  P40) (413C - Нижняя часть корпуса (Dt30R P40))

413C - Under Cover (Dt30R P40) (413C - Нижняя часть корпуса (Dt30R P40))

420C  -  Engine Cover (Dt30R  P40) (420C - Крышка двигателя (капот) (Dt30R P40))

420C - Engine Cover (Dt30R P40) (420C - Крышка двигателя (капот) (Dt30R P40))

432D  -  Fuel  Tank (Resin,  25L)  (Dt30R  P40) (432D - Топливный бак (Resin, 25L) (Dt30R P40))

432D - Fuel Tank (Resin, 25L) (Dt30R P40) (432D - Топливный бак (Resin, 25L) (Dt30R P40))

442A  -  Drag  Link (Dt30R  P40) (442A - Переключающая тяга (Dt30R P40))

442A - Drag Link (Dt30R P40) (442A - Переключающая тяга (Dt30R P40))

450A  -  Remote Control  (Dt30R  P40) (450A - Дистанционное управление (Dt30R P40))

450A - Remote Control (Dt30R P40) (450A - Дистанционное управление (Dt30R P40))

451A  -  Remocon Parts  (Dt30R  P40) (451A - Remocon Parts (Dt30R P40))

451A - Remocon Parts (Dt30R P40) (451A - Remocon Parts (Dt30R P40))

501A  -  Opt:meter (Electric Starter)  (Dt30  P40) (501A - Опции: контрольные приборы на модели с электростартером (Dt30 P40))

501A - Opt:meter (Electric Starter) (Dt30 P40) (501A - Опции: контрольные приборы на модели с электростартером (Dt30 P40))

501B  -  Opt:meter (Dt30R P40) (501B - Опции: приборы (Dt30R P40))

501B - Opt:meter (Dt30R P40) (501B - Опции: приборы (Dt30R P40))

501B  -  Opt:meter (Dt30R P40) (501B - Опции: приборы (Dt30R P40))

501B - Opt:meter (Dt30R P40) (501B - Опции: приборы (Dt30R P40))

508A  -  Opt:remote Control  (W/ignition  Switch) (508A - Опции: дистанционное управление (W / ignition Переключатель))

508A - Opt:remote Control (W/ignition Switch) (508A - Опции: дистанционное управление (W / ignition Переключатель))

508B  -  Opt:remote Control  (N/ignition  Switch) (508B - Опции: дистанционное управление (N / ignition Переключатель))

508B - Opt:remote Control (N/ignition Switch) (508B - Опции: дистанционное управление (N / ignition Переключатель))

514A  -  Opt:remocon  Parts  Set (514A - Опции: установочный комплект ДУ)

514A - Opt:remocon Parts Set (514A - Опции: установочный комплект ДУ)

533B  -  Opt:switch  Panel  (Dt30R  P40) (533B - Опции: переключатели Panel (Dt30R P40))

533B - Opt:switch Panel (Dt30R P40) (533B - Опции: переключатели Panel (Dt30R P40))

550B  -  Opt:electrical  (Dt30R  P40) (550B - Опции: электрика (Dt30R P40))

550B - Opt:electrical (Dt30R P40) (550B - Опции: электрика (Dt30R P40))

575A  -  Opt:drag Link (575A - Опции: рулевая тяга)

575A - Opt:drag Link (575A - Опции: рулевая тяга)

580C  -  Opt:regulator  (Dt30R  P40) (580C - Опции: Регулятор (Dt30R P40))

580C - Opt:regulator (Dt30R P40) (580C - Опции: Регулятор (Dt30R P40))




 
 

данный сайт носит информационный характер и не является публичной офертой

склад запчастей для водомоторной техники