вконтакте

Контактный телефон: +7 (981) 121-46-93, +7 (800) 200-90-76 , Email: parts-katalog@yandex.ru, где купить

 
 

  Логин:

Пароль:

Регистрация

www.partskatalog.ru Все каталоги Запчасти Mercury Запчасти Suzuki Запчасти Tohatsu Запчасти Honda Контакты



УВАЖАЕМЫЕ КЛИЕНТЫ!
C 19 ДЕКАБРЯ 2025 ПО 02 МАРТА 2026 ГОДА ОТДЕЛ ЗАПЧАСТЕЙ И СЕРВИС РАБОТАТЬ НЕ БУДУТ
ПРОДАЖА ЛОДОЧНЫХ МОТОРОВ В ШТАТНОМ РЕЖИМЕ
ОБ ИЗМЕНЕНИЯХ В ГРАФИКЕ РАБОТЫ ЧИТАЙТЕ НА САЙТА




запчастиsuzuki

Узнать наличие и цену запчасти:

Вернуться к началу выбора

Поиск модели по серийному номеру


РЕЖИМЫ ПРОСМОТРА

Все узлы и детали

Двигатель

Трансмиссия

Электрика

Внешние части

Тип двигателя: 4x - тактный

Модель двигателя: Suzuki DF60

Модификация Вашего двигателя:   Suzuki DF-60 ATL / ATS (E01)
Двигатели с серийным номером после 06002F-310001
Код модели двигателя: DF60A TL/TS FROM 06002F-310001~ (E01)
Год выпуска двигателя: 2013
Регион: Регион E01 (Россия, Европа)


Поиск запчастей по коду или названию


   Выберите раздел

найти расходники на лодочные моторы Suzuki

Начните вводить запрос

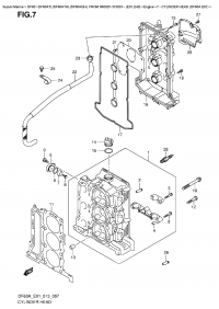
7  -  Cylinder  Head  (Df60A  E01) (7 - Головка блока цилиндра (Df60A E01))

7 - Cylinder Head (Df60A E01) (7 - Головка блока цилиндра (Df60A E01))

13  -  Cylinder  Block (13 - Блок цилиндра)

13 - Cylinder Block (13 - Блок цилиндра)

20  -  Ring  Gear  Cover  (Df60A  E01) (20 - Крышка механизма маховика (Df60A E01))

20 - Ring Gear Cover (Df60A E01) (20 - Крышка механизма маховика (Df60A E01))

20  -  Ring  Gear  Cover  (Df60A  E01) (20 - Крышка механизма маховика (Df60A E01))

20 - Ring Gear Cover (Df60A E01) (20 - Крышка механизма маховика (Df60A E01))

26  -  Crankshaft (26 - Коленвал)

26 - Crankshaft (26 - Коленвал)

27  -  Timing  Chain (27 - Распределяющая цепь)

27 - Timing Chain (27 - Распределяющая цепь)

28  -  Cam  Shaft/valve (28 - Распредвал / Клапан)

28 - Cam Shaft/valve (28 - Распредвал / Клапан)

35  -  Intake  Manifold/silencer/exhaust  Cover  (Df60A  E01) (35 - Впускной коллектор / Глушитель / Кожух выхлопной трубы (Df60A E01))

35 - Intake Manifold/silencer/exhaust Cover (Df60A E01) (35 - Впускной коллектор / Глушитель / Кожух выхлопной трубы (Df60A E01))

47 - Fuel Vapor Separator  (Df60A  E01) (47 - Отделитель паров топлива (Df60A E01))

47 - Fuel Vapor Separator (Df60A E01) (47 - Отделитель паров топлива (Df60A E01))

59  -  Fuel  Injector  (Df60A  E01) (59 - Топливный инжектор (Df60A E01))

59 - Fuel Injector (Df60A E01) (59 - Топливный инжектор (Df60A E01))

65  -  Fuel  Pump (65 - Топливный насос)

65 - Fuel Pump (65 - Топливный насос)

72 - Water Pump (Df60A  E01) (72 - Водяной насос (Df60A E01))

72 - Water Pump (Df60A E01) (72 - Водяной насос (Df60A E01))

78  -  Thermostat (78 - Термостат)

78 - Thermostat (78 - Термостат)

85  -  Throttle  Body  (Df60A  E01) (85 - Дроссель газа (Df60A E01))

85 - Throttle Body (Df60A E01) (85 - Дроссель газа (Df60A E01))

91  -  Oil  Pump (91 - Масляный насос)

91 - Oil Pump (91 - Масляный насос)

92  -  Oil  Pan (92 - Масляный поддон)

92 - Oil Pan (92 - Масляный поддон)

99 - Clutch  Shaft  (Df60A  E01) (99 - Сцепление Вал (Df60A E01))

99 - Clutch Shaft (Df60A E01) (99 - Сцепление Вал (Df60A E01))

111  -  Clutch  Rod  (Df60A  E01) (111 - Тяга сцепления (Df60A E01))

111 - Clutch Rod (Df60A E01) (111 - Тяга сцепления (Df60A E01))

123  -  Transmission  (Df60A  E01) (123 - Трансмиссия (Df60A E01))

123 - Transmission (Df60A E01) (123 - Трансмиссия (Df60A E01))

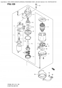
129  -  Starting  Motor (129 - Двигатель электростартера)

129 - Starting Motor (129 - Двигатель электростартера)

130  -  Magneto (130 - Магнето)

130 - Magneto (130 - Магнето)

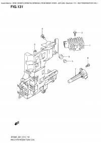
131  -  Rectifier/ignition  Coil (131 - Выпрямитель / Катушка зажигания)

131 - Rectifier/ignition Coil (131 - Выпрямитель / Катушка зажигания)

138  -  Sensor  (Df60A  E01) (138 - Датчик (Df60A E01))

138 - Sensor (Df60A E01) (138 - Датчик (Df60A E01))

150  -  Harness  (Df60A  E01) (150 - Жгут проводов (Df60A E01))

150 - Harness (Df60A E01) (150 - Жгут проводов (Df60A E01))

162  -  Ptt  Switch/engine  Control  Unit  (Df60A  E01) (162 - Переключатель гидроподъёма / Блок управления двигателем (Df60A E01))

162 - Ptt Switch/engine Control Unit (Df60A E01) (162 - Переключатель гидроподъёма / Блок управления двигателем (Df60A E01))

174  -  Clamp  Bracket  (Df60A  E01) (174 - Кронштейн транца (Df60A E01))

174 - Clamp Bracket (Df60A E01) (174 - Кронштейн транца (Df60A E01))

186 - Swivel Bracket  (Df60A  E01) (186 - Поворотный кронштейн (Df60A E01))

186 - Swivel Bracket (Df60A E01) (186 - Поворотный кронштейн (Df60A E01))

200  -  Trim  Cylinder  (Df60A  E01) (200 - Цилиндр трима (Df60A E01))

200 - Trim Cylinder (Df60A E01) (200 - Цилиндр трима (Df60A E01))

209  -  Ptt  Motor  (Df60A  E01) (209 - Двигатель гидроподъёма (Df60A E01))

209 - Ptt Motor (Df60A E01) (209 - Двигатель гидроподъёма (Df60A E01))

213  -  Engine  Holder (213 - Основание двигателя)

213 - Engine Holder (213 - Основание двигателя)

220 - Drive Shaft  Housing  (Df60A  E01) (220 - Корпус вала передачи (Df60A E01))

220 - Drive Shaft Housing (Df60A E01) (220 - Корпус вала передачи (Df60A E01))

232 - Gear Case  (Df60A  E01) (232 - Картер коробки передач (Df60A E01))

232 - Gear Case (Df60A E01) (232 - Картер коробки передач (Df60A E01))

244 - Side Cover  (Df60A  E01) (244 - Боковая крышка (Df60A E01))

244 - Side Cover (Df60A E01) (244 - Боковая крышка (Df60A E01))

256  -  Engine  Cover  (Df60A  E01) (256 - Крышка двигателя (капот) (Df60A E01))

256 - Engine Cover (Df60A E01) (256 - Крышка двигателя (капот) (Df60A E01))

269  -  Fuel  Tank  (Plastic) (269 - Топливный бак (пластиковый))

269 - Fuel Tank (Plastic) (269 - Топливный бак (пластиковый))

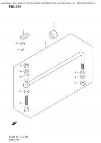
276  -  Drag  Link  (Df60A  E01) (276 - Переключающая тяга (Df60A E01))

276 - Drag Link (Df60A E01) (276 - Переключающая тяга (Df60A E01))

285  -  Meter  (Df60A  E01) (285 - Прибор (Df60A E01))

285 - Meter (Df60A E01) (285 - Прибор (Df60A E01))

287 -  Water  Pressure  Gauge  Sub  Kit  (Df60A  E40) (287 - Комплект прибора изменения давления воды (Df60A E40))

287 - Water Pressure Gauge Sub Kit (Df60A E40) (287 - Комплект прибора изменения давления воды (Df60A E40))

296  -  Opt:water  Pressure  Gauge  Sub  Kit  (Df60A  E01) (296 - Опции: Комплект прибора изменения давления воды (Df60A E01))

296 - Opt:water Pressure Gauge Sub Kit (Df60A E01) (296 - Опции: Комплект прибора изменения давления воды (Df60A E01))

305 - Opt:meter  (Df60A  E01) (305 - Опции: приборы (Df60A E01))

305 - Opt:meter (Df60A E01) (305 - Опции: приборы (Df60A E01))

317  -  Opt:harness  (Df60A  E01) (317 - Опции: жгут проводов (Df60A E01))

317 - Opt:harness (Df60A E01) (317 - Опции: жгут проводов (Df60A E01))

326  -  Opt:switch  (Df60A  E01) (326 - Опции: переключатели (Df60A E01))

326 - Opt:switch (Df60A E01) (326 - Опции: переключатели (Df60A E01))

331  -  Opt:remote  Control  (Df60A  E01) (331 - Опции: дистанционное управление (Df60A E01))

331 - Opt:remote Control (Df60A E01) (331 - Опции: дистанционное управление (Df60A E01))

340  -  Opt:remote  Control  Assy  Single  (1) (340 - Дистанционное управление в сборе, одинарное (1))

340 - Opt:remote Control Assy Single (1) (340 - Дистанционное управление в сборе, одинарное (1))

341  -  Opt:remote  Control  Assy  Single  (2) (341 - Дистанционное управление в сборе, одинарное (2))

341 - Opt:remote Control Assy Single (2) (341 - Дистанционное управление в сборе, одинарное (2))

345  -  Opt:tiller  Handle  (Df60A  E01) (345 - Опции: Румпель (Df60A E01))

345 - Opt:tiller Handle (Df60A E01) (345 - Опции: Румпель (Df60A E01))

347  -  Opt:gasket  Set (347 - Опции: комплект прокладок)

347 - Opt:gasket Set (347 - Опции: комплект прокладок)

348  -  Opt:lowrance  Gauge (348 - Опции: приборы Lowrance)

348 - Opt:lowrance Gauge (348 - Опции: приборы Lowrance)




 
 

данный сайт носит информационный характер и не является публичной офертой

склад запчастей для водомоторной техники