вконтакте

Контактный телефон: +7 (981) 121-46-93, +7 (800) 200-90-76 , Email: parts-katalog@yandex.ru, где купить

 
 

  Логин:

Пароль:

Регистрация

www.partskatalog.ru Все каталоги Запчасти Mercury Запчасти Suzuki Запчасти Tohatsu Запчасти Honda Контакты



УВАЖАЕМЫЕ КЛИЕНТЫ!
C 19 ДЕКАБРЯ 2025 ПО 02 МАРТА 2026 ГОДА ОТДЕЛ ЗАПЧАСТЕЙ И СЕРВИС РАБОТАТЬ НЕ БУДУТ
ПРОДАЖА ЛОДОЧНЫХ МОТОРОВ В ШТАТНОМ РЕЖИМЕ
ОБ ИЗМЕНЕНИЯХ В ГРАФИКЕ РАБОТЫ ЧИТАЙТЕ НА САЙТА




запчастиsuzuki

Узнать наличие и цену запчасти:

Вернуться к началу выбора

Поиск модели по серийному номеру


РЕЖИМЫ ПРОСМОТРА

Все узлы и детали

Двигатель

Трансмиссия

Электрика

Внешние части

Тип двигателя: 4x - тактный

Модель двигателя: Suzuki DF140

Модификация Вашего двигателя:   Suzuki DF-140 ATL / ATX
Двигатели с серийным номером после 14003F-310001
Код модели двигателя: DF140AT L/X FROM 14003F-310001~
Год выпуска двигателя: 2013
Регион: Россия, Европа


Поиск запчастей по коду или названию


   Выберите раздел

найти расходники на лодочные моторы Suzuki

Начните вводить запрос

10Aa - Maintenance Kit (Df140At E01) (10Aa - Комплект для технического обслуживания (Df140At E01))

10Aa - Maintenance Kit (Df140At E01) (10Aa - Комплект для технического обслуживания (Df140At E01))

111A - Cylinder Head (111A - Головка блока цилиндра)

111A - Cylinder Head (111A - Головка блока цилиндра)

113A - Cylinder Block (113A - Блок цилиндра)

113A - Cylinder Block (113A - Блок цилиндра)

116A - Crankshaft (116A - Коленвал)

116A - Crankshaft (116A - Коленвал)

119A - Timing Chain (119A - Распределяющая цепь)

119A - Timing Chain (119A - Распределяющая цепь)

121A - Camshaft (Df140At E01) (121A - Распределительный вал (Df140At E01))

121A - Camshaft (Df140At E01) (121A - Распределительный вал (Df140At E01))

122A - Intake Manifold (122A - Впускной коллектор)

122A - Intake Manifold (122A - Впускной коллектор)

134A - Silencer (134A - Глушитель)

134A - Silencer (134A - Глушитель)

136A - Ring Gear Cover (Df140At E01) (136A - Крышка механизма маховика (Df140At E01))

136A - Ring Gear Cover (Df140At E01) (136A - Крышка механизма маховика (Df140At E01))

136A - Ring Gear Cover (Df140At E01) (136A - Крышка механизма маховика (Df140At E01))

136A - Ring Gear Cover (Df140At E01) (136A - Крышка механизма маховика (Df140At E01))

143A - Fuel Vapor Separator (Df140At E01) (143A - Отделитель паров топлива (Df140At E01))

143A - Fuel Vapor Separator (Df140At E01) (143A - Отделитель паров топлива (Df140At E01))

144A - Fuel Injector (Df140At E01) (144A - Топливный инжектор (Df140At E01))

144A - Fuel Injector (Df140At E01) (144A - Топливный инжектор (Df140At E01))

146A - Fuel Pump (146A - Топливный насос)

146A - Fuel Pump (146A - Топливный насос)

160A - Water Pump (Df140At E01) (160A - Водяной насос (Df140At E01))

160A - Water Pump (Df140At E01) (160A - Водяной насос (Df140At E01))

162A - Thermostat (162A - Термостат)

162A - Thermostat (162A - Термостат)

163A - Throttle Body (163A - Дроссель газа)

163A - Throttle Body (163A - Дроссель газа)

175A - Oil Pump (175A - Масляный насос)

175A - Oil Pump (175A - Масляный насос)

178A - Oil Filter (178A - Масляный фильтр)

178A - Oil Filter (178A - Масляный фильтр)

180A - Oil Pan (180A - Масляный поддон)

180A - Oil Pan (180A - Масляный поддон)

180A - Oil Pan (180A - Масляный поддон)

180A - Oil Pan (180A - Масляный поддон)

204A - Clutch Shaft (204A - Сцепление Вал)

204A - Clutch Shaft (204A - Сцепление Вал)

206A - Clutch Rod (Df140At E01) (206A - Тяга сцепления (Df140At E01))

206A - Clutch Rod (Df140At E01) (206A - Тяга сцепления (Df140At E01))

220A - Transmission (Df140At E01) (220A - Трансмиссия (Df140At E01))

220A - Transmission (Df140At E01) (220A - Трансмиссия (Df140At E01))

301A - Starting Motor (301A - Двигатель электростартера)

301A - Starting Motor (301A - Двигатель электростартера)

303A - Magneto (303A - Магнето)

303A - Magneto (303A - Магнето)

307A - Ignition Coil (307A - Катушка зажигания)

307A - Ignition Coil (307A - Катушка зажигания)

311A - Rectifier (311A - Выпрямитель)

311A - Rectifier (311A - Выпрямитель)

311A - Rectifier (311A - Выпрямитель)

311A - Rectifier (311A - Выпрямитель)

315A - Sensor (315A - Датчик)

315A - Sensor (315A - Датчик)

315A - Sensor (315A - Датчик)

315A - Sensor (315A - Датчик)

322A - Harness (322A - Жгут проводов)

322A - Harness (322A - Жгут проводов)

326A - Ptt Switch / Engine Control Unit (326A - Переключатель гидроподъёма / Блок управления двигателем)

326A - Ptt Switch / Engine Control Unit (326A - Переключатель гидроподъёма / Блок управления двигателем)

335A - Clamp Bracket (Df140At E01) (335A - Кронштейн транца (Df140At E01))

335A - Clamp Bracket (Df140At E01) (335A - Кронштейн транца (Df140At E01))

336A - Swivel Bracket (336A - Поворотный кронштейн)

336A - Swivel Bracket (336A - Поворотный кронштейн)

337A - Trim Cylinder (337A - Цилиндр трима)

337A - Trim Cylinder (337A - Цилиндр трима)

340A - Ptt Motor (340A - Двигатель гидроподъёма)

340A - Ptt Motor (340A - Двигатель гидроподъёма)

401A - Engine Holder (401A - Основание двигателя)

401A - Engine Holder (401A - Основание двигателя)

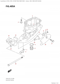
405A - Drive Shaft Housing (405A - Корпус вала передачи)

405A - Drive Shaft Housing (405A - Корпус вала передачи)

407A - Gear Case (Df140At E01) (407A - Картер коробки передач (Df140At E01))

407A - Gear Case (Df140At E01) (407A - Картер коробки передач (Df140At E01))

410A - Side Cover (Df140At E01) (410A - Боковая крышка (Df140At E01))

410A - Side Cover (Df140At E01) (410A - Боковая крышка (Df140At E01))

420A - Engine Cover (420A - Крышка двигателя (капот))

420A - Engine Cover (420A - Крышка двигателя (капот))

432A - Fuel Tank (432A - Топливный бак)

432A - Fuel Tank (432A - Топливный бак)

442A - Drag Link (442A - Переключающая тяга)

442A - Drag Link (442A - Переключающая тяга)

460A - Meter (Df140At E01) (460A - Прибор (Df140At E01))

460A - Meter (Df140At E01) (460A - Прибор (Df140At E01))

460B - Meter (Df140At E40) (460B - Прибор (Df140At E40))

460B - Meter (Df140At E40) (460B - Прибор (Df140At E40))

501A - Opt:meter (501A - Опции: приборы)

501A - Opt:meter (501A - Опции: приборы)

508A - Opt:remote Control (Df140At E01) (508A - Опции: дистанционное управление (Df140At E01))

508A - Opt:remote Control (Df140At E01) (508A - Опции: дистанционное управление (Df140At E01))

521A - Opt:harness (Df140At E01) (521A - Опции: жгут проводов (Df140At E01))

521A - Opt:harness (Df140At E01) (521A - Опции: жгут проводов (Df140At E01))

530A - Opt:switch (530A - Опции: переключатели)

530A - Opt:switch (530A - Опции: переключатели)

541A - Opt:remote Control Assy Dual (1) (541A - Опции: дистанционное управление в сборе Dual (1))

541A - Opt:remote Control Assy Dual (1) (541A - Опции: дистанционное управление в сборе Dual (1))

542A - Opt:remote Control Assy Dual (2) (542A - Опции: дистанционное управление в сборе Dual (2))

542A - Opt:remote Control Assy Dual (2) (542A - Опции: дистанционное управление в сборе Dual (2))

544A - Opt:remote Control Assy Single (1) (544A - Дистанционное управление в сборе, одинарное (1))

544A - Opt:remote Control Assy Single (1) (544A - Дистанционное управление в сборе, одинарное (1))

545A - Opt:remote Control Assy Single (2) (545A - Дистанционное управление в сборе, одинарное (2))

545A - Opt:remote Control Assy Single (2) (545A - Дистанционное управление в сборе, одинарное (2))

585A - Opt:gasket Set (Df140At E01) (585A - Опции: комплект прокладок (Df140At E01))

585A - Opt:gasket Set (Df140At E01) (585A - Опции: комплект прокладок (Df140At E01))

585A - Opt:gasket Set (Df140At E01) (585A - Опции: комплект прокладок (Df140At E01))

585A - Opt:gasket Set (Df140At E01) (585A - Опции: комплект прокладок (Df140At E01))

588A - Opt:lowrance Gauge (588A - Опции: приборы Lowrance)

588A - Opt:lowrance Gauge (588A - Опции: приборы Lowrance)




 
 

данный сайт носит информационный характер и не является публичной офертой

склад запчастей для водомоторной техники