вконтакте

Контактный телефон: +7 (981) 121-46-93, +7 (800) 200-90-76 , Email: parts-katalog@yandex.ru, где купить

 
 

  Логин:

Пароль:

Регистрация

www.partskatalog.ru Все каталоги Запчасти Mercury Запчасти Suzuki Запчасти Tohatsu Запчасти Honda Контакты


запчастиsuzuki

Узнать наличие и цену запчасти:

Вернуться к началу выбора

Поиск модели по серийному номеру


РЕЖИМЫ ПРОСМОТРА

Все узлы и детали

Двигатель

Тип двигателя: 2x - тактный

Модель двигателя: Suzuki DT30

Модификация Вашего двигателя:   Suzuki DT30 (P40)
Двигатели с серийным номером после 03005-910001
Код модели двигателя: DT30 FROM 03005-910001~ (P40)
Год выпуска двигателя: 2020
Регион: Регион P40 (Россия)


Поиск запчастей по коду или названию


   Выберите раздел

найти расходники на лодочные моторы Suzuki

Начните вводить запрос

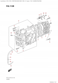
112B - Cylinder (Dt30,Dt30R) (112B - Цилиндр (Dt30, Dt30R))

112B - Cylinder (Dt30,Dt30R) (112B - Цилиндр (Dt30, Dt30R))

116B - Crankshaft (Dt30,Dt30R) (116B - Коленвал (Dt30, Dt30R))

116B - Crankshaft (Dt30,Dt30R) (116B - Коленвал (Dt30, Dt30R))




 
 

данный сайт носит информационный характер и не является публичной офертой

склад запчастей для водомоторной техники