вконтакте

Контактный телефон: +7 (981) 121-46-93, +7 (800) 200-90-76 , Email: parts-katalog@yandex.ru, где купить

 
 

  Логин:

Пароль:

Регистрация

www.partskatalog.ru Все каталоги Запчасти Mercury Запчасти Suzuki Запчасти Tohatsu Запчасти Honda Контакты


запчастиsuzuki

Узнать наличие и цену запчасти:

Вернуться к началу выбора

Поиск модели по серийному номеру


РЕЖИМЫ ПРОСМОТРА

Все узлы и детали

Двигатель

Трансмиссия

Электрика

Внешние части

Дополнительные опции

Тип двигателя: 2x - тактный

Модель двигателя: Suzuki DT30

Модификация Вашего двигателя:   Suzuki DT30 RS / RL (P40 019)
Двигатели с серийным номером после 03005-910001
Код модели двигателя: Suzuki DT30R S / L FROM 03005-910001~ (P40 019)
Год выпуска двигателя: 2019
Регион: Регион P40 (Россия)


Поиск запчастей по коду или названию


   Выберите раздел

найти расходники на лодочные моторы Suzuki

Начните вводить запрос

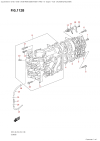
112B - Cylinder (Dt30,Dt30R) (112B - Цилиндр (Dt30, Dt30R))

112B - Cylinder (Dt30,Dt30R) (112B - Цилиндр (Dt30, Dt30R))

116B - Crankshaft (Dt30,Dt30R) (116B - Коленвал (Dt30, Dt30R))

116B - Crankshaft (Dt30,Dt30R) (116B - Коленвал (Dt30, Dt30R))

125B - Inlet Case (Dt30,Dt30R) (125B - вход Case (Dt30, Dt30R))

125B - Inlet Case (Dt30,Dt30R) (125B - вход Case (Dt30, Dt30R))

128B - Carburetor (Dt30,Dt30R) (128B - Карбюратор (Dt30, Dt30R))

128B - Carburetor (Dt30,Dt30R) (128B - Карбюратор (Dt30, Dt30R))

130B - Oil Seal Housing (E-Starter) (130B - Корпус сальника (модели с электростартером))

130B - Oil Seal Housing (E-Starter) (130B - Корпус сальника (модели с электростартером))

141A - Exhaust Tube (S-Transom) (141A - Выхлоп Трубка (S-Transom))

141A - Exhaust Tube (S-Transom) (141A - Выхлоп Трубка (S-Transom))

141B - Exhaust Tube (L-Transom) (141B - Выхлоп Трубка (L-Transom))

141B - Exhaust Tube (L-Transom) (141B - Выхлоп Трубка (L-Transom))

146B - Fuel Pump (Dt30,Dt30R) (146B - Топливный насос (Dt30, Dt30R))

146B - Fuel Pump (Dt30,Dt30R) (146B - Топливный насос (Dt30, Dt30R))

160A - Water Pump (S-Transom) (160A - Водяной насос (S-Transom))

160A - Water Pump (S-Transom) (160A - Водяной насос (S-Transom))

160B - Water Pump (L-Transom) (160B - Водяной насос (L-Transom))

160B - Water Pump (L-Transom) (160B - Водяной насос (L-Transom))

166B - Throttle Control (Dt30,Dt30R) (166B - Управление дросселем (Dt30, Dt30R))

166B - Throttle Control (Dt30,Dt30R) (166B - Управление дросселем (Dt30, Dt30R))

167B - Recoil Starter (E-Starter) (167B - Барабанный стартер (модели с электростартером))

167B - Recoil Starter (E-Starter) (167B - Барабанный стартер (модели с электростартером))

201C - Clutch (Dt30R) (201C - Сцепление (Dt30R))

201C - Clutch (Dt30R) (201C - Сцепление (Dt30R))

220A - Transmission (S-Transom) (220A - Трансмиссия (S-Transom))

220A - Transmission (S-Transom) (220A - Трансмиссия (S-Transom))

220B - Transmission (L-Transom) (220B - Трансмиссия (L-Transom))

220B - Transmission (L-Transom) (220B - Трансмиссия (L-Transom))

301A - Starting Motor (E-Starter) (301A - Двигатель электростартера (модели с электростартером))

301A - Starting Motor (E-Starter) (301A - Двигатель электростартера (модели с электростартером))

303C - Magneto (Dt30R) (303C - Магнето (Dt30R))

303C - Magneto (Dt30R) (303C - Магнето (Dt30R))

308C - Ignition (Dt30R)

308C - Ignition (Dt30R)

322C - Harness (Dt30R) (322C - Жгут проводов (Dt30R))

322C - Harness (Dt30R) (322C - Жгут проводов (Dt30R))

324C - Switch (Dt30R) (324C - Переключатель (Dt30R))

324C - Switch (Dt30R) (324C - Переключатель (Dt30R))

335A - Clamp Bracket (335A - Кронштейн транца)

335A - Clamp Bracket (335A - Кронштейн транца)

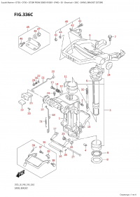
336C - Swivel Bracket (Dt30R) (336C - Поворотный кронштейн (Dt30R))

336C - Swivel Bracket (Dt30R) (336C - Поворотный кронштейн (Dt30R))

405A - Drive Shaft Housing (S-Transom) (405A - Корпус вала передачи (S-Transom))

405A - Drive Shaft Housing (S-Transom) (405A - Корпус вала передачи (S-Transom))

405B - Drive Shaft Housing (L-Transom) (405B - Корпус вала передачи (L-Transom))

405B - Drive Shaft Housing (L-Transom) (405B - Корпус вала передачи (L-Transom))

407A - Gear Case (407A - Картер коробки передач)

407A - Gear Case (407A - Картер коробки передач)

413C - Under Cover (Dt30R) (413C - Нижняя часть корпуса (Dt30R))

413C - Under Cover (Dt30R) (413C - Нижняя часть корпуса (Dt30R))

420C - Engine Cover (Dt30R) (420C - Крышка двигателя (капот) (Dt30R))

420C - Engine Cover (Dt30R) (420C - Крышка двигателя (капот) (Dt30R))

432C - Fuel Tank (Dt30,Dt30R) (432C - Топливный бак (Dt30, Dt30R))

432C - Fuel Tank (Dt30,Dt30R) (432C - Топливный бак (Dt30, Dt30R))

442A - Drag Link (Dt30R) (442A - Переключающая тяга (Dt30R))

442A - Drag Link (Dt30R) (442A - Переключающая тяга (Dt30R))

450A - Remote Control (Dt30R) (450A - Дистанционное управление (Dt30R))

450A - Remote Control (Dt30R) (450A - Дистанционное управление (Dt30R))

451A - Remocon Parts (Dt30R)

451A - Remocon Parts (Dt30R)

501A - Opt:meter (E-Starter) (501A - Опции: приборы (модели с электростартером))

501A - Opt:meter (E-Starter) (501A - Опции: приборы (модели с электростартером))

533B - Opt:switch Panel (Dt30R) (533B - Опции: переключатели Panel (Dt30R))

533B - Opt:switch Panel (Dt30R) (533B - Опции: переключатели Panel (Dt30R))

550B - Opt:electrical (Dt30R) (550B - Опции: электрика (Dt30R))

550B - Opt:electrical (Dt30R) (550B - Опции: электрика (Dt30R))

554A - Opt:electrical (Electric Starter) (Dt30:E-Starter) (554A - Опции: электрика на модели с электростартером (Dt30: модели с электростартером))

554A - Opt:electrical (Electric Starter) (Dt30:E-Starter) (554A - Опции: электрика на модели с электростартером (Dt30: модели с электростартером))

580C - Opt:regulator (Dt30R) (580C - Опции: Регулятор (Dt30R))

580C - Opt:regulator (Dt30R) (580C - Опции: Регулятор (Dt30R))




 
 

данный сайт носит информационный характер и не является публичной офертой

склад запчастей для водомоторной техники