вконтакте

Контактный телефон: +7 (981) 121-46-93, +7 (800) 200-90-76 , Email: parts-katalog@yandex.ru, где купить

 
 

  Логин:

Пароль:

Регистрация

www.partskatalog.ru Все каталоги Запчасти Mercury Запчасти Suzuki Запчасти Tohatsu Запчасти Honda Контакты



УВАЖАЕМЫЕ КЛИЕНТЫ!
C 19 ДЕКАБРЯ 2025 ПО 02 МАРТА 2026 ГОДА ОТДЕЛ ЗАПЧАСТЕЙ И СЕРВИС РАБОТАТЬ НЕ БУДУТ
ПРОДАЖА ЛОДОЧНЫХ МОТОРОВ В ШТАТНОМ РЕЖИМЕ
ОБ ИЗМЕНЕНИЯХ В ГРАФИКЕ РАБОТЫ ЧИТАЙТЕ НА САЙТА




запчастиsuzuki

Узнать наличие и цену запчасти:

Вернуться к началу выбора

Поиск модели по серийному номеру


РЕЖИМЫ ПРОСМОТРА

Все узлы и детали

Двигатель

Трансмиссия

Электрика

Внешние части

Дополнительные опции

Тип двигателя: 4x - тактный

Модель двигателя: Suzuki DF140

Модификация Вашего двигателя:   Suzuki DF-140 TL-TX (E01) (новая редакция) - 2011
Двигатели с серийным номером после 14002F-110001
Код модели двигателя: Suzuki DF140T L/X FROM 14002F-110001~ (E01 011)
Год выпуска двигателя: 2011
Регион: Регион E01 (Россия, Европа)


Поиск запчастей по коду или названию


   Выберите раздел

найти расходники на лодочные моторы Suzuki

Начните вводить запрос

111A - Cylinder Head (111A - Головка блока цилиндра)

111A - Cylinder Head (111A - Головка блока цилиндра)

113A - Cylinder Block (113A - Блок цилиндра)

113A - Cylinder Block (113A - Блок цилиндра)

116A - Crankshaft (116A - Коленвал)

116A - Crankshaft (116A - Коленвал)

119A - Timing Chain (119A - Распределяющая цепь)

119A - Timing Chain (119A - Распределяющая цепь)

121A - Camshaft (121A - Распределительный вал)

121A - Camshaft (121A - Распределительный вал)

122A - Intake Manifold (122A - Впускной коллектор)

122A - Intake Manifold (122A - Впускной коллектор)

134A - Silencer (134A - Глушитель)

134A - Silencer (134A - Глушитель)

136A - Ring Gear Cover (136A - Крышка механизма маховика)

136A - Ring Gear Cover (136A - Крышка механизма маховика)

143A - Fuel  Vapor Separator (Df140T,Df140Z) (143A - Отделитель паров топлива (Df140T, Df140Z))

143A - Fuel Vapor Separator (Df140T,Df140Z) (143A - Отделитель паров топлива (Df140T, Df140Z))

144A - Fuel Injector (Df140T,Df140Z) (144A - Топливный инжектор (Df140T, Df140Z))

144A - Fuel Injector (Df140T,Df140Z) (144A - Топливный инжектор (Df140T, Df140Z))

146B  -  Fuel Pump (Df140T:(K6,K7,K8,K9,K10),Df140Z:(K6,K7,K8,K9,K10,011)) (146B - Топливный насос (Df140T: (K6, K7, K8, K9, K10), Df140Z: (K6, K7, K8, K9, K10, 011) ))

146B - Fuel Pump (Df140T:(K6,K7,K8,K9,K10),Df140Z:(K6,K7,K8,K9,K10,011)) (146B - Топливный насос (Df140T: (K6, K7, K8, K9, K10), Df140Z: (K6, K7, K8, K9, K10, 011) ))

146D - Fuel Pump ((Df140Wt,Df140Wz):(K6,K7,K8,K9,K10,011)) (146D - Топливный насос ( (Df140Wt, Df140Wz) : (K6, K7, K8, K9, K10, 011) ))

146D - Fuel Pump ((Df140Wt,Df140Wz):(K6,K7,K8,K9,K10,011)) (146D - Топливный насос ( (Df140Wt, Df140Wz) : (K6, K7, K8, K9, K10, 011) ))

160F - Water Pump (K10,011) (160F - Водяной насос (K10, 011))

160F - Water Pump (K10,011) (160F - Водяной насос (K10, 011))

162A - Thermostat (162A - Термостат)

162A - Thermostat (162A - Термостат)

163A - Throttle Body (163A - Дроссель газа)

163A - Throttle Body (163A - Дроссель газа)

175A - Oil Pump (175A - Масляный насос)

175A - Oil Pump (175A - Масляный насос)

178A - Oil Filter (178A - Масляный фильтр)

178A - Oil Filter (178A - Масляный фильтр)

180A - Oil Pan (180A - Масляный поддон)

180A - Oil Pan (180A - Масляный поддон)

204C - Clutch  Shaft (K6,K7,K8,K9,K10,011) (204C - Сцепление Вал (K6, K7, K8, K9, K10, 011))

204C - Clutch Shaft (K6,K7,K8,K9,K10,011) (204C - Сцепление Вал (K6, K7, K8, K9, K10, 011))

206A - Clutch Rod (Df140T,Df140Wt) (206A - Тяга сцепления (Df140T, Df140Wt))

206A - Clutch Rod (Df140T,Df140Wt) (206A - Тяга сцепления (Df140T, Df140Wt))

206B - Clutch Rod (Df140T,Df140Wt) (206B - Тяга сцепления (Df140T, Df140Wt))

206B - Clutch Rod (Df140T,Df140Wt) (206B - Тяга сцепления (Df140T, Df140Wt))

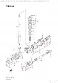
220A - Transmission (Df140T,Df140Wt) (220A - Трансмиссия (Df140T, Df140Wt))

220A - Transmission (Df140T,Df140Wt) (220A - Трансмиссия (Df140T, Df140Wt))

301A - Starting Motor (301A - Двигатель электростартера)

301A - Starting Motor (301A - Двигатель электростартера)

303A - Magneto (303A - Магнето)

303A - Magneto (303A - Магнето)

307A - Ignition Coil (307A - Катушка зажигания)

307A - Ignition Coil (307A - Катушка зажигания)

311A - Rectifier (311A - Выпрямитель)

311A - Rectifier (311A - Выпрямитель)

315A - Sensor (315A - Датчик)

315A - Sensor (315A - Датчик)

322A - Harness (322A - Жгут проводов)

322A - Harness (322A - Жгут проводов)

326B  -  Ptt Switch / Engine Control  Unit (K4,K5,K6,K7,K8,K9,K10,011) (326B - Переключатель гидроподъёма / Блок управления двигателем (K4, K5, K6, K7, K8, K9, K10, 011))

326B - Ptt Switch / Engine Control Unit (K4,K5,K6,K7,K8,K9,K10,011) (326B - Переключатель гидроподъёма / Блок управления двигателем (K4, K5, K6, K7, K8, K9, K10, 011))

335A - Clamp Bracket (335A - Кронштейн транца)

335A - Clamp Bracket (335A - Кронштейн транца)

336A - Swivel Bracket (336A - Поворотный кронштейн)

336A - Swivel Bracket (336A - Поворотный кронштейн)

337A - Trim Cylinder (337A - Цилиндр трима)

337A - Trim Cylinder (337A - Цилиндр трима)

340A - Ptt Motor (340A - Двигатель гидроподъёма)

340A - Ptt Motor (340A - Двигатель гидроподъёма)

401B - Engine Holder (K6,K7,K8,K9,K10,011) (401B - Основание двигателя (K6, K7, K8, K9, K10, 011))

401B - Engine Holder (K6,K7,K8,K9,K10,011) (401B - Основание двигателя (K6, K7, K8, K9, K10, 011))

405A - Drive Shaft Housing (405A - Корпус вала передачи)

405A - Drive Shaft Housing (405A - Корпус вала передачи)

407A - Gear Case (Df140T,Df140Wt) (407A - Картер коробки передач (Df140T, Df140Wt))

407A - Gear Case (Df140T,Df140Wt) (407A - Картер коробки передач (Df140T, Df140Wt))

410A - Side Cover (410A - Боковая крышка)

410A - Side Cover (410A - Боковая крышка)

420C - Engine Cover (K10,011) (420C - Крышка двигателя (капот) (K10, 011))

420C - Engine Cover (K10,011) (420C - Крышка двигателя (капот) (K10, 011))

432A - Fuel Tank (432A - Топливный бак)

432A - Fuel Tank (432A - Топливный бак)

442A - Drag Link (442A - Переключающая тяга)

442A - Drag Link (442A - Переключающая тяга)

450C - Remote Control (K5,K6,K7,K8,K9,K10,011) (450C - Дистанционное управление (K5, K6, K7, K8, K9, K10, 011))

450C - Remote Control (K5,K6,K7,K8,K9,K10,011) (450C - Дистанционное управление (K5, K6, K7, K8, K9, K10, 011))

501C - Opt:meter (K8,K9,K10,011) (501C - Опции: приборы (K8, K9, K10, 011))

501C - Opt:meter (K8,K9,K10,011) (501C - Опции: приборы (K8, K9, K10, 011))

521B - Opt:harness (K8,K9,K10,011) (521B - Опции: жгут проводов (K8, K9, K10, 011))

521B - Opt:harness (K8,K9,K10,011) (521B - Опции: жгут проводов (K8, K9, K10, 011))

530C - Opt:switch (K5,K6,K7,K8,K9,K10,011) (530C - Опции: переключатели (K5, K6, K7, K8, K9, K10, 011))

530C - Opt:switch (K5,K6,K7,K8,K9,K10,011) (530C - Опции: переключатели (K5, K6, K7, K8, K9, K10, 011))

541A - Opt:remote Control Assy Dual (1) (541A - Опции: дистанционное управление в сборе Dual (1))

541A - Opt:remote Control Assy Dual (1) (541A - Опции: дистанционное управление в сборе Dual (1))

542A - Opt:remote Control Assy Dual (2) (542A - Опции: дистанционное управление в сборе Dual (2))

542A - Opt:remote Control Assy Dual (2) (542A - Опции: дистанционное управление в сборе Dual (2))

544A - Opt:remote Control Assy Single (1) (K5,K6,K7,K8,K9,K10,011) (544A - Дистанционное управление в сборе, одинарное (1) (K5, K6, K7, K8, K9, K10, 011))

544A - Opt:remote Control Assy Single (1) (K5,K6,K7,K8,K9,K10,011) (544A - Дистанционное управление в сборе, одинарное (1) (K5, K6, K7, K8, K9, K10, 011))

545A - Opt:remote Control Assy Single (2) (K5,K6,K7,K8,K9,K10,011) (545A - Дистанционное управление в сборе, одинарное (2) (K5, K6, K7, K8, K9, K10, 011))

545A - Opt:remote Control Assy Single (2) (K5,K6,K7,K8,K9,K10,011) (545A - Дистанционное управление в сборе, одинарное (2) (K5, K6, K7, K8, K9, K10, 011))

585A - Opt:gasket Set (585A - Опции: комплект прокладок)

585A - Opt:gasket Set (585A - Опции: комплект прокладок)




 
 

данный сайт носит информационный характер и не является публичной офертой

склад запчастей для водомоторной техники