вконтакте

Контактный телефон: +7 (981) 121-46-93, +7 (800) 200-90-76 , Email: parts-katalog@yandex.ru, где купить

 
 

  Логин:

Пароль:

Регистрация

www.partskatalog.ru Все каталоги Запчасти Mercury Запчасти Suzuki Запчасти Tohatsu Запчасти Honda Контакты



УВАЖАЕМЫЕ КЛИЕНТЫ!
C 19 ДЕКАБРЯ 2025 ПО 02 МАРТА 2026 ГОДА ОТДЕЛ ЗАПЧАСТЕЙ И СЕРВИС РАБОТАТЬ НЕ БУДУТ
ПРОДАЖА ЛОДОЧНЫХ МОТОРОВ В ШТАТНОМ РЕЖИМЕ
ОБ ИЗМЕНЕНИЯХ В ГРАФИКЕ РАБОТЫ ЧИТАЙТЕ НА САЙТА




запчастиsuzuki

Узнать наличие и цену запчасти:

Вернуться к началу выбора

Поиск модели по серийному номеру


РЕЖИМЫ ПРОСМОТРА

Все узлы и детали

Двигатель

Трансмиссия

Электрика

Внешние части

Дополнительные опции

Тип двигателя: 4x - тактный

Модель двигателя: Suzuki DF225

Модификация Вашего двигателя:   Suzuki DF-225 TX / TXX (E01 013)
Двигатели с серийным номером после 22503F-310001
Код модели двигателя: Suzuki DF225T X / XX FROM 22503F-310001~ (E01 013)
Год выпуска двигателя: 2013
Регион: Регион E01 (Россия, Европа)


Поиск запчастей по коду или названию


   Выберите раздел

найти расходники на лодочные моторы Suzuki

Начните вводить запрос

111E - Cylinder Head (Df225T:e01) (111E - Головка блока цилиндра (Df225T: e01))

111E - Cylinder Head (Df225T:e01) (111E - Головка блока цилиндра (Df225T: e01))

113A - Cylinder Block (113A - Блок цилиндра)

113A - Cylinder Block (113A - Блок цилиндра)

116A - Crankshaft (116A - Коленвал)

116A - Crankshaft (116A - Коленвал)

119A - Timing Chain (119A - Распределяющая цепь)

119A - Timing Chain (119A - Распределяющая цепь)

121E - Camshaft (Df225T:e01) (121E - Распределительный вал (Df225T: e01))

121E - Camshaft (Df225T:e01) (121E - Распределительный вал (Df225T: e01))

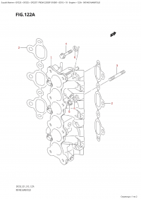
122A - Intake Manifold (122A - Впускной коллектор)

122A - Intake Manifold (122A - Впускной коллектор)

134A - Silencer (134A - Глушитель)

134A - Silencer (134A - Глушитель)

136E - Ring Gear Cover (Df225T:e01) (136E - Крышка механизма маховика (Df225T: e01))

136E - Ring Gear Cover (Df225T:e01) (136E - Крышка механизма маховика (Df225T: e01))

140A - Exhaust Cover (140A - Кожух выхлопной трубы)

140A - Exhaust Cover (140A - Кожух выхлопной трубы)

144E - Fuel Injector (Df225T:e01) (144E - Топливный инжектор (Df225T: e01))

144E - Fuel Injector (Df225T:e01) (144E - Топливный инжектор (Df225T: e01))

147E  -  Fuel  Pump  /  Fuel  Vapor  Separator  (Df225T:e01) (147E - Топливный насос / Отделитель паров топлива (Df225T: e01))

147E - Fuel Pump / Fuel Vapor Separator (Df225T:e01) (147E - Топливный насос / Отделитель паров топлива (Df225T: e01))

160E - Water Pump (Df225T:e01) (160E - Водяной насос (Df225T: e01))

160E - Water Pump (Df225T:e01) (160E - Водяной насос (Df225T: e01))

162A - Thermostat (162A - Термостат)

162A - Thermostat (162A - Термостат)

163E - Throttle Body (Df225T:e01) (163E - Дроссель газа (Df225T: e01))

163E - Throttle Body (Df225T:e01) (163E - Дроссель газа (Df225T: e01))

164A - Throttle Rod (164A - Тяга дросселя)

164A - Throttle Rod (164A - Тяга дросселя)

175A - Oil Pump (175A - Масляный насос)

175A - Oil Pump (175A - Масляный насос)

180A - Oil Pan (180A - Масляный поддон)

180A - Oil Pan (180A - Масляный поддон)

204E - Clutch Shaft (Df225T:e01) (204E - Сцепление Вал (Df225T: e01))

204E - Clutch Shaft (Df225T:e01) (204E - Сцепление Вал (Df225T: e01))

206E - Clutch Rod (Df225T:e01) (206E - Тяга сцепления (Df225T: e01))

206E - Clutch Rod (Df225T:e01) (206E - Тяга сцепления (Df225T: e01))

220E - Transmission (Df225T:e01) (220E - Трансмиссия (Df225T: e01))

220E - Transmission (Df225T:e01) (220E - Трансмиссия (Df225T: e01))

301A - Starting Motor (301A - Двигатель электростартера)

301A - Starting Motor (301A - Двигатель электростартера)

303E - Magneto (Df225T:e01) (303E - Магнето (Df225T: e01))

303E - Magneto (Df225T:e01) (303E - Магнето (Df225T: e01))

310A - Rectifier / Ignition Coil (310A - Выпрямитель / Катушка зажигания)

310A - Rectifier / Ignition Coil (310A - Выпрямитель / Катушка зажигания)

315E - Sensor (Df225T:e01) (315E - Датчик (Df225T: e01))

315E - Sensor (Df225T:e01) (315E - Датчик (Df225T: e01))

322E - Harness (Df225T:e01) (322E - Жгут проводов (Df225T: e01))

322E - Harness (Df225T:e01) (322E - Жгут проводов (Df225T: e01))

326E  -  Ptt  Switch  /  Engine  Control  Unit  (Df225T:e01) (326E - Переключатель гидроподъёма / Блок управления двигателем (Df225T: e01))

326E - Ptt Switch / Engine Control Unit (Df225T:e01) (326E - Переключатель гидроподъёма / Блок управления двигателем (Df225T: e01))

335E  -  Clamp  Bracket  (Df225T:e01:(X-Transom,Xx-Transom)) (335E - Кронштейн транца (Df225T: e01: (X-Transom, Xx-Transom) ))

335E - Clamp Bracket (Df225T:e01:(X-Transom,Xx-Transom)) (335E - Кронштейн транца (Df225T: e01: (X-Transom, Xx-Transom) ))

336E  -  Swivel  Bracket  (Df225T:e01:(X-Transom,Xx-Transom)) (336E - Поворотный кронштейн (Df225T: e01: (X-Transom, Xx-Transom) ))

336E - Swivel Bracket (Df225T:e01:(X-Transom,Xx-Transom)) (336E - Поворотный кронштейн (Df225T: e01: (X-Transom, Xx-Transom) ))

337E  -  Trim  Cylinder  (Df225T:e01:(X-Transom,Xx-Transom)) (337E - Цилиндр трима (Df225T: e01: (X-Transom, Xx-Transom) ))

337E - Trim Cylinder (Df225T:e01:(X-Transom,Xx-Transom)) (337E - Цилиндр трима (Df225T: e01: (X-Transom, Xx-Transom) ))

340E  -  Ptt  Motor  (Df225T:e01:(X-Transom,Xx-Transom)) (340E - Двигатель гидроподъёма (Df225T: e01: (X-Transom, Xx-Transom) ))

340E - Ptt Motor (Df225T:e01:(X-Transom,Xx-Transom)) (340E - Двигатель гидроподъёма (Df225T: e01: (X-Transom, Xx-Transom) ))

401E - Engine Holder (Df225T:e01) (401E - Основание двигателя (Df225T: e01))

401E - Engine Holder (Df225T:e01) (401E - Основание двигателя (Df225T: e01))

405E  -  Drive  Shaft  Housing  (Df225T:e01:(X-Transom,Xx-Transom)) (405E - Корпус вала передачи (Df225T: e01: (X-Transom, Xx-Transom) ))

405E - Drive Shaft Housing (Df225T:e01:(X-Transom,Xx-Transom)) (405E - Корпус вала передачи (Df225T: e01: (X-Transom, Xx-Transom) ))

407E - Gear Case (Df225T:e01) (407E - Картер коробки передач (Df225T: e01))

407E - Gear Case (Df225T:e01) (407E - Картер коробки передач (Df225T: e01))

410E  -  Side  Cover  (Df225T:e01:(X-Transom,Xx-Transom)) (410E - Боковая крышка (Df225T: e01: (X-Transom, Xx-Transom) ))

410E - Side Cover (Df225T:e01:(X-Transom,Xx-Transom)) (410E - Боковая крышка (Df225T: e01: (X-Transom, Xx-Transom) ))

420E - Engine Cover (Df225T:e01) (420E - Крышка двигателя (капот) (Df225T: e01))

420E - Engine Cover (Df225T:e01) (420E - Крышка двигателя (капот) (Df225T: e01))

430A - Fuel Hose (430A - Топливный шланг)

430A - Fuel Hose (430A - Топливный шланг)

442A - Drag Link (442A - Переключающая тяга)

442A - Drag Link (442A - Переключающая тяга)

460A - Meter (460A - Прибор)

460A - Meter (460A - Прибор)

501A - Opt:meter (501A - Опции: приборы)

501A - Opt:meter (501A - Опции: приборы)

508A - Opt:remote Control (508A - Опции: дистанционное управление)

508A - Opt:remote Control (508A - Опции: дистанционное управление)

517A - Opt:concealed Remocon (1) (517A - Опции: дистанционное управление, скрытая установка (1))

517A - Opt:concealed Remocon (1) (517A - Опции: дистанционное управление, скрытая установка (1))

518A - Opt:concealed Remocon (2) (518A - Опции: дистанционное управление, скрытая установка (2))

518A - Opt:concealed Remocon (2) (518A - Опции: дистанционное управление, скрытая установка (2))

521A - Opt:harness (521A - Опции: жгут проводов)

521A - Opt:harness (521A - Опции: жгут проводов)

530A - Opt:switch (530A - Опции: переключатели)

530A - Opt:switch (530A - Опции: переключатели)

541A - Opt:remote Control Assy Dual (1) (541A - Опции: дистанционное управление в сборе Dual (1))

541A - Opt:remote Control Assy Dual (1) (541A - Опции: дистанционное управление в сборе Dual (1))

542A - Opt:remote Control Assy Dual (2) (542A - Опции: дистанционное управление в сборе Dual (2))

542A - Opt:remote Control Assy Dual (2) (542A - Опции: дистанционное управление в сборе Dual (2))

544A  -  Opt:remote  Control  Assy  Single  (1) (544A - Дистанционное управление в сборе, одинарное (1))

544A - Opt:remote Control Assy Single (1) (544A - Дистанционное управление в сборе, одинарное (1))

545A  -  Opt:remote  Control  Assy  Single  (2) (545A - Дистанционное управление в сборе, одинарное (2))

545A - Opt:remote Control Assy Single (2) (545A - Дистанционное управление в сборе, одинарное (2))

573A - Opt:tie Rod (573A - Опции: tie Тяга)

573A - Opt:tie Rod (573A - Опции: tie Тяга)

585E - Opt:gasket Set (Df225T:e01) (585E - Опции: комплект прокладок (Df225T: e01))

585E - Opt:gasket Set (Df225T:e01) (585E - Опции: комплект прокладок (Df225T: e01))

588A - Opt:lowrance Gauge (588A - Опции: приборы Lowrance)

588A - Opt:lowrance Gauge (588A - Опции: приборы Lowrance)




 
 

данный сайт носит информационный характер и не является публичной офертой

склад запчастей для водомоторной техники