вконтакте

Контактный телефон: +7 (981) 121-46-93, +7 (800) 200-90-76 , Email: parts-katalog@yandex.ru, где купить

 
 

  Логин:

Пароль:

Регистрация

www.partskatalog.ru Все каталоги Запчасти Mercury Запчасти Suzuki Запчасти Tohatsu Запчасти Honda Контакты



УВАЖАЕМЫЕ КЛИЕНТЫ!
C 19 ДЕКАБРЯ 2025 ПО 02 МАРТА 2026 ГОДА ОТДЕЛ ЗАПЧАСТЕЙ И СЕРВИС РАБОТАТЬ НЕ БУДУТ
ПРОДАЖА ЛОДОЧНЫХ МОТОРОВ В ШТАТНОМ РЕЖИМЕ
ОБ ИЗМЕНЕНИЯХ В ГРАФИКЕ РАБОТЫ ЧИТАЙТЕ НА САЙТА




запчастиsuzuki

Узнать наличие и цену запчасти:

Вернуться к началу выбора

Поиск модели по серийному номеру


РЕЖИМЫ ПРОСМОТРА

Все узлы и детали

Двигатель

Трансмиссия

Электрика

Внешние части

Дополнительные опции

Тип двигателя: 4x - тактный

Модель двигателя: Suzuki DF150

Модификация Вашего двигателя:   Suzuki DF-150 APL / APX (E11 025)
Двигатели с серийным номером после 15003P-540001
Код модели двигателя: DF150AP L / X FROM 15003P-540001~ (E11 025)
Год выпуска двигателя: 2025
Регион: Россия, Европа


Поиск запчастей по коду или названию


   Выберите раздел

найти расходники на лодочные моторы Suzuki

Начните вводить запрос

111A - Cylinder Head (111A - Головка блока цилиндра)

111A - Cylinder Head (111A - Головка блока цилиндра)

113A - Cylinder Block (113A - Блок цилиндра)

113A - Cylinder Block (113A - Блок цилиндра)

116A - Crankshaft (116A - Коленвал)

116A - Crankshaft (116A - Коленвал)

118A - Balancer

118A - Balancer

119A - Timing Chain (119A - Распределяющая цепь)

119A - Timing Chain (119A - Распределяющая цепь)

121E - Camshaft (Df150Ap) (121E - Распределительный вал (Df150Ap))

121E - Camshaft (Df150Ap) (121E - Распределительный вал (Df150Ap))

123A - Intake Manifold / Throttle Body (123A - Впускной коллектор / Дроссель газа)

123A - Intake Manifold / Throttle Body (123A - Впускной коллектор / Дроссель газа)

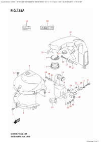
135A - Silencer / Ring Gear Cover (135A - Глушитель / Крышка механизма маховика)

135A - Silencer / Ring Gear Cover (135A - Глушитель / Крышка механизма маховика)

140A - Exhaust Cover (140A - Кожух выхлопной трубы)

140A - Exhaust Cover (140A - Кожух выхлопной трубы)

143A - Fuel Vapor Separator (E11) (143A - Отделитель паров топлива (E11))

143A - Fuel Vapor Separator (E11) (143A - Отделитель паров топлива (E11))

144A - Fuel Injector (E11) (144A - Топливный инжектор (E11))

144A - Fuel Injector (E11) (144A - Топливный инжектор (E11))

146A - Fuel Pump (E11) (146A - Топливный насос (E11))

146A - Fuel Pump (E11) (146A - Топливный насос (E11))

160A - Water Pump (E11) (160A - Водяной насос (E11))

160A - Water Pump (E11) (160A - Водяной насос (E11))

162A - Thermostat (162A - Термостат)

162A - Thermostat (162A - Термостат)

175A - Oil Pump (175A - Масляный насос)

175A - Oil Pump (175A - Масляный насос)

178A - Oil Filter (178A - Масляный фильтр)

178A - Oil Filter (178A - Масляный фильтр)

180A - Oil Pan (180A - Масляный поддон)

180A - Oil Pan (180A - Масляный поддон)

204C - Clutch Shaft (025) (204C - Сцепление Вал (025))

204C - Clutch Shaft (025) (204C - Сцепление Вал (025))

206A - Clutch Rod (206A - Тяга сцепления)

206A - Clutch Rod (206A - Тяга сцепления)

220A - Transmission (220A - Трансмиссия)

220A - Transmission (220A - Трансмиссия)

301A - Starting Motor (301A - Двигатель электростартера)

301A - Starting Motor (301A - Двигатель электростартера)

303A - Magneto (303A - Магнето)

303A - Magneto (303A - Магнето)

310A - Rectifier / Ignition Coil (310A - Выпрямитель / Катушка зажигания)

310A - Rectifier / Ignition Coil (310A - Выпрямитель / Катушка зажигания)

315A - Sensor (315A - Датчик)

315A - Sensor (315A - Датчик)

322A - Harness (322A - Жгут проводов)

322A - Harness (322A - Жгут проводов)

326A - Ptt Switch  / Engine Control  Unit (326A - Переключатель гидроподъёма / Блок управления двигателем)

326A - Ptt Switch / Engine Control Unit (326A - Переключатель гидроподъёма / Блок управления двигателем)

331A - Key Less Start (331A - Ключ Less Start)

331A - Key Less Start (331A - Ключ Less Start)

335A - Clamp Bracket (335A - Кронштейн транца)

335A - Clamp Bracket (335A - Кронштейн транца)

336A - Swivel Bracket (336A - Поворотный кронштейн)

336A - Swivel Bracket (336A - Поворотный кронштейн)

337A - Trim Cylinder (337A - Цилиндр трима)

337A - Trim Cylinder (337A - Цилиндр трима)

340A - Ptt Motor (340A - Двигатель гидроподъёма)

340A - Ptt Motor (340A - Двигатель гидроподъёма)

401A - Engine Holder (401A - Основание двигателя)

401A - Engine Holder (401A - Основание двигателя)

405A - Drive Shaft Housing (405A - Корпус вала передачи)

405A - Drive Shaft Housing (405A - Корпус вала передачи)

407A - Gear Case (407A - Картер коробки передач)

407A - Gear Case (407A - Картер коробки передач)

410B - Side Cover (410B - Боковая крышка)

410B - Side Cover (410B - Боковая крышка)

420D - Engine Cover (Df150Ap) (420D - Крышка двигателя (капот) (Df150Ap))

420D - Engine Cover (Df150Ap) (420D - Крышка двигателя (капот) (Df150Ap))

430A - Fuel Hose (E11) (430A - Топливный шланг (E11))

430A - Fuel Hose (E11) (430A - Топливный шланг (E11))

475A - Squeeze Pump (E11) (475A - Ручная сжимная помпа (E11))

475A - Squeeze Pump (E11) (475A - Ручная сжимная помпа (E11))

520A - Opt:flush Mount Remocon (520A - Опции: монтаж заподлицо Remocon)

520A - Opt:flush Mount Remocon (520A - Опции: монтаж заподлицо Remocon)

522B - Opt:harness (1) (522B - Опции: жгут проводов (1))

522B - Opt:harness (1) (522B - Опции: жгут проводов (1))

523A - Opt:harness (2) (523A - Опции: жгут проводов (2))

523A - Opt:harness (2) (523A - Опции: жгут проводов (2))

530B - Opt:switch (530B - Опции: переключатели)

530B - Opt:switch (530B - Опции: переключатели)

535B - Opt:key Less Start (535B - Опции: Ключ Less Start)

535B - Opt:key Less Start (535B - Опции: Ключ Less Start)

540A - Opt:remote  Control  Assy  Dual (540A - Опции: дистанционное управление в сборе Dual)

540A - Opt:remote Control Assy Dual (540A - Опции: дистанционное управление в сборе Dual)

543A - Opt:remote  Control  Assy  Single (543A - Дистанционное управление в сборе, одинарное)

543A - Opt:remote Control Assy Single (543A - Дистанционное управление в сборе, одинарное)

575A - Opt:drag Link (575A - Опции: рулевая тяга)

575A - Opt:drag Link (575A - Опции: рулевая тяга)

585A - Opt:gasket Set (585A - Опции: комплект прокладок)

585A - Opt:gasket Set (585A - Опции: комплект прокладок)

601A - Opt:multi  Function  Gauge  (1)  (E11) (601A - Опции: multi Function Gauge (1) (E11))

601A - Opt:multi Function Gauge (1) (E11) (601A - Опции: multi Function Gauge (1) (E11))

602A - Opt:multi  Function  Gauge  (2)  (E11) (602A - Опции: multi Function Gauge (2) (E11))

602A - Opt:multi Function Gauge (2) (E11) (602A - Опции: multi Function Gauge (2) (E11))




 
 

данный сайт носит информационный характер и не является публичной офертой

склад запчастей для водомоторной техники