вконтакте

Контактный телефон: +7 (981) 121-46-93, +7 (800) 200-90-76 , Email: parts-katalog@yandex.ru, где купить

 
 

  Логин:

Пароль:

Регистрация

www.partskatalog.ru Все каталоги Запчасти Mercury Запчасти Suzuki Запчасти Tohatsu Запчасти Honda Контакты



УВАЖАЕМЫЕ КЛИЕНТЫ!
C 31 ОКТЯБРЯ 2025 ПО 10 НОЯБРЯ 2025 ГОДА РАБОТАТЬ НЕ БУДЕМ




запчастиsuzuki

Узнать наличие и цену запчасти:

Вернуться к началу выбора

Поиск модели по серийному номеру


РЕЖИМЫ ПРОСМОТРА

Все узлы и детали

Двигатель

Трансмиссия

Электрика

Внешние части

Дополнительные опции

Тип двигателя: 4x - тактный

Модель двигателя: Suzuki DF300

Модификация Вашего двигателя:   Suzuki DF-300 AX-AXX (E11 025)
Двигатели с серийным номером после 30002P-540001
Код модели двигателя: DF300A X / XX FROM 30002P-540001~ (E11 025)
Год выпуска двигателя: 2025
Регион: Россия, Европа


Поиск запчастей по коду или названию


   Выберите раздел

найти расходники на лодочные моторы Suzuki

Начните вводить запрос

111A - Cylinder Head (111A - Головка блока цилиндра)

111A - Cylinder Head (111A - Головка блока цилиндра)

113A - Cylinder Block (113A - Блок цилиндра)

113A - Cylinder Block (113A - Блок цилиндра)

116A - Crankshaft (116A - Коленвал)

116A - Crankshaft (116A - Коленвал)

119A - Timing Chain (119A - Распределяющая цепь)

119A - Timing Chain (119A - Распределяющая цепь)

121A - Camshaft (Df300A) (121A - Распределительный вал (Df300A))

121A - Camshaft (Df300A) (121A - Распределительный вал (Df300A))

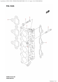
122A - Intake Manifold (122A - Впускной коллектор)

122A - Intake Manifold (122A - Впускной коллектор)

136A - Ring Gear Cover (136A - Крышка механизма маховика)

136A - Ring Gear Cover (136A - Крышка механизма маховика)

140A - Exhaust Cover (140A - Кожух выхлопной трубы)

140A - Exhaust Cover (140A - Кожух выхлопной трубы)

144A - Fuel Injector (E03,E11) (144A - Топливный инжектор (E03, E11))

144A - Fuel Injector (E03,E11) (144A - Топливный инжектор (E03, E11))

147A - Fuel Pump  /  Fuel Vapor Separator (147A - Топливный насос / Отделитель паров топлива)

147A - Fuel Pump / Fuel Vapor Separator (147A - Топливный насос / Отделитель паров топлива)

160A - Water Pump ((Df300A,Df250A):E11) (160A - Водяной насос ( (Df300A, Df250A) : E11))

160A - Water Pump ((Df300A,Df250A):E11) (160A - Водяной насос ( (Df300A, Df250A) : E11))

162A - Thermostat (162A - Термостат)

162A - Thermostat (162A - Термостат)

163A - Throttle Body (163A - Дроссель газа)

163A - Throttle Body (163A - Дроссель газа)

175A - Oil Pump (175A - Масляный насос)

175A - Oil Pump (175A - Масляный насос)

180A - Oil Pan (180A - Масляный поддон)

180A - Oil Pan (180A - Масляный поддон)

204A - Clutch Shaft (204A - Сцепление Вал)

204A - Clutch Shaft (204A - Сцепление Вал)

206A - Clutch Rod (Df300A,Df250A) (206A - Тяга сцепления (Df300A, Df250A))

206A - Clutch Rod (Df300A,Df250A) (206A - Тяга сцепления (Df300A, Df250A))

220A - Transmission (Df300A,Df250A) (220A - Трансмиссия (Df300A, Df250A))

220A - Transmission (Df300A,Df250A) (220A - Трансмиссия (Df300A, Df250A))

301A - Starting Motor (301A - Двигатель электростартера)

301A - Starting Motor (301A - Двигатель электростартера)

303A - Magneto (303A - Магнето)

303A - Magneto (303A - Магнето)

310A - Rectifier / Ignition Coil (310A - Выпрямитель / Катушка зажигания)

310A - Rectifier / Ignition Coil (310A - Выпрямитель / Катушка зажигания)

315B - Sensor  (X-Transom,Xx-Transom) (315B - Датчик (X-Transom, Xx-Transom))

315B - Sensor (X-Transom,Xx-Transom) (315B - Датчик (X-Transom, Xx-Transom))

322A - Harness (Df300A,Df250A) (322A - Жгут проводов (Df300A, Df250A))

322A - Harness (Df300A,Df250A) (322A - Жгут проводов (Df300A, Df250A))

326B - Ptt Switch  /  Engine Control Unit (Df300A) (326B - Переключатель гидроподъёма / Блок управления двигателем (Df300A))

326B - Ptt Switch / Engine Control Unit (Df300A) (326B - Переключатель гидроподъёма / Блок управления двигателем (Df300A))

331A - Key Less Start (E11,E03) (331A - Ключ Less Start (E11, E03))

331A - Key Less Start (E11,E03) (331A - Ключ Less Start (E11, E03))

335A - Clamp Bracket (X-Transom,Xx-Transom) (335A - Кронштейн транца (X-Transom, Xx-Transom))

335A - Clamp Bracket (X-Transom,Xx-Transom) (335A - Кронштейн транца (X-Transom, Xx-Transom))

336A - Swivel  Bracket (X-Transom,Xx-Transom) (336A - Поворотный кронштейн (X-Transom, Xx-Transom))

336A - Swivel Bracket (X-Transom,Xx-Transom) (336A - Поворотный кронштейн (X-Transom, Xx-Transom))

337A - Trim Cylinder (X-Transom,Xx-Transom) (337A - Цилиндр трима (X-Transom, Xx-Transom))

337A - Trim Cylinder (X-Transom,Xx-Transom) (337A - Цилиндр трима (X-Transom, Xx-Transom))

340A - Ptt  Motor  (X-Transom,Xx-Transom) (340A - Двигатель гидроподъёма (X-Transom, Xx-Transom))

340A - Ptt Motor (X-Transom,Xx-Transom) (340A - Двигатель гидроподъёма (X-Transom, Xx-Transom))

401A - Engine Holder (Df300A,Df250A) (401A - Основание двигателя (Df300A, Df250A))

401A - Engine Holder (Df300A,Df250A) (401A - Основание двигателя (Df300A, Df250A))

405A - Drive Shaft Housing (X-Transom) (405A - Корпус вала передачи (X-Transom))

405A - Drive Shaft Housing (X-Transom) (405A - Корпус вала передачи (X-Transom))

405B - Drive Shaft Housing (Xx-Transom) (405B - Корпус вала передачи (Xx-Transom))

405B - Drive Shaft Housing (Xx-Transom) (405B - Корпус вала передачи (Xx-Transom))

407D - Gear Case (025:(Df300A,Df250A)) (407D - Картер коробки передач (025: (Df300A, Df250A) ))

407D - Gear Case (025:(Df300A,Df250A)) (407D - Картер коробки передач (025: (Df300A, Df250A) ))

410F - Side Cover (X-Transom,Xx-Transom) (410F - Боковая крышка (X-Transom, Xx-Transom))

410F - Side Cover (X-Transom,Xx-Transom) (410F - Боковая крышка (X-Transom, Xx-Transom))

420D - Engine Cover (Df300A) (420D - Крышка двигателя (капот) (Df300A))

420D - Engine Cover (Df300A) (420D - Крышка двигателя (капот) (Df300A))

430D - Fuel Hose (E11) (430D - Топливный шланг (E11))

430D - Fuel Hose (E11) (430D - Топливный шланг (E11))

475A - Squeeze Pump (475A - Ручная сжимная помпа)

475A - Squeeze Pump (475A - Ручная сжимная помпа)

520A - Opt:flush Mount Remocon (520A - Опции: монтаж заподлицо Remocon)

520A - Opt:flush Mount Remocon (520A - Опции: монтаж заподлицо Remocon)

522B - Opt:harness (1) (522B - Опции: жгут проводов (1))

522B - Opt:harness (1) (522B - Опции: жгут проводов (1))

523B - Opt:harness (2) (523B - Опции: жгут проводов (2))

523B - Opt:harness (2) (523B - Опции: жгут проводов (2))

530B - Opt:switch (530B - Опции: переключатели)

530B - Opt:switch (530B - Опции: переключатели)

535B - Opt:key Less Start (535B - Опции: Ключ Less Start)

535B - Opt:key Less Start (535B - Опции: Ключ Less Start)

540A - Opt:remote Control Assy Dual (540A - Опции: дистанционное управление в сборе Dual)

540A - Opt:remote Control Assy Dual (540A - Опции: дистанционное управление в сборе Dual)

543A - Opt:remote  Control  Assy  Single (543A - Дистанционное управление в сборе, одинарное)

543A - Opt:remote Control Assy Single (543A - Дистанционное управление в сборе, одинарное)

585A - Opt:gasket Set (585A - Опции: комплект прокладок)

585A - Opt:gasket Set (585A - Опции: комплект прокладок)

601C - Opt:multi  Function  Gauge  (1)  (E40) (601C - Опции: multi Function Gauge (1) (E40))

601C - Opt:multi Function Gauge (1) (E40) (601C - Опции: multi Function Gauge (1) (E40))

601D - Opt:multi  Function  Gauge  (1)  (E11,E03) (601D - Опции: multi Function Gauge (1) (E11, E03))

601D - Opt:multi Function Gauge (1) (E11,E03) (601D - Опции: multi Function Gauge (1) (E11, E03))

602B - Opt:multi  Function  Gauge  (2)  (E40) (602B - Опции: multi Function Gauge (2) (E40))

602B - Opt:multi Function Gauge (2) (E40) (602B - Опции: multi Function Gauge (2) (E40))

602C - Opt:multi  Function  Gauge  (2)  (E11,E03) (602C - Опции: multi Function Gauge (2) (E11, E03))

602C - Opt:multi Function Gauge (2) (E11,E03) (602C - Опции: multi Function Gauge (2) (E11, E03))




 
 

данный сайт носит информационный характер и не является публичной офертой

склад запчастей для водомоторной техники