| |
Выберите раздел
|

|
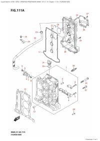
 111A - Cylinder Head (111A - Головка блока цилиндра) |
 113A - Cylinder Block (113A - Блок цилиндра) |
 116A - Crankshaft (116A - Коленвал) |
 119A - Timing Chain (119A - Распределяющая цепь) |
 121A - Camshaft (121A - Распределительный вал) |
 124B - Intake Manifold / Silencer / Exhaust Cover (Df50A, (124B - Впускной коллектор / Глушитель / Кожух выхлопной трубы (Df50A,) |
 136A - Ring Gear Cover (136A - Крышка механизма маховика) |
 143A - Fuel Vapor Separator (143A - Отделитель паров топлива) |
_05003f_540001_rand3945_small.png) 144A - Fuel Injector (E01,E03,E11,E34) (144A - Топливный инжектор (E01, E03, E11, E34)) |
 146A - Fuel Pump (146A - Топливный насос) |
_e01_05003f_540001_rand1883_small.png) 160A - Water Pump ((Df40Aqh,Df40Ath,Df50Ath,Df60Ath):E01, (160A - Водяной насос ( (Df40Aqh, Df40Ath, Df50Ath, Df60Ath) : E01,) |
 162A - Thermostat (162A - Термостат) |
 163A - Throttle Body (Df40A,Df40Ast,Df40Asvt,Df50A,Df50Avt, (163A - Дроссель газа (Df40A, Df40Ast, Df40Asvt, Df50A, Df50Avt,) |
_05003f_540001_rand8106_small.png) 163C - Throttle Body (Df40A,Df50A,Df60A) (163C - Дроссель газа (Df40A, Df50A, Df60A)) |
 175A - Oil Pump (175A - Масляный насос) |
_05003f_540001_rand4688_small.png) 180A - Oil Pan (Df40A,Df40Ast,Df50A,Df60A,Df40Asvt) (180A - Масляный поддон (Df40A, Df40Ast, Df50A, Df60A, Df40Asvt)) |
 204A - Clutch Shaft (Df40A,Df40Aqh,Df40Ath,Df40Ast, (204A - Сцепление Вал (Df40A, Df40Aqh, Df40Ath, Df40Ast,) |
 206A - Clutch Rod (Df40A,Df40Aqh,Df40Ath,Df40Ast, (206A - Тяга сцепления (Df40A, Df40Aqh, Df40Ath, Df40Ast,) |
 220A - Transmission ((Df40Aqh,Df40Ath,Df50Ath, (220A - Трансмиссия ( (Df40Aqh, Df40Ath, Df50Ath,) |
 301A - Starting Motor (301A - Двигатель электростартера) |
 303A - Magneto (303A - Магнето) |
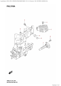
 310A - Rectifier / Ignition Coil (310A - Выпрямитель / Катушка зажигания) |
_05003f_540001_rand392_small.png) 315B - Sensor (Df40A,Df40Ath,Df50A,Df50Ath) (315B - Датчик (Df40A, Df40Ath, Df50A, Df50Ath)) |
_05003f_540001_rand1059_small.png) 322C - Harness (Df40A,Df40Ath,Df50A,Df50Ath) (322C - Жгут проводов (Df40A, Df40Ath, Df50A, Df50Ath)) |
 326A - Ptt Switch / Engine Control Unit (Df40A,Df40Ath, (326A - Переключатель гидроподъёма / Блок управления двигателем (Df40A, Df40Ath,) |
_05003f_540001_rand4844_small.png) 335A - Clamp Bracket (Df40A,Df40Ath,Df50A,Df50Ath) (335A - Кронштейн транца (Df40A, Df40Ath, Df50A, Df50Ath)) |
_05003f_540001_rand2205_small.png) 336A - Swivel Bracket (Df40A,Df50A) (336A - Поворотный кронштейн (Df40A, Df50A)) |
_05003f_540001_rand6628_small.png) 337A - Trim Cylinder (Df40A,Df40Ath,Df50A,Df50Ath) (337A - Цилиндр трима (Df40A, Df40Ath, Df50A, Df50Ath)) |
 340A - Ptt Motor (Df40A,Df40Ath,Df40Ast,Df40Asvt,Df50A, (340A - Двигатель гидроподъёма (Df40A, Df40Ath, Df40Ast, Df40Asvt, Df50A,) |
_05003f_540001_rand5332_small.png) 401A - Engine Holder (Df40A,Df40Ast,Df50A,Df60A) (401A - Основание двигателя (Df40A, Df40Ast, Df50A, Df60A)) |
_05003f_540001_rand4876_small.png) 405A - Drive Shaft Housing (Df40A,Df40Ast,Df50A) (405A - Корпус вала передачи (Df40A, Df40Ast, Df50A)) |
_05003f_540001_rand1747_small.png) 407A - Gear Case (Df40A,Df40Ast,Df50A) (407A - Картер коробки передач (Df40A, Df40Ast, Df50A)) |
 410A - Side Cover (Df40A,Df40Aqh,Df40Ath,Df40Ast,Df50A, (410A - Боковая крышка (Df40A, Df40Aqh, Df40Ath, Df40Ast, Df50A,) |
_05003f_540001_rand8191_small.png) 420G - Engine Cover (Df50A) (420G - Крышка двигателя (капот) (Df50A)) |
_05003f_540001_rand1347_small.png) 430A - Fuel Hose (E03,E11) (430A - Топливный шланг (E03, E11)) |
_05003f_540001_rand5253_small.png) 432A - Fuel Tank (E01,E34,E11,E40) (432A - Топливный бак (E01, E34, E11, E40)) |
 442A - Drag Link (442A - Переключающая тяга) |
_05003f_540001_rand3833_small.png) 444D - Tiller Handle (Df40A,Df50A) (444D - Румпель (Df40A, Df50A)) |
 501A - Opt:meter (Df40A,Df40Ast,Df50A,Df50Avt,Df60A, (501A - Опции: приборы (Df40A, Df40Ast, Df50A, Df50Avt, Df60A,) |
 507A - Opt:water Pressure Gauge Sub Kit (507A - Опции: Комплект прибора изменения давления воды) |
 508A - Opt:remote Control (Df40A,Df50A,Df60A,Df40Ast, (508A - Опции: дистанционное управление (Df40A, Df50A, Df60A, Df40Ast,) |
 515A - Opt:remocon Cable (Df40A,Df40Ast,Df50A,Df50Avt, (515A - Опции: трос дистанционного управления (Df40A, Df40Ast, Df50A, Df50Avt,) |
_(df40a_df50a_df60a_05003f_540001_rand1262_small.png) 517A - Opt:concealed Remocon (1) (Df40A,Df50A,Df60A, (517A - Опции: дистанционное управление, скрытая установка (1) (Df40A, Df50A, Df60A,) |
_(df40a_df50a_df60a_05003f_540001_rand4738_small.png) 518A - Opt:concealed Remocon (2) (Df40A,Df50A,Df60A, (518A - Опции: дистанционное управление, скрытая установка (2) (Df40A, Df50A, Df60A,) |
 521A - Opt:harness (Df40A,Df40Ast,Df50A,Df60A,Df50Avt, (521A - Опции: жгут проводов (Df40A, Df40Ast, Df50A, Df60A, Df50Avt,) |
 530A - Opt:switch (Df40A,Df40Ast,Df50A,Df60A,Df50Avt, (530A - Опции: переключатели (Df40A, Df40Ast, Df50A, Df60A, Df50Avt,) |
_05003f_540001_rand6820_small.png) 544A - Opt:remote Control Assy Single (1) (544A - Дистанционное управление в сборе, одинарное (1)) |
_05003f_540001_rand6854_small.png) 545A - Opt:remote Control Assy Single (2) (545A - Дистанционное управление в сборе, одинарное (2)) |
_05003f_540001_rand7567_small.png) 570A - Opt:tiller Handle (Df40A,Df50A) (570A - Опции: Румпель (Df40A, Df50A)) |
 585A - Opt:gasket Set (Df40A,Df40Aqh,Df40Ath,Df40Ast,Df50A, (585A - Опции: комплект прокладок (Df40A, Df40Aqh, Df40Ath, Df40Ast, Df50A,) |
 600B - Opt:multi Function Gauge (Df50Avt:e03,(Df40A,Df50A, (600B - Опции: multi Function Gauge (Df50Avt: e03, (Df40A, Df50A,) |
|
|