вконтакте

Контактный телефон: +7 (981) 121-46-93, +7 (800) 200-90-76 , Email: parts-katalog@yandex.ru, где купить

 
 

  Логин:

Пароль:

Регистрация

www.partskatalog.ru Все каталоги Запчасти Mercury Запчасти Suzuki Запчасти Tohatsu Запчасти Honda Контакты



УВАЖАЕМЫЕ КЛИЕНТЫ!
C 19 ДЕКАБРЯ 2025 ПО 02 МАРТА 2026 ГОДА ОТДЕЛ ЗАПЧАСТЕЙ И СЕРВИС РАБОТАТЬ НЕ БУДУТ
ПРОДАЖА ЛОДОЧНЫХ МОТОРОВ В ШТАТНОМ РЕЖИМЕ
ОБ ИЗМЕНЕНИЯХ В ГРАФИКЕ РАБОТЫ ЧИТАЙТЕ НА САЙТА




запчастиsuzuki

Узнать наличие и цену запчасти:

Вернуться к началу выбора

Поиск модели по серийному номеру


РЕЖИМЫ ПРОСМОТРА

Все узлы и детали

Двигатель

Трансмиссия

Электрика

Внешние части

Дополнительные опции

Тип двигателя: 4x - тактный

Модель двигателя: Suzuki DF30

Модификация Вашего двигателя:   Suzuki DF-30 ATS / ATL (P40 025)
Двигатели с серийным номером после 03003F-540001
Код модели двигателя: DF30A TS-TL FROM 03003F-540001~ (P40 025)
Год выпуска двигателя: 2025
Регион: Регион P40 (Россия)


Поиск запчастей по коду или названию


   Выберите раздел

найти расходники на лодочные моторы Suzuki

Начните вводить запрос

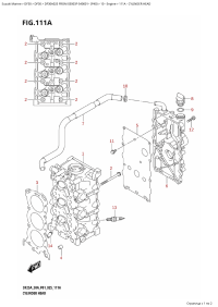
111A - Cylinder Head (111A - Головка блока цилиндра)

111A - Cylinder Head (111A - Головка блока цилиндра)

113A - Cylinder Block (113A - Блок цилиндра)

113A - Cylinder Block (113A - Блок цилиндра)

116A - Crankshaft (116A - Коленвал)

116A - Crankshaft (116A - Коленвал)

120A - Timing Belt (120A - Ремень распредвала)

120A - Timing Belt (120A - Ремень распредвала)

121A - Camshaft (121A - Распределительный вал)

121A - Camshaft (121A - Распределительный вал)

122B - Intake Manifold  (Df30A,Df30Ar,Df30At,Df30Ath,Df30Aq) (122B - Впускной коллектор (Df30A, Df30Ar, Df30At, Df30Ath, Df30Aq))

122B - Intake Manifold (Df30A,Df30Ar,Df30At,Df30Ath,Df30Aq) (122B - Впускной коллектор (Df30A, Df30Ar, Df30At, Df30Ath, Df30Aq))

139A - Exhaust Manifold (139A - Выхлопной патрубок)

139A - Exhaust Manifold (139A - Выхлопной патрубок)

144A - Fuel Injector (144A - Топливный инжектор)

144A - Fuel Injector (144A - Топливный инжектор)

146A - Fuel Pump (P01) (146A - Топливный насос (P01))

146A - Fuel Pump (P01) (146A - Топливный насос (P01))

160B - Water Pump (Df30A) (160B - Водяной насос (Df30A))

160B - Water Pump (Df30A) (160B - Водяной насос (Df30A))

162A - Thermostat (162A - Термостат)

162A - Thermostat (162A - Термостат)

163A - Throttle Body (163A - Дроссель газа)

163A - Throttle Body (163A - Дроссель газа)

166A - Throttle Control (Df25A,Df30A,Df30Ath,Df30Aq) (166A - Управление дросселем (Df25A, Df30A, Df30Ath, Df30Aq))

166A - Throttle Control (Df25A,Df30A,Df30Ath,Df30Aq) (166A - Управление дросселем (Df25A, Df30A, Df30Ath, Df30Aq))

167A - Recoil Starter (167A - Барабанный стартер)

167A - Recoil Starter (167A - Барабанный стартер)

175A - Oil Pump (175A - Масляный насос)

175A - Oil Pump (175A - Масляный насос)

206A - Clutch  Rod  (Df25A,Df30A,Df30Ath,Df30Aq) (206A - Тяга сцепления (Df25A, Df30A, Df30Ath, Df30Aq))

206A - Clutch Rod (Df25A,Df30A,Df30Ath,Df30Aq) (206A - Тяга сцепления (Df25A, Df30A, Df30Ath, Df30Aq))

210A - Shift Rod (210A - Переключающая тяга)

210A - Shift Rod (210A - Переключающая тяга)

220A - Transmission (220A - Трансмиссия)

220A - Transmission (220A - Трансмиссия)

303A - Magneto (M-Starter) (303A - Магнето (модели с ручным стартером))

303A - Magneto (M-Starter) (303A - Магнето (модели с ручным стартером))

310C - Rectifier / Ignition Coil (Df30A) (310C - Выпрямитель / Катушка зажигания (Df30A))

310C - Rectifier / Ignition Coil (Df30A) (310C - Выпрямитель / Катушка зажигания (Df30A))

322A - Harness (Df25A,Df30A,Df30Aq) (322A - Жгут проводов (Df25A, Df30A, Df30Aq))

322A - Harness (Df25A,Df30A,Df30Aq) (322A - Жгут проводов (Df25A, Df30A, Df30Aq))

334E - Sensor / Switch (Df30A) (334E - Датчики и переключатели (Df30A))

334E - Sensor / Switch (Df30A) (334E - Датчики и переключатели (Df30A))

335C - Clamp Bracket (Df30A) (335C - Кронштейн транца (Df30A))

335C - Clamp Bracket (Df30A) (335C - Кронштейн транца (Df30A))

336E - Swivel Bracket (Df30A) (336E - Поворотный кронштейн (Df30A))

336E - Swivel Bracket (Df30A) (336E - Поворотный кронштейн (Df30A))

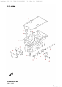
401A - Engine Holder (401A - Основание двигателя)

401A - Engine Holder (401A - Основание двигателя)

405B - Drive Shaft Housing (Df25At,Df30A,Df30At,Df30Ath) (405B - Корпус вала передачи (Df25At, Df30A, Df30At, Df30Ath))

405B - Drive Shaft Housing (Df25At,Df30A,Df30At,Df30Ath) (405B - Корпус вала передачи (Df25At, Df30A, Df30At, Df30Ath))

407B - Gear Case (Df25At,Df30A,Df30At,Df30Ath) (407B - Картер коробки передач (Df25At, Df30A, Df30At, Df30Ath))

407B - Gear Case (Df25At,Df30A,Df30At,Df30Ath) (407B - Картер коробки передач (Df25At, Df30A, Df30At, Df30Ath))

410E - Side Cover (Df30A) (410E - Боковая крышка (Df30A))

410E - Side Cover (Df30A) (410E - Боковая крышка (Df30A))

420B - Engine Cover  (Df30A,Df30Ar,Df30Aq,Df30At,Df30Ath) (420B - Крышка двигателя (капот) (Df30A, Df30Ar, Df30Aq, Df30At, Df30Ath))

420B - Engine Cover (Df30A,Df30Ar,Df30Aq,Df30At,Df30Ath) (420B - Крышка двигателя (капот) (Df30A, Df30Ar, Df30Aq, Df30At, Df30Ath))

432A - Fuel Tank (432A - Топливный бак)

432A - Fuel Tank (432A - Топливный бак)

444B - Tiller Handle (Df30A,Df30Ath) (444B - Румпель (Df30A, Df30Ath))

444B - Tiller Handle (Df30A,Df30Ath) (444B - Румпель (Df30A, Df30Ath))

501A - Opt:meter  (Df25A,Df30A,Df30Aq,Df30Ar) (501A - Опции: приборы (Df25A, Df30A, Df30Aq, Df30Ar))

501A - Opt:meter (Df25A,Df30A,Df30Aq,Df30Ar) (501A - Опции: приборы (Df25A, Df30A, Df30Aq, Df30Ar))

508A - Opt:remote  Control (Df25A,Df30A,Df30Aq) (508A - Опции: дистанционное управление (Df25A, Df30A, Df30Aq))

508A - Opt:remote Control (Df25A,Df30A,Df30Aq) (508A - Опции: дистанционное управление (Df25A, Df30A, Df30Aq))

513A - Opt:remote Control Parts (Df25A,Df30A,Df30Aq) (513A - Опции: Запчасти для дистанционного управления (Df25A, Df30A, Df30Aq))

513A - Opt:remote Control Parts (Df25A,Df30A,Df30Aq) (513A - Опции: Запчасти для дистанционного управления (Df25A, Df30A, Df30Aq))

515A - Opt:remocon Cable (515A - Опции: трос дистанционного управления)

515A - Opt:remocon Cable (515A - Опции: трос дистанционного управления)

521A - Opt:harness (521A - Опции: жгут проводов)

521A - Opt:harness (521A - Опции: жгут проводов)

553A - Opt:electrical  (Manual Starter)  (M-Starter) (553A - Опции: электрика (ручной Стартер) (модели с ручным стартером))

553A - Opt:electrical (Manual Starter) (M-Starter) (553A - Опции: электрика (ручной Стартер) (модели с ручным стартером))

561A - Opt:starting  Motor (Manual Starter)  (M-Starter) (561A - Опции: электростартер (ручной Стартер) (модели с ручным стартером))

561A - Opt:starting Motor (Manual Starter) (M-Starter) (561A - Опции: электростартер (ручной Стартер) (модели с ручным стартером))

575A - Opt:drag  Link  (Df25A,Df30A,Df30Ath,Df30Aq) (575A - Опции: рулевая тяга (Df25A, Df30A, Df30Ath, Df30Aq))

575A - Opt:drag Link (Df25A,Df30A,Df30Ath,Df30Aq) (575A - Опции: рулевая тяга (Df25A, Df30A, Df30Ath, Df30Aq))

600B - Opt:multi Function Gauge (Df30A) (600B - Опции: multi Function Gauge (Df30A))

600B - Opt:multi Function Gauge (Df30A) (600B - Опции: multi Function Gauge (Df30A))




 
 

данный сайт носит информационный характер и не является публичной офертой

склад запчастей для водомоторной техники