вконтакте

Контактный телефон: +7 (981) 121-46-93, +7 (800) 200-90-76 , Email: parts-katalog@yandex.ru, где купить

 
 

  Логин:

Пароль:

Регистрация

www.partskatalog.ru Все каталоги Запчасти Mercury Запчасти Suzuki Запчасти Tohatsu Запчасти Honda Контакты



УВАЖАЕМЫЕ КЛИЕНТЫ!
C 19 ДЕКАБРЯ 2025 ПО 02 МАРТА 2026 ГОДА ОТДЕЛ ЗАПЧАСТЕЙ И СЕРВИС РАБОТАТЬ НЕ БУДУТ
ПРОДАЖА ЛОДОЧНЫХ МОТОРОВ В ШТАТНОМ РЕЖИМЕ
ОБ ИЗМЕНЕНИЯХ В ГРАФИКЕ РАБОТЫ ЧИТАЙТЕ НА САЙТА




запчастиsuzuki

Узнать наличие и цену запчасти:

Вернуться к началу выбора

Поиск модели по серийному номеру


РЕЖИМЫ ПРОСМОТРА

Все узлы и детали

Двигатель

Трансмиссия

Электрика

Внешние части

Дополнительные опции

Тип двигателя: 4x - тактный

Модель двигателя: Suzuki DF30

Модификация Вашего двигателя:   Suzuki DF-30 ARS / ARL (P01 025)
Двигатели с серийным номером после 03003F-540001
Код модели двигателя: DF30AR S-L FROM 03003F-540001~ (P01 025)
Год выпуска двигателя: 2025
Регион: Россия, Европа


Поиск запчастей по коду или названию


   Выберите раздел

найти расходники на лодочные моторы Suzuki

Начните вводить запрос

111A - Cylinder Head (111A - Головка блока цилиндра)

111A - Cylinder Head (111A - Головка блока цилиндра)

113A - Cylinder Block (113A - Блок цилиндра)

113A - Cylinder Block (113A - Блок цилиндра)

116A - Crankshaft (116A - Коленвал)

116A - Crankshaft (116A - Коленвал)

120A - Timing Belt (120A - Ремень распредвала)

120A - Timing Belt (120A - Ремень распредвала)

121A - Camshaft (121A - Распределительный вал)

121A - Camshaft (121A - Распределительный вал)

122B - Intake Manifold (Df30A,Df30Ar,Df30At,Df30Ath,Df30Aq) (122B - Впускной коллектор (Df30A, Df30Ar, Df30At, Df30Ath, Df30Aq))

122B - Intake Manifold (Df30A,Df30Ar,Df30At,Df30Ath,Df30Aq) (122B - Впускной коллектор (Df30A, Df30Ar, Df30At, Df30Ath, Df30Aq))

139A - Exhaust Manifold (139A - Выхлопной патрубок)

139A - Exhaust Manifold (139A - Выхлопной патрубок)

144A - Fuel Injector (144A - Топливный инжектор)

144A - Fuel Injector (144A - Топливный инжектор)

146A - Fuel Pump (P01) (146A - Топливный насос (P01))

146A - Fuel Pump (P01) (146A - Топливный насос (P01))

160A  -  Water  Pump  (Df25A,Df25At,Df30Aq,Df30Ar,Df30At, (160A - Водяной насос (Df25A, Df25At, Df30Aq, Df30Ar, Df30At,)

160A - Water Pump (Df25A,Df25At,Df30Aq,Df30Ar,Df30At, (160A - Водяной насос (Df25A, Df25At, Df30Aq, Df30Ar, Df30At,)

162A - Thermostat (162A - Термостат)

162A - Thermostat (162A - Термостат)

163A - Throttle Body (163A - Дроссель газа)

163A - Throttle Body (163A - Дроссель газа)

166B - Throttle Control (Df25At,Df30Ar,Df30At) (166B - Управление дросселем (Df25At, Df30Ar, Df30At))

166B - Throttle Control (Df25At,Df30Ar,Df30At) (166B - Управление дросселем (Df25At, Df30Ar, Df30At))

167A - Recoil Starter (167A - Барабанный стартер)

167A - Recoil Starter (167A - Барабанный стартер)

175A - Oil Pump (175A - Масляный насос)

175A - Oil Pump (175A - Масляный насос)

206B - Clutch  Rod (Df25At,Df30Ar,Df30At) (206B - Тяга сцепления (Df25At, Df30Ar, Df30At))

206B - Clutch Rod (Df25At,Df30Ar,Df30At) (206B - Тяга сцепления (Df25At, Df30Ar, Df30At))

210A - Shift Rod (210A - Переключающая тяга)

210A - Shift Rod (210A - Переключающая тяга)

220A - Transmission (220A - Трансмиссия)

220A - Transmission (220A - Трансмиссия)

301C - Starting  Motor (Df30A,Df30Ar,Df30Ath,Df30Aq) (301C - Двигатель электростартера (Df30A, Df30Ar, Df30Ath, Df30Aq))

301C - Starting Motor (Df30A,Df30Ar,Df30Ath,Df30Aq) (301C - Двигатель электростартера (Df30A, Df30Ar, Df30Ath, Df30Aq))

303B - Magneto (E-Starter) (303B - Магнето (модели с электростартером))

303B - Magneto (E-Starter) (303B - Магнето (модели с электростартером))

310D - Rectifier /  Ignition Coil (Df30Ar,Df30At,Df30Ath) (310D - Выпрямитель / Катушка зажигания (Df30Ar, Df30At, Df30Ath))

310D - Rectifier / Ignition Coil (Df30Ar,Df30At,Df30Ath) (310D - Выпрямитель / Катушка зажигания (Df30Ar, Df30At, Df30Ath))

322B - Harness (Df30Ar) (322B - Жгут проводов (Df30Ar))

322B - Harness (Df30Ar) (322B - Жгут проводов (Df30Ar))

334B - Sensor / Switch (Df30Ar) (334B - Датчики и переключатели (Df30Ar))

334B - Sensor / Switch (Df30Ar) (334B - Датчики и переключатели (Df30Ar))

335A - Clamp Bracket (Df25A,Df30Ar) (335A - Кронштейн транца (Df25A, Df30Ar))

335A - Clamp Bracket (Df25A,Df30Ar) (335A - Кронштейн транца (Df25A, Df30Ar))

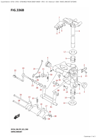
336B - Swivel Bracket (Df30Ar) (336B - Поворотный кронштейн (Df30Ar))

336B - Swivel Bracket (Df30Ar) (336B - Поворотный кронштейн (Df30Ar))

401A - Engine Holder (401A - Основание двигателя)

401A - Engine Holder (401A - Основание двигателя)

405A - Drive Shaft Housing (Df25A,Df30Ar) (405A - Корпус вала передачи (Df25A, Df30Ar))

405A - Drive Shaft Housing (Df25A,Df30Ar) (405A - Корпус вала передачи (Df25A, Df30Ar))

407A - Gear Case (Df25A,Df30Ar) (407A - Картер коробки передач (Df25A, Df30Ar))

407A - Gear Case (Df25A,Df30Ar) (407A - Картер коробки передач (Df25A, Df30Ar))

410B - Side Cover (Df30Ar) (410B - Боковая крышка (Df30Ar))

410B - Side Cover (Df30Ar) (410B - Боковая крышка (Df30Ar))

420B - Engine Cover  (Df30A,Df30Ar,Df30Aq,Df30At,Df30Ath) (420B - Крышка двигателя (капот) (Df30A, Df30Ar, Df30Aq, Df30At, Df30Ath))

420B - Engine Cover (Df30A,Df30Ar,Df30Aq,Df30At,Df30Ath) (420B - Крышка двигателя (капот) (Df30A, Df30Ar, Df30Aq, Df30At, Df30Ath))

432A - Fuel Tank (432A - Топливный бак)

432A - Fuel Tank (432A - Топливный бак)

442A - Drag Link (Df25At,Df30Ar,Df30At) (442A - Переключающая тяга (Df25At, Df30Ar, Df30At))

442A - Drag Link (Df25At,Df30Ar,Df30At) (442A - Переключающая тяга (Df25At, Df30Ar, Df30At))

450A - Remote Control (Df30Ar) (450A - Дистанционное управление (Df30Ar))

450A - Remote Control (Df30Ar) (450A - Дистанционное управление (Df30Ar))

501A - Opt:meter  (Df25A,Df30A,Df30Aq,Df30Ar) (501A - Опции: приборы (Df25A, Df30A, Df30Aq, Df30Ar))

501A - Opt:meter (Df25A,Df30A,Df30Aq,Df30Ar) (501A - Опции: приборы (Df25A, Df30A, Df30Aq, Df30Ar))

515A - Opt:remocon Cable (515A - Опции: трос дистанционного управления)

515A - Opt:remocon Cable (515A - Опции: трос дистанционного управления)

517A  -  Opt:concealed  Remocon  (1)  (Df25At,Df30Ath,Df30Ar, (517A - Опции: дистанционное управление, скрытая установка (1) (Df25At, Df30Ath, Df30Ar,)

517A - Opt:concealed Remocon (1) (Df25At,Df30Ath,Df30Ar, (517A - Опции: дистанционное управление, скрытая установка (1) (Df25At, Df30Ath, Df30Ar,)

518A  -  Opt:concealed  Remocon  (2)  (Df25At,Df30Ath,Df30Ar, (518A - Опции: дистанционное управление, скрытая установка (2) (Df25At, Df30Ath, Df30Ar,)

518A - Opt:concealed Remocon (2) (Df25At,Df30Ath,Df30Ar, (518A - Опции: дистанционное управление, скрытая установка (2) (Df25At, Df30Ath, Df30Ar,)

519A - Opt:remote Control Spacer (519A - Опции: дистанционное управление Проставка)

519A - Opt:remote Control Spacer (519A - Опции: дистанционное управление Проставка)

521A - Opt:harness (521A - Опции: жгут проводов)

521A - Opt:harness (521A - Опции: жгут проводов)

530A - Opt:switch (530A - Опции: переключатели)

530A - Opt:switch (530A - Опции: переключатели)

544A  -  Opt:remote  Control  Assy  Single  (1) (Df25At,Df30Ar, (544A - Дистанционное управление в сборе, одинарное (1) (Df25At, Df30Ar,)

544A - Opt:remote Control Assy Single (1) (Df25At,Df30Ar, (544A - Дистанционное управление в сборе, одинарное (1) (Df25At, Df30Ar,)

545A  -  Opt:remote  Control  Assy  Single  (2) (Df25At,Df30Ar, (545A - Дистанционное управление в сборе, одинарное (2) (Df25At, Df30Ar,)

545A - Opt:remote Control Assy Single (2) (Df25At,Df30Ar, (545A - Дистанционное управление в сборе, одинарное (2) (Df25At, Df30Ar,)

600A  -  Opt:multi  Function  Gauge  (Df25A,Df25At,Df30Aq, (600A - Опции: multi Function Gauge (Df25A, Df25At, Df30Aq,)

600A - Opt:multi Function Gauge (Df25A,Df25At,Df30Aq, (600A - Опции: multi Function Gauge (Df25A, Df25At, Df30Aq,)




 
 

данный сайт носит информационный характер и не является публичной офертой

склад запчастей для водомоторной техники