вконтакте

Контактный телефон: +7 (981) 121-46-93, +7 (800) 200-90-76 , Email: parts-katalog@yandex.ru, где купить

 
 

  Логин:

Пароль:

Регистрация

www.partskatalog.ru Все каталоги Запчасти Mercury Запчасти Suzuki Запчасти Tohatsu Запчасти Honda Контакты



УВАЖАЕМЫЕ КЛИЕНТЫ!
C 19 ДЕКАБРЯ 2025 ПО 02 МАРТА 2026 ГОДА ОТДЕЛ ЗАПЧАСТЕЙ И СЕРВИС РАБОТАТЬ НЕ БУДУТ
ПРОДАЖА ЛОДОЧНЫХ МОТОРОВ В ШТАТНОМ РЕЖИМЕ
ОБ ИЗМЕНЕНИЯХ В ГРАФИКЕ РАБОТЫ ЧИТАЙТЕ НА САЙТА




запчастиsuzuki

Узнать наличие и цену запчасти:

Вернуться к началу выбора

Поиск модели по серийному номеру


РЕЖИМЫ ПРОСМОТРА

Все узлы и детали

Двигатель

Трансмиссия

Электрика

Внешние части

Дополнительные опции

Тип двигателя: 4x - тактный

Модель двигателя: Suzuki DF350

Модификация Вашего двигателя:   Suzuki DF-350 ATX / ATXX (E11 025)
Двигатели с серийным номером после 35001F-540001
Код модели двигателя: DF350AT X / XX FROM 35001F-540001~ (E11 025)
Год выпуска двигателя: 2025
Регион: Россия, Европа


Поиск запчастей по коду или названию


   Выберите раздел

найти расходники на лодочные моторы Suzuki

Начните вводить запрос

111A - Cylinder Head (111A - Головка блока цилиндра)

111A - Cylinder Head (111A - Головка блока цилиндра)

113A - Cylinder Block (113A - Блок цилиндра)

113A - Cylinder Block (113A - Блок цилиндра)

116A - Crankshaft (Df350A,Df350Amd) (116A - Коленвал (Df350A, Df350Amd))

116A - Crankshaft (Df350A,Df350Amd) (116A - Коленвал (Df350A, Df350Amd))

119A - Timing Chain (119A - Распределяющая цепь)

119A - Timing Chain (119A - Распределяющая цепь)

121A - Camshaft  (Df350A,Df350Amd,Df325A) (121A - Распределительный вал (Df350A, Df350Amd, Df325A))

121A - Camshaft (Df350A,Df350Amd,Df325A) (121A - Распределительный вал (Df350A, Df350Amd, Df325A))

122A - Intake Manifold (122A - Впускной коллектор)

122A - Intake Manifold (122A - Впускной коллектор)

136A - Ring Gear Cover (136A - Крышка механизма маховика)

136A - Ring Gear Cover (136A - Крышка механизма маховика)

140A - Exhaust Cover (140A - Кожух выхлопной трубы)

140A - Exhaust Cover (140A - Кожух выхлопной трубы)

144A - Fuel Injector (E01,E11) (144A - Топливный инжектор (E01, E11))

144A - Fuel Injector (E01,E11) (144A - Топливный инжектор (E01, E11))

147A - Fuel Pump  /  Fuel Vapor Separator  (E01,E11) (147A - Топливный насос / Отделитель паров топлива (E01, E11))

147A - Fuel Pump / Fuel Vapor Separator (E01,E11) (147A - Топливный насос / Отделитель паров топлива (E01, E11))

160A - Water Pump (160A - Водяной насос)

160A - Water Pump (160A - Водяной насос)

162A - Thermostat (162A - Термостат)

162A - Thermostat (162A - Термостат)

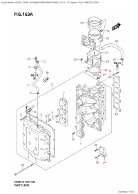
163A - Throttle Body (163A - Дроссель газа)

163A - Throttle Body (163A - Дроссель газа)

175A - Oil Pump (175A - Масляный насос)

175A - Oil Pump (175A - Масляный насос)

180A - Oil Pan (180A - Масляный поддон)

180A - Oil Pan (180A - Масляный поддон)

204A - Clutch Shaft (204A - Сцепление Вал)

204A - Clutch Shaft (204A - Сцепление Вал)

206A - Clutch Rod (206A - Тяга сцепления)

206A - Clutch Rod (206A - Тяга сцепления)

220E - Transmission (025) (220E - Трансмиссия (025))

220E - Transmission (025) (220E - Трансмиссия (025))

301A - Starting Motor (301A - Двигатель электростартера)

301A - Starting Motor (301A - Двигатель электростартера)

303A - Magneto (303A - Магнето)

303A - Magneto (303A - Магнето)

310A - Rectifier / Ignition Coil (310A - Выпрямитель / Катушка зажигания)

310A - Rectifier / Ignition Coil (310A - Выпрямитель / Катушка зажигания)

315C - Sensor (Df350A,Df325A,Df300B) (315C - Датчик (Df350A, Df325A, Df300B))

315C - Sensor (Df350A,Df325A,Df300B) (315C - Датчик (Df350A, Df325A, Df300B))

322C - Harness (Df350A,Df325A,Df300B) (322C - Жгут проводов (Df350A, Df325A, Df300B))

322C - Harness (Df350A,Df325A,Df300B) (322C - Жгут проводов (Df350A, Df325A, Df300B))

326B - Ptt Switch  /  Engine Control  Unit (326B - Переключатель гидроподъёма / Блок управления двигателем)

326B - Ptt Switch / Engine Control Unit (326B - Переключатель гидроподъёма / Блок управления двигателем)

331A - Key Less Start (331A - Ключ Less Start)

331A - Key Less Start (331A - Ключ Less Start)

335A - Clamp Bracket (Df350A,Df325A,Df300B) (335A - Кронштейн транца (Df350A, Df325A, Df300B))

335A - Clamp Bracket (Df350A,Df325A,Df300B) (335A - Кронштейн транца (Df350A, Df325A, Df300B))

336A - Swivel  Bracket (Df350A,Df325A,Df300B) (336A - Поворотный кронштейн (Df350A, Df325A, Df300B))

336A - Swivel Bracket (Df350A,Df325A,Df300B) (336A - Поворотный кронштейн (Df350A, Df325A, Df300B))

337A - Trim Cylinder (Df350A,Df325A,Df300B) (337A - Цилиндр трима (Df350A, Df325A, Df300B))

337A - Trim Cylinder (Df350A,Df325A,Df300B) (337A - Цилиндр трима (Df350A, Df325A, Df300B))

340A - Ptt  Motor  (Df350A,Df325A,Df300B) (340A - Двигатель гидроподъёма (Df350A, Df325A, Df300B))

340A - Ptt Motor (Df350A,Df325A,Df300B) (340A - Двигатель гидроподъёма (Df350A, Df325A, Df300B))

401A - Engine Holder (401A - Основание двигателя)

401A - Engine Holder (401A - Основание двигателя)

405A - Drive Shaft Housing (Df350A,Df325A,Df300B:x-Transom) (405A - Корпус вала передачи (Df350A, Df325A, Df300B: x-Transom))

405A - Drive Shaft Housing (Df350A,Df325A,Df300B:x-Transom) (405A - Корпус вала передачи (Df350A, Df325A, Df300B: x-Transom))

405C  -  Drive  Shaft  Housing  (Df350A,Df325A,Df300B:xx- (405C - Корпус вала передачи (Df350A, Df325A, Df300B: xx-)

405C - Drive Shaft Housing (Df350A,Df325A,Df300B:xx- (405C - Корпус вала передачи (Df350A, Df325A, Df300B: xx-)

407A - Gear Case (407A - Картер коробки передач)

407A - Gear Case (407A - Картер коробки передач)

410B - Side Cover (410B - Боковая крышка)

410B - Side Cover (410B - Боковая крышка)

420B - Engine Cover (Df350A,Df350Amd) (420B - Крышка двигателя (капот) (Df350A, Df350Amd))

420B - Engine Cover (Df350A,Df350Amd) (420B - Крышка двигателя (капот) (Df350A, Df350Amd))

430A - Fuel Hose (430A - Топливный шланг)

430A - Fuel Hose (430A - Топливный шланг)

475A - Squeeze Pump (E11) (475A - Ручная сжимная помпа (E11))

475A - Squeeze Pump (E11) (475A - Ручная сжимная помпа (E11))

520A - Opt:flush Mount Remocon (520A - Опции: монтаж заподлицо Remocon)

520A - Opt:flush Mount Remocon (520A - Опции: монтаж заподлицо Remocon)

522B - Opt:harness (1) (522B - Опции: жгут проводов (1))

522B - Opt:harness (1) (522B - Опции: жгут проводов (1))

523A - Opt:harness (2) (523A - Опции: жгут проводов (2))

523A - Opt:harness (2) (523A - Опции: жгут проводов (2))

530B - Opt:switch (530B - Опции: переключатели)

530B - Opt:switch (530B - Опции: переключатели)

535C - Opt:key Less Start (535C - Опции: Ключ Less Start)

535C - Opt:key Less Start (535C - Опции: Ключ Less Start)

540A - Opt:remote Control Assy Dual (540A - Опции: дистанционное управление в сборе Dual)

540A - Opt:remote Control Assy Dual (540A - Опции: дистанционное управление в сборе Dual)

543A - Opt:remote  Control  Assy  Single (543A - Дистанционное управление в сборе, одинарное)

543A - Opt:remote Control Assy Single (543A - Дистанционное управление в сборе, одинарное)

585A - Opt:gasket Set (585A - Опции: комплект прокладок)

585A - Opt:gasket Set (585A - Опции: комплект прокладок)

601A - Opt:multi  Function  Gauge  (1)  (E11,E01) (601A - Опции: multi Function Gauge (1) (E11, E01))

601A - Opt:multi Function Gauge (1) (E11,E01) (601A - Опции: multi Function Gauge (1) (E11, E01))

601B - Opt:multi  Function  Gauge  (1)  (E40) (601B - Опции: multi Function Gauge (1) (E40))

601B - Opt:multi Function Gauge (1) (E40) (601B - Опции: multi Function Gauge (1) (E40))

602A - Opt:multi  Function  Gauge  (2)  (E11,E01) (602A - Опции: multi Function Gauge (2) (E11, E01))

602A - Opt:multi Function Gauge (2) (E11,E01) (602A - Опции: multi Function Gauge (2) (E11, E01))

602B - Opt:multi  Function  Gauge  (2)  (E40) (602B - Опции: multi Function Gauge (2) (E40))

602B - Opt:multi Function Gauge (2) (E40) (602B - Опции: multi Function Gauge (2) (E40))




 
 

данный сайт носит информационный характер и не является публичной офертой

склад запчастей для водомоторной техники