вконтакте

Контактный телефон: +7 (981) 121-46-93, +7 (800) 200-90-76 , Email: parts-katalog@yandex.ru, где купить

 
 

  Логин:

Пароль:

Регистрация

www.partskatalog.ru Все каталоги Запчасти Mercury Запчасти Suzuki Запчасти Tohatsu Запчасти Honda Контакты


запчастиsuzuki

Узнать наличие и цену запчасти:

Вернуться к началу выбора

Поиск модели по серийному номеру


РЕЖИМЫ ПРОСМОТРА

Все узлы и детали

Двигатель

Трансмиссия

Электрика

Внешние части

Тип двигателя: 4x - тактный

Модель двигателя: Suzuki DF2.5

Модификация Вашего двигателя:   Suzuki DF-2.5 S / L (P01 025)
Двигатели с серийным номером после 00252F-540001
Код модели двигателя: DF2.5 FROM 00252F-540001~ (P01 025)
Год выпуска двигателя: 2025
Регион: Россия, Европа


Поиск запчастей по коду или названию


   Выберите раздел

найти расходники на лодочные моторы Suzuki

Начните вводить запрос

111A - Cylinder Head (111A - Головка блока цилиндра)

111A - Cylinder Head (111A - Головка блока цилиндра)

113A - Cylinder Block (113A - Блок цилиндра)

113A - Cylinder Block (113A - Блок цилиндра)

116A - Crankshaft (116A - Коленвал)

116A - Crankshaft (116A - Коленвал)

127A - Intake Pipe / Silencer (127A - Всасывающий патрубок / глушитель)

127A - Intake Pipe / Silencer (127A - Всасывающий патрубок / глушитель)

128A - Carburetor (128A - Карбюратор)

128A - Carburetor (128A - Карбюратор)

160A - Water Pump (S-Transom) (160A - Водяной насос (S-Transom))

160A - Water Pump (S-Transom) (160A - Водяной насос (S-Transom))

160B - Water Pump (L-Transom) (160B - Водяной насос (L-Transom))

160B - Water Pump (L-Transom) (160B - Водяной насос (L-Transom))

167A - Recoil Starter (167A - Барабанный стартер)

167A - Recoil Starter (167A - Барабанный стартер)

175A - Oil Pump (175A - Масляный насос)

175A - Oil Pump (175A - Масляный насос)

208A - Clutch Lever (208A - Рычаг сцепления)

208A - Clutch Lever (208A - Рычаг сцепления)

210A - Shift Rod (S-Transom) (210A - Переключающая тяга (S-Transom))

210A - Shift Rod (S-Transom) (210A - Переключающая тяга (S-Transom))

210B - Shift Rod (L-Transom) (210B - Переключающая тяга (L-Transom))

210B - Shift Rod (L-Transom) (210B - Переключающая тяга (L-Transom))

230A - Drive Shaft (S-Transom) (230A - Корпус вала передачи (S-Transom))

230A - Drive Shaft (S-Transom) (230A - Корпус вала передачи (S-Transom))

230B - Drive Shaft (L-Transom) (230B - Корпус вала передачи (L-Transom))

230B - Drive Shaft (L-Transom) (230B - Корпус вала передачи (L-Transom))

303A - Magneto (303A - Магнето)

303A - Magneto (303A - Магнето)

335A - Clamp Bracket (335A - Кронштейн транца)

335A - Clamp Bracket (335A - Кронштейн транца)

336A - Swivel Bracket (336A - Поворотный кронштейн)

336A - Swivel Bracket (336A - Поворотный кронштейн)

405A - Drive Shaft Housing (S-Transom) (405A - Корпус вала передачи (S-Transom))

405A - Drive Shaft Housing (S-Transom) (405A - Корпус вала передачи (S-Transom))

405B - Drive Shaft Housing (L-Transom) (405B - Корпус вала передачи (L-Transom))

405B - Drive Shaft Housing (L-Transom) (405B - Корпус вала передачи (L-Transom))

407A - Gear Case (407A - Картер коробки передач)

407A - Gear Case (407A - Картер коробки передач)

412A - Lower Cover (412A - Нижняя часть корпуса)

412A - Lower Cover (412A - Нижняя часть корпуса)

420A - Engine Cover (420A - Крышка двигателя (капот))

420A - Engine Cover (420A - Крышка двигателя (капот))

432A - Fuel Tank (432A - Топливный бак)

432A - Fuel Tank (432A - Топливный бак)

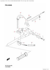
444A - Tiller Handle (444A - Румпель)

444A - Tiller Handle (444A - Румпель)




 
 

данный сайт носит информационный характер и не является публичной офертой

склад запчастей для водомоторной техники